Wayback Machine
DEC FEB MAY
Previous capture 26 Next capture
2008 2009 2010
6 captures
5 Jul 08 - 27 May 09
sparklines
Close Help
Support this Pinball Repair Website & PHoF. Please purchase the Marvin3m.com/top

Repairing Game Plan Electronic
Pinball Games from 1978 to 1985.

by cfh@provide.net, 07/02/07.
Copyright 2005-2007, all rights reserved.

Scope.
This document is a repair guide for Game Plan electronic pinball games made from 1978 to 1985.

Internet Availability of this Document.
Updates of this document are available for no cost at http://marvin3m.com/fix.htm if Internet access is available.

IMPORTANT: Before Starting!
IF YOU HAVE NO EXPERIENCE IN CIRCUIT BOARD REPAIR, YOU SHOULD NOT TRY TO FIX YOUR OWN PINBALL GAME! Before starting any pinball circuit board repair, review the document at http://marvin3m.com/begin, which goes over the basics of circuit board repair. Since these pinball repair documents have been available, repair facilities are reporting a dramatic increase in the number of ruined ("hacked") circuit boards sent in for repair. Most repair facilities will NOT repair your circuit board after it has been unsuccessfully repaired ("hacked").

If you aren't up to repairing pinball circuit boards yourself or need pinball parts or just want to buy a restored game, I recommend seeing the suggested parts & repair sources web page.

Table of Contents

Bibliography and Credit Where Credit is Due.
Many of the ideas in this repair guide are not original. Lots of people contributed to this document, and I just want to say, "thanks!" Below are a list of the resources used in the development of this guide. Some resources/people may have been innocently left out. If this is the case, and an idea is here that was originally yours, please notify me and I will make sure to give you credit!

  • Tim Maleck (kenny_iik at yahoo.com) for a Gameplan wiring harness and transformer. This was much needed for this repair guide!
  • Jeff (meyerbodean at mchsi.com) for many many Gameplan Sharpshooter boards and score displays!
  • Tom Rader (pinballtom at hotmail.com) for many Gameplan boards cocktail boards and score displays!
  • Clive Jones of www.coinopcauldron.com (coinopcauldron at charter.net) for procedures on 2716 EPROMs and other help.
  • Peter (inkochnito at wanadoo.nl) for many Game Plan schematics.
  • John Robertson of flippers.com for his many suggestions.
  • Tim Hoppe at Scandia Pinball, MN for circuit board donations.
  • Brian McCauley (mccauley at maine.rr.com). Brian provided technical and other support for this guide.
  • "Game Plan Pinball Games Repair Procedures", Game Plan, dated October 1, 1981.

I can't thank the above people enough. Especially those that provided wiring harness and boards. The guide would be impossible to put together without this! Testing procedures, researching boards and fixes, it just would not happen if the above people did not step up and send me the stuff to experiment. Thanks again guys!

Some people question whether I wrote all this material myself. I did, but of course like everyone, my repair techniques and ideas are gathered not only from my own experience, but from work that others in this hobby do and share at shows, on the internet, etc. So if you're the originator of some cool trick or tip in this document, and I'm not giving due credit, just let me know and I'll add you to the list of contributors above.



1a. Getting Started: Experience, Schematics, Manuals.

1b. Getting Started: Necessary Tools
    Fixing electronic pinball games will require a few tools. Luckily, most are not that specialized and are easy to get. Please see http://marvin3m.com/begin for details on the basic electronics tools needed.

    Non-Specialized Tools Required:

    • Work Light: clamp style lamp
    • Screwdrivers: small and medium size, phillips and flat head
    • Nut Drivers: 1/4", 5/16", and 11/32"
    • Wrenches: 3/8", 9/16", 5/8" required, other sizes suggested
    • Allen Wrenches: get an assortment of American sizes
    • Needle Nose Pliers
    • Hemostat. Handy for holding parts and springs. Best to have both the curved and straight versions if possible.
    • Right Angled Screwdriver: both phillips and flat head.

    Specialized Tools Required:
    These specialized electronics tools are needed. Please see http://marvin3m.com/begin for details on the basic electronics tools needed.

    • Alligator clips and wire. Buy these at Radio Shack, part number 278-001, $3.69.
    • Soldering Iron.
    • Rosin Core 60/40 Solder.
    • De-soldering tool.
    • Digital Multi-Meter (DMM).
    • Logic Probe.
    • Hand Crimping Tool: Molex WHT-1921 (part# 11-01-0015), Molex part# 63811-1000, Amp 725, or Radio Shack #64-410.

    Cleaning "Tools" Required:

    • Novus #2 or MillWax (for cleaning playfields and rubber)
    • Novus #3 (for polishing metal parts)
    • A paste wax (like Trewax) or hard automotive Carnauba Wax (for waxing playfields and cleaning rubber)
    Novus is available at many places (my local grocery store sells it), or from any good pinball vendor. I don't recommend MillWax, but others like it (mostly because they have been around for a LONG time and are used to it). Do not use any Wildcat products! They react with plastic and can yellow ramps and lift mylar. Trewax or Meguires Carnauba Wax is available at Kmart or the local hardware store.


1c. Getting Started: Parts to Have On-Hand

When fixing electronic pinballs, I would highly recommend having some parts on-hand to make things easier and cheaper. All these parts are available from a pinball retailer.

Parts to have:

  • #47 light bulbs: Seventyfive is plenty to do most games. Do not use #44 bulbs in these Bally games as they consume more power, and the power supply is already over-stressed.
  • Fuses: I would have five of any needed value on hand at all times.
    • 3 amp slow-blow (main power fuse).
    • 5 amp fast-blow (unregulated 12 volts DC, other fuses on cocktail models).
    • 10 amp fast-blo (solenoids 24 volts DC).
    • 15 amp fast-blo (CPU controlled lamps 7 volts DC).
  • Transistors and Silicon Controlled Rectifiers (SCR): keep a few of each of these around:
    • 2N3904 or NTE123AP (MPU board QA, QB, QC)
    • 2N4403 or MPS-3702 or NTE159 (MPU board QD)
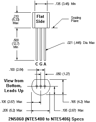
    • 2N5060 or NTE5400 (used on Lamp driver board for feature lamps). A silicon controlled rectifier. This is a .8 amp at 30 volt device. Available from Mouser (part# 610-2N5060, $0.39). Also a 2N5062 (.8 amp 100 volt, can work too.
    • MPS-A13 (used on the BDU-1 score displays).
    • MCR106-1 or NTE5411 (used on Lamp driver board for feature lamps). A silicon controlled rectifier. Also known as a T106. This is a 4 amp at 30 volt device. Available from Mouser (part# 519-T106F1, $0.75).
    • SE9301 or 2N6388 or NTE263 or TIP102 (used on Solenoid driver to drive coils). TIP102's are used in so many other pinball games, I would just buy them. They have the same values except the TIP102 is rated at 12 amps, while the SE9302 is rated at 10 amps.
  • Chips:
    • LM339 (MPU board U18, U23).
    • CA3081 or NTE916 (used on the Solenoid driver to drive coils). This is the pre-driver transistor array. It looks like a chip, but it's actually several transistors mounted in a chip package.
    • Z80A (4 mHz) CPU chip at U11. A Zilog Z80 (2.5 mHz)CPU can also be used instead of the original Z80A.
    • Z80CTC chip (NTE3882) at U10. Provides timing functions for the Z80 CPU. Consists of a bus interface, internale control logic, four counter channels, and interrupt control logic. Also a Z80ACTC can be used instead of the original Z80CTC.
    • 74LS04 (MPU board U3). Used for the reset circuit.
    • 74LS154 (Solenoid Driver board). Used for decoding the MPU board solenoid signals.
    • 74LS32 or 74C32 (MPU board U5, U9). Used for the reset and clock. The 74C32 is the original part, but a 74LS32 or 74HCT32 seems to work fine too (the HCT version will have the least power draw). A 7432 can also be used, but draws the most power.
    • 74LS00 (MPU board U4, U19).
    • 74LS48 (BDU, DDU score display board).
    • 74LS379 (BDU, DDU score display board).
    • 8255 PIA (MPU U51). Also an 8255A can be used.
    • 6810 RAM chip (MPU board U8).
    • 6551 CMOS chip (MPU board U6, U7).
    • CD4514 lamp driver board decoder chip.
    • 4050 lamp driver board buffer chip.
  • Chip Sockets or Machine Pin Strips: keep 8, 14, 16, 22, 24 and 40 pin sockets around. Get good quality sockets! Note the 22 pin socket may be a bit harder to find, as it's a strange configuration. It's used for the 6551 MPU CMOS chips. An even better (but more expensive) alternative is "machine pin strips" SIPs. These come in a snapable length they can be custom made to any size socket needed. But the really good thing about them is they allow complete access to the socket area. Dual wipe plastic sockets are also good if machine pin SIPs are unavailable.
  • Diodes: keep a few 1N4004 and 1N4148 (1N914 or NTE519) diodes around.
  • Diode: 1N4738A, 8.2 volts 1 watt (MPU reset section) This diode is used to keep the RESET line low for a short time while the power supply and its associated filter capacitor get wound up to +5 volts. A 1N4739A (9.1 volts) can be used too, as this would hold the RESET line low just a bit longer.
  • Bridge Rectifiers: keep a few 25 amp, 200 volt (or higher) bridge rectifiers around, with lug leads.
  • LM323K voltage regulator for the power supply.
  • 10,000 to 15,000 mfd 16 volt (or higher) filter capacitor for the power supply (original value is 11,000 mfd).
  • .01 mfd (103) and .1 mfd (104) 16 volt (or higher) ceramic disc capacitors for the MPU board.
  • .156" Connector pins, header pins, and plastic housings. Get .156" Trifurcon crimp-on terminal pins. Used on the rectifier board, display boards, and solenoid driver board. See the connector section for more details.
  • .100" Connector pins, header pins, and plastic housings. Get the crimp-on variety for the MPU and solenoid driver board. See the connector section for more details.

Transistors, diodes, bridge rectifiers and other electronic parts are available from many sources. Please check out the parts and repair sources web page for details.


1d. Getting Started: Game List
    Here are the list of the Gameplan electronic pinball games from 1978 to 1985 covered in this document. Release date and game number is given, and production numbers are in the parends.

    • Cocktail model #110, 1978. Used MPU-1, LDU-1, DDU-1 (six digits). Sold with interchangeable playfields under the names Black Velvet, Real, Rio, Camel Lights, Chuck-a-Luck, and Foxy Lady.
      • Rio, 1978, model #110, (n/a)
      • Black Velvet, 05/78, model #110, (n/a).
      • Camel Lights, 05/78, model #110, (n/a)
      • Foxy Lady, 05/78, model #110, (n/a)
      • Real, 05/78, model #110, (n/a)
      • Chuck-A-Luck, 10/78, model #110, (n/a)
    • Family Fun!, 04/79, model #120, (n/a), cocktail. Used MPU-1, LDU-1, DDU-1 (six digits). Same playfield and game ROMs as Star Trip, but different artwork.
    • Star Trip, 04/79, model #120, (n/a), cocktail. Used MPU-1, LDU-1, DDU-1 (six digits). Same playfield and game ROMs as Family Fun, but different artwork.
    • Sharpshooter, 05/79, model #130, (4200), Gameplan's best seller. Used MPU-2, LDU-2, BDU-1 (six digits).
    • Vegas, 08/79, model #140, (n/a), cocktail (different design than #110). Used MPU-1, LDU-1, DDU-1 (six digits).
    • Old Coney Island!, 12/79, model #180, (3000), used MPU-2, LDU-2, BDU-1 (six digits). Game Plan's second most produced machine (Sharpshooter was first). The playfield is a mirror image of SharpShooter with a few minor changes. The exclamation in the title word "Island!" was added so it contained the same number of characters as "Shooter", as the same drop target assembly could be used between Coney Island and SharpShooter (easier ROM programming too).
    • Challenger I, 1980, model n/a, (n/a). None were ever made.
    • Pinball Lizard, 06/80, model #210, (approx. 1400), used MPU-2, LDU-2, BDU-1 (six digits), and a special LLU-1 "tongue hiss" board that makes sound and has some lamp controlled by 2N5060 SCRs.
    • Global Warfare, 06/81, model 240, (10), used MPU-2, LDU-2, BDU-2 (seven digits). Only one appears to have been made.
    • Mike Bossy (Scoring Machine), 01/82, model n/a, (1 Prototype), used MPU-2 and LDU-2. Game Plan's only endorsement game.
    • Super Nova, 05/82, model #150, (1000), used MPU-2, LDU-2, BDU-1 (six digits).
    • Sharp Shooter II, 11/83, model #730, (600), uses MPU-2, LDU-2, BDU-2 (seven digits), MSU-1. SharpShooter II is basically the same thing as Sharpshooter except for the artwork and soundboard.
    • Attila the Hun, 04/84, model #260, (500), uses MPU-2, LDU-2, BDU-2 (seven digits), MSU-1.
    • Agents 777, 11/84, model #770, (400), used MPU-2, LDU-2, BDU-2 (seven digits), similar playfield layout to Attila the Hun.
    • Captain Hook, 04/85, model #780, (450), used MPU-2, LDU-2, BDU-2 (seven digits).
    • Lady Sharpshooter, 05/85, model 830, (1200), cocktail (different design than the 1978 #110 series), used MPU-2 (the only cocktail to use the MPU-2, LDU-2, BDU-2 seven digits).
    • Andromeda, 09/85, model #850, (500), used MPU-2, LDU-2, BDU-2 (seven digits), multiball game.
    • Cyclopes, 11/85, model #800, (400), used MPU-2, LDU-2, BDU-2 (seven digits). No speech or music, but does have digital sound effects and a ringing bell mounted in the cabinet.
    • Loch-Ness Monster, 11/85, model n/a, (1 Prototype), used MPU-2, LDU-2, BDU-2 (seven digits). Game Plan's best machine with a moving 3-dimensional model of the monster under the playfield, viewable through a blue playfield window. The only Game Plan machine to feature a ramp.


1e. Getting Started: Lubrication Notes
    Pinball machines, for the most part, do not require any lubrication. Most parts run "dry". Far more damage can be done to a pinball machine by over-lubricating, than by under-lubricating. As a rule, if in doubt as to lubrication, don't do it! Throw that WD-40 away, it won't be used here.

    The only parts that will require any lubrication are metal-to-metal moving parts. There aren't very many in a game. Only ball eject and slingshot hinges. 3-in-1 oil also works on these if needed. But try and keep that lubrication in the tool box and away from the game.

    If some prior person did lubricate the game, the lubrication has probably now congealed with the infamous "black pinball dust" to form a thick, black mess. This is unrepairable on coil sleeves, and new parts will need to be installed.


1f. Getting Started: The Circuit Boards
    Gameplan is largely a copy of the 1977 to 1985 Bally pinball architecture. The power supply (transformer and rectifier board) are very similar to Bally's -18 power supply. The MPU board uses a Z80 processor (instead of Bally's 6800 chip), but largely accomplishes the same tasks. There is even a power-on LED flash sequence similar to Bally's power-on LED flashes. Unfortunately Game Plan also used a rechargable MPU battery like Bally, which often leaked on the MPU board causes extensive damage. The Gameplan lamp driver board uses 2N5060 and T106 SCRs just like Bally. And the solenoid driver board uses the same SE9301 (TIP102) transistors driven by a CA3081 transistor array, just like Bally. So if you are comfortable with the 1977 to 1985 Bally pinball system, you will feel right at home with Gameplan's boardset.

    Here are the boards that live in the backbox (head) of the electronic Game Plan pinball games.

The backbox board from a Sharpshooter

    Summary of Gameplan Board Abbreviations.
    • BDU-1: Backglass Display Unit, 6 digit score display board.
    • BDU-2: Backglass Display Unit, 7 digit score display board.
    • DDU-1: Dual Display Unit, two 6 digit score displays and one two digit display. Used in cocktail games.
    • LDU-1: Lamp Driver Unit, used in cocktail pinballs, 47 controlable lamps.
    • LDU-2: Lamp Driver Unit, used in upright pinball, 63 controlable lamps.
    • MPU-1: Main Processing Unit, used in cocktail games with DDU-1 score displays.
    • MPU-2: Main Processing Unit, newer version of the MPU-1 and used in upright or cocktail games with BDU or DDU-1 score displays.
    • MSU-x: Micro Sound Unit. There were three different versions of this board MSU-1 to MSU-3.
    • PSU: Power Supply Unit. Two different versions, one used in cocktails and one in upright pinballs.
    • SDU-1: Solenoid Driver Unit, had 19 controllable driver transistors.
    • SSU-x: Sound Simulator Unit. THere were four different versions of this board SSU-1 to SSU-4.

    PSU (Power Supply).
    The power supply used in upright pinballs looks very much like the 1977-1979 Bally -18 power supply (but both the cocktail and upright pinball power supply operate exactly the same, though they look different). Where the Bally system put the 190 volt High Voltage and +5 volt regulated circuits on the Solenoid driver board, Gameplan has all power supply circuits right on the power supply board itself. And since Gameplan does not need a High Voltage circuit (the score displays run on 5 volts), the power supply is only slightly larger than the Bally rectifier board.

    There are three 25 amp 200 volt bridge rectifiers:

    • 24 volt DC bridge for the solenoids.
    • 5 volt DC regulated and 12 volt DC unregulated power bridge.
    • 7 volt DC CPU driven feature lamps bridge.

    There is no HV (High Voltage) circuit because Gameplan uses LED score displays that operate at 5 volts. This makes the Gameplan power supply much easier to repair. Really the only thing that can fail is the 12 volt filter capacitor (11,000 mfd at 16 volts), the LM323K voltage regulator for the 5 volts, or one of the bridge rectifiers. There is a 6.3 volt AC general illumination circuit on the power supply, but it only consists of a fuse and several connectors.

The backbox mounted power supply from a Sharpshooter

    Main Processing Unit (MPU).
    There were two styles of MPU board used in Gameplan machines: MPU-1 and MPU-2. The MPU-1 came first and was used in the Gameplan Cocktail models #110 (Black Velvet, Real, Rio, Camel Lights, Chuck-a-Luck, and Foxy Lady), Family Fun, Star Trip and Vegas. There are only *two* 2k bit ROM sockets at U12/U13 on the MPU-1 board, so it has limited ROM space. Also the MPU-1 was designed to run the DDU-1 score display units only (it can not run the BDU-1 score displays that were used in upright Gameplan pinballs. Used a rechargable (and often leaking) battery to maintain audits and high scores.

    The MPU-2 came next starting with Sharpshooter, and had *three* 2k bit ROM sockets at U12/U13/U26. Because of this a MPU-1 can not be used in a game designed for a MPU-2. Other than the ROM space differences between MPU-1 and MPU-2, the boards pretty much operate the same. The MPU-2 is downward compatible to games using the MPU-1. The MPU-2 has both style of edge connectors on the top side of the MPU board; it can run either the BDU-1 display or the DDU-1 display. The MPU-1 ROM software can be used in a MPU-2 (ROM socket U26 will be empty), and it works fine. Because of this the MPU-2 is much more versatile as it can be used in any Gameplan game. The MPU-1 board though can not be used in games calling for a MPU-2, because of the limited ROM space and the inability to power the BDU-1 score display. The MPU-2 also used a rechargable (and often leaking) battery to maintain audits and high scores.

    The MPU board is the part to fail most often in the Gameplan board system. This is due mostly to the recharagable battery used on the MPU board. Unfortunately when GP copied Bally, they also copied the idea of using a rechargable battery on the MPU board. Like Bally MPU boards, battery corrosion is the number one cause of GamePlan death. The battery is completely unnecessary for the game to run. All it keeps is high scores and game audits. So any Gameplan MPU board should have the battery removed ASAP. Gameplan even has a free-play option (set by DIP switch #8=on), so there is no need for a battery to keep credits. The only downside to not using the battery is sometimes at power-on wacky high-scores will be seen as the memory has 'garage'.

    The GamePlan MPU basically operates much like a Bally -17/-35 MPU board. The main difference between the two is the processor family. Bally used a 6800 CPU and 6821 PIA family of chips, where Gameplan used a Z80 CPU and Z80CTC and 8522 PIA family. Gameplan also used a 6810 RAM, as did Bally. Other similarities between the two pingame systems are a maximum of 40 switches (8 rows by 5 columns), and the MPU board's PIA drives the sounds board with four data lines (four bits) as did Bally (this is unlike Williams and Gottlieb which used driver board transistors to trigger sounds).

    Gameplan also used the familar power-on LED flash system (much like Bally) for MPU board diagnostics. Where Bally had (usually) 7 LED flashes at power-on, Gameplan used 6 LED flashes to signal any MPU board problems (or lack of problems) at power-on. The Gameplan LED flashes are discussed elsewhere in this document in depth.

The MPU-2 board from a Sharpshooter. The battery is normally at the mid
left edge, but has been remoted mounted on this MPU board. Also this board
has been modified to use 2716 EPROMs, and the reset section of the board
has also been slightly modified. The MPU-2 can be used in any Gameplan game
including cocktails designed for MPU-1 boards, and is downward compatible
to the older MPU-1. It has two top edge connectors for either BDU or DDU
style score displays.

The MPU-1 board from a Model 110 cocktail. The battery is normally at the mid
left side. The top right edge connector for the displays will only work with
DDU-1 displays.

A -5 volt power supply attached to the MPU board at the otherwise unused J8 MPU
connector. This -5 volt power supply is required if the MPU board uses TMS2716
EPROMs at U12,U13,U26 (this is fairly uncommon for most Gameplan machines).
TMS2716 EPROMs are different than standard 2716 EPROMs, as they require
-5, +5 and 12 volts to operate. Hence this little board supplies the -5 volts,
which the Gameplan power supply does not provide. In this situation a better
approach is to replace the TMS2716 EPROMs with standard 2716 (or TMS2516)
EPROMs, and then this board can be removed. This procedure is described here.

    Solenoid Driver Unit (SDU).
    The SDU (Solenoid Driver Unit) uses the same priniciples as the Bally Solenoid Driver board. That is there are nineteen SE9301 (TIP102) transistors driven by four CA3081 pre-driver chips and one 74LS154 decoder chip. This is basically the same solenoid driving circuit as Bally, with some slight changes. For example, two of the 19 driver transistors are for relays - Gameplan has two relay sockets on the solenoid driver board. One SE9301 transistor (#19) drives one relay which engages the flippers during play. Another SE9301 transistor (#9) drives another relay socket which is usually not used (but certainly could be used as a GI relay or some other type of drive relay). Gameplan was thinking ahead, and only used the second relay socket on Andromeda (additonal playfield GI lights) and Super Nova (for the roulette wheel). Since Gameplan games do not use high voltage for the score displays, the SDU has no high voltage circuit. Likewise there is no regulated 5 volt circuit on the SDU either (it is on the power supply board).

The Solenoid Driver board SDU-1 from a Sharpshooter. Note the empty relay
socket on the bottom right, driven by the lower right SE9301 driver transistor #9.
The lower left SE9301 driver transistor #19 drives the populated flipper relay
socket (the empty socket to the right of the flip relay is only used on Super Nova
and Andromeda). This leaves 17 other SE9301 driver transistors for coils.

    Lamp Driver Unit (LDU).
    There are two versions of the lamp driver board: LDU-1 and LDU-2. The LDU-1 was used in cocktail games, and support only 47 CPU controlled lamps, where the LDU-2 controls up to 63 CPU controlled lamps. Because of this the LDU-2 is more versatile and will work in any Gameplan game. The LDU-2 is plug compatible with the LDU-1. In a pinch the LDU-1 can be used in place of the LDU-2, but if the game uses those sixteen additional CPU controlled lights, the LDU-1 will not be able to light them. The LDU-1 and LDU-2 boards are essentially laid out the same too, just there are two more columns of SCRs and two more connectors on the LDU-2 to support the 16 additional lamps.

    The LDU (Lamp Driver Unit) also uses the same principles as Bally's lamp driver board. There is a single SCR for each CPU controlled light. The SCRs used are 2N5060 and MCR106-1 just like Bally, driven through a 74LS154 decoder chip. There are a total of 63 (yes 63 not 64!) SCRs on the LDU-2 lamp driver board allowing the game to have up to 63 CPU controlled lamps. This is three more CPU controlled lamps than Bally had. The larger MCR-106 can also power two #44 lamps in unison, where the 2N5060 can only power one #44 lamp.

LDU-2 Lamp Driver Unit from a Sharpshooter. Note the used of twelve MCR-106
and fiftyone 2N5060 SCRs, just like Bally. This board has a total of 63 SCRs.
The LDU-2 is plug compatible with the LDU-1 and is downward compatible.

LDU-1 Lamp Driver Unit from a Model 110 cocktail. Note the used of six MCR-106
and fortyone 2N5060 SCRs. This board has a total of 47 SCRs. The LDU-1 is plug
compatible with the LDU-2, but lacks the J9 and J10 connectors along the right
side (because it only supports 47 lamps instead of 63).

    Sound Simulartor Unit (SSU) and Micro Sound Unit (MSU).
    The sound board on upright pins is mounted at in the lower cabinet. There are several styles of sound boards: SSU-1 Sound Simulator Unit, SSU-2 (Sharpshooter), SSU-3, SSU-4 (Super Nova), and MSU-1/MSU-2/MSU-3 Micro Sound Units. The SSU boards were sound boards without a micro-processor, and did basic mono and dual tone sounds. The MSU-1, MSU-2 and MSU-3 (Micro Sound Unit) sound boards were the last sound board design by Gameplan. Used on the later games, the MSU board have the best sound because it used a 6802 or 6808 micro-processor. The MSU-3 could produce speech (though I don't know what Gameplan games did have speech).

The Sound board SSU-2 from a Sharpshooter

    Score Displays (BDU-1, BDU-2, and DDU-1).
    The score displays use LED displays which run at 5 volts DC. Though not as bright as 190 volt displays, the life on the low-voltage 5 volt GamePlan LED displays is essentially limitless. Hence there is no need for a special circuit to power just the score displays. Also the display boards can be plugged and unplugged with the game power on without any circuit damage (a risky idea with 190 volt Bally/Williams or 60 volt Gottlieb displays).

    Gameplan made three styles of score displays. The BDU-1 and BDU-2 were used on upright pinballs. The BDU-1 (most common) and had six LEDs digit, and the BDU-2 had seven LED digits. There was one BDU board for each player. I believe only one or two late Gameplan pinballs used the seven digit BDU-2 (Attila the Hun for example). The DDU-2 was used on cocktail pinballs and has 14 LEDs and the logic to control it for two players (six digit scoring) and a ball or credit display.

    Note the tens digit on many games like the Cocktail 110 and Sharpshooter always displays zero when it is lit. This is done in the software, so even during audits or test mode, the tens digit will always show a "0". The only exception to this is the ball/credit display board (which only has four LEDs instead of six). This is rather bizarre when going through the score display test because the tens display never cycles through numbers 0 to 9 like the other five LEDs - the displays are not faulty, that's just how the software was programmed. Later games did not do this and used the zero display for scoring (this enabled Gameplan to stay with 6 digit score displays).

The BDU-1 score displays and the credit/ball/match score display (the credit display
is the same as the score display, just missing two LED displays and two driving
transistors). These displays run on 5 volts and do not require a HV power circuit.

The DDU-1 score displays. These displays run on 5 volts too but have a different
card edge connector than the BDU-1.



2a. Before Turning the Game On: The Power Supply - Fuses and Test Points.

    Power Supply Introduction.
    The power supply, like much of the other Gameplan design, follows Bally's design. The transformer and rectifier board are mounted in the backbox at the lower right, just like Bally games 1977 to 1980. But the Gameplan power supply is probably a better design that Bally's. GamePlan used larger bridge rectifiers mounted in more convenient locations than Bally. Also the regulated 5 volt power is done at the rectifier board, and not on the solenoid driver board like Bally. This has an advantage that there are less connectors spread through the game supplying the main 5 volt power. And since Gameplan uses only 5 volts for the score displays (instead of 190 volts like Bally), the power supply is far less complicated - there is no high voltage power supply circuit on Gameplan games!

    Note that cocktail pinballs and regular upright pinballs use two different styles of power supplies. Though functionally the same, the layout and look are different.

The power supply unit used in Gameplan cocktail games.

    The Power Train.
    The power starts at the wall plug and goes through a line filter and a 130 volt MOV (for surge suppression). The 120 volts AC then hits a 3 amp slow-blow fuse, which is the main power fuse. Next the transformer takes the 120 volts and outputs four AC voltages:

    • 8 volts AC - converted to 7 volts DC through a bridge rectifier for the CPU driven feature lights. The regulator board fuse for this is 5 amps SB in cocktail tables, and 15 amps SB for standard pinballs.
    • 28 volts AC - convert to 24 volts DC through a bridge rectifier for the solenoids. There is also an 82 volt MOV in this circuit for surge protection and a 10 amp fuse. Note 28 volts AC is also fed else where in the Gameplan circuit for the MPU board zero cross circuit, solenoid driver board, and the playfield.
    • 10.5 volts AC - converted to unregulated 12 volts and regulated 5 volts through a bridge rectifier. The 5 volts is regulated through a LM323K transistor mounted on the underside of the aluminum transformer/rectifier board mounting plate. There is also a 11,000 mfd filter capacitor for the 5 and 12 volt circuits. One 5 amp fuse is used for both 5 and 12 volt DC circuits.
    • 6.3 volts AC - for the General Illumination lights. Goes through a 5 amp fuse in cocktails and a 15 amp fuse in pinballs.

    All bridge rectifiers are 25 amp 200 volt bridges with lug leads.

The pinball Gameplan rectifier board and 5 volt regulated power supply. Note the
three large bridge rectifiers for the 5 and 12 volts DC, 7 volt DC feature lamps, and
24 volt DC for the solenoids. Cocktails have a slightly different power supply layout.

    Fuse Values and What Causes Fuses to Fail.
    There are five fuses on the power supply's rectifier board, as viewed left to right:
    • General Illumination - the 6.3 volts AC general illumination uses a 5 amp fuse for cocktails, 15 amp fuse for pinballs. This fuse generally fails because of a short in the G.I. wiring or lamp socket(s) on the playfield.
    • Solenoids - 10 amp fuse for the 24 volt DC and 28 volt AC circuits. This fuse will blow if the associated bridge rectifier shorts, or if there is a locked-on coil from a shorted driver transistor, or the 24 volt bridge rectifier has shorted.
    • CPU Controlled Lights - the 7 volt DC circuit for the CPU controlled lamps uses a 5 amp fuse for cocktails, 15 amp fuse for pinballs. This fuse will blow if the associated bridge rectifier shorts, or there is a playfield short on a CPU controlled lamp socket.
    • 5 and 12 volts - the main 5 volt logic and unregulated 12 volts uses a 5 amp fuse. This fuse will blow if the associated bridge rectifier has shorted, or the LM323K rectifier has shorted.
    • 120 volt main power - the main wall power fuse is a 3 amp slow blow fuse. This fuse will blow if the main MOV shorts or there is a short in the line cord.

The Gameplan fuses on the rectifier board, as used in an upright pinball game.
Note the two capacitors and 1N4004 diode used on the legs of the under-mounted
LM323K transistor for 5 volt power regulation.

    Power Supply Test Points (Testing the Power Supply).
    The power supply can and should be tested before the whole game is turned on for the first time. This is hightly suggested before trying to power the game up with an unknown condition power supply, which could damage the game.

    First Remove all the connectors from the power supply's rectifier board. Then turn the game on and use a DMM to test the power supply's rectifier board's four test points:

    • TP1 = 12 volts DC (12 to 14 volts DC). Unregulated 12 volt power via fuse fourth from left and bottom most bridge rectifier. If there are no connectors attached on the power supply, 14 volts should be seen. If all the connectors are attached, around 12 volts should be seen. Test point located just below the fourth fuse from the left on the rectifier board. If the associated fuse is blow, suspect the bridge rectifier as shorted.
    • TP2 = 5 volts DC (4.8 to 5.2 volts DC). Main logic power via fuse fourth from left and bottom most bridge rectifier and LM323K circuit. Test point located at the bottom right of the rectifier board. If this voltage is low usually the LM323K is at fault. If the fuse is blown suspect a shorted LM323K.
    • TP3 = 7 volts DC (6 to 7 volts DC). CPU controlled lights via fuse third from left and top most bridge rectifier. Test point located to the left of the two .100" Molex connectors on the rectifier board. If associated fuse is blown, suspect a short under the playfield. If all the power supply connectors are removed and the fuse still blows, suspect a shorted bridge rectifier.
    • TP4 = 24 volts DC (24 to 30 volts DC). Solenoid power via fuse second from left and middle bridge rectifier. Test point located between the two connectors on the left side of the rectifier board. If this fuse is blown suspect a short under the playfield or a shorted SE9301 SDU transistor. If all the power supply connectors are removed and the fuse still blows, suspect a shorted bridge rectifier.
    • GND = ground. Located just above TP2, and is connected to the negative lead of the large 11,000 mfd filter capacitor.

    If everything tests within the ranges above, the power supply is probably in good condition. Next check for AC ripple on the 5/12 volt filter capacitor (see below). If all this checks out, the connectors can be replaced (power off), and the entire game can be powered on for the first time with relative security.

The Gameplan test points on the rectifier board.

    Check the 5 & 12 volt Filter Capacitor for AC Ripple.
    Before re-attaching all the connectors on the power supply board, check for AC ripple on the large 11,000 mfd power supply capacitor. Using a DMM set to AC volts, put each DMM lead on the two leads of the large power supply capacitor. No more than .200 volts AC should be seen. If more than that, replace the capacitor with a new electrolytic 10,000 mfd to 15,000 mfd (16 volt or higher) cap. Any value in the 10,000 to 15,000 mfd range is fine.

    AC voltage in this circuit should be .100 volts AC or less. If it is more than that, the 5 volts DC will have "ripple" above the 5 volts. So say there is .400 volts AC measured with the DMM. That means the 5 volts DC will actually have .400 volts of sine wave AC voltage on top of the 5 volts DC (meaning a flucuation of 5.0 to 5.4 volts). This causes the CPU problems like game resets and strange behavior.

    Electrolytic capacitors have an effective life of about 10 years. Since all Gameplan games are older than this, they are due to have their main 5 & 12 volt filter capacitor replaced. Electrolytic caps are like jelly rolls - paper and foil wrapped up with electrolyte between the layers. The electrolyte dries out with heat and time, and the capacitor can not do its job of smoothing out the DC voltage.

    Power the Entire Game On.
    If the test points and AC ripple checks out correctly (as indicated above), all the connectors can be re-attached at the power supply with the power off. Then the entire game can be powered on with piece of mind that the power train is working properely.

Componet layout for the power supply used in upright Gameplan pinballs.


2b. Before Turning the Game On: The MPU battery and Corrosion.

    The stock Gameplan rechargable 3.6 volt Ni-Cad battery often leaks its corrosive fluids onto the MPU board. This of course can ruin the MPU board. The best way to address this is to cut the stock battery off the MPU board as soon as possible with wire cutters. The MPU does NOT require the battery to work. In fact, I highly recommend not using the battery at all. It only retains game audit information, credit, and high scores. If this information is not important (and to 95% of the world its not), run the MPU with NO battery.

    If the player does need to maintain high score information, a 1 farad memory backup capacitor works very well as a battery replacement. It will take about 8 hours for the game to be "on" to charge the cap. After that playing the game a couple times a month should keep the battery charged enough to maintain the memory (though your mileage may vary, as charge times and lengths will vary depending on the exact MPU board).

The original battery replaced with a 1 farad memory backup capacitor.
A 1/16" hole was drilled through the circuit board for one of the cap's leads.

    Another choice is using a three "AA" batteries with a blocking diode. The diode is required to prevent the MPU board from trying to charge the AA batteries (if the diode is not used the batteries will get hot and leak in a very short time). Note the inexpensive four AA battery holder shown below. These are readily available at Radio Shack and other electronics stores. But only use *three* of the four battery spots, and installed a 1N5817 blocking diode as shown, with the band towards the positive lead of the battery holder. Note other diodes such as a 1N914/1N4148 or IN4001/1N4004 can be used. But the forward voltage drop of the 1N5817 is only .2 volts, where the 1N914 or 1N4001 is .4 to .6 volts. This means using a IN914 or IN4001 will show the batteries as "dead" sooner than using a 1N5817 diode (you'll change the batteries more often), since the output voltage drop from the battery holder's batteries will be greater with a 1N914 or 1N4001 diode.

Using an inexpensive four AA battery holder, a 1N5817 blocking diode, and
three AA batteries as a remote battery holder for the CPU board.

    Some people prefer using a Lithum rechargable battery (no blocking diode). This also works too. Whether you use a battery or not is of course up to you.

The original battery replaced with a rechargable lithum 3.6 volt battery. Note the
battery corrosion on this board was severe, and many parts in the lower left corner
of the MPU board were removed. In this case they were replaced with a single Dallas
DS1811 reset chip. This procedure is described in the MPU fix section.

    Free Play.
    Gameplan has an option on all games for free play (no credits or money required to start a game). On the MPU board there are four packs of DIP switches, numbered 1 to 32 from left to right. Each switch pack contains eight switches, so switches 1 to 8 are in the first switch pack, 9 to 16 in the second, 17 to 24 in the third, and 24 to 32 in the fourth switch pack. Turn switch #8 ON and this sets the game to free play. This option is yet another reason to not use a battery, as there is no need for the game to remember credits.

    Garbage on the Score Displays.
    If you are running a Gameplan MPU without any battery backup, often garbage will be seen on the score displays at boot-up. This is a garbage memory problem, since the game does not have any batteries to store a legitimate high score when the game is turned off. To fix this problem, install a remote battery pack, and reboot the game. Then press the Reset button on the MPU board when the game is in attract mode, and this should clear the high score. Also it's a good idea to go through the audits and clear out the memory garbage, again using the MPU's reset button.

    Removing Battery Corrosion.
    If battery corrosion has turned any parts on the MPU board gray or green, this will need to be fixed for dependable MPU board operation. The stock battery leaks a base (not an acid), and this will need to be neutralized. The best way to do this is:

    1. Remove the MPU board from the game.
    2. Cut the original battery off the MPU board and discard.
    3. Cut or desolder the gray or green parts from the MPU board. If possible, desolder any parts where possible using a quality desoldering tool. This may be difficult in corroded areas as grey/greened solder does not want to heat or melt. Therefore cutting the parts off may be the only alternative.
    4. Sand the corrosion off the board with some 100 or 220 grit sandpaper.
    5. After all (or as much as you can remove) of the corrosion is sanded off and the bare copper is shiny, wash the area with White Vinegar (available at any grocery store). Vinegar is a mild acid, and this will neutralize the battery's base. If this is not done, the corrosion WILL come back!
    6. Wash the affected area with clean water to remove the vinegar.
    7. Let the MPU board throughly dry.
    8. Lightly sand the corroded areas again and then immediately use a good quality desoldering tool to clear any plated through circuit board holes where parts were removed.
    9. Using a DMM set to continuity, check all traces to make sure the corrosion has not caused a trace to go "open".
    10. Install new parts to the areas where parts were removed. Use good quality sockets for chips and 60/40 rosin core solder.


2c. Before Turning the Game On: Setting Free Play and Other DIP Switches.

    Gameplan uses DIP switches to set game options, coin amounts and other adjustments. On the MPU board there are four packs of DIP switches, numbered 1 to 32 from left to right. Each switch pack contains eight switches, so switches 1 to 8 are in the first switch pack, 9 to 16 in the second, 17 to 24 in the third, and 24 to 32 in the fourth switch pack. The game's manual should be referenced for exact DIP switch settings, but there are some general things that can be documented about Gameplan DIP switch settings.

    Always adjust the DIP switches with the game powered off. Switches are read one time by the software at power on.

The DIP switches are in the same position on both MPU-1 and MPU-2 boards.

    General DIP Settings.
    This information applies to most Game plan games. See the game's manual for exact settings. The setting below came from the Sharpshooter manual (MPU-2), but should apply to most games. Games that originally used an MPU-1 or MPU-2 have slightly different DIP switch values (though games like Sharpshooter, Sharpshooter 2, and Coney Island came with an MPU-2, but have MPU-1 style DIP switch settings).

    • Switches 1 to 5 to adjust the number of credits per coin for coin chute #1.
    • Switch 8 is the free play option. Set to ON for free play. Applies to both MPU-1 and MPU-2. Game will usually show 99 credits and will decrement to 0, and then go back to 99.
    • Switches 9 to 12 to adjust the number of credits per coin for coin chute #2. Setting switch 9 to 12 as OFF makes coin chute #2 the same values as coin chute #1. Applies to both MPU-1 and MPU-2.
    • Switch 13 for background sound. ON = yes to background sound. MPU-2 games only.
    • Switch 14 is for the extra ball option. ON = yes to extra ball. MPU-2 games only.
    • Switch 16 is the credit tune option. ON = sound when a coin is inserted. Applies to both MPU-1 and MPU-2.
    • Switches 17 to 21 to adjust the number of credits per coin for coin chute #3. Applies to both MPU-1 and MPU-2.
    • Switch 22 controls the bonus multiplier. ON = yes. MPU-2 games only.
    • Switch 23 and 24 controls the number of balls on MPU-2 games only. OFF OFF = 1 ball, ON OFF = 2 balls, OFF ON = 3 balls, ON ON = 5 balls.
    • Switches 25 to 27 controls the maximum credits the game will take. If set all OFF, the maximum credits is 5.
    • Switch 28 controls the number of balls per game (MPU-1 games only). ON = 5 balls, OFF = 3 balls. On MPU-2 games switch 28 and switch 29 controls Replays, Extra Ball, 50000 points or no award.
    • Switch 29 controls replay or extra ball option on MPU-1 games only. ON = replay, OFF = extra ball.
    • Switch 30 controls the match. ON = match, OFF = no match. Applies to both MPU-1 and MPU-2.
    • Switch 31 & 32 control the number of credits awarded for exceeding the high score (zero to three credits). Both switches set to OFF will award NO credits. Applies to both MPU-1 and MPU-2.

    Free Play.
    Gameplan has an option on all games for free play (no credits or money required to start a game). Turn switch #8 ON and this sets the game to free play. This option is yet another reason to not use a battery, as there is no need for the game to remember credits. When free play is set to on, the game will show 99 credits and decrement to 0 credits, and then go back to 99 credits.



3a. When Things Don't Work: Fixing the MPU (LED flashes, etc.)

    Six MPU Board Flashes.
    A correctly working Gameplan MPU board will give six flashes of its LED at power up. This is similar to the 1977-1985 Bally/Stern LED diagnostic flashes.

    Powering the MPU board on the Bench.
    Unfortunately the GamePlan MPU-2 board does not want to power on with a computer power supply on the work bench like a 1977-1985 Bally or Stern MPU board will. The best I could do was one flash of the GamePlan MPU-2 board's LED with a computer power supply connected to TP1, TP2 and TP7 (which makes sense as the second LED flash is the zero cross check, which is missing since I don't have 25 volts DC attached to J1 pin 3). If I connected a 24 volt Radio Shack transformer going through a bridge rectifier to J1 pin 3, I could get four MPU board LED flashes (do not use a filter capacitor as this will mess up the zero crossing circuit which is powered by the 24 volts). This I find strange too as no fifth LED flash means the U17 (8255 PIA) is bad, which clearly isn't the case in my tests as the MPU board boots just fine with the Gameplan power supply connected.

    Here are the connections I was using, perhaps you may have better luck (if you do please let me know). Note connector J1 is the main MPU board connector at the lower right side of the MPU board. This applies to MPU-1 and MPU-2.

    • TP1 = +5 volts DC (test point located lower right corner by J1).
    • TP2 = +12 volts DC (test point located below red CPU switch at upper right).
    • TP7 = Ground (test point located below DIP switches near TP2).
    • J1 pin 3 = 24 volts DC (solenoid voltage).

    Getting More LED Flashes on the Bench.
    A trick J.Clause told is to power up the Gameplan MPU board on the bench with +5, +12 and ground (as described above) - You'll get the first LED flash only. Now take an alligator jumper wire to the power supply's +12 volts and just *touch* the MPU board's J1 pin 3 connector for a moment. Now the other five LED flashes should go and the board should fully boot. Note if you power up the MPU board with the +12 volts already connected to J1 pin 3, this will not work (you will only get one LED flash).

    Required MPU board Connectors.
    The only MPU board connector needed to power on the MPU board is J1 (lower right corner). This supplies the +5, 12 and 24 volts DC power to the board. Also if the MPU board has a connector on J8 (lower left corner), that will need to be connected too (this supplies -5 volts for the TMS2716 EPROMs at U12, U13 and U26). For diagnosing MPU board problems, it is suggested that all other connectors be removed. If desired, the MPU board top card-edge connector can also be left in place if you want the score displays to be used.

    Reset Line (First Step in a Non-Booting MPU board).
    Before the CPU chip will start to run, the reset line on the Z-80 CPU chip U11 pin 26 must be high (5 volts). The reset circuit of the MPU board controls the reset; Upon power-on, U11 pin 26 is held low (0 volts) for a short period of time (50 milliseconds or so). This allows the 5 volt power supply to stablize. Then the reset circuit makes U11 pin 26 go to 5 volts. This is done using four transistor QA,QB,QC (2N3904) and QD (2N4403), a 1N4738 8.2 volt zener diode, and some resistors and caps. Unfortunately the reset circuit is right below the battery, so battery corrosion often ruins this circuit. If the reset circuit of the MPU board is not working, the MPU will *not* start to boot.

    With the power to the MPU board on, use a DMM and check U11 pin 26. It should be 4.5 to 5.1 volts DC. With the power off and the DMM on and connected to U11 pin 26, turn the power on to the MPU board. The DMM should show 0 volts for just a brief moment, and then jump up to 4.7 to 5.1 volts. if it does this, the reset circuit is working. If U11 pin 26 stays at less than 4 volts, the reset circuit is faulty. Start by replacing the four transistor QA,QB,QC (2N3904) and QD (2N4403). Also it's a good idea to replace the 1N4738 8.2 volt zener diode (the Gameplan parts list calls or a 1N959B diode, but use a 1N4738 instead).

    Verifying the Reset Section is Bad.
    With the MPU on the bench, power it up. Check u11 pin 26 for 4.5 to 5.1 volts. If this pin is low, it may be because the reset section is not working correctly. An easy way to verify the reset section as bad is to jump U11 pin 25 to U11 pin 26. This bypasses the reset section, putting 5 volt right on U11 pin 26. If the board starts its LED flashes after doing this, you know the reset section is bad.

    MPU Reset/Clock Circuit Parts List.
    Here's the parts layout for the reset section that are often damaged by battery corrosion for the MPU-2 board (as used on all non-cocktail pinballs). Parts are listed by row and in order from left to right on the MPU-2 board's reset section in the lower left corner of the MPU-2 board, starting just to the left of connector J8.

    MPU-1 Reset Parts (by row):

    • 4.7k ohm 1/4 watt resistor
    • 100k ohm 1/4 watt resistor

    • 74LS32 or 74C32 chip (U9)
    • 6810 RAM chip (U8)
    • 6551 CMOS chip (U7)
    • 6551 CMOS chip (U6)
    • 74LS32 chip (U5)

    • .1 mfd 25 volt ceramic cap (below U9 74LS32 chip).

    • .1 mfd 25 volt ceramic cap.
    • 2N3904 transistor (QA)
    • 2N3904 transistor (QB)
    • 2N3904 transistor (QC)
    • 2N4403 transistor (QD)

    • .1 mfd 25 volt ceramic cap
    • 1N959B or 1N4738 zener diode
    • 1k ohm 1/4 watt resistor
    • 8.2k ohm 1/4 watt resistor
    • 8.2k ohm 1/4 watt resistor
    • 120k ohm 1/4 watt resistor
    • 47k ohm 1/4 watt resistor
    • 47k ohm 1/4 watt resistor
    • 22k ohm 1/4 watt resistor
    • 22k ohm 1/4 watt resistor
    • 22k ohm 1/4 watt resistor
    • 22k ohm 1/4 watt resistor
    • 22mfd 16 volt electrolytic capacitor
    • 1N4148 diode
    • 10k ohm 1/4 watt resistor
    • 74LS04 chip
    • 2.4576 mHz crystal

The lower left MPU-1 board's reset/clock circuits, often damaged by battery leakage.

    MPU-2 Reset Parts (by row):
    • 4.7k ohm 1/4 watt resistor
    • 100k ohm 1/4 watt resistor

    • 74LS32 or 74C32 chip (U9)
    • 6810 RAM chip (U8)
    • 6551 CMOS chip (U7)
    • 6551 CMOS chip (U6)
    • 74LS32 chip (U5)

    • .1 mfd 25 volt ceramic cap (below U9 74LS32 chip).
    • .1 mfd 25 volt ceramic cap (below and between U6/U7 6551 chips).

    • .1 mfd 25 volt ceramic cap.
    • 2N3904 transistor (QA)
    • 2N3904 transistor (QB)
    • 2N3904 transistor (QC)
    • 2N4403 transistor (QD)

    • 100 ohm 1 watt resistor
    • .1 mfd 25 volt ceramic cap
    • 1N959B or 1N4738 zener diode
    • 1k ohm 1/4 watt resistor
    • 8.2k ohm 1/4 watt resistor
    • 8.2k ohm 1/4 watt resistor
    • 120k ohm 1/4 watt resistor
    • 47k ohm 1/4 watt resistor
    • 47k ohm 1/4 watt resistor
    • 22k ohm 1/4 watt resistor
    • 22k ohm 1/4 watt resistor
    • 22k ohm 1/4 watt resistor
    • 22k ohm 1/4 watt resistor
    • 22mfd 16 volt electrolytic capacitor
    • 1N4148 diode
    • 10k ohm 1/4 watt resistor
    • 74LS04 chip
    • 2.4576 mHz crystal
    • small ceramic cap above crystal on some boards.

The lower left MPU-2 board's reset/clock circuits, often damaged by battery leakage.

    Replacing the MPU-2 Reset Section with a Dallas DS1811 or MicroChip MCP101.
    If there is too much corrosion or you just don't want to mess with replacing a gang of resistors, the whole reset section can be replaced with a single Dallas DS1811-10 or MCP101-450 reset chip. These chips looks like 3-legged transistors, but they are really a "supervisor reset chip". Here are the instructions for installing one in a MPU-2 board:

The entire MPU-2 reset section replaced with a MCP101-450.

    1. Remove the lower left row of diodes, resistors and caps all the way to the U3 (74LS04) chip (see picture). These parts include (from left to right):
      • .1 mfd 25 volt ceramic cap,
      • 1N959B or 1N4738 zener diode,
      • 1k ohm 1/4 watt resistor,
      • 8.2k ohm 1/4 watt resistor,
      • 8.2k ohm 1/4 watt resistor,
      • 120k ohm 1/4 watt resistor,
      • 47k ohm 1/4 watt resistor,
      • 47k ohm 1/4 watt resistor,
      • 22k ohm 1/4 watt resistor,
      • 22k ohm 1/4 watt resistor,
      • 22k ohm 1/4 watt resistor,
      • 22k ohm 1/4 watt resistor,
      • 22mfd 16 volt electrolytic capacitor,
      • 1N4148 diode,
      • 10k ohm 1/4 watt resistor
    2. Remove the QA, QB, QC, QD reset transistors just above the row of resistors and caps just removed.
    3. On the component side above chip U3 (74LS04), there are six traces running left to right. Cut the 4th and 5th trace (see picture) as counted starting from the top of the U3 chip.
    4. Connect a jumper from U3 pin 11 to the right side of the 4th trace cut in the step above.
    5. Continue the above jumper so it connects to the 6th trace (lower hole of the "25" labeled solder pads).
    6. Connect a jumper from the trace on the left side of U3 to the right side cut of the 5th trace.
    7. Connect a jumper from the 3rd trace to the left side cut of the 5th trace.
    8. On the SOLDER side of the board cut the trace going to U3 pin 11.
    9. Install a Dallas DS1811-10 or MCP101-450 to the bottom left of the U3 chip (see picture). The middle leg connects to U3 pin 14, the right leg connects to the top leg of the ceramic cap just below U3. The left leg connects to the trace jumpered to the right side cut of the 5th trace.
    10. If installing a Dallas DS1811-10, the FLAT side of the DS1811 faces towards U3. If installing a MCP101-450 the FLAT side of the MCP101 faces away from U3.

The cuts and jumps required for the reset chip. Installing a Dallas DS1811 or
Microchip MCP101 is exactly the same, but the orientation of the DS1811 is opposite
the MCP101 (the MCP101 has it's flat side *away* from U3, the Dallas 1811 has its
flat side *towards* U3). The MCP101 is shown here.

Another board modified to use a Dallas 1811. Notice the cuts and jumps.

Solder side: the trace going to U3 pin 11 is cut for the Dallas 1811 to work.

    Newer Reset Section for MPU-2.
    A reader reports a MPU-2 used on a Gameplan Coney Island with a different reset secion. There are four extra resistors and two extra transistors. I'm not sure how much this update was used. No schematic known to exist for this version. Unfortunately I don't know how to implement the Dallas DS1811 into this version of the MPU-2 CPU board.

Newer MPU-2 reset section with four extra resistors and two extra transistors
added below and left of the electrolytic capacitor.

    Clock Signals (Second Step in a non-working MPU board).
    Now that the reset circuit is working, the next thing to look at is the clock circuit. Again if this circuit is not working, the MPU will never start to boot.

    The main clock circuit components are the 2.4576 mHz crystal and the 74LS04 chip at U3. One way to test the clock is to check TP5, which is located to the right of the CPU chip U11. With a DMM TP5 should measure about 2.1 volts DC. Another good way to check the clock circuit is with an oscilloscope at TP5, U3 pin 1, and U3 pin 4. Below are pictures of what should be seen on the scope. If the below pictures are not seen or TP5 does not show 2.1 volts on a DMM, try replacing U3 (74LS04).

Clock at U3 pin 1 (Time division and delay both set to .2 on a Tek 465 scope).

Clock at U3 pin 4 (Time division and delay both set to .2 on a Tek 465 scope).

Clock at TP5 (Time division and delay both set to .2 on a Tek 465 scope).

    Zero Cross Circuit.
    The MPU board requires 24 volts DC (+/- 6 volts) solenoid voltage to boot. This is used for a zero cross circuit. Even though the 24 volts is DC, it is not filtered with a filter capacitor. The voltage comes from the transformer and goes through a bridge rectifier on the power supply board. The bridge "full wave rectifies" the AC transformer voltage into rough DC. This rough DC is required for the zero cross circuit - if a filter capacitor was used to smooth the 24 volts, the zero cross circuit would not work!

    Make sure there is 24 volts DC at the MPU board connector J1 pin 3. Also measure TP6 (located below U3) for about 4.9 volts DC. A bad U2 chip (LM339) or U3 (74LS04) can cause the zero cross circuit to fail.

    Check the MPU Board Test Points.
    Other test points to check are the following. This applies to both MPU-1 and MPU-2.

    • TP6 (located below U3, zero cross). Should be about 4.9 volts DC. If not check for 24 volts DC at J1 pin 3.
    • TP5 (located to the right of U11, clock circuit). CLOCK Test Point! Should be about 2.1 volts. If not check U3 (74LS04).
    • TP4 (located below U7, reset circuit). RESET Test Point! Should be 5 volts. If not suspect one of the reset transistors QA,QB,QC (2N3904) and QD (2N4403). Also U3 (74LS04) or U5 (74LS32) could be bad.
    • TP3 (located below U8, reset circuit). Should be 0 volts. This is the "Anti RESET Test Point", that is if Reset is high (as it should be), this test point will be low. If not suspect one of the reset transistors QA,QB,QC (2N3904) and QD (2N4403).
    • TP1 = 5 volt power (4.9 to 5.2 volts DC).
    • TP2 = 12 volt power (11 to 14 volts DC).
    • J1 pin 3 = 24 volts (22 to 30 volts DC).
    • TP7 = ground.

    Reset, Clock, Zero Cross Test Points Check Out OK.
    If everything so far checks out, the MPU board should be getting at least one flash from the LED (indicating a good reset, clock and zero cross circuits). If not I would suspect U1 (Z-80 CPU), U6/U7 (6551), or U17 (8255 PIA). It would also not be a bad idea to replace the game ROMs at U12,U13,U26. Best to jumper the MPU board for 2716 EPROMs (as shown below) and burn new 2716 game EPROMs.

    This excerpt by Jeremy Fleitz. If the Red LED did not flash at all, check the reset on the Z80 and the Z80-CTC. These are both the same and can be checked with a voltmeter at TP4, it should be 5 volts. The Oscillation at this TP is created by the Flip Flop located at IC2 (LM339). This oscillation drives the resets of each of the Z80 and the Z80 CTC until they synchronize with the fourth clock enable on the displays (actually from the PPI). Once established, the LED can start to flash, as the Z80 and the Z80 CTC establish a good synch with the rest of the system. When this happens the reset should go high and stay high. TP3 (the "anti Reset") should be the reserve (low). It should Oscillate, and then go low and stay low. This all should happen within three seconds maximum. If this is not, then check the following:

    • Check the ROM chips. If the are hot that is a bad sign. But original black ROMs should immediately be suspect.
    • Check the +5 volts at the MPU board at TP1 (+5 volts DC located lower right corner by J1) and TP7 (Ground test point located below third DIP switch bank from the left).
    • Check and/or replace the Z80CTC.
    • Check the oscillation circuit. Should have a BandWidth of approximately .2 ms or 5 hz (see the oscilliscope picture above).
    • Check and/or replace the 6810 RAM Chip at U8. Actually just remove it, as the board will start to flash without the 6810 RAM.
    • Check the 74154 chip at U14 (next to connector J2). This chip is mainly responsible for the Clocks for the switches on the Game Board. If your switches aren't working, this is likely the problem.
    • Check the pins on each socketed IC. These sometimes become tarnished due to battery corrosion.
    • Check all of the diodes below the DIP switches and the DIP switch settings on the MPU.

    The J1 Power Connector.
    The lower right J1 power connector is the only connector the MPU-1 or MPU-2 needs to show six LED flashes. A very common problem with this connector is pin 1 (the pin furthest to the left) breaks off the MPU header. If this pin is missing/broken from the J1 connector, the MPU board will not flash even once!

    The Watch-dog Timer (Continually Flashing LED).
    Thanks to Bob Russo. If the LED flashes continuously, the watch-dog timer (WDT) isn't getting reset. This makes diagnosing further problems with the board very difficult, since the processor resets about 5 times a second. In general, a watch-dog timer consists of some hardware components that continuously tries to reset the processor. If the processor and some related hardware is working properly, a signal will periodically be sent to the watch-dog circuit, preventing the reset from occurring.

    On the Gameplan CPU board, the watchdog works like this. U2 operates as an oscillator running at about 5 Hertz. The output (U2 pin 13) is fed into one of the one-shots on U1 pin 1. If the U1 pin 2 is high, the U2 signal gets through & resets the processor. The resistor & cap on the one-shot determine the reset pulse width. To prevent the reset from occurring, pin 12 on U1 has to be kept low. This is done by pulsing pin 10 faster then the pulse width on one-shot, set by a different resistor & cap. On any particular Gameplan board, it�s about 70 ms. This signal comes from pin 11 on U14. Problems with the processor, U14, U17, chip selection circuitry, A0 & A1, data bus & probably other things can keep this signal from getting back to U1.

    I find it best to stop the resets from occurring while troubleshooting the WDT. If U2 is socketed, pull out U2 pin 13, or if everything is soldered in, you can run a jumper from U3 pin 12 to U1 pin 10 (be sure you�re getting a square wave at 60 Hertz rate from U3 pin 12). Either of these will stop the continuous resets and let you troubleshoot the board. In this state, you can get the board to give up to 6 flashes. Until you can get it to run with the WDT circuitry set normally, the board can't properly work in your machine since anything attached to U14 won't work properly.

    Additional Daughter Reset Board.
    Some Gameplan CPU boards have a small two transistor circuit board tacked onto the reset circuit. Its purpose is to hold the processor in reset if the 12 volt power supply isn't present. That's all it does!

MPU Board LED Flashes Explained.
    Of course this all assumes you have a valid reset and clock signal. See above for details.

    MPU LED No Flashes.

      If there is no LED flashes, check the MPU board voltages first for +5 and +12 volts DC. Then verify that the LED is good. This is done easily by just replacing the LED.

    MPU LED Flash 1.

      The first MPU LED flash indicates the reset, clock and zero cross circuits are working properely. If there is no first flash, see the section above for explainations of repairing the reset, clock, or zero cross circuits. Also be sure to check the MPU board is getting 4.9 to 5.2 volts (TP1), 12 volts (TP2), and 24 volts (J1 pin 3), and ground (TP7).

    MPU LED Flash 2.

      The second MPU LED flash indicates the zero cross over pulse is OK. If no second MPU LED flash, look for 25 volts DC at MPU connector J1 pin 3. A bad U10 (Z80CTC) can cause no second LED flash. Also check chips U3 (74LS04) and U2 (LM339). Last check for a failed U11 (Z80), U6/U7 (6551), U12/U13/U26 (Game ROMs), or U17 (8255 PIA).

    MPU LED Flash 3.

      The third MPU LED flash indicates that U6 and/or U7 (6551) CMOS RAM chips are good. If there is no 3rd flash, chances are good U6 and/or U7 are bad (note if either U6/U7 6551 chips are missing, the MPU board won't even give one LED flash). In addition U9 (74LS32) could be bad.

    MPU LED Flash 4.

      The fourth MPU LED flash indicates that U8 (6810 RAM) is good. No 4th flash and U8 is probably bad. It could also be a problem with the 6810 selection chips U5 (74LS32) or U24 (74LS04). Note the U8 (6810) chip is about the only MPU board chip that can be completely missing and the MPU board will boot with up to four flashes.

    MPU LED Flash 5.

      The fifth MPU LED flash indicates the I/O is good, which is handled by the Peripheral Interface Adaptor (PIA) chip. If there is no 5th flash, replace the U17 (8255 PIA) chip. Could also be the I/O chip select gate at U4 (74LS00).

    MPU LED Flash 6.

      The sixth MPU LED flash indicates the game ROMs at U12,U13,U26 are good. I find this somewhat strange that the ROMs are tested so late in the boot-up procedure. Because if any of the game ROMs are bad, usually the MPU board's LED will not even flash the first time. But if there's no sixth MPU flash, replace the game ROMs with 2716 EPROMs using the procedure below. Could also be U14, U16, U20, U21, U15, U19, U22, U18 or U23.

    Power-On Sound Tune.

      The last boot up indicator is not handled by the MPU board LED, but is a boot-up sound played by the game's sound card. If the boot-up sound does not play after the 6th MPU LED flash, first check that MPU board connector J4 is attached (this connector goes to the sound board). Also make sure the sound board has all of its connectors attached, and that the volume is turned up. If there is no 24 volts DC this can be a problem too. If still no boot-up sound, then check MPU board U14 (Z80CTC), U16 (74LS138), U20 (74LS379), U21 (74LS379), U15 (7417), U19 (74LS00), U22 (7416), U18 (LM339) and U23 (LM339).

End of LED Flash Sequence.

    ICs on the MPU board.
    Unfortunately Gameplan did not do a great job of labeling their parts or having layout diagrams.

    • U1 - 74LS123
    • U2 - LM339
    • U3 - 74LS04
    • U4 - 74LS00
    • U5 - 74LS32
    • U6 - CMOS RAM HM6551-9
    • U7 - CMOS RAM HM6551-9
    • U8 - 6810 RAM
    • U9 - 74C32 (CMOS TTL)
    • U10 - Z80 CTC
    • U11 - Z80 CPU
    • U12 - ROM A
    • U13 - ROM B
    • U26 - ROM C (MPU-2 only)
    • U14 - 74154
    • U15 - 7417
    • U16 - 74LS138
    • U17 - 8255 PIO
    • U18 - LM339
    • U19 - 74LS00
    • U20 - 74LS379
    • U21 - 74LS379
    • U22 - 7416
    • U23 - LM339
    • U24 - 74LS04 (MPU-2 only)
    • U25 - 74LS32 (MPU-2 only)

    Converting the 6551 RAMs to 5101 RAMs.
    This allows you to use two 5101 RAMs instead of the stock 6551-9 CMOS chip at U6 and U7. The 6551-9 is almost impossible to purchase, but the 5101 is more readily available (but not by much!) The 6551 is a very similar cousin to the 5101 CMOS static RAM. Both are 256x4 bit. The only difference is the second chip select line (CS2, pin 17) is active low on the 6551, and active high on the 5101. So to use the 5101 we just need to take U6 and U7 pin 17, run it to a hex inverter (74LS04) to invert the low signal to high. Procedure by J.Robertson. Original procedure tested and I can NOT get it to work. I talked to John about this and here was the solution: Turns out the 5101 has to have the OE pin the inverse of the R/W pin. In order to do this involved adding a 74LS04 or 74HCT04 chip to the MPU-1 or MPU-2 board. It's messy, but apparently it does work.

    1. On the parts side of the MPU-1 or MPU-2 board, find U6 and U7 (the RAM chips). Cut the trace between U6 pins 18 & 19, and U7 pins 18 & 19. Use a DMM to verify the cut is complete.

Step 1: Cutting the trace between pin 18 & 19 of U6 and U7. Picture by JRR.

    1. On the component side of the MPU-1 or MPU-2 board, find and cut the trace going to U5 pin 8 (74LS32) about 1/4" from the chip.

Step 2: Cutting the trace going to U5 pin 8 (74LS32). Picture by JRR.

    1. Now things get a bit tricky and messy, because there are not enough spare unused TTL games on the MPU-1 and MPU-2 board for this conversion. Because of this we need to add a 74LS04 chip to both the MPU-1 and MPU-2. In order to do this in the most space efficient manner, a new 74LS04 hex inverter chip can be added right on top of the existing U5 chip on the MPU-1 and MPU-2 board. This new "piggyback" chip will give us the needed inverter gates to complete the conversion. To do this in the most effective way, bend ALL the pins of the new 74LS04 piggyback chip UP, except for pins 7 and 14. Piggyback pin 7 should be soldered directly to U5 pin 7 (ground). Piggyback pin 14 is also soldered directly to U5 pin 14 (+5 volts). The rest of the piggyback pins are the inverter pins, used in pairs, giving us six inverter gates (one pin is an input, the other pin an output). This includes pins 1,2 and 3,4 and 5,6 and 8,9 and 10,11 and 12,13.

      MPU-1 mods to component side - add 74LS04 (known as "Piggyback") on top of U5. For the MPU-1 PCB connect Piggyback pin 9 to U5 pin 8 (which was cut from its trace in the previous step). Bend out Piggyback Pin 8 and add a jumper to the cut trace formerly going to U5 pin 8.

      This is almost identical to the MPU-2 mods except that MPU-2 has a spare inverter gate on U24 that we will use to invert U6/7-Pin17, thus we will only need one gate on the Piggy Back 74LS04 chip.

Step 3 MPU-1. Picture by JRR.

Step 3 MPU-1. Alternate picture showing cut trace at U5-Pin8 and jumper to
Piggyback-Pin 8 and jumpers to U6-pins 20 and 18 as described below.

Step 3 MPU-1. Mods to underside of MPU board (same solder pad cuts as MPU-2 below).

    1. MPU-2: Add jumpers between U6 pin 20 and Piggyback pin 11. Then jumper between U6 pin 18 and Piggy Back-Pin 10. This sets up the OE pin so it is the opposite of R/W.

      Add jumper between U6 pin 19 and U7 pin 19 (note that U6 pin 18 and U7 pin 18 are already connected with a trace on the top side of the PCB). Next jumper U5 pin 8 to U24 pin 11. Finally jumper U24 pin 10 to U6 pin 17.

Step 4 MPU-2. Picture by JRR.

Step 4 MPU-2.

      From John: Found a way to get rid of the Piggyback 74LS04. Simply run a jumper from U6 pin 18 (5101 OE) to U11 pin 21 (CPU /RD pin). Oh great John, NOW you tell us!

    Bad MPU Board Disc Capacitors.
    The Gameplan MPU board uses a number of (usually) green 104 (.1 mfd 16 volt) disc capacitors. Just be aware that these can short and drag the 5 volt bus down, giving strange boot up results. These caps can not be tested in circuit. So if there is any questions about them, just replace them all (they are inexpensive).

    Reseting the High Score/Credits and Audits.
    While a Gameplan game is powered on and in attract mode. Press the red switch S33 on the MPU board at the upper right hand corner. This will reset all high scores and remove any unused credits from the game. To reset any audit, use the game's test button in the coin door to advance to the audit to be cleared. Then press the MPU S33 red switch to clear that audit.

    MPU Board Connectors.
    The following are the connectors used on Gameplan MPU boards.

    • J1 - bottom right, .100" Molex 15 pins. Main power connector for the MPU board.
    • J2 - right middle, .100" Molex 9 pins. Connection to the lamp driver board.
    • J3 - top right, card edge connector. Used on cocktail pinballs only for the DDU score displays.
    • J9 - top middle, card edge connector (MPU-2 only). Used for upright pinballs only for the BDU score displays.
    • J4 - top middle, .100" Molex 9 pins. Goes to sound board.
    • J5 - top left, .100" Molex 15 pins. Switch matrix plug for the playfield switches.
    • J6 - left top, .100" Molex 9 pins. Slam, tilt, coin, credit, test switches.
    • J7 - left middle, .100" Molex 9 pins. Connection to the Solenoid Driver board.
    • J8 - left bottom, .100" Mole 9 pins. Used only for -5 volt power supply if MPU board is using TMS2716 EPROMs (tri-voltage EPROMs).


3b. When Things Don't Work: Game ROMs, EPROMs, and Jumpers.

    Using "regular" 2716 EPROMs instead of Masked ROMs or TMS2716 EPROMs.
    Standard 2716 EPROMs can be used on the MPU-2 board instead of the black masked ROMs at U12 (PROM A), U13 (PROM B) and U26 (PROM C). The only caution is do *not* use TMS2716 EPROMs for this procedure. (TMS2716 EPROMs require -5, +5 and 12 volts to operate and are not pin compatible with "normal" 2716 EPROMs, and require a small -5 volt power supply board connected to the MPU at J8. Note that TMS2516 *are* compatible with standard 2716 EPROMs.) If the game originally used TMS2716 EPROMs and is converted to standard 2716 EPROMs, the small -5 volt power supply board attached to the MPU board at J8 can be removed. This procedure was documented by Clive Jones.

    Note the Gameplan MPU board can be jumpers for other styles of ROMs. This includes 2316 or 2332 black ROMs, 2532 EPROMs, or TMS2716 EPROMs (but these require an auxiliary -5 volt power supply which connects to the MPU board at the otherwise unused J8 connector next to the 6810 RAM at U8). Because none of these three ROM/EPROMs are common, I don't recommend any replacement but using standard 2716 (or TMS2516) EPROMs, which are commonly available and easily programmed.

Modifying a MPU-2 board for EPROMs. Pic by Clive.

    Modifying a MPU-2 for "standard" 2716 EPROMs at U12, U13 and U26.

    1. On the *component side* of the MPU board and directly to the left of and between U11 pins 34 & 35 of the Z80 microprocessor is a single trace ending at a via (pad). Cut the trace at the via so the trace and the via are separated. Check that they are no longer connected with a DMM's continuity setting.
    2. On the *solder side* of the board, cut the trace connecting U24 pin 8 (74LS04) to the pad above it. (There is only one connection to pin 8 on the solder side.) Note there is a line screened onto the board that goes through this trace (like GP knew you would be cutting this trace!) Check the pin is no longer connected to the via using a DMM's continuity setting.
    3. On the *component side* of the MPU board, add a jumper across the two pads to the lower left of chip U26. Again there is a line screened on the board that goes between these two pads, encouraging this jumper.
    4. On the *component side* of the MPU board, add a jumper across the two pad to the left and above chip U24. Again there is a line screened on the board that goes between these two pads, encouraging this jumper.
    5. Install 2716 EPROMs at U12, U13 and U26.

Steps 1,3,4 component side: modifying a MPU-2 board for 2716 EPROMs.

Step 2 solder side: modifying a MPU-2 board for 2716 EPROMs.

    Modifying a MPU-2 for "standard" 2732 EPROMs at U12, U13 and U26.
    Some of the newer GP machines like Cyclopes uses larger EPROMs (2732). I have not personally tested this procedure but it has worked for one user.

    Component Side Modifications:

    1. Find the trace between U24 pin 13 and U25 pin 2 (trace often has a line through it). Sometimes this trace is cut, sometimes it's not. Make sure it's not cut.
    2. Connect jumper above U24 pin 8 (if cut, which it often is). This connects U24 pins 8/9 together.
    3. To the left of and between U11 pins 34 and 35 of the Z80 is a trace ending at a via (pad). Cut the trace at the via so the trace and the via are separated.
    4. I've seen some boards with the 3rd trace from U26 pin 1 cut. This trace should not be cut.

    Solder Side Modifications:

    1. Install a jumper wire from U24 pin 11 going to U11 pin 3.
    2. Install a jumper wire from U24 pin 10 to pad inside the "loop" below U25 pin 1.
    3. Cut trace on previous pad AFTER U25 pin 13 trace (where the "slash" line is in the trace).
    4. Cut trace U24 pin 8 to the pad above it (there is a line going thru this trace).
    5. Install a jumper wire from U12 pin 21 to the pad between and to the right of U11 pins 39/40.

Component side: modifying a MPU-2 board for 2732 EPROMs. Pic by Tom.

Solder side: modifying a MPU-2 board for 2732 EPROMs. Pic by Tom.

    ROM Files.
    ROM (EPROM) files are available for most Gameplan games, and can be burned into 2716 EPROMs. Note the MPU board will need to be jumpered for 2716 EPROMs, as indicated above. Cyclopes will need to be jumpered for 2732 EPROMs, as indicated above.

    Some files use the notation "A" (U12), "B" (U13) or "C" (U26) for the 2716 EPROM files. Also some files have an "AB" (U13) ROM which is A and B combined into a single 2732 EPROM, so the "A" (U12) ROM is not needed (additional some jumper modifications will be needed to use a 2732 at U13). The 2716 files were combined into a 2732 file using the following MS-DOS command:

      Copy /B romU12.716 + romU13.716 romU13.732

    Games using a MPU-1 ROM software can be used in a MPU-2 (ROM socket U26 will be empty), and it works fine. Because of this the MPU-2 is much more versatile as it can be used in any Gameplan game. The MPU-1 board though can not be used in games calling for a MPU-2, because of the limited ROM space in the MPU-1 board.


3c. When Things Don't Work: The Built-In Diagnostics/Bookkeeping.

    Press the Red test button inside the coin door will activate the game's audits and diagnostic functions. For this to work though the game *must* be in "game over" (attract) mode, otherwise the test switch does not respond. The number of the audit or test is shown in the ball-in-play display. If an audit, the value of that audit is shown in all four of the player score displays. If the game is left in an audit for more than 30 seconds, the MPU will go back to attract mode automatically (this applies to the audit functions only, not the diagnostic functions). Any audit function can be reset by pressing the red S33 button on the MPU board while that audit is displayed (though some games do have an audit reset button inside the coin door too).

    Games With the Ones Digit Permanently Programmed to Zero.
    Here the list of Gameplan games where the ones digit of the four score displays is permanently programmed to show "0", regardless of what function the game is performing. This will affect some audit numbers, and many confuse the user during diagnostics (especially while testing the score displays).

    • Cocktail 110 models (Black Velvet, Real, Rio, Camel Lights, Chuck-a-Luck, and Foxy Lady)
    • Coney Island!
    • Super Nova
    • Pinball Lizard
    • Sharpshooter
    • Sharpshooter 2
    • Star Trip / Family Fun
    • Vegas
    • Global Warfare

Audits

    Audit values and orders are MPU software dependent, with games designed originally with a MPU-1 starting audits at button press #5, and MPU-2 designed games starting audits at button press #1. Gameplan does have a general audit scheme that applies to many games. Also be aware that many Gameplan games have the "ones" digit permanently programmed to zero (so don't include that zero in the audit number - this does not apply to replay/high score levels). For example if Total Plays says "006210", that means there were 621 total plays. Note that replay levels are reset by the red MPU switch and can be changed by 10,000 points using the credit button.

    MPU-1 Audit numbers:

    1. Replay level 1 (resets to a set value by pressing S33)
    2. Replay level 2 (resets to a set value by pressing S33)
    3. Replay level 3 (resets to a set value by pressing S33)
    4. High score to date
    5. Number of credits currently on game (000110 = 11 credits)
    6. Total plays (010220 = 22 plays)
    7. Total replays (010390 = 39 replays)
    8. Number of times high score has been exceeded (000030 = 3 times)
    9. Coin counter 1 (011130 = 113 coins)
    10. Coin counter 2 (010000 = 0 coins)
    11. Coin counter 3 (012950 = 295 coins)
    MPU-2 Audit numbers:
    1. Coin counter 1
    2. Coin counter 2
    3. Coin counter 3
    4. Total plays
    5. Total replays
    6. Replay level 1 (resets to a set value by pressing S33)
    7. Replay level 2 (resets to a set value by pressing S33)
    8. Replay level 3 (resets to a set value by pressing S33)
    9. High score to date
    10. Number of times high score has been exceeded
    11. Number of credits currently on game
    12. Number of times Replay level #1 was exceeded*
    13. Number of times Replay level #2 was exceeded*
    14. Number of times Replay level #3 was exceeded*
    * Some game software does not go above audit #11.

Diagnostics

    The display test will put a number "0" to "9" in each and every one of the score LEDs (unless the game was programmed with the ones to be permanently "0", in this case the ones digit will always show "0"). The lamp test will flash ALL lamps on and off (if using a test fixture, all 63 lamps will flash on a LDU-2 and all 47 on a LDU-1). The solenoid test will pulse each CPU controlled coil in the game (does not energize mechanical coin counters). The switch test will show any closed switch, so it's best to have all switches open when this test is started (since the score LEDs can only show one closed switch at a time).

    Here is a list of the diagnostic functions for each Gameplan pinball I had the opportunity to test.

    Cocktail 110.
    The ones digit on the cocktail 110 games is always zero, even during test and audit mode. There is a pair of DDU-1 dual display boards (each board has two player displays for a total of 4 players). If this software is run in a test fixture or upright pin, the player 1 display will be all zeros and not used. The ball/credit display becomes the 4th player display. Game cycles NONE of the CPU controlled lamps during attract mode.

    • 1st Test button press. Lamp test for up to 47 feature lights using the LDU-1 board.
    • 2nd Test button press. Display test on the two DDU-1 boards (ones digit always zero).
    • 3rd Test button press. Solenoid test.
      • 010 = Q6
      • 020 = Q1
      • 030 = Q12
      • 040 = Q13
      • 050 = Q3
      • 060 = Q10
      • 070 = Q5
      • 080 = Q14
      • 090 = Q4
      • 100 = Q16
      • 110 = Q7
      • 120 = Q15
      • 130 = Q17
      • 140 = flipper relay Q19
      • 150 = all CPU controlled lamps On
      • 160 = all CPU controlled lamps Off
    • 4th Test button press. Switch test.
    • 5-15 = Game Audits.

    Agent777
    Game cycles all the CPU controlled lamps during attract mode.

    • 01-14 = Game Audits.
    • 15 = Lamp test for feature lights.
    • 16 = Display test (ones digit does cycle 0-9).
    • 17 = Solenoid test.
      • 01 = Q14
      • 02 = Q12
      • 03 = Q6
      • 04 = Q2
      • 05 = Q3
      • 06 = Q17
      • 07 = Q13
      • 08 = Q11
      • 09 = Q10
      • 10 = Q1
      • 11 = not used during diags (possibly mechanical coin counter).
      • 12 = not used during diags (possibly mechanical coin counter).
      • 13 = not used during diags (possibly mechanical coin counter).
      • 14 = flipper relay Q19
      • 15 = all CPU controlled lamps On
      • 16 = all CPU controlled lamps Off
    • 18 = Switch test.

    Coney Island!
    Game cycles only about 10 CPU controlled lamps (one at a time) during attract mode. Score displays ones digit is always a zero.

    • 01-11 = Game Audits.
    • 12 = Lamp test for feature lights.
    • 13 = Display test (ones digit alway zero).
    • 14 = Solenoid test.
      • 010 = Q6
      • 020 = Q16
      • 030 = Q7
      • 040 = Q14
      • 050 = Q4
      • 060 = Q17
      • 070 = Q5
      • 080 = Q15
      • 090 = Q12
      • 100 = Q13
      • 110 = Q3
      • 120 = Q10
      • 130 = not used during diags (possibly mechanical coin counter).
      • 140 = not used during diags (possibly mechanical coin counter).
      • 150 = not used during diags (possibly mechanical coin counter).
      • 160 = flipper relay Q19
      • 170 = all CPU controlled lamps On
      • 180 = all CPU controlled lamps Off
    • 15 = Switch test.

    Captain Hook.
    Game cycles all the CPU controlled lamps during attract mode.

    • 01-14 = Game Audits.
    • 15 = Lamp test for feature lights.
    • 16 = Display test (ones digit does cycle 0-9).
    • 17 = Solenoid test.
      • 01 = Q14
      • 02 = Q12
      • 03 = Q2
      • 04 = Q11
      • 05 = Q10
      • 06 = Q13
      • 07 = Q3
      • 08 = Q1
      • 09 = Q18
      • 10 = flipper relay Q19
      • 11 = all CPU controlled lamps On
      • 12 = all CPU controlled lamps Off
    • 18 = Switch test.

    Attila the Hun
    Game cycles all the CPU controlled lamps during attract mode.

    • 01-11 = Game Audits.
    • 12 = Lamp test for feature lights.
    • 13 = Display test (ones digit does cycle 0-9).
    • 14 = Solenoid test.
      • 01 = Q6
      • 02 = Q2
      • 03 = Q11
      • 04 = Q10
      • 05 = Q12
      • 06 = Q4
      • 07 = Q7
      • 08 = Q17
      • 09 = Q15
      • 10 = Q1
      • 11 = not used during diags (possibly mechanical coin counter).
      • 12 = not used during diags (possibly mechanical coin counter).
      • 13 = not used during diags (possibly mechanical coin counter).
      • 14 = flipper relay Q19
      • 15 = all CPU controlled lamps On
      • 16 = all CPU controlled lamps Off
    • 15 = Switch test.

    Lady Sharpshooter
    Game cycles all the CPU controlled lamps during attract mode.

    • 01-14 = Game Audits.
    • 15 = Lamp test for feature lights.
    • 16 = Display test (ones digit does cycle 0-9).
    • 17 = Solenoid test.
      • 01 = Q14
      • 02 = Q15
      • 03 = Q4
      • 04 = Q7
      • 05 = Q17
      • 06 = Q5
      • 07 = Q1
      • 08 = Q18
      • 09 = flipper relay Q19
      • 10 = all CPU controlled lamps On
      • 11 = all CPU controlled lamps Off
    • 18 = Switch test.

    Super Nova
    Game cycles all the CPU controlled lamps during attract mode.

    • 01-11 = Game Audits.
    • 12 = Lamp test for feature lights.
    • 13 = Display test (ones digit always zero).
    • 14 = Solenoid test.
      • 010 = Q6
      • 020 = Q16
      • 030 = Q7
      • 040 = Q5
      • 050 = Q14
      • 060 = Q15
      • 070 = Q17
      • 080 = Q4
      • 090 = Q12
      • 100 = Q13
      • 110 = Q3
      • 120 = Q10
      • 130 = Q1
      • 140 = not used during diags (possibly mechanical coin counter).
      • 150 = not used during diags (possibly mechanical coin counter).
      • 160 = flipper relay Q19
      • 170 = all CPU controlled lamps On
      • 180 = all CPU controlled lamps Off
    • 15 = Switch test.

    Pinball Lizard
    Game cycles only about 10 CPU controlled lamps during attract mode. Ones digit in score displays is always a zero.

    • 01-11 = Game Audits
    • 12 = Lamp test for feature lights.
    • 13 = Display test (ones digit always zero)
    • 14 = Solenoid test
      • 010 = Q6
      • 020 = Q16
      • 030 = Q7
      • 040 = Q14
      • 050 = Q4
      • 060 = Q17
      • 070 = Q5
      • 080 = Q15
      • 090 = Q12
      • 100 = Q13
      • 110 = Q3
      • 120 = Q10
      • 130 = not used during diags (possibly mechanical coin counter).
      • 140 = not used during diags (possibly mechanical coin counter).
      • 150 = not used during diags (possibly mechanical coin counter).
      • 160 = flipper relay Q19
      • 170 = all CPU controlled lamps On
      • 180 = all CPU controlled lamps Off
    • 15 = Switch test

    Sharpshooter and Sharpshooter 2
    Game cycles only about 10 CPU controlled lamps during attract mode. Ones digit in score displays is always a zero.

    • 01-11 = Game Audits.
    • 12 = Lamp test for feature lights.
    • 13 = Display test (ones digit alway zero)
    • 14 = Solenoid test.
      • 010 = Q6
      • 020 = Q16
      • 030 = Q7
      • 040 = Q14
      • 050 = Q4
      • 060 = Q17
      • 070 = Q5
      • 080 = Q15
      • 090 = Q12
      • 100 = Q13
      • 110 = Q3
      • 120 = Q10
      • 130 = not used during diags (possibly mechanical coin counter).
      • 140 = not used during diags (possibly mechanical coin counter).
      • 150 = not used during diags (possibly mechanical coin counter).
      • 160 = flipper relay Q19
      • 170 = all CPU controlled lamps On
      • 180 = all CPU controlled lamps Off
    • 15 = Switch test.

    Star Trip and Family Fun
    The ones digit on the cocktail games is always zero, even during test and audit mode. Uses a pair of DDU-1 dual display boards (each board has two player displays for a total of 4 players). If this software is run in a test fixture or upright pin, the player 1 display will be all zeros and not used. The ball/credit display becomes the 4th player display. Attract mode only has one CPU controlled light that lites. Game cycles ONE of the CPU controlled lamps during attract mode.

    • 1st Test button press. Lamp test for up to 47 feature lights using the LDU-1 board.
    • 2nd Test button press. Display test on the two DDU-1 boards (ones digit always zero).
    • 3rd Test button press. Solenoid test.
      • 010 = Q6
      • 020 = Q1
      • 030 = Q12
      • 040 = Q13
      • 050 = Q3
      • 060 = Q10
      • 070 = Q4
      • 080 = Q5
      • 090 = Q2
      • 100 = Q14
      • 110 = Q16
      • 120 = Q7
      • 130 = Q11
      • 140 = Q15
      • 150 = Q17
      • 160 = flipper relay Q19
      • 170 = all CPU controlled lamps On
      • 180 = all CPU controlled lamps Off
    • 4th Test button press. Switch test.
    • 5-15 = Game Audits.

    Vegas
    The ones digit on the cocktail games is always zero, even during test and audit mode. There is a pair of DDU-1 dual display boards (each board has two player displays for a total of 4 players). If this software is run in a test fixture or upright pin, the player 1 display will be all zeros and not used. The ball/credit display becomes the 4th player display. Game cycles NONE of the CPU controlled lamps during attract mode.

    • 1st Test button press. Lamp test for up to 47 feature lights using the LDU-1 board.
    • 2nd Test button press. Display test on the two DDU-1 boards (ones digit always zero).
    • 3rd Test button press. Solenoid test.
      • 010 = Q6
      • 020 = Q7
      • 030 = Q16
      • 040 = Q11
      • 050 = Q17
      • 060 = Q15
      • 070 = Q14
      • 080 = Q10
      • 090 = Q3
      • 100 = Q13
      • 110 = Q12
      • 120 = sound
      • 130 = sound
      • 140 = sound
      • 150 = sound
      • 160 = flipper relay Q19
      • 170 = all CPU controlled lamps On
      • 180 = all CPU controlled lamps Off
    • 4th Test button press. Switch test.
    • 5-15 = Game Audits.

    Global Warfare
    Game cycles all the CPU controlled lamps during attract mode. Ones digit in score displays is always a zero.

    • 01-11 = Game Audits.
    • 12 = Lamp test for feature lights.
    • 13 = Display test (ones digit fixed at 'zero').
    • 14 = Solenoid test.
      • 010 = Q6
      • 020 = Q14
      • 030 = not used
      • 040 = Q11
      • 050 = Q17
      • 060 = Q4
      • 070 = snd
      • 080 = snd
      • 090 = snd
      • 100 = snd
      • 110 = snd
      • 120 = snd
      • 130 = snd
      • 140 = snd
      • 150 = snd
      • 160 = snd
      • 170 = snd
      • 180 = snd
      • 190 = snd
      • 200 = Q10
      • 210 = Q12
      • 220 = Q3
      • 230 = Q7
      • 240 = Q16
      • 250 = Q5
      • 260 = Q15
      • 270 = flipper relay Q19
      • 280 = all CPU controlled lamps On
      • 290 = all CPU controlled lamps Off
    • 15 = Switch test.


3d. When Things Don't Work: Locked-on or Not Working Coils (SDU).

    The SDU board, or Solenoid Driver Unit board, is consists of a 74154 chip (4 to 16 line decoder/demultiplexer), a pre-driver transistor mounted in a CA3081 chip, and a SE9301 driver transistor. There is a pair of relay sockets on the SDU, but only one relay socket is populated. Gameplan was thinking ahead, and only used the second relay socket on Andromeda (additonal playfield GI lights) and Super Nova (for the roulette wheel). The flipper relay is controlled by driver transistor Q9, and the empty socket to its right is controlled by Q19. The Relay controls the Flippers, with the relay energizing for the duration of a game. Power for the board and the MPU encoded information comes from connector J3 at the bottom of the board. Connections to the playfield solenoids is through connector J1 at the left upper side of the board. And connector J2 on the left lower side is the return ground path for the flippers.

Grounding the metal tab of Q8 SE9301 driver transistor on the SDU,
which energizes the corresponding lamp (coil) on a Gameplan test fixture.

    Diagnosing Coil Problems.
    Use the information in the diagnostics section of this document or the game's manual to determine the transistor number for the coil in question. An easy way to determine if a "dead" solenoid problem resides on the SDU board is to ground a metal tab on any of the SE9301 transistors. If the solenoid energizes, this shows that the path from the driver transistor to the solenoid is good (including power to the coil, and the coil itself). If grounding the transistor tab yeilds nothing, then your problem is either in the wiring, the coil or the coil's diode, or a lack of power at the coil (blown playfield fuse).

    If the coil is "locked on" (energized) at power-on, or is not working in the game (but does fire when grounding its corresponding transistor tab), next suspect the SE9301 driver transistor. IMPORTANT: With the game's power off, remove connector J1 (upper left) from the SDU board (otherwise false readings can be seen). Now the transistor can be tested with a DMM's diode function. With the black DDM's lead on the metal tab (or center leg) of the transistor, a value of .4 to .6 volts DC should be seen with the red DMM lead on either outside transistor leg. Any value outside of that range and replace the SE9301 transistor (with a TIP102). This test is accurate about 95% of the time (note on occasion a transistor can test as 'good' with this method, and still in fact be bad). If the coil is still not working or locked-on after replacing the driver transistor, next suspect the corresponding CA3081 pre-driver transistor chip. Still a problem? The only thing left is the 74154 decoder chip.

Testing a SE9301 (or TIP102) transistor on the SDU board using the diode function
of a DMM. The black DMM lead is connected to the center leg or metal tab of the
driver transistor. The red DMM lead is connectd to either outside transistor leg.
A reading of .4 to .6 volts DC should be seen. Anything outside of that range and
the transistor should be replaced. Remember to disconnect the SDU J1 connector
before performing this test.

    TIP102 vs SE9301.
    Anytime a SDU driver SE9301 transistor has failed, replace it with the more robust and easier to get TIP102 darlington transistor. They are pin for pin compatible.

    Game Fires the Wrong Coil or No Coil.
    This is a common problem on Bally games, and less of a problem on Gameplan pins. The problem can often be seen as the MPU board telling the SDU to fire a pop bumper, but instead a slingshot fires (or no coils fire). On Bally games, which use a .100" connector to move the encoded MPU data to the Solenoid driver board, often the connector is bad and has a worn pin. But because Gameplan used .156" connectors instead of the whimpy .100" connectors Bally used, the problem is not as common.

    Regardless if the problem is happening on a Gameplan pinball, check all the connector pins on J1 (bottom right side of the SDU). If just one pin is broken, this is one bit of encoded information the SDU is not getting. This will cause the SDU's 74154 chip to decode the wrong information, and energize the wrong coil (or no coil). If all the J1 connector pins are in good condition, next suspect the 74154 chip itself.

    SDU Connectors.
    There are only three connectors on the Solenoid driver unit:

    • J1 - .156" Molex connector which is the ground return path from the playfield solenoids.
    • J2 - .156" Molex connector which is the flipper return grounds.
    • J3 - .156" Molex connector for the input data from MPU board.

24 volt DC coils used in Gameplan pinballs. Coils with two resistance values are
flipper coils.

    Gameplan Coils.
    Here's the coils generally used in Gameplan pins. Coils from other manufacturers can be used if the frame size is the same, and of course the same relative windings and wire size. Resistance should be measured from an original coil and compared to the replacement coil too (replacement coil should be within 20% of the original coil). Also remember to attach the coil voltage wire to the lug of the coil with the BANDED side of the 1N4004 diode. The non-banded diode lug of the coil is the wire that goes to the driver board's transistor.

    • 21-50001B: 24 gauge, 850 turns (Pop Bumper), 4.75 ohms.
    • 21-50002B: 25 gauge, 400 turns (power) & 27 gauge, 1000 turns (hold) Flipper. 2.8/13.4 ohms.
    • 21-50003B: 25 gauge, 1050 turns (Sling Shot & Ball Kick-Out). 7.45 ohms.
    • 21-50004B: 29 gauge, 2000 turns. 33.8 ohms.
    • 21-50005B: 27 gauge, 1400 turns (Ball Kicker). 15.4 ohms.
    • 21-50006B: 28 gauge, 1800 turns. 25.8 ohms.
    • 21-50007B: 24 gauge, 1000 turns. 8 ohms. Larger frame size.
    • 21-50008B: 22 gauge, 375 turns (power) & 30 gauge, 800 turns (hold) Flipper. 1.2/21.5 ohms.
    • 21-50009B: 23 gauge, 1100 turns (Drop Target Reset). 6.2 ohms. Larger frame size.


3e. When Things Don't Work: Locked-on or Not Working Feature Lights (LDU).

    There are two different SCR's used for lights on the lamp driver board: the larger MCR106-1, and the smaller 2N5060. They serve the same function, just the larger MCR106-1 can handle more current (and sometimes lights two lamps, while the smaller 2N5060 can only light one lamp). There is also a CD4514 CMOS decoder that drives the lamps. Sometimes these go bad too. The 45154 puts out an inverted input, and this drives the SCR (Silicon Controlled Rectifier) for each lamp. There are three (LDU-1) or four (LDU-2) 45154 chip on the lamp driver board. Each has a seperate clock, which is controlled by the MPU. If there are a lot of the lamps not working (16 or less), there may be a bad 45154 or the Enable wire for that 45154 is bad. The SCRs can be tested with a DMM's diode test.

    Why No Lamp Matrix?
    Gameplan and Bally didn't use a lamp matrix like Williams did. Gameplan/Bally's approach was more like Gottlieb's system80, where there was a single transistor or SCR that drives each lamp. Because there are up to 63 lamps and 63 SRCs and no lamp matrix, there are a maximum of 64 wires going to all the CPU controlled lamps (one power wire, and then a single control wire for each of the lamps).

    Replacement SCR's.
    Replacement SCRs are available from a variety of sources. For example, Jameco sells the MCR106-1 as part number C106Y or C106B1, and NTE5411 to NTE5416. The smaller 2N5060's replacement number is 119802 or NTE5400 to NTE5406 (but the NTE version is much more expensive) or at Mouser part# 610-2n5060. Also the larger MCR106-1 can be used in place of the smaller 2N5060, but only if the "A" and "G" legs are "reversed" (twisted to be reversed, when installed). This is not recommended, but it can be done in a pinch.

NTE SCR Replacements
MCR106-1 NTE Replacements
   
2N5060 NTE Replacements
NTE# Voltage NTE# Voltage
NTE5411 30 volts NTE5400 30 volts
NTE5412 60 volts NTE5401 60 volts
NTE5413 100 volts NTE5402 100 volts
    NTE5403 150 volts
NTE5414 200 volts NTE5404 200 volts
NTE5415 400 volts NTE5405 400 volts
NTE5416 600 volts NTE5406 600 volts
The voltage listed above is the repetitive peak reverse blocking voltage. All the above comparitive NTE SCR's have the same average on-state current (2.6 amps or 0.8 amps respectively), and peak gate power dissipation (0.5 watts or 0.2 watts respectively).

    Mounting a MCR106.
    There are many styles of MCR106 rectifiers. When mounting the style without the metal face, note the ANGLE side and the mounting orientation. The angle sided C106 seems to mount "backwards", compared to the metal faced version of the MCR106 (because the manufacturer writing seem like it is on the back of the angled sided SCR). See the picture below.

Mounting of the two styles of MCR105 rectifiers. Note the angled sided
SCR compared to the metal faced SCR.

The two styles of SCRs used in Gameplan pinballs.
Left: the SCR106-1. Right: the 2N5060.

 

    Testing the Lamp Driver SCR's, game On.
    If a lamp is permanently stuck on, this procedure won't tell you anything. A lamp that is always on is generally caused because its SCR has internally shorted. Replace the SCR.

    Assuming the game powers on, you can test a non-working lamp's SCR's to see if it's working (this assumes you have checked the bulb, the lamp socket, and the wiring to the lamp socket).

    • While the game is on and in "attract" mode, press the Self-Test button inside the coin door to activate the lamp test.
    • Note which feature lamps are NOT working. The Gameplan self test will flash ALL lamps without exception. Write down which lamps do not flash. (You will need this information if several lamps that connect to the same decoder don't work. A decoder has likely failed if 4, 8 or 12 lamps, multiples of 4, are not working.)
    • Check the manual's schematics to figure out which SCR number controls the lamp(s) in question. If not available, look at the wire color going to the lamp. Then find this wire color on one of the connectors on the LDU board. From there the connector pin can be traced back to the exact SCR in question.
    • If 4, 8 or 12 lamps that all connect to a single decoder don't work, suspect the decoder "U" chip as faulty.
    • Press the game's test switch again to take the game out of lamp test mode.

    • With the game in out of lamp test, connect an alligator test lead wire to ground. The large aluminum transformer plate works well for this.
    • Touch the other end of the test lead to the ANODE (A) of the SCR in question.
    • If the lamp does NOT light when the anode is grounded, the problem is NOT on the lamp driver board. Most likely you have a wiring problem, a bad lamp socket, or a bad bulb.

    Lamp Always On.

    1. With the game on and *not* in display test, connect one end of an alligator jumper to ground.
    2. Connect the other end of the alligator jumper to the GATE (G) of the SCR in question.
    3. The lamp in question should turn off.
    4. If the lamp does not light, the SCR is probably bad. Test the SCR with the power off using a DMM in diode test, as described below. If the SCR tests bad, replace it. Repeat steps above 1 to 3.
    5. If the lamp still won't go out, replace the decoder chip connecting to the SCR in question. Repeat steps above 1 to 3.

    Testing the Lamp Driver SCRs POWER OFF.

      MCR106-1 Lamp Driver SCR test:

      • Put the black lead of your meter on the outside "cathode" leg (labeled "C") of the SCR.
      • Put the red lead of your meter on the outside "gate" leg (labeled "G") of the SCR. Your meter should read .4 to .6 volts.
      • Swap the meter leads. Now the meter should read 1.4 to 1.6 volts.
      If your meter reads anything outside the values above, replace that MCR106-1.

Testing the large MCR106-1 lamp driver SCR.
 

      2N5060 Lamp Driver SCR test:
      • Put the black lead of your meter on the "cathode" leg (labeled "C") of the SCR.
      • Put the red lead of your meter on the center "gate" leg (labeled "G") of the SCR. Your meter should read .4 to .6 volts.
      • Swap the meter leads. Now the meter should read 1.4 to 1.6 volts.
      If your meter reads anything outside the values above, replace that 2N5060.

Testing the small 2N5060 lamp driver SCR.


3f. When Things Don't Work: Score Display Problems and Fixes.

    Gameplan used three different styles of score displays. Most cocktails used the DDU-1 Dual Display Unit, which had two players worth of score displays on a single board. Upright pinballs used the BDU-1 Display Unit six digits displays. A few later games that used the BDU-2 seven digit displays (like Attila the Hun).

    BDU-1 (and BDU-2) General Information.
    The BDU-1 has six discrete LED displays making up the six digits. The display runs completely on 5 volts and has no other power requirements. Because of this, the score displays are very robust and don't fail often, unlike say Bally displays that require a separate 190 volt power supply (which fails often, and burns displays). Gameplan displays can also be unplugged and plugged in with the game's power on without damage (not a recommended idea but can be done - don't try that with a 190 volt Bally display!). On the early Gameplan games like the Cocktail 110 and Sharpshooter, the ones digit are always zero. Because of this, all the audits and diagnostics (and the scores) will show the ones digit as a zero. The six digits are all controlled by six MPS-A13 darlington transistors. The segments are controlled by three chips (ULN2003, 74LS48, 74LS379) on the BDU-1 board.

    The BDU-2 board is basically the same board as the BDU-1 except it has seven LED displays instead of six. There is an additional MPU-A13 transistor and 22 ohm resistor to control the 7th display. But other than that, the BDU-2 is exactly the same as a BDU-1 display board. Hence all diagnostics applying to the BDU-1 also apply to the BDU-2.

    Garbage on the Score Displays.
    If you are running a Gameplan MPU without any battery backup, often garbage will be seen on the score displays at boot-up. This is a garbage memory problem, since the game does not have any batteries to store a legitimate high score when the game is turned off. To fix this problem, install a remote battery pack, and reboot the game. Then press the Reset button on the MPU board when the game is in attract mode, and this should clear the high score. Also it's a good idea to go through the audits and clear out the memory garbage, again using the MPU's reset button.

    Another cause of garbage on the score displays has to do with the +5 volt power supply. If the power supply's filter capacitor or LM323k for the +5/12 volts are failing, it can cause garbage on the score displays.

In display test mode using Sharpshooter ROM software:
A 4th player (bottom) BDU-1 score display with locked on 1s and 100s digits. Note this
is affecting the (working) 3rd player display above it. This digit problem on the lower
display was fixed by replacing the corresponding MPS-A13 transistors.

    Locked on Digits.
    The most common problem I have seen with Gameplan score displays are locked on digits. One or two digits will burn bright and will be on all the time. This can also affect other (working) score displays and cause them look like they have a similar problem too. I like to test displays with just one BDU-1 display connected at a time because of this problem.

Testing the Q2 MPS-A13 transistor, black DMM lead on the left leg should show
.6 to .8 volts using the diode test. This one is testing as good.

Testing the Q2 MPS-A13 transistor, black DMM lead on the right leg should show
1.2 to 1.4 volts using the diode test. This one is testing as good.

    A locked on digit is caused by a bad MPS-A13 transistor on the BDU-1 board. There are six MPS-A13 transistor, one for each digit. As facing the BDU-1 board's component side with the card edge on the left side, the MPS-A13 transistors are labeled Q1 to Q6 from the left to right. Here's what each controls:
    • Q1 - ones (far right LED digit)
    • Q2 - 100,000s (far left LED digit)
    • Q3 - 10,000s
    • Q4 - 1000s (not installed on credit/ball display)
    • Q5 - hundreds (not installed on credit/ball display)
    • Q6 - tens
    • Q7 - millions (BDU-2 only)

    The MPS-A13 transistors can also be tested with a DMM's diode function. Put the red lead on the center leg, and the black lead on each of the outside legs. Again as facing the BDU-1 board, the black lead on the right MPS-A13 leg should show 1.2 to 1.4 volts. Black DMM lead on the left leg sould show .6 to .8 volts. A null reading or anything outside this range and the transistor should be replaced. But be aware I have seen a MPS-A13 test as good, but when replaced it did fix the locked-on digit problem. In this case I just used the list of above and replaced the corresponding MPS-A13 and the problem was fixed.

    Segment Problems.
    The display segments are controlled by the three chips on the BDU-1 board. The 74LS379 (U3 chip closest to the MPS-A13 transistors) is first in line from the MPU board. Next is the 74LS48 (U2) and last is the ULN2003 (U1) and seven 22 ohm resistors. Four bits of data come from the MPU board and are decoded by the 74LS379 (U3) and 74LS48 (U2) chips. The ULN2003 (U1) then actually turns the corresponding segments on and off. The 48 and 379 chips will take the most abuse in the system, with the ULN2003 being protected by these two chips. This can be followed with a logic probe. Here's the path:

    • Bit 1: U3 pin 4 in, U3 pin 2 out. U2 pin 7 in, U2 pin 13 out.
    • Bit 2: U3 pin 5 in, U3 pin 7 out. U2 pin 1 in, U2 pin 12 out.
    • Bit 3: U3 pin 12 in, U3 pin 10 out. U2 pin 2 in, U2 pin 11 out.
    • Bit 4: U3 pin 13 in, U3 pin 15 out. U2 pin 6 in, U2 pin 10 out.

    ULN2003 segment controls:

    • Segment A = 74LS379 pin 13 to ULN2003 pin 3 (in) and pin 14 (out)
    • Segment B = 74LS379 pin 12 to ULN2003 pin 4 (in) and pin 13 (out)
    • Segment C = 74LS379 pin 11 to ULN2003 pin 5 (in) and pin 12 (out)
    • Segment D = 74LS379 pin 10 to ULN2003 pin 6 (in) and pin 11 (out)
    • Segment E = 74LS379 pin 9 to ULN2003 pin 7 (in) and pin 10 (out)
    • Segment F = 74LS379 pin 15 to ULN2003 pin 1 (in) and pin 16 (out)
    • Segment G = 74LS379 pin 14 to ULN2003 pin 2 (in) and pin 15 (out)

A BDU-1 with a bad 74LS379 and 74LS48 segment chips. The ULN2003 survived
the damage. Most segment problems are related to the 379 and 48 chips.

    Most segment problems seem to relate to the 74LS48 and 74LS379 chips. I just repaired two Gameplan BDU-1 displays that had both of these chips blown, leaving a "-" displayed on all six LED displays at all times (after the MPU fully booted). Replacing these two chips fixed the problem.

The DDU-1 score displays. These displays have a different card edge connector
than the BDU-1, and hence can not be installed in Gameplan's upright pins wired
with BDU-1 displays.


    DDU-1 Score Display board.
    I have not done any work with the DDU-1, but it is similar in design to the BDU displays. Differences include using MPS-U45 transistors instead of MPS-A13's for the digit control. This was done because the U45 transistor are a more robust version of the A13, and each MPU-U45 controls two LED digits. Here's the break down:
    • Q1 - ones (far right LED digit)
    • Q2 - tens
    • Q3 - hundreds
    • Q4 - thousands
    • Q5 - ten thousands
    • Q6 - hundred thousands
    • Q7 - ball/credit displays

    The chips that control the segment are a pair of 74LS379 chips, a pair of 74LS48 chips, and a pair of ULN2003 chips. Again very similar to the BDU unit logic.

    Can a BDU-2 be used in place of a BDU-1?
    The answer to this is "yes". The seven digit BDU-2 can be used in place of the six digit BDU-1, plug and play. Just the BDU-2's far left digit will not display (or even turn on) if the BDU-2 is used in a 6 digit game that should have a BDU-1 display.


3h. When Things Don't Work: Sound Problems.

    One thing I noticed on a lot of Gameplan machines is the boot up sequence causes the game to make a lot of sound board noise! In particular Sharpshooter really likes to squeal and yelp at bootup, until the 6th MPU board LED flash has occured and then the game makes a "ratatattat" machine gun type noise as its boot-up sound. This is typical of Gameplan pinballs (but obviously the boot up sounds vary from game title to game title).

    MSU Boot-Up LED Flash Codes.
    The MSU series of sound boards has a power-on LED flash sequence much like the MPU board (except the MSU board has eight power-on flashes). This is because the MSU sounds boards are a computer within themselves witha 6802 or 6808 processor.

    MSU LED N0 Flash.

      Check for +5 and +12 volts at the sound board. TP3 is +5 volts, and TP4 is +12 volts. Check the reset pin of the 6802/6808 pin 40 to make sure the pin is high, meaning the CPU chip is getting a good reset. Check for a good clock signal at TP6 on the sound board. If the reset circuit and clock signal are not working the sound board won't even start to boot.

    MSU LED 1st Flash.

      Shows that the reset and clock circuits are working and the CPU chip is trying to run.

    MSU LED 2nd Flash.

      Shows that the reset and clock circuits are working and the CPU chip is trying to run.

    MSU LED 3rd Flash.

      A third LED flash means the ROM chip at U10 and address decoder chip at U7 are good. No third LED flash means replace the U10 ROM chip.

    MSU LED 4rd Flash.

      A third LED flash means the ROM chip at U9 and address decoder chip at U7 are good. No third LED flash means replace the U9 ROM chip.

    MSU LED 5th Flash.

      A fifth LED flash means the 6810 RAM chip at U8 and address decoder chip at U7 are good. No fifth LED flash means replace the U8 RAM chip.

    MSU LED 6th Flash.

      A sixth LED flash means the oscillator circuit at TP5 is good. No sixth LED flash means replace U1 or the PIA at U5.

    MSU LED 7th Flash.

      A seventh LED flash means the 6821 PIA at U5 and address decoder U7 is good, and is receiving proper signals from the MPU board. No seventh LED flash means replace the PIA at U5. Also try disconnecting J1 from the MSU board and rebooting. If the seventh MSU LED flash is seen, the problem is on the MPU board.

    MSU LED 8th Flash.

      An eighth LED flash means the PIA at U12 and address decoder U7 is good, and is receiving proper signals from the MPU board. No eighth LED flash means replace the PIA at U12.


3i. When Things Don't Work: Miscellaneous Problems and Fixes.

    Problem: Strange solenoid and/or lamp and/or souund problems where the game just does strange and unexplainable things.
    Answer: Replace the MPU board's .01 mfd (103) 16 volt ceramic capacitor to the left and of the red reset switch and just below the right most bank of DIP switches. This cap is critical to MPU board timing.

The critical .01 mfd timing capacitor on a MPU-1 and MPU-2 board.

    Problem: Where do I get a replacement GamePlan flipper Coil?
    Answer: Replace a burned flipper coil with the common Bally AQ 25-500 coil. It works surprisingly well, just like the original coil.

    Problem: Can I mix up interconnection plugs when assembling a Gameplan game?
    Answer: YES! There is a black pair of plugs and a white pair of plugs that can be interchanged when assembling a Gameplan pinball. This will seriously damage the logic of the game if these two sets of plugs are mixed up.

    Problem: I have some broken drop targets on my Sharpshooter game. Where can I get new ones?
    Answer: Unfortunately Gameplan drop targets are not readily available. But the good news is DataEast drop targets (which are easily available will work, with a slight modification as the DataEast drop targets are 1/4" longer than the original Gameplan targets. To do this, first all the targets will need to be replaced in the drop target bank (no mixing of Gameplan and DE targets). Then use 1/4" spacers and drop the drop target mechanism down 1/4" below the bottom of the playfield to compensate for the 1/4" long Dataeast drop targets.



* Go to the Pin Fix-It Index
* Go to Marvin's Marvelous Mechanical Museum at http://marvin3m.com