Wayback Machine
DEC MAR Apr
Previous capture 22 Next capture
2008 2009 2010
6 captures
11 Jun 08 - 22 Mar 09
sparklines
Close Help
Support this Pinball Repair Website & PHoF. Please purchase the Marvin3m.com/top

Gottlieb System 1 Pinball
Repair from 1977 to 1980

by cfh@provide.net, 03/02/09.
Copyright 2006-2009, all rights reserved.

Scope: Includes Gottlieb first generation of solidstate System 1 pinball games from Cleopatra (11/77) to Torch (2/80).

Internet Availability of this Document.
Updates of this document are available for no cost at http://marvin3m.com/fix.htm if you have Internet access.

IMPORTANT: Before Starting!
IF YOU HAVE NO EXPERIENCE IN CIRCUIT BOARD REPAIR, YOU SHOULD NOT TRY TO FIX YOUR OWN PINBALL GAME! Before you start any pinball circuit board repair, review the document at http://marvin3m.com/begin, which goes over the basics of circuit board repair. Since these pinball repair documents have been available, repair facilities are reporting a dramatic increase in the number of ruined ("hacked") circuit boards sent in for repair. Most repair facilities will NOT repair your circuit board after it has been unsuccessfully repaired ("hacked") by you. If you aren't up to repairing your circuit boards yourself, I highly recommend checkout out the parts and repair web page at marvin3m.com/parts.htm.

Table of Contents

Bibliography and Thanks.
In the creation of this document, some information came from the following sources. Also some people provided their support in the way of machines and equipment.

  • Tuukka Kalliokoski web articles.
  • John Robertson web articles.
  • Tim Arnold.
  • Leon's web articles.
  • Eric A.
  • Jim Palson for the system1 wiring harness and transformers.
  • 1978 Gottlieb Service Manual, 2nd Edition.
Thanks to all the people that helped with this document.


1a. Getting Started: Tools and Schematics
1b. Getting Started: System1 Games List, Numbers

  • Cleopatra, #409, 12/77, 7300 SS produced (950 EM produced), PROM A or "409", chime sound.
  • Sinbad, #412, 02/78, 12000 SS produced (950 EM produced), PROM B. (Eye of the Tiger was it's 2 player EM mate with 13680 produced).
  • Joker Poker, #417, 06/78, 9280 SS produced (825 EM produced), PROM C, chime sound.
  • Close Encounters of the Third Kind, #430, 08/78, 9950 SS produced (470 EM produced in 09/78), PROM G, 1st generation sound board.
  • Dragon, #419, 10/78, 6,550 SS produced (507 EM produced), PROM D.
  • Charlie's Angels, #425, 12/78, 7600 SS produced (325 EM produced), PROM H.
  • Solar Ride, #421, 2/79, 8,800 SS produced (365 EM produced), PROM E.
  • Count-Down, #422, 5/79, 9,899 SS produced (215 EM "Space Walk" two player produced 7/79), PROM F.
  • Pinball Pool, #427, 7/79, 7,200 produced, PROM I.
  • Totem, #429, 9/79, 6,643 produced, PROM J, sound PROM J-SND, 2nd generation multi-mode sound board.
  • Incredible Hulk, 11/79, 6,150 produced, PROM K, sound PROM K-SND. Note a System80 "sample" Hulk was also made.
  • Genie, 11/79, 6,800 produced, wide body, PROM L, sound PROM L-SND.
  • Buck Rogers, 01/80, 7,410 produced, PROM N, sound PROM N-SND.
  • Torch, 02/80, 3,880 produced, PROM P, sound PROM P-SND.
  • Roller Disco, 02/80, 2,400 produced, wide body, PROM R, sound PROM R-SND.
  • Asteriod Annie, 12/80, single player, 211 produced, PROM S, sound PROM S-SND.
* The sound PROM has "SND" with the game letter.


1c. Getting Started: System 1 Parts to have on-hand

Here a list of system1 parts I like to have on hand for repairs.

  • Molex 08-52-0072 crimp-on terminal pins (for single sided connectors).
  • Molex 08-52-0113 crimp-on Trifurcon terminal pins (for .156" headers).
  • Molex 26-48-1121 .156" header pins with no lock. Cut to size.
  • Molex 09-50-3121 .156" white housings. Cut to size.
  • Molex 15-04-0219 .156" polarized pegs.
  • Molex hand crimping tool for above (see here for details).
  • Molex pin removal tool #11-03-0016.
  • 2N5879 (or 2N5880 or 2N5883 or 2N5884) power transistor for under-playfield.
  • MPU-U45 or CEN-U45 transistors for driver board.
  • MPS-A13 transistors for driver board.
  • MPS-A70 transistors for CPU board.
  • 2N3055 (NTE130) transistor for driver board.
  • 2N6043/SE9300/TIP122/TIP102 (NTE261) transistor for driver board (just use a TIP102).
  • UDN6118 chip for score displays.
  • PMD10K40 or 2N6057 or 2N6059 transistor for the power supply.
  • UA723 or NTE923 for power supply.
  • 7404 chip for CPU board switch matrix columns and other duties.
  • 7405 chip for CPU board switch matrix rows.
  • 7408 for CPU board for score displays.
  • 7448 or 74LS48 chip for CPU board for score displays.
  • 7417 chip for CPU board.
  • 74175 or 74LS175 chip for driver board.
  • 4049 chip for CPU board.
  • 1N4004 diodes for coils.
  • 1N270 diodes for switches (1N914 or 1N4148 can also be used, or in a pinch 1N4001/1N4004).
  • 6800 to 10,000 mfd 16 volt (or higher) electrolytic cap for power supply.
  • 35 amp 200 volt lug style bridge rectifiers (for the bottom panel solenoid and CPU controlled DC voltages). Use this instead of the original (and no longer available) VARO VK438 or VL038 bridges.
  • 1k ohm trim pots for the power supply.
  • 9.1 ohm 1 watt resistors for driver board 2n3055.

See the Parts Suppliers section of this web page for places to buy these parts.


1d. Getting Started: Gottlieb System1 Introduciton

    Introduction.
    Gottlieb's System1 series consists of sixteen games including Cleopatra, Sinbad, Joker Poker, Dragon, Solar Ride, Countdown, Close Encounters, Charlie's Angels, Pinball Pool, Totem, Incredible Hulk, Genie, Buck Rogers, Torch, Roller Disco and Asteroid Annie. Up until Charlie's Angels there was also an EM version made of these games. Asteroid Annie differs from others, being a single player game (Annie was made well after Gottlieb had changed to their new System80 boardset in early 1980). The reason for this was Ed Krynski (game designer) wanted to design one more classic single player card games before he retired. A call was made to the Gottlieb service department inquiring about the number of leftover System1 CPU board, and they made 211 games based on the 300 board available in the service department's stock.

    The System 1 technology is simple, as Gottlieb did not use solidstate parts for anything that could be done with EM technology. This was unlike Bally and Williams who couldn't abandone EM hardware fast enough. In a System1 game, there are three circuit boards in backbox: a power supply, a CPU, and a driver board. Additionally there is a sound board in the lower cabinet of games Close Encounters and later. Score and credits were displayed using big blue Futaba fluorescent low-voltage displays. This was unlike Bally and Williams gas discharge which used 190 volt displays. This Gottlieb decision was perhaps the best one they made in regards to their solidstate pinball system, as the low-voltage score displays lasted much longer and didn't require a robust power supply.

Gottlieb System 1 Joker Poker:
left: power supply, top center: CPU, bottom right: driver board.

    System1 game design was very basic, barely more sophisticated than an EM pinball. There were two or four flippers, usually two slingshots, and some pop bumpers. The flippers, slingshots and pop bumpers were not solidstate controlled (unlike Bally and Williams solidstate pinballs). A high voltage switch closed and directly fired these devices. On slingshots and pop bumpers there was a secondary switch that was closed by the moving coil mechanics which told the CPU to score points for that device. System1 games occasionally had an eject hole and/or drop targets, which were CPU controlled. But the System 1 driver board could control only eight devices, which included three sound controls (three chimes or three inputs for a sound board), a knocker, and an outhole solenoid. That left only three CPU controlled solenoids for the rest of the game (again, perhaps a drop target reset coil and an eject hole coil)! If more than three CPU controlled coils were needed, Gottlieb could use one of the two driver board MPS-U45 lamp driver transistors as a pre-driver to an under-the-playfield mounted 2N5875 transistor (this was done as early as Joker Poker and Hulk, because of the game's abundance of drop target banks). But that meant a maximum of five game specific CPU driven coils.

Gottlieb System 1 Countdown with ground mods and remote battery pack:
left: power supply, top center: CPU, bottom right: driver board.

    Control Board (CPU Board).
    System1 was Gottlieb's first series of solid state pinballs introducted in late 1977. Gottlieb was the manufacturer leader in EM (Electro Mechanical) pinball. But they had a hard time making the transition to solidstate pinball. They were also the last manufacturer of the big four (Bally, Williams, Stern, Gottlieb) to switch to solidstate technology, and even made some games in both solidstate and EM formats until 1979 (where the other manufacturers had abandoned the EM pinball format since 1977). Bally and Williams had been working on solidstate architecture for since about 1975, and fully adopted the technology by early 1977. Gottlieb on the other hand hired Rockwell to design their solidstate pinball boardsets, and were the last to enter the solidstate market. This was a mistake that Gottlieb endured for over 10 years, as Rockwell did not serve Gottlieb well.

Gottlieb System 1 CPU board from a Joker Poker. The red wire at the left is for the
ground modifications.

    The control system designed by Rockwell used their PPS-4/2 (Pinball Playing System 4 Bit) system. One problem was the board system did test itself at power-on (like the Bally -17 MPU board), but the Gottlieb CPU had no way to tell the user of any errors found (there was no CPU board LED flash sequence). This led to operator frustration in repair. Gottlieb also had ground and connector issues from the start, a problem that Bally and Williams did not have.

    The Rockwell PPS-4/1 and PSS-4/2 system was a 4-bit parallel processing system with two CPU "spider" chips that communicate with each other (U1 11660-CF was the main processor, and U2 10696-EE was the second processor). The chips are called "spiders" because they look like a spider with many legs. The spider chips were a wider chip package, almost a square chip. System 1 used six of these custom spider chips labeled U1 to U6: two for the CPU (U1/U2) and one each for the switch matrix (U5 A1752-CF), solenoid control (U4 A1753-CE), and score displays (U6 10788-PA). The last spider chip (U3, also a 10696-EE chip, same as the second CPU processor at U2) was used for lamps and a few switches and left over duties. Both the switch matrix (U5, A1752-CF) and solenoid control (U4, A1753-CE) spider chips have built-in ROM software. Display output was controlled by the U6 spider chip (10788-PA). The switch matrix has eight rows (R0-R7) and five columns (S0-S4), for a total of 40 switches. These are all driver by chips Z8 (strobes/columns, 7404) and Z9/Z28 (rows, 7405).

Two System 1 CPU board spider chips and the game PROM ("C" means Joker Poker).
The added red wire to cap C16 negative lead is part of the ground modifications.

    The solenoid control (U4, A1753-CE) and switch matrix (U5, A1752-CF) spider chips are notorious for failing easily. The solenoid control spider dies from locked on coils due to driver transistor failure. The switch matrix spider dies from coil voltage being shorted to the switch matrix. The two CPU spiders (U1 11660-CF and U2 10696-EE), the display spider (U6, 10788-PA) and the U3 (10696-EE) spider rarely fail. Unfortunately none of the spider chips are available, hence replacement CPU board have been created by Ni-Wumpf and Pascal Janin).

    Here's a summary of the spider chips:

    • U1, 11660-CF (CPU)
    • U2, 10696-EE (CPU)
    • U3, 10696-EE (misc lamps and switches). Same as U2 spider
    • U4, A1753-CC,CE,EE (solenoids, often fails)*
    • U5, A1752-CD,CF,EF (switch matrix, often fails)*
    • U6, 10788-PA (display)

    * Note that spider chips U4 or U5 contain the game operating system ROM, and must be of the same revision. These are the two spiders that fail the most. The revision levels that work together are:

    • U4 A1753-CC works with U5 A1752-CD
    • U4 A1753-CE works with U5 A1752-CF
    • U4 A1753-EE works with U5 A1752-EF

    Here's a summary of the CPU board connectors:

    • J1 (left): +5 volts, -12 volts, ground (CPU board power)
    • J2 (top right): score display segment control
    • J3 (lower right): score display digits strobes
    • J4 (bottom right): not used on any system1 game
    • J5 (bottom center): data/address bus, +5 volt/ground to driver board
    • J6 (bottom left): switch matrix lines for coin door
    • J7 (bottom far left): switch matrix lines for playfield

    The CPU board keeps high scores and audits in a 5101 RAM (at Z22), which maintained power using a NiCad "Data Sentry" battery (though some System1 CPU boards used a Bally-style AA sized NiCad). These batteries die and leak their corrosive liquids easily, causing much CPU board and connector damage. The game PROMs (where the game specific rulesets are stored) are masked ROMs and the blanks and the equipment to program them is generally not available. PROMs were identified by letters from "A" to "R", including a "T" test PROM. There are EPROM replacement boards that plugs into this PROM's socket to solve this problem.

    On the CPU board, always check TC3 (test connector three) jumper plug, as it carries the -12 volts to the CPU board which is required by the CPU spider chips and the coil drive circuit. Also the 5101 RAM easily fails. Any weird problems with high score and the 5101 RAM is probably bad. The self test circuit for the RAM is highly suspect and often passes a bad RAM. TC1 and TC2 can be ignored as they are used for internal factory testing. If these fail they do not affect anything. Switch 25 (red button switch at top of board) is the high score reset only.

A NiWumpf System 1 replacement CPU board. The blue line in the upper
left hand corner is the ground trace used for the ground modifications.

    There are also two after-market CPU board available for Gottlieb System 1 games. The most popular is the Ni-Wumpf board, made in Rochester NY. Available for about $180, it has a DIP switch allowing it to be used in any Gottlieb System 1 game. The Ni-Wumpf CPU board is about half the size of the original Gottlieb System 1 CPU board. Dave (the creator) re-wrote the program code for all the Gottlieb System 1 games and put it in a single EPROM on his Ni-Wumpf board. The advantage to this is he can maintain and change the code as he see fits, and run it in a different processor chip. The downside is some games have slightly different rules. Dave also added some excellent diagnostic tools to his board which are far better than the Gottlieb diagnostics. The Ni-Wumpf system1 CPU board is an excellent value especially if your CPU board has problems with battery corrosion and/or the spider chips.

Pascal Janin's Pi-1 System1 replacement CPU board.

    The other CPU board is by Pascal Janin of France and is called the Pi-1 (for about $175). This board also is about half the size of the original Gottleib System 1 board. Pascal's board more closely emulates the original Gottlieb game rules, but Pascal also added some additional features like skill shots (which none of the original System 1 games had). The Pi-1 board is set to the proper system1 game through software after the board is booted the first time. Pascal has also a version called the Pi-1 X4, which combines the CPU, driver, power supply and the 2nd generation sound board in one single board (for about $285). All you have to do is make sure the game's connectors and any under-the-playfield transistors (where applicable) are good, and the game is electronically all ready to play. Both the Pi-1 and Pi-1 X4 are now readily available only from Pascal directly.

The Pi-1 X4 combo System1 replacement CPU/Driver/Power Supply/Sound board.

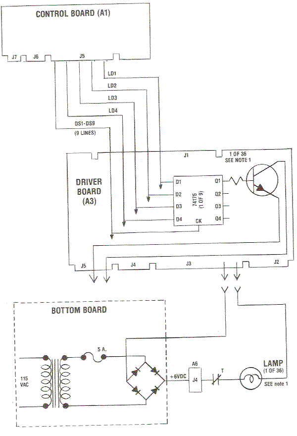
    Driver Board.
    The System 1 driver board could control only eight devices, which included three sound controls (three chimes or three inputs for a sound board), a knocker, and an outhole solenoid. That left only three CPU controlled solenoids for the rest of the game (again, perhaps a drop target reset coil and an eject hole coil)!

The Rottendog replacement Gottlieb System 1 driver board. The cool thing
about this board is the updated design. The Dawg people updated the
driver board so it uses one common MOSfet driver for all the coils and
lamps. The MOSfets are rated to handle way more current than the original
Gottlieb components too, so it is unlikely you'll ever have to repair this board.
Price is very reasonable too.

The Gottlieb System 1 driver board. The blue arrow at the upper right
is the connection used for the ground modificaitons.

    The knocker, three chime coils, outhole, and solenoid #6 and #7 were all controlled by 2N6043 transistors (can be replaced with TIP102). In addition there was a large 2N3055 transistor at Q45 for solenoid #8 (pre-driven by Q29 MPS-U45 to the left of it), which could be used for a large drop target reset bank coil. This meant the game only had these three driver board transistors for game-specific coils. If the game needed to drive any more coils, lamp driver transistorrs Q3 or Q4 (MPS-U45) could be used as a pre-driver to an under-the-playfield mounted 2N5875 transistor. This meant there could only be a total of five game specific CPU controlled coils (using a maximum of two under-the-playfield transistors). But on the other hand remember the slingshots and pop bumpers are not CPU controlled and instead use direct switches. Also another interesting fact is the coin door lockout coil is not CPU controlled at all. It instead is directly connected to 28 volts and is energized whenever the game is turned on.

    Here's a summary of the driver board connectors:

    • J1 (top): data/address bus, +5 volt/ground from CPU board
    • J2 (far right): Q25-Q28 solenoid control
    • J3 (middle right): Q19-Q44 lamp control
    • J4 (middle left): Q29-Q32,Q45 solenoid control
    • J5 (far left): Q6-Q17 lamp control, Q1-Q4 solenoid control

Trans# Position Type Pre-driver CPU Chip Usage
Q25 Far right 2N6043   CPU Z6 pin 3/4
to A1J5 pin 11
Knocker
Q26 2nd from rt. 2N6043   CPU Z6 pin 5/6
to A1J5 pin 10
10 Chime or Sound
Q27 3rd from rt. 2N6043   CPU Z6 pin 9/8
to A1J5 pin 7
100 Chime or Sound
Q28 4th from rt. 2N6043   CPU Z6 pin 11/10
to A1J5 pin 8
1000 Chime or Sound
 
Q32 Center Left 2N6043   CPU Z6 pin 1/2
to A1J5 pin 12
Outhole
Q31 2nd from Cnt Lft. 2N6043   CPU Z6 pin 13/12
to A1J5 pin 9
Solenoid #6 (game specific)
Q30 3rd from Cnt Lft. 2N6043   CPU Z7 pin 1/2
to A1J5 pin 1
Solenoid #7 (game specific)
Q29
Q45
4th from Cnt Lft.
Center Right
MPS-U45
2N3055
Q29
CPU Z7 pin 3/4
to A1J5 pin 2
Solenoid #8 (game specific,
usually for a drop target reset coil.)
 
Q2 Far Left MPS-U45   CPU Z26 pin 3/4
to A1J5 pin 5
to SDB Z1 pin 5/7
Tilt (T) Relay
Q1 2nd from Far Left MPS-U45   CPU Z26 pin 1/2
to A1J5 pin 6
to SDB Z1 pin 4/2
Game Over (Q) Relay
Q3 (L3) 3rd from Far Left MPS-U45   CPU Z26 pin 5/6
to A1J5 pin 4
to SDB Z1 pin 12/10
Pre-driver to an under-the-playfield
mounted 2N5875 (game specific).
Or used for CPU controlled lighting
(L3=High Game to Date).
Q4 (L4) 4th from Far Left MPS-U45   CPU Z26 pin 9/8
to A1J5 pin 3
to SDB Z1 pin 13/15
Pre-driver to an under-the-playfield
mounted 2N5875 (game specific).
Or used for CPU controlled lighting
(L4=Shoot Again).
 
Q5-Q24,
Q33-Q44
Top middle row MPS-A13   Z1-Z9 Used for CPU controlled lighting.
 
none under playfield 2N5875 MPS-U45
(Q3 or Q4)
Z1 SDB Playfield mounted Transistor(s)
(game specific)
 
none         Coin door lockout coil
connected directly to 25 volts.

    There was no lamp matrix, as each CPU controlled playfield lamp was driven by one of the 36 lamp driver transistor. Lamps L1-L4 used a MPS-U45 (which could drive two lamps at once, or could be used as a pre-driver for an under-the-playfield driver transistor for a coil), and the rest of the lamps L5-L36 used the smaller MPS-A13 transistor (which could only drive a single bulb). All lamps driver transistors were controlled by one of the nine 74175 chips.

The Gottlieb System 1 driver board transistor layout.

    There are also two under-the-playfield relays that are driver board driven. These two relays are the Q (Game Over) and T (Tilt) relays. These are driven by Q1 and Q2 respectively.

    Under Playfield Mounted Transistors (Extension of the Driver board).
    Some later system1 games used one or two of the 36 driver board lamp transistors to control additional playfield solenoids. The low-voltage (6 volt) lamp transistor were wired to under-the-playfield mounted 2n5875 power transistors, which drove a hi-power 24 volt solenoid. Essentially the lamp driver transistor was a pre-driver for the larger playfield-mounted transistor, which ultimately drove a coil. These playfield mounted transistors added another level of complexity to the System1 design, and often confused operators. Here's the list of System1 games that use under-playfield-mounted 2N5875 transistors:

    • Joker Poker (one for "K" target bank reset)
    • Roller Disco (one for left target bank reset)
    • Close Encounters (one for roto-target)
    • Countdown (one for blue target reset, one for yellow target reset)
    • Hulk (one for "A" shooter, one for "B" shooter)
    • Torch (one for left blue target reset, one for right green target reset)

An under the playfield 2N5875 transistor.

Schematic on Countdown for its two under-playfield 2N5875 transistors.

    System1 Power Supply.
    System 1 power supply gets power directly from the transformer at the bottom of cabinet. It consists of rectifiers and regulators to create the various output voltages of +5V, -12V, +8V, +4V, +60V and +42V. Rottendog Amusements makes an excellent replacement System1 power supply for about $65. An excellent value, the Rottendog P.S. works great and is plug & play. Also Great Plains Electronics (GPE) has a really nice replacment System1 power supply.

Original Gottlieb System 1 power supply board mounted in its metal "L" frame.

The Rottendog replacement Gottlieb System 1 power supply board.

The GPE replacement Gottlieb System 1 power supply board.

    Bottom Panel.
    The bottom panel in the lower cabinet of a System1 pinball houses the two main power transformers, the main fuse bank, the copper ground bank (where all ground wires originate), the RF filter and auxiliary 120 volt service jack, a bank of four diodes (for the coin door switches), and two bridge rectifiers (one for the 24 volt solenoids and the other for the 6 volt CPU controlled lamps).

The Gottlieb System1 bottom panel.

    Relays.
    Every System1 pinball has two relays mounted under the playfield. These are the Game Over Relay (Q), and the Tilt Relay (T). The Game Over relay activates and stays energized all during a game. This turns the 24 volt power on for the flippers, pop bumpers and slingshot coils. It also turns off the Game-Over light in the backglass. On Bally and Williams games this relay is on the solenoid driver board, and has a plastic cover to protect it. But Gottlieb felt it should be more accessible, and mounted their Game-Over relay (or flipper relay as Bally/Williams call it) under the playfield. The advantage to this is the relay is more accessible, but it's also more easily damaged or knocked out of alignment or the switches mis-handled.

    The T-relay is the tilt relay. This comes on when the game is tilted, and stays energzied until the current ball is drained into the outhole. This relay disables the power to the coils and flippers, and turns off the computer controlled lighting power to the game. It also turns on the Tilt light in the backglass.

The Gottlieb System1 T (Tilt) and Q (Game Over) relays.

    System1 Sounds.
    In the three first System1 games there was a three tone chime unit, as used in Gottlieb's EM games. With Close Encounters this changed to a simple tone generator sound board, which still used the same three driver board transistors to generate sound. This sounds board was located in the lower cabinet right next to the knocker (where the chime box was previously mounted).

The Gottlieb System1 first generation 3-tone sound board (Close Encounters)
with the small blue volume control.

The Gottlieb System1 first generation 3-tone sound board (Close Encounters).

The Gottlieb System1 first generation 3-tone sound board (Countdown).

    Sound improvement came with Totem, when a microprocessor controlled sound board replaced the earlier 3-tone sound board. Both the chime box or the sound boards were located in the same place, in the right side of lower cabinet. The new sound board as used on Totem and later games (multi-mode sound), though having more sound bites, was not really a big sound improvement for the System1. It had a switch that changed the sound format, much like Williams did. It also used a now unavailable Rockwell chip R3272-12. It still used the same three drivers transistors from the driver board, but not in unison (as Williams and Bally did to control more than three different tones). Instead Gottlieb's MPU controlled sound board randomly picked the different sounds to play. This caused some player confusion, because a 10 point switch could have any number of different sounds.

    Substituting Chimes for the Sound Card.
    Because of the sound card problems listed above, many operators take out the MPU controlled sound board and replacing it with an older chime unit. Most players find this far more pleasing and consistent to the ear. All system1 games are downward compatible to chime coils. Be sure to use chime coils 12 ohms or greater. If coils with less resistance than 12 ohms are used, the driver board transistors Q26,Q27,Q28 will fail. If adapting a chime box from a Bally game, that should work fine as 50 volt chime coils will have higher resistance. Also don't forget to add 1N4004 diodes to the chime coil lugs, with the coil's power lug connecting to the banded side of the diode.

    • Mount the chime box right next to the knocker coil in the lower cabinet side panel near the game's power switch.
    • Route the 25 volt power from the adjacent knocker coil lug (banded diode lug), which is right next to the existing sound board (and the newly mounted chime box).
    • "Daisy chain" the 25 volt DC coil power to all three chime coils' banded diode coil lugs.
    • Now move the following wires from the sound board connector to the chime box coils' non-banded diode coil lugs:
      • orange/black/black wire goes to the 10 point chime coil lug.
      • red/brown/yellow wire goes to the 100 point chime coil lug.
      • red/green/green wire goes to the 1000 point chime coil lug.
    Remove the sound board from the game.


1e. Getting Started: Summary of Mandatory System1 Modifications

    Gottlieb System1 pinball games will need some *mandatory* things done to them to make them a reliable system. This is a summary of what is involved, to give you an idea of what work you have cut out for yourself.

    1. Replace the 5/12 volt Power Supply filter capacitor.
      The original 2900 (or 4700) mfd filter cap on the power supply MUST be replaced with a new 6800 to 10,000 mfd capacitor. This ensure a good smooth 5 volt main power for the CPU and driver boards. If you replaced the power supply with a Rottendog version, you can skip this step.

    2. Ground modifications.
      Much like Gottlieb's System80 pinballs, System1 games also need to have ground modificaitions to the power supply, CPU board and Driver boards. This ensures reliable operation and coils that don't lock-on and destroy driver board and CPU boards. And if you have a Rottendog power supply, just use the power supply "L" frame as the central ground point (the RD power supply is already modified so it brings ground to the "L" frame).

    3. Remove the original CPU board Battery.
      If running with an original Gottlieb CPU board, the original memory backup battery MUST be removed (and discarded). System1 pinballs will run fine with a remote "AA" battery pack to maintain credits and high scores. Make sure to use a 1N4004 blocking diode with the "AA" battery pack so the CPU board does not try and recharge the "AA" batteries.

    4. Check for CPU board Battery Corrosion.
      If the original CPU board memory backup battery has been left on the CPU board, chances are good it has leaked and corroded the board (this is why we remove the battery!) If corrosion has happened, this will need to be cleaned up (sanded clean or bead blasted) and then neutralized with white vinegar and then water and then alcohol. Or the entire CPU board replaced with a new Ni-Wumpf or Pascal Janin CPU board.

    5. Replace Connector Pins.
      The .156" Molex single sided edge connector pins used to mount connectors to the power supply, CPU board and driver board most certainly will need to be replaced (especially if there was *any* battery corrosion on the CPU board). Most certainly the CPU boards's bottom edge J7, J6 and J5 connector pins will need to be replaced. Also the driver board's top edge J1 connector pins probably too.



2a. Before Turning the Game On: Check the Coil Resistance.
    A very good idea for any unknown game just purchased is to check all the coils' resistance. If the game is new to you, and you have not powered it on, a quick check of coil resistance will tell you a lot about your new game. This takes about one minute and can save you hours of repair and diagnosing work.

    Any coil that has locked on (usually due to a short solenoid driver board transistor) will heat up and have a lower total resistance. This happens because the painted enamel insulation on the coil's wire burns, causing the windings to short against each other. This will lower the coil's resistance, causing the coil to get even hotter. Within a minute or so the coil becomes a dead short (less than 2 ohms), and usually blows a fuse.

    If the solenoid driver board (SDB) or under-playfield mounted transistor is repaired, and the game is powered on with a dead-shorted coil, this will blow the same driver transistor(s) again when the coil is fired by the game for the first time! There is no sense making more work for yourself. So take 60 seconds and check all the coils' resistance BEFORE powering the game on for the first time.

Checking a slingshot coil's resistance with a DMM. The 3.4 ohm reading is fine
for the A-1496 slingshot coil.

    In order to check coil resistance, put your DMM on its lowest resistance setting. Then put the DMM's red and black leads on each coil's lugs. A resistance of 2 ohms or greater should be seen.

    Anything less than 2 ohms and next remove the GROUND wire (the wire connecting to the non-banded diode coil lug), and retest the coil. If the coil resistance is no longer low, the driver board has a bad driving transistor for this coil (replace the under-PF transistor {if used}, driver board transistor, and pre-driver transistor). If the coil resistance is still low, cut the diode off the coil and re-test the coil. If the coil resistance is normal, the diode was bad (install a new 1N4004 diode). If the coil resistance is still low, the coil itself is bad. Replace the coil with a new one, and make sure there is a 1N4004 diode installed across the coil's lugs. Remember when reconnecting the wires to the coil that the power wire (usually two wires or thicker wires) goes to the coil's lug with the BANDED side of the diode attached. The thinner wire is the coil's return path to ground via the driver transistor and attaches to the coil lug with the non-banded side of the diode attached.

    If a low resistance coil is found, also suspect the associated driver board (or under-playfield mounted transistor if used) as bad. A low resistance coil is a red flag, a warning, that there may be problems on the driver board or with an under-playfield mounted driver transistor. Actually with System1 games, if a low resistance coil is found, I can pretty much guarantee that you will need to (should) replace of course the coil and coil diode, but also all the silicon devices in its ground path (under-playfield transistor {if used}, driver transistor on driver board, and any pre-driver transistor). I would also check the 74175 chip on the driver board (using a DMM set to diode setting), which drives the transistors, if any of the driver transistors were bad/replaced. See the Locked-on or Not Working Coil section of this document for more info.


2b. Before Powering On: The Power Train and the Power Supply (Repair/Upgrade)

    This section will "start at the beginning" and show how power gets from the wall outlet to the game. It will also describe what typically goes wrong in the power train and how to fix it. Also many of the fixes and upgrades in this section are mandatory for proper long-term operation of a System1 power supply.

Bottom Panel - Where is all Starts.

    The bottom panel (lower cabinet) is where the power all starts. The line cord comes into the game and goes to line filter. Next it goes to a line fuse (an an outlet plug), and then to the pair of transformers. Not Gottlieb does not use a MOV on the line filter (unlike Bally and Williams), so there is no surge protection in system1 games.

    The two transformers convert the 120 volts AC input to other voltages needed for the game. The large transformer outputs power for the solenoids (24 volts), general illumination light power (6.3 volts), and CPU controlled light power (6 volts). The small transformer outputs the main score display voltage (60 volts), the computer board voltage (12 volts which ultimately ends up as +5 volts), and the score display offset/reference voltages (8 and 4 volts).

The Gottlieb System1 bottom panel. The power supply path starts in the lower cabinet
on this "bottom panel".

    The transformer outputs only AC voltages, but the game largely uses DC volts. So some voltages go to bridge rectifiers or power supply diodes that convert the AC to DC volts. There are two bridge rectifier on the bottom panel, all being 35 amp 400 volt lug style bridges:
    • 6 volt bridge which is used for the CPU controlled lighting.
    • 24 volt bridge which is used for the playfield coil voltage.

    After the power is converted from AC to DC via these three bridge rectifiers, it goes through bottom panel mounted fuses. Also the voltages that don't get converted to DC on the bottom panel also go through fuses on the bottom panel:

    • backbox 6.3 volts AC general illumination
    • playfield 6.3 volts AC general illumination
    • CPU controlled 8 volt DC lights
    • Coil power 25 volts DC
    • Score display 69 volts AC

    There are other sys1 fuses beside the bottom board fuses, all mounted under the playfield. There is usually a fuse for the pop bumpers and other major coil items like drop target reset banks.

    My advice for fuses is simple: test EVERY fuse in the game by removing it and using a DMM (digital multi-meter) set to continuity. Don't try and give fuses a visual test! And I highly recommend removing the fuse from the fuse holder for testing, as this will show a fuse that is cracked or a fuse holder that is bad (and there are far less "false reading" testing a fuse out of circuit.) Obviously this is all done with the power off.

    Note many under the playfield fuses will not have their fuse value stated with a label. Many fuses will, but others will not (or the label fell off). For this reason it's a good idea to get a game manual. Do NOT over fuse! If it says "2 amp slow-blow", then that's what you should use. The fuses are there for a reason, to be the "weakest link". If over-fused, much more expensive items become the weakest link (like driver transistors and/or coils). So use the correct fuses.

Blown Fuses and Bridge Rectifiers.

    Fuses are designed as the weakest link in the chain. Fuse tend to blow for a reason, but they can "just die" due to fatique and age. Yet for the most part, if a fuse is blown on the bottom panel there's usually a reason, like a shorted bridge rectifier. This is a common problem especially for the CPU controlled lights' 6 volt bridge, but the solenoid bridge can also short (causing its associated fuse to blow). For this reason, it's a good idea to test the bridges to make sure they are not shorted.

Testing a bridge with a DMM set to the diode function, and putting the red DMM
lead on the ground (green) bridge lug. This bridge is testing "good".

    To test a bridge a DMM (digital multi-meter) is needed. Set the DMM to diode test, and put the red lead on the ground lug of the bridge. (On system1 games the ground lug is easy to find, as it's the one with the green wire attached.) Then put the black DMM lead on each of the bridge lugs next to the ground lug. A value of .4 to .6 volts should be seen on the DMM. Anything outside that range indicates a bad bridge rectifier.

Testing a bridge with a DMM set to the diode function, and putting the black DMM
lead on the positive output bridge lug. This bridge is testing "good".

    Now put the black DMM lead on the positive output of the bridge. This is again easy to find as its the bridge lead diagonal to the ground lug. (Also on newer bridges the positive output lug is set 90 degrees off from the other three lugs.) Then put the red DMM lead on each of the bridge lugs adjacent to the positive output lug. A value of .4 to .6 volts should be seen on the DMM. Anything outside that range indicates a bad bridge rectifier.

    If a bad bridge is found, replace it with a new 35 amp 400 volt bridge with lugs. These are inexpensive and easy to get from a variety of electronic parts houses.

    An interesting note on the system1 power train bottom board - there is NO bridge rectifier for the 5/12 volt power. This is instead handled by the power supply board itself using a pair of 3 amp (3a100 or 1n5401) CR1/CR2 diodes. That means the +5/12 volts DC is only half-wave rectified and not full wave rectified. In addition the filter cap is only 2900 mfd. You would think this would provide a rather rippled +5/12 volts (which it does). For this reason you will need to replace the 2900 mfd power supply cap C1 with higher 6800 to 10,000 mfd version. This "problem" was dramatically improved with Gottlieb's later system80 games, where a full wave bridge rectifier was added to the bottom board for the 5/12 volts, and its filter capacitor was increases in MFD rating.

Under Playfield Relays.

    Mounted under the playfield are two relays. This is much like what Gottlieb did on their later system80 games, and is much unlike what other manufacturers did.

    First is the Tilt "T" relay, which pulls in when the game is tilted. When energized at a tilt, this turns on the "tilt" light in the backbox, turns off the GI (general illumination) lights on the playfield, and turns off the power to all the coils on the playfield. If a ball is tilted during play, the ball will immediately drain (since there's no flipper or coil power). Once the ball hits the outhole switch, the CPU board will de-energize the Tilt relay, and the game continues.

The Game Over "Q" relay and Tilt "T" relay under the playfield.

    The other relay is the Game Over "Q" relay. This relay energizes when a game is started, and turns on the power to all the coils on the playfield. All other manufacturers mounted their game over (aka flipper relay) to the CPU or driver board, but Gottlieb mounted theirs under the playfield (a leftover from the EM era).

    As a diagnosing feature, with the game on and in "attract" mode (ready to take money and start a game), the Game Over "Q" relay can be manually held in (assuming your careful and don't knock the relay's activation plate off it's mounting pivot point). This will turn all the power on to the flippers, pop bumpers, slingshots without having to start a game. This is handy when adjusting and testing these devices.

Slam Switch (Coin Door) and Tilt Switches.

    Another unusual thing about Gottlieb is their coin door "slam" switch. This normally closed switch MUST be closed or a game won't start (heck the CPU board won't even really "boot" either). Unlike the other pinball manufacturers where their slam switch was normally open, Gottlieb (foolishly) choose to have their slam switch normally closed. This means if this switch is open, or the connectors/wiring from the CPU board to this switch are broken/corroded/failed, the game will NOT work! This is important to know as it's different than other pinball makers.

The coin door showing the normally closed Slam switch.

    In addition to the slam switch, there are of course "normal" tilt switches in system1 games. The ball roll tilt (just inside the coin door area) is a Normally CLOSED style tilt (unlike System80 games that used normally open). This is important to remember as the game will NOT work if the ball roll tilt switch is open. And of course the pendulum tilt is typical of all pinball games (this is a normally open tilt switch).

The ball roll and pendulum tilt switches on a system1 game. The
ball roll tilt switch must be CLOSED for the to even "boot".

    There are also some weighted tilt switches mounted in other places. Usually one or two under the playfield for example. These get far less mangled than the ball roll and pendulum tilts (mostly because when a game is moved, the ball roll/pendulum can easily get jammed closed.)

Power Supply Board Overview.

    The Gottlieb System 1 power supply is a fairly robust device. But it certainly is not perfect. Heck it's not easy to work on either. In order to get to the solder side of the board (to remove any suspect components), the power supply must be "taken apart". This means removing four corner machine screws, then two machine screws used as heat sink screws for the outside edge TIP31's, remove two more machine screws for the Q1 transistor, and then desoldering the Q1 transistor. Wow that's a lot of work! And then after you think it's all fixed, you have to at least solder the Q1 transistor back and test the board. If you did well, then re-assemble the whole thing. It's a fair amount work. This is why many people just spent the $70 and buy the new replacment Rottendog Amusements power supply (which by the way is a good product) or the new Great Plains Electronics (GPE) system1 power supply (again, another great product).

    One problem with power supply is the -12 volts. If this supply is missing (it feeds only to the CPU board), the system1 game will power on with all the coils and most of the CPU controlled lamps "locked on". This is definately a bad thing, but should be kept in mind.

    Another problem is the +5 volt DC rectifying transistor Q1, which makes the whole board to get quite warm because it is attached to Q1's heatsink. After about 30 to 60 minutes, the entire power supply "L" aluminum frame (which is the heat sink for Q1, and which the entire power supply board is mounted) gets quite warm. This eventually causes the large C1 +5/12 volt filter capacitor (replace with 6800 to 10,000 mfd 20 volts) to dry out. This can cause strange problems and game lockups, or even damage to the CPU board. Sometimes even the Q1 transistor can fail. The original PMD12K40 transistor is hard to find, but if can be replaced with a 2N6057 or 2N6059.

    There is also another large filter capacitor at C6 (200 mfd 150 volts) used for filtering the score display voltage. When this cap dries out this causes the displays to flicker or go dim.

    Another common problem are the two trimmer potentiometers begin to fail because of dust, causing overvoltage or other problems. The trimmers can be cleaned with contact cleaner or preferably replace them with new ones. There are two pots, R4 to adjust the +5 volts (1k ohms) and another R16 (1k ohms) to adjust the +60 volts for the score displays.

    Rectifier diodes CR1 and CR2 (1N5401 3amp 100v) are underrated too. It is good to replace those with at least 4A diodes.

    J1 Power Supply Connector Warning.
    A common failure in these boards is misconnection of connector J1. The connector is removed when backbox is taken off, and when replacing it is possible for the connector to install upside down! There is a "This Side Up" sticker on the connector housing, but it may have fallen off. Pay attention when installing this connector as an upside down J1 power supply connector will ruin the power supply board, make the bottom board small transformer turn red hot until it burns like a fuse, and could damage the CPU board too (the power supply crowbar circuit *should* save the CPU board, but don't bet on it). Hint: the green ground wire on this connector goes to the left as facing the power supply board.

    Replace the Power Supply's C1 5/12 volt Filter Cap NOW.
    The power supply takes 11.5 volts AC at connector A2P1 pins 1,2 and goes through two 3amp 100 volt diodes (1N5401) at CR1 and CR2 to convert this voltage to 12 volts DC. Then a 2900 (or 4700) mfd electrolytic filter capacitor at C1 smooths this voltage. Then the voltage is rectified to 5 volts through IC1 (UA723) and Q1 (PMD10K40 or 2N6059), which supplies the main 5 volt power for the CPU and driver boards.

The Gottlieb System 1 power supply board mounted in its metal "L" frame.

    Unfortunately C1 at 2900 mfd (or 4700 mfd) is way too small of a filter cap, and the fact that this cap is 30 years old isn't helping things either. Replace this cap with a new 6800 mfd to 10,000 mfd 16 volt or higher filter capacitor.

    When replacing this capacitor it is NOT necessary to take the whole power supply apart! Just cut of the old capacitor off the power supply board, leaving the old cap leads as long as possible. The new filter capacitor will no doubt be much smaller (isn't everything made smaller today?), so just tie the new capacitor to the old cap's leads. The reason for this is simple - taking apart an original system1 power supply is a lot of work.

The Gottlieb System 1 power supply board and metal "L" frame, modified
with a new C1 capacitor and an added ground wire to the cap's negative lead.
On these large replacement caps, I use heat shrink tubing over the new
C1 capacitor leads to prevent them from shorting out against the metal
"L" frame or other components.

    -12 Volts for the CPU board.
    The stock Gottlieb System 1 CPU board requires -12 volts DC for the six spider chips to work. If an otherwise working game is powered on with the -12 volts missing (due to a bad power supply or bad connectors), all the CPU controlled coils will lock-on (and most of the CPU driven lamps), and the game will not boot. Obviously this needs to be fixed before proceeding.

Notice the lower Power Supply A2-J1 female connector is labeled
"This Side UP". Don't mis-connect that (it's easy to do unfortunately).

    Transformers.
    There are two transformers in the bottom panel of a system1 game. The large transformer (C-17924) powers the coils, General Illumination, and CPU controlled lamp voltages. This transformer is very robust and seemingly never fails. The small transformer (B-17921) powers the logic voltages (ultimately 5/-12 volts), and all voltages for the score displays (69 volts AC and the reference voltages). Unfortunately this small transformer is fragile, especially the 69 volt score display windings. I have seen this transformer fail.

    The System 1 power supply has several main power blocks. Treat and test each block independently. There

    • Displays Main power:
      • +60 and +42 volt DC output.
      • 69 volts AC input.

      For the score displays (the smaller credit/ball display uses the lower +42 volts, and the larger 6 digit score displays use the +60 volts). Note the "reference" voltages for the displays (+4 and +8 volts DC) are *not* generated by this circuit (they are created by the +5/-12 volt logic circuit and these two reference voltages are required to make the score/credit displays work).

      When measuring the +42/60 volts with a DMM, be aware the ground for these two voltages are separate and distinct from the other grounds. Therefore when testing these voltages I recommend using the negative lead of the large 200mfd 150 volt power supply C6 capacitor as the ground point. Yes all the grounds do tie together at the brass ground strip by the transformer (but all the connectors for the whole game must be attached and in good condition), so just use the power supply C6 cap's negative lead for the DMM's ground.

      The input AC voltage is rectified by diodes CR6-CR9 (1N4004) and filtered by capacitor C6 (200 mfd 150 volts). Transistor Q2 (TIP31c) regulates the output voltage with the help from Q4 (MPS-A43) and zener diode CR11 (1N4742 12 volts). Current limiting is done with Q3 (2N3416) and R13 (33 ohms). Output voltage is adjustable to 60V with a trimmer pot R16 (1k ohms). A 18 volt zener diode CR12 (1N4746) is used to drop the 60V to 42V for the smaller credit display. This is not a regulated voltage, as a zener diode is used to prevent too much voltage to go through the circuit - if all the displays disconnected the voltage will be higher than if all the displays are lit.

    • Logic/Display Reference Power
      • +5 and -12 volts DC output for CPU board.
      • +4 and +8 volts DC "reference" for score/credit displays.
      • Two times 11.5 volts AC input.

      The +5 volts DC adjustable by trim pot R4 (1k ohms), +8 volts DC, and +4 volts DC. The +5 volts is used for the CPU and driver board logic. The +4 and +8 volts are the offset voltages for the score displays. Interestingly the 4 and 8 volts DC actually goes back to two different center tap of the big transformer to raise the potential of the transformer above zero volts. The 4 volts goes to the center tape of the 3 volt AC line, and the 8 volts goes to the center tape of the 5 volt AC line. Weird stuff, but that's how the blue Futaba score displays work. Display filament bias voltage +8 volts DC is done with a 8.2 V zener CR21 (1N4738) and resistor R21 (100 ohm but 680 ohms pre-6/78, so use 100 ohms) from the same voltage used to generate +5 volts DC. Credit displays bias voltage +4 volts DC is made with two series diodes CR22/CR23 (1N4148) from the +5V output. 5 volts AC from the transformer is rectified by CR1/CR2 (1N5401 3amp 100v), and then filtered by capacitor C1 (which was 2900 or 4700 mfd, and should be replaced with a new 6800 mfd or high cap). A 723 regulator and series pass transistor Q1 form a 5 volt regulator, whose output can be adjusted with trimmer R4 (1k ohms). Current limiting is done with sense resistor R1A (.18 ohm 2watt).

    • Coil Drive Reference Power
      • -12 volts DC output for CPU board.
      • Two times 14 volts AC input.

      Intermixed with the 5 volt circuit is the -12 volts DC. This is used for a reference voltage for the coil drive circuit on the CPU board, and the Rockwell PPS-4/2 spider chips that require -12 volts. Note if using a replacement CPU board like the NiWumpf this -12 volts is not needed!

      The negative voltage -12V is done by rectifying two times 14 volt AC transformer windings with diodes CR3 and CR4, and filtered by cap C4 (200 mfd 150 volts). Then a 7912 voltage regulator is used to keep the -12 volt DC output right at -12 volts.

    • Coil Power
      • 25 volts DC output for game coils.
      • 25 volts AC input.

      Coil power is unregulated. 25 volts AC power comes from the transformer located in the bottom panel of the game. It then goes through a 5 amp SB fuse and a bridge rectifier located next to the transformer, converting the voltage to 25 volts DC. The coil power then goes to the playfield.

    • CPU Controlled Lamp Power
      • 6 volts DC output for game lamps.
      • 8 volts AC input.

      CPU controlled lamp power is unregulated. 8 volts AC power comes from the transformer located in the bottom panel of the game. It then goes through a 5 amp SB fuse and to a bridge rectifier located next to the transformer, converting the voltage to 6 volts DC. The lamp power then goes to the backbox and playfield. Note the drop from 8 volts AC to 6 volts DC. Since the power is unregulated, the drop is due to the lamp load. The more lamps, the greater the voltage drop.

    • General Illumination Lamp Power
      • 6.3 volts AC output for GI.

      The General Illumination (GI) is taken directly from the transformer through a 10 amp NB fuse, then directly to the backbox and playfield.

    Replace Power Supply Capacitor C1 Now!
    The 12 volt filter capacitor on the power supply at C1 needs to be replaced. There is no skipping this step. The original 2900 mfd 25 volt capacitor is way too small, and likely very worn out. Replace it with a new 6800 to 10,000 mfd 16 volt or higher capacitor.

    Score Display Flicker.
    If the score displays flicker, power supply cap C6 (200 mfd 150 volts) and C4 (1000mfd 35V) needs to be replaced.

Testing the System1 Power Train.

    Before powering the game up, it's good to know if the power supply (in its current state) works. Here is a good way to test a System1 power supply. This is a good generalized way to "bring her up", without smoke and fire.

      Power Supply Test, Step One:
      • Make sure game is off. Check all fuses in the bottom panel of the game by removing each fuse and testing with a DMM set to continuity. Make sure all fuses are the proper rating and type (NB normal blow versus SB slow blow)!
      • Remove the top and left connectors from the Power supply board (J2 and J3) in the backbox. Leave attached power supply connector J1 (the bottom connector). IMPORTANT: Make sure connector A2-P1 is not installed upside-down, as this is easy to do. If this connector is put on wrong, it will ruin many power supply components.
      • Note Gottlieb uses "J" as the male header pin designation, and "P" as the removable (female) connector designation. That is, P1 (female) attaches to J1 (male, detachable) on the power supply board. I say this to avoid confusion and that P1 mates to J1, so the voltages for say A2-P1 pin 1 is the same as A2-J1 pin 1 (remember that A2 is the board designation, in this case the power supply).
      • Power the game on.
      • Check the input voltages. This is at A2-P1/A2-J1 (bottom of power supply board). Note NO Key pin on this connector! Pin 1 (white/blue wire) is the left-most pin, below the two large diodes. Since there is no key on the J1/P1 connector, this means you can attach the plug upside down, which you obviously do not want to do. SO BE CAREFUL.

        A2-P1/J1 (bottom most power supply connector).
        This is the input AC voltages from the transformer.

        • A2-P1 pin 1 = 11.5 volts AC (wht/blue). LEFT MOST PIN.
        • A2-P1 pin 2 = 11.5 volts AC Return (wht/org)
        • A2-P1 pin 3 = common (ground, black)
        • A2-P1 pin 4 = 14 volts AC (wht/brn)
        • A2-P1 pin 5 = 14 volts AC (wht/purple)
        • A2-P1 pin 6 = 69 volts AC (blue/wht/red)
        • A2-P1 pin 7 = 69 volts AC Return (org/wht/red)

      • Check the output voltages. If the +5 or -12 volts is out of spec, there is a power supply problem. Do NOT attach power supply connectors J2 and J3 until you are sure all voltages are good (otherwise damage to the circuit boards can occur).

        A2-P2/J2 (top most power supply connector).
        This provides +5 and -12 volts DC to the CPU board. These are regulated voltages.

        • A2-P2 pins 1,2 = +5 volts DC (red).
          Note voltage is adjustable via top left pot on power supply board, adjust to 5.10 volts.
        • A2-P3 pin 3 = Key
        • A2-P2 pins 4,5 = Ground (black)
        • A2-P2 pin 6 = -12 volts DC (blue).
          Should be -11.9 to -12.1 volts (yes this is a negative voltage).

        A2-P3/J3 (right edge of power supply board).
        This provides 60/42 and 8/6 volts DC to the score displays. These are all unregulated voltages.

        • A2-P3 pin 1 = 60 volts DC (wht/blue)
        • A2-P3 pin 2 = Key
        • A2-P3 pin 3 = 42 volts DC (wht/org)
        • A2-P3 pin 4 = not used
        • A2-P3 pin 5 = Ground (black)
        • A2-P3 pin 6 = not used
        • A2-P3 pin 7 = +4 volts DC (blue/wht/blk)
        • A2-P3 pin 8 = +8 volts DC (grn/wht/red)

      Unregulated voltages (42/60 volts) can be higher than expected. For example, seeing 48 volts for the 42 volts test point, or 8.6 volts for the 8 volt test point are all Ok. Also 65 volts for the 60 volts is Ok, but there is a trim pot to adjust that voltage too. Regulated voltages like +5 volts should be in the 5.0 to 5.15 volt range (there is a trim pot to adjust the +5 volts). Also the -12 volts should be -11.9 to -12.1 volts.

      Power Supply Test, Step Two:
      If all voltages from 'step one' are present, continue with these steps.

      • Attach the connector from power supply A2-P2 (top most connector) to CPU board A1-J1 (left most connector). All other CPU board and driver board connectors can be disconnected.
      • Power the game on.
      • Check for +5 volts at capacitor C16. Capacitor C16 is the top electrolytic cap next to connector A1-J1. Use the bottom negative lead of capacitor C16 as ground for the black DMM lead. Use the top positive lead of cap C16 for the read DMM lead. This should show 5.0 to 5.1 volts DC.
      • Check for -12 volts at capacitor C17. Capacitor C17 is the bottom electrolytic cap next to connector A1-J1. Use the bottom negative lead of capacitor C17 as ground. Put the positive red DMM lead on the top lead of cap C17. This should show -11.9 to -12.1 volts DC.

      These steps makes sure that the +5 volts and -12 volts are not dragged down by the CPU board, or the connector going from the power supply to the CPU board. If +5 or -12 volts goes down, try adjusting the power supply trim pot. If voltage is below 4.8 volts, this will need to be fixed.

      Power Supply Test, Step Three:
      Continue with these steps.

      • Attach power supply connector A2-P3 (right most connector). This is the score display power connector.
      • Optional: Attach the CPU board connectors A1-J2 and A1-J3. These are the right most CPU board connectors going to the displays.
      • Optional: Attach CPU board connector A1-J6 (bottom edge of CPU board, second connector from the left). This is the slam switch and test switch connector. Note: this step not required if the "slam switch mod" has been performed on the CPU board.
      • Power the game on.
      • Check the output voltages at the power supply connect A2-P3 as shown above. Hopefully the voltages have not changed more than 5% to 15%. If they have, there may be a shorted score display. Turn the game off and remove all display connectors. Power the game back on and check the voltages. Then turn the game off again and re-connect the score display connectors one at a time and check the voltage. This way the problem score display can be easily identified. Note the bottom panel power fuse for the score display

      If 60 volts and/or 42 volts are now missing, first check the four 1N4004 diodes on the power supply board. Using a DMM set to diode function, they should read .4 to .6 volts in one direction, and null voltage in the other. There could also be a shorted score display! Hopefully this is not the case, as a shorted display can easily take out the 7448 chips on the CPU board. Replace the 60 volt fuse in the bottom panel (it may or may not have blown!), and disconnect all but ONE of the score display connectors. Power the game on and check for 42 and 60 volts. Repeat this, adding one score display connector at a time, until the offending score display is found. Warning: only attach connectors with the power OFF.

    +5 Volt Transistor and Heat Related Problems.
    The +5 volt transistor Q1 (PMD12K40 or 2N6059) makes the whole power supply board to get quite warm. This eventually causes the filter capacitors to dry out. A dried out C1 capacitor in +5/-12 volt circuit can cause strange problems and game lockups. Improper filtering of 60 volt display voltage by cap C6 (200 mfd 150 volts) can cause the score displays to flicker or go dim.

    In addition, the Q1 transistor can get so hot that it creates cold solder joints on other power supply components. Sometimes even the 5 volt transistor Q1 can fail. The original PMD12K40 transistor is hard to find, but a common replacement is the 2N6057 or 2N6059. This is a 60 volt, 8 amp NPN darlington. After years, also the trimmer potentiometers begin to fail because of dust, causing overvoltage protection to trip or other problems. The trimmers should be replaced with new ones. Rectifier diodes CR1 and CR2 are underrated too, and it's good to replace those with at least 4A diodes. Note the IC1 power supply part is a UA723CL, which is round metal cased version of the LM723 DIP package.

    Power Supply Connector A2-P1.
    Connector A2-P1 is removed when backbox is taken off. When replacing A2-P1, it is very possible for the connector to attach upside down. There is a 'this side up' sticker, but it may have been lost over time. Pay particular attention to this as an upside down J1 connector will ruin power supply components.

    Power Supply tips and fixes.

    • Make sure that Q1 is electrically isolated from the metal back plate (there is a thin mica insulator for this purpose).
    • If +5 volts measures 2.4 volts, then Q1 (PMD12K40 or 2N6059) is bad.
    • If no +5 volts, check pin 7 of IC1 (UA723CL). This should be 14 to 15 volts (with Q1 removed). In this voltage is not 14 to 15 volts, IC1 is bad.
    • If Q1 gets hot and there is no +5 volts, then SCR101 (S107Y1) is bad.

    CPU Board Over-voltages.
    Both +5V and -12V outputs are equipped with a protection circuit made of thyristors SCR101/SCR201 (S107Y1) and zeners diodes CR101/CR201 (1N4734/1N4743). If the output voltage rises over zener voltages (5.6 and 13 volts), the thyristor energizes and shorts the output, causing the fuse to blow.

    Testing a Bridge Rectifier.
    There are TWO bridge rectifiers used in System1 games, both located on the game's bottom panel. The bridge located closest to the ground plane is for the CPU driven lamps, and converts 6 volts AC to DC. If none of the CPU controlled lamps work, check this bridge first. The other bridge rectifier is for the solenoids.

    To test a bridge rectifier, do this:

    1. Put the DMM on diode setting.
    2. Put the black lead of the DMM on the "+" (positive) terminal of the bridge.
    3. Put the red lead of the DMM on either AC bridge terminal. Between .4 and .6 volts should be seen. Switch the red DMM lead to the other AC bridge terminal, and again .4 to .6 volts should be seen.
    4. Put the red lead of the DMM on the "-" (negative) terminal of the bridge.
    5. Put the black lead of the DMM on either AC bridge terminal. Between .4 and .6 volts should be seen. Switch the black DMM lead to the other AC bridge terminal, and again .4 to .6 volts should be seen.

    Replacing a Bridge Rectifier.
    Gottlieb specified their bridge rectifiers as a VARO VK438 or VL038. These are obsolete types of bridges. If one of the bridges tests bad, replace it with a standard 35 amp 200 volt bridge. (MB3502 or MB3504 bridge with lug leads). The "MB" specifies the type of case the bridge is in. The "35" is number of amps. The "02" means 200 volts, or "04" means 400 volts. Higher values can be used in either amps or volts. But don't go lower on either value.


2c. Battery Replacement/Corrosion (CPU board Reset/Clock Circuits)

    The Gottlieb DataSentry battery mounted on an original System1 CPU board.
    This battery apparently has not leaked (this board was lucky).

    This fix is mandatory. All Gottlieb System1 boards use a recharagable "DataSentry" or AA nicad 3.6 volt battery. When these batteries don't get used regularly, they can leak the alkaline potassium hydroxide and volatile gases that destroy the CPU board components and connectors. Removal of 20+ year old rechargable battery is mandatory!

    New Battery
    To replace the original battery, add a remote three "AA" battery pack and a 1N4004 or 1N5817 diode (banded diode end first connected to the pcb "+" pin, and the non-banded end connected to the positive lead of the battery pack). The diode is used so the recharging circuit doesn't try to charge the AA batteries. Also the game can work with no battery, but it can also exhibit some strange behavior without the battery. So my advice is to have a remote battery holder with AA batteries and a charging block diode.

A remote battery pack with a blocking diode. The red battery pack wire
goes to the "+" pad on the CPU board.

A remote battery pack mounted in a Gottlieb Countdown. The red battery pack wire
goes to the "+" pad on the CPU board.

    After installing the remote battery pack, make sure the battery voltage is getting to the 5101 RAM chip (the 5101 is three chips to the right of the Game PROM, along the top left side of the CPU board). Put the red lead of your DMM on the upper right pin 22 of the 5101 RAM, and the black lead on ground. You should get 4.1 to 4.5 volts DC if the battery pack is doing its job.

    Memory Back-Up Capacitors.
    A decent alternative to batteries is to install a memory back-up capacitor. These capacitors will charge when the game is on, and slowly discharge to keep the memory alive when the game is off. The advantage to these capacitors is they never wear out, and they won't leak corrosive materials. The down side is the game must be on for about one hour every month to maintain their charge (but the amount of charging time and how long the back cap will keep memory is variable from CPU board to CPU board). Also, the game must be on for about about 8 hours continuously to initially charge the capacitor. Frankly I'm not a real big fan of memory caps, as I much prefer a remote mounted AA battery pack (mostly because sometimes my games aren't turned on for months at a time, and the battery pack will keep the memory alive for much longer than a back-up cap.)

    Back-up capacitors are about the size of a stack of nickels, and Jameco (800-831-4242) sells 1 Farad memory caps, part# 142957. Remember CPU board memory "save" duration has to do with the exact memory brand on the CPU board, its age, and its exact manufacturing specs. Some memory chips have different power consumption rates, hence varying results can be seen with memory backup caps. Some CPU boards will maintain their memory for months with a backup cap, and others may only last a week. "Your mileage may vary" is probably a good statement about memory backup capacitors.

    When installing back-up capacitors, the minus and positive leads are often not labeled on the cap. There was only a black line on the cap to designate the negative lead (the CPU board is labeled; the positive hole has a "+" next to it).

    If the installed memory cap doesn't seem to work (and it was installed correctly), check the issolation diode CR26 (1N4148) using the diode function of a DMM. Its job is to make sure the cap/battery doesn't try and power the entire CPU board when the game is off (this would drain the cap/battery quickly).

    Be Sure to Zero Out the Game's Audit Memory.
    After the new battery or memory cap is installed and working, I would highly recommend zeroing out the game's audit memory. If you don't do this and the battery was removed or dead, the CPU memory could have some wacky data which may cause some strange game issues or weird high score.

    To zero out the audit memory, turn the game on, and press the white diagnostic button inside the coin door. This will show "0" in the credit display, and the audit information in all the score displays. To zero out this memory position, press the black push button mounted on the CPU board, and the score displays should all go to "000000". Press the coin door diagnostic button once to advance to the next audit number, and again zero this out using the CPU board push button. Repeat this for audits 0 to 10. Press the coin door diagnostic button again, and then exit the audits by either powering the game off, or by opening the slam switch (or closing a tilt switch). This process will clear the game's audit memory.

    Removing the Old Battery and Fixing Corrosion.
    Here are the battery corrosion repair steps:

    1. Remove the CPU board from the head box.
    2. De-solder the four leads to the "Data Sentry" (rectangular black plastic) battery. Remove the battery and discard.
    3. If any components are damaged by the battery (look for green and/or gray!), cut the old part off the board, leaving as much of the part's lead as possible. Heat the solder pad on the circuit board with a soldering iron, and pull the cut off lead out of the board. If the lead is not coming out easily, add some new solder to the solder pad. This will help distribute the heat. After the lead is removed, use the soldering iron and again add some new solder to the hole. Then use a solder sucker (Soldapulit) and de-solder the hole.
    4. If there is any gray or greening of a part's leads, replace it. If in doubt, replace it.
    5. Check the edge connector fingers (pins) for "green". If the metal pins are green, they will need to be replaced!
    6. After removing the damaged components, sand all green/gray areas of the board with 220 grit sandpaper, including edge connector fingers. Sand until the copper is bright, which will allow solder to stick.
    7. Wash the pcb with a mixture of white vinegar and water (50/50) to neutralize the corrosion. Scrub with a toothbrush. This is very important! If this step is skipped, the corrosion will return.
    8. Rinse the washed board with clean water.
    9. Rinse the board with 99% pure alcohol. This will dissolve and wash away the water. Repeat this step. The alcohol will evaporate quickly.
    10. If sanding the edge connector fingers, heat them with your soldering iron and tin them with solder. Wipe with a cloth while still hot to smooth and remove the excess solder. This can also be done to any traces sanded on the board.
    11. Replace all removed components (except the battery!) Any removed chips should be replaced with a good quality socket.
    12. Check the connectors themselves! If the board has corrosion, the connectors may too! Replace the connector pins if any damage is seen (see the connector section below). They can also be cleaned sometimes with scotchbrite and alcohol. But replacement is the ideal solution.


2d. Ground Problem Fixes
    These fixes are mandatory.

    The Gottlieb Grounding Problem.
    There are multiple problems with ground in System1 games. One problem relates to differences in ground between the CPU board and the Driver board. The other problem relates to differences in ground between the circuit boards and cabinet ground. We address and fix both problems below.

    First there is the problem with ground between *cabinet* ground, and circuit board ground. John Robertson documented this problem back in 1987. There is a single ground connection between the cabinet ground and circuit board ground on the power supply. If this single connection has resistance (which is common on older games), problems occur. This resistance, with the current drawn by the Driver board through the power supply, causes a voltage shift in the power supply's ground line. If the voltage shift get up to .5 volts relative to the cabinet ground, the solenoid driver transistors are no longer biased off, and start to conduct. This can cause playfield coils to "lock on" and burn, damaging the coil and its associated driver transistor. This single problem made many people think Gottlieb games were "unreliable".

    Mandatory Ground Modifications Steps.

    1. Test all the driver board transistors. This only takes a few minutes since the Driver board is already removed. If any test bad, replace them now to prevent future problems. See the Testing Transistor with the Driver board Removed section for info on how to do this. Do NOT skip this step! If the driver board is out of the game, it only take a moment to test all the transistors.

Step 1: An added (red) ground wire from the Power Supply's negative lead of
capacitor C1 to the backbox ground plane.

    1. On the power supply board, solder a 8" piece of wire to the negative lead of capacitor C1 (the main +12/+5 volt filter capacitor). The negative lead is the right side cap lead. There is no need to disassemble the power supply to do this. Note if the original C1 filter cap is still present in the power supply, now is a good time to replace it. Use a new 6800 mfd to 10,000 mfd 20 volts or higher electrolytic capacitor. Again no need to disassemble the power supply to do this; just cut the current cap's leads as close to the old cap as possible, and tie/solder the new cap leads to the old cut cap leads.

      Attach the other end of the wire to a screw holding the metal backbox plane. If using a Rottendog replacement System 1 power supply, skip this step as the Rottendog P.S. already has it's ground connected to the metal tabs bolting the power supply to the metal "L" frame.

Step 2: An added (red) ground wire from the CPU board's negative lead of capacitor C16
(lower lead of the left upper electrolytic) to the backbox ground plane.

    1. On the Gottlieb System1 CPU board, solder a 8" wire to negative lead of capacitor C16 (the bottom lead of the left side upper blue electrolytic capacitor). Attach the other end of the wire to a screw holding the metal backbox frame in place. If using a Niwumpf board, scrape the green solder mask from the large ground trace just below the blue electrolytic capacitor C0 and solder an 8" wire to that trace. Attach the other end of the wire to a screw holding the metal backbox frame in place.

Step 2b: An added (red) ground wire from a Niwumpf board's negative lead of
capacitor C0 to the backbox ground plane.

    1. On the driver board, solder a 8" piece of wire to negative lead (bottom lead) of capacitor C1 on the right side of the driver board. Attach the other end of the wire to a screw holding the metal ground plane to the backbox.

Step 3: An added (red) ground wire from the driver board's negative lead of
capacitor C1 to the backbox ground plane.

    1. Is the system1 game has a sound board, this needs a common ground too, especially if it is the "newer" system1 sound board. On the newer sound board, it creates its own 5 volts from a on-board 7805 voltage regulator (it does not get 5 volts from the power supply). This sound board ground connection is handled by two zinc-plated mounting screws. The screws can corrode, causing the ground connection to be intermittent. This can even cause the sound board regulator output voltage to rise way beyond 12 volts, killing chips on the sound board (in particular the hard to find and custom to this sound board 6530 RIOT chip). To fix this make sure the two ground screws are NEW and free of corosion.

    At this point, the mandatory grounding modifications are done.


2e. Connector Pin Replacement - Mandatory

    Connectors, Battery Corrosion, Vibration & Corrosion.
    Gottlieb System1 pinball games basically use one style of connector between the CPU, Driver and Power supply boards. They are single sided, crimped, .156" Molex card edge connectors. No System1 game should "IDC" (Insulation Displacement) connectors (IDC connectors were introduced with Gottlieb System80 games). If a system1 game does have IDC connectors, someone probably transplanted them to the game.

    These card edge connectors are rated for 25 "cycles" - that is 25 removal-installs. Over the life of a 20+ year old System1 game, certainly this life span has been exceeded. Combine that with battery corrosion problems and vibration from game play, and it's obvious that any Gottlieb System1 game will REQUIRE all the main connectors to be re-pined. If you want your System1 game to work reliably, YOU MUST RE-PIN ALL THE CARD EDGE CONNECTORS.

    If there are battery corrosion problems, these card edge connectors just magnify the problem (and sometimes allow the leaking battery electrolyte to travel thru the connectors to other boards!) If there is any battery corrosion on the circuit board card-edge fingers, this MUST be removed before any other connector work is done. If corrosion is visible on the board, clean the edge fingers by lightly sanding the corrosion with 220 grit sandpaper to remove it, revealing the copper plating. After the corrosion is removed, wash the circuit board in a 50/50 mix of white vinegar and water. Use an old toothbrush to wash the board with the vinegar mix. Then rinse the board with clean water. Finally rinse the board with alcohol, and allow it to air dry.

    If the board's connector fingers were sanded, use a soldering iron and some rosin flux to re-tint the connector fingers with solder. Heat the finger, apply some new solder, then quickly wipe the solder off the finger with a rag. This should leave a "tint" of solder on the copper finger.

This System1 connector housing shows some terminal pins with gray/green corrosion
(especially 4th pin from left). This connector will need to be re-pined.

    Connector/Board Numbering.
    Connectors are numbered in this fashion: the first "A" letter/number combination denotes which board the connector belongs. That is, A1 is the CPU board, A3 is the driver board, etc. After the board designation, the "J" letter/number combination is the actually connector number for that board. So "A1-J3" is board A1's (CPU board) J3 connector (note some Gottlieb documentation does not put a "dash" between the board and connector numbers). Below are a list of "A" numbers (applies to most System1 games):
    • A1 = CPU Control board.
    • A2 = Power supply board.
    • A3 = Driver board.
    • A4 = Score display boards.
    • A5 = Status digit display board (4 digits).
    • A6 = Sound board (where used).

    Here's a summary of the CPU board connectors. The connectors with a "*" next to it are the ones most often damaged by battery corrosion or vibration and need to be replaced most often.

    • A1-J1* (left): +5 volts, -12 volts, ground. CPU board power, 5 pins.
    • A1-J2 (top right): score display segment control.
    • A1-J3 (lower right): score display digits strobes.
    • A1-J4 (bottom right): not used on any system1 game.
    • A1-J5* (bottom center): data/address bus, +5 volt/ground to driver board.
    • A1-J6* (bottom left): switch matrix lines for coin door and slam switch.
    • A1-J7* (bottom far left): switch matrix lines for playfield.

The CPU to Driver board crimped connector.

    Replacing the Connector Pins.
    At this point it is time to replace the terminal pins inside the plastic card edge housings. Since all Gottlieb System1 games originally used crimped-on terminal pins, this job is fairly easy! For example, I can re-pin all the main Gottlieb System1 connectors in about an hour. The original plastic connector housings DO NOT need to be replaced, and can be reused!

    Parts and Tools needed:

    • Molex card edge pin extraction tool, part# 11-03-0003 or 11-03-0016.
    • Hand Crimping Tool: Molex WHT-1921 (part# 11-01-0015), Molex part# 63811-1000, Amp 725, or Radio Shack #64-410.
    • Molex .156" single side connector pins for 18-20 gauge wire, part# 08-52-0072. Get 200 of these.
    • Molex .156" Trifurcon connector pins part# 08-52-0113. Only need a handful of these for the two power supply connectors.

    Connector (terminal) pins will be required. Molex connector pins are somewhat difficult to order, as there are so many different varieties. Note the "chain" variety are not wanted. The chained variety are designed for high-speed installation machines, not single use. Purchase only phosphor-bronze tin plated pins (do not use gold pins).

A Molex terminal pin removal tool, part# 11-03-0016. This inexpensive tool is required.

    The Connector between the CPU and Driver board.
    This single sided connector harness often has corroded pins because the CPU side of the connector is near the battery. If the harness is missing, a new replacement can be purchased from Docent Electronics (937-253-2763).

Docent Electronics power supply to CPU board harness.

Crimp-On Connector Pin Replacement Instructions.

    If one connector pin is compromised, replace ALL the terminal pins in that connector. More information on crimping connectors can be found at marvin3m.com/connect.

  1. Insert the Molex pin removal tool into the slot between the terminal pin and the plastic connector housing (see picture below). The Molex tool will require a good stern push into the connector housing. Now gently pull the wire attaching to the terminal pin, and the pin should come right out of the connector housing.

Molex terminal pin removal tool, releasing a pin.

A terminal pin after removal, and two new .156" terminal pins.

  1. Cut the old terminal pin from the wire. Then strip the insulation from the wire back 1/8". Insert the stripped portion of the wire into the new terminal pin. Note the terminal pin has *two* sections which will be crimped onto the wire. The section closest to the contact point should grip the bare wire. The section furthest from the contact point should grip the wire's insulation.

Inserting the stripped wire into the new terminal pin.

  1. The wire is crimped to the terminal pin in two parts. First crimp the forward most part of the terminal pin to the wire (as shown in the picture below). Then crimp the insulation portion of the wire to the terminal pin. A Molex crimping tool Waldham #WT-1919 is shown below.

Crimping the wire to the new terminal pin.

  1. Repeat this procedure for each terminal pin in the connector housing. Replace each pin one at a time. This should prevent you from mixing up connector pins and where then go in the connector housing.

    Replacement Harness PS to MPU and MPU to Driver board.
    Steve Kulpa stevekulpa@yahoo.com and Docent Electronics docentelectronics.com sell brand new connector harness for the (often missing or damaged) power supply to MPU board connector, and MPU to driver board connector. Contact them for details, but the cost is excellent. They uses tin plated crimped pins, trifurcon for the header connector on the power supply, and 22 awg wire for signals and 18 awg wire for power lines.

Steve's new Gottlieb System1 MPU to Driver board harness.

Docent's new Gottlieb System1 MPU to Driver board harness.


2f. Permanently Defeating the Slam Switch.

    Gottlieb used two slam switches in their pinball games and BOTH must be CLOSED or the game will not function. If you turn the game on and the displays come on IMMEDIATELY with all zeros (no five second delay and no relay "Click-Click"), this usually indicates one of the slam switches are open. If either of the two slam switches are open, the CPU board will *not* boot, and a game can not be started. Remember the normal System1 boot sequence: power-on, score displays dark, after 5 seconds the under playfield relays "click" and the score displays come on. If this 5 second boot-up delay is not seen, this is often because a slam switch is open. Or the CPU board has connector problems, usually due to battery corrosion at the J6 connector, which goes to the slam switches.

    There is one slam switch on inside front door around the lock, and one at the ball roll assembly at the left inside cabinet. Both these must be Normally Closed or the game will turn on the score display instantly with all zeros (no normal 5 second boot-up delay). Also you may see the score displays showing a wave like this "O0O0O0" then "0O0O0O" right to left. Again this shows a slam switch is open.

    Note the Tilt switch and the Slam switch are different! The Tilt switches (like the pendulum tilt, right below the ball roll assembly inside the cabinet) are Normally Open. There is also another weighted tilt switch mounted under the playfield. These tilt switches should be OPEN, where the two Slam switches are CLOSED. This is confusing because, for example, inside the cabinet at the left is the tilt pendulum which is open, and a slam switch on the ball roll right above it is closed.

    Because the slam switches go thru connectors and a lot or wiring to get to the switches, it is best to defeat the slam switches entirely. This can be done on the MPU board: short to ground the junction of R12 and C2 (or just run a jumper around capacitor C2, shorting its two legs).

Permanently defeating the slam switch circuit on the MPU board.



3a. Fixing the CPU board.
    Much of this information thanks to Leon.

    Initial CPU Checking.
    There are a couple things that should be noted right off when trying to fix an original non-working Gottlieb System 1 CPU board. First is there any battery corrosion on the CPU board? If so stop now and fix this by going here. The corrosion needs to be removed, neutralized, and any broken traces and corroded parts repaired and/or replaced. This will especially be an issue around the Z6,Z7 chips (to the right of the battery) and Z8,Z28 chips (to the left of the battery). All bets are off until a corroded CPU board is fixed. After any questionable parts are replaced, be sure to use a DMM set to continuity and check all the related board traces. Even one broken trace can definately make a CPU board not work.

    Second, is there 4.95 to 5.2 volts DC at the CPU board? Best place to check for this is at the C16 capacitor (top most cap next to the the J1 power connector). Is there -12 volts DC at the CPU board? Best place to check for this is at the C17 capacitor (right below the C16 cap) next to the J1 power connector. The machine will absolutely not boot without +5 and -12 volts.

    Assuming the above voltages are correct, next check the score displays. Do they come on right at power-on and "strobe"? If so, there is a problem with the normally closed Slam switch. The CPU board should be modified so the useless Slam switch is not an issue (see here for details on that).

    Last do the score displays come on after the game is powered on for 5 seconds? They should, as this is the normal system1 boot sequence. If they don't, and then the CPU board is indeed "dead". If the CPU board turns on the score displays after 5 seconds of power, that is a good sign that the board is at least trying to boot.

    Also set the CPU board DIP switch as follows:

    • DIP 1-8=off (one coin, one credit).
    • DIP 9=on (three balls per game).
    • DIP 10=on (match feature on).
    • DIP 11=on (replay instead of extra ball).
    • DIP 12=on (tilt kills current ball only).
    • DIP 13=on (show number of credits).
    • DIP 14=on (play a tune when game started).
    • DIP 17,18=on (maximum credits 15).
    • DIP 20=on (chimes/tones when scoring).
    • DIP 21=on (show high score to date).
    • DIP 22=on (award 3 credits when high score beat).
    • DIP 23=on (play a tune when money inserted).
    Having the switches in these positions will make troubleshooting a bit easier and consistent from board to board.

    Booting the CPU board on the Workbench.
    At this point, it's a lot easier to diagnose and fix the CPU on the workbench (instead of in the game). The best way to do this is using a computer power supply. The only voltages needed to boot the CPU board are +5 and -12 volts DC. So any computer power supply that outputs these voltages should work fine. Connect the computer power supply to the J1 (left side) CPU power connector:

    • A1J1 pin 1 (bottom most pin): not used.
    • A1J1 pin 2: -12 volts DC.
    • A1J1 pin 3: ground
    • A1J1 pin 4: ground
    • A1J1 pin 5: +5 volts DC.
    • A1J1 pin 6 (top most pin): +5 volts DC.

    Another perhaps easier way to connect the voltage from the computer power supply to the CPU board is using the C16 (top most) and C17 (below C16) capacitors next to the J1 power connector:

    • C16 top cap, top lead: +5 volts DC
    • C16 bottom lead: ground
    • C17 bottom cap, bottom lead: -12 volts DC

    Now the next problem to overcome are the score displays, or the lack of score displays. Since we can't use score displays on the workbench, we need some way to tell if the CPU board is "booting". When mounted in a game this is easy, as we turn the power on, wait 5 seconds, and then the score display should turn on (indicating a proper boot sequence). But on the workbench we can't do this.

Connecting an LED and a 330 ohm resistor to chip Z16 pin8 (gnd) and pin15.

    Instead we use an LED and a resistor connected to chip Z16 pin 15 (upper right most chip on the CPU board). Just take any LED and connect the flat side of the LED to a 330 ohm 1/4 watt resistor. Then connect the other end of the resistor to ground (Z16 pin 8). Connect the other end of the LED (round side) to chip Z16 pin 15. Now when the CPU board is powered-on, after a 5 second delay, the LED should light up (just like a miniature score display). If we can get our CPU board to light this LED after a 5 second delay, this is our indication that the CPU board is "booting". If this is the case, you can skip down the the Testing the Buffer and Spider Chips below.

    Dead CPU: Next Steps.
    The CPU board is completely dead, with no score display activity after 5 seconds of power-on. Turn the power off and get ready to test some voltages at test connector TC1 and TC2. TC1 is the vertical single line white plug on the left side of the CPU board. TC2 is the vertical white plug in the dead center of the CPU board. On both TC1 and TC2 pin1 is the top most pin.

      Reset Circuit: The reset circuit holds the CPU chip low for a set period of time until the +5 volts can stablize. If the CPU chip is never told to go "high" from the reset circuit, the board will never start to boot.

      Measure TC1 pin 14 and power the CPU on. It should show immediately at power on -12 volts. This will rapidly changie into +5 volts after about half a second. This is the RESET signal. Another place to check the Reset is at chip Z2 pins 7,9. (both should go high to 5 volts after about one second of power-on). If the reset is not working and does not change to +5 volts, it is best to replace the Q5 and Q6 (MPS-A70) in the reset circuitry. If the reset is still not going from -12 to +5 volts, change chip Z2 (4528 CMOS). Still not working, check or replace caps C31 and C32 (.1 mfd, and these do sometimes fail). Note that the "Reset" button on the CPU board has nothing to do with this Reset signal (it is only used to reset bookkeeping values).

Reset components on the CPU board.

      Gottlieb revised the RESET circuitry during System1 production. The new version gives a longer Reset and ensures the CMOS RAM is locked out quickly at power-off. Older boards can be upgraded if desired.
      • R159 Change 2.7meg to 3.9meg ohms
      • R160 Remove.
      • R161 Change 27k to 43k ohms
      • R162 Change 6.8k to 2k ohms
      • R163 Change 27k to 6.8k ohms

      Clock Circuit. The next thing we check are the clock signals. The clock circuit provides the timing the CPU chip needs to execute. This is provided by the CPU board cyrstal and the U1 spider chip.

      Check TC2 pins 11,12 using an o'scope or a logical probe, and there should be pulsing signals. Also check both legs of the cyrstal, and the same pulsing should be seen on both legs. If an o'scope is not available, use a DMM set to DC volts. This should show 2.8 volts at TC2 pin11 and 2.9 volts at TC2 pin12. The top leg of the crystal should show .3 volts, and the bottom leg should show .9 volts. If there are no clock pulses, there is a problem with the Rockwell U1 spider chip, and the story ends here (as the spider chips are no longer available). The only choice is to buy a new NiWumpf or Pascal CPU board. There is a chance the crystal (above the J1 power connector) is bad, but that is unlikely (but it does happen). Crystal Y1 is a 3.579 MHz crystal.

      Address/Data Line Activity. Now that we have a reset and clock circuit, check the address and data lines for activity. This is done at TC1 pins 1-13. Use an o'scope or logic probe looking for pulsing lines. If there's no pulsing, the Rockwell spider chip(s) are bad, and again the story ends here (buy a NiWumpf or Pascal CPU board). If pulsing is seen at TC1 pins 1-13, then it's time to move to the next step.

      Score display LED On?
      At this point the CPU board should be booting on the bench. This can be seen by viewing the LED we added to simulate the score displays coming on. With the Slam switch defeating, there should be a 5 second delay after power-on, and then the added LED should light. If this is the case, we can now move to testing the Spider chips and Buffer chips. If this LED is not coming on, and all the above tests check out good, it's time to buy a NiWumpf or Pascal CPU board.

      Testing the Input/Output Buffer and Spider Chips. In order to check the buffer chips, we will activate the buffer inputs, and see if there is a corresponding response at the buffer outputs. The buffers chips are Z29 (7405) and Z27 (74H21), both right below the DIP switch. Also Z9 (7405) and Z8 (7404), both at the bottom left of the CPU board. Use an alligator clip connected to ground to activate the buffer inputs, which will control the buffer output pins. A logic probe is best for checking the output, but a DMM set to DC volts can be used.

        Ground Z29 pin 1 (input) and check pin 2 (output).
        Ground Z29 pin 5 (input) and check pin 6 (output).
        Ground Z29 pin 11 (input) and check pin 10 (output).
        Ground Z29 pin 9 (input) and check pin 8 (output).
        All outputs should show +5 volts.

        Ground Z27 pin 1 (input) and check pin 2 (output).
        Ground Z27 pin 3 (input) and check pin 4 (output).
        Ground Z27 pin 5 (input) and check pin 6 (output).
        Ground Z27 pin 9 (input) and check pin 8 (output).
        Ground Z27 pin 11 (input) and check pin 10 (output).
        Ground Z27 pin 13 (input) and check pin 12 (output).
        All outputs should show +5 volts.

        Switch Matrix Returns:
        Ground Z9 pin 1 (input) and check pin 2 (output).
        Ground Z9 pin 3 (input) and check pin 4 (output).
        Ground Z9 pin 5 (input) and check pin 6 (output).
        Ground Z9 pin 9 (input) and check pin 8 (output).
        Ground Z9 pin 11 (input) and check pin 10 (output).
        Ground Z9 pin 13 (input) and check pin 12 (output).
        All outputs should show +5 volts.

        Switch Matrix Returns:
        Ground Z28 pin 3 (input) and check pin 4 (output).
        Ground Z28 pin 11 (input) and check pin 10 (output).
        All outputs should show +5 volts.

      If any input is grounded and it's associate output does not respond (by going to +5 volts), the chip is bad.

        Switch Matrix Strobe. Best to use a logic probe for this:
        Z8 pin 1/2 = Strobe0: both pins pulsing.
        Z8 pin 3/4 = Strobe1: both pins pulsing.
        Z8 pin 5/6 = Strobe2: both pins pulsing.
        Z8 pin 9/8 = Strobe3: both pins pulsing.
        Z8 pin 11/10 = Strobe4: both pins pulsing.
        Z8 pin 13/12 = Strobe5: both pins pulsing (not used in any system1 games).

      If the logic probe shows pulsing just on the input side of the Z8 7404 (first pin listed above) and not on the output pin, then the 7404 chip at Z8 is bad. If incorrect activity (no pulsing) is seen on the input side of the Z8 7404 chip, then the U5 spider chip is bad, and the story ends here.

      Now we can test the solenoid buffer chips at Z6 and Z7 (7417). The 7417 chips at Z6 (located just above connector J5) and Z7 (to the right of Z6). The U4 spider chip sends signals to the Z6/Z7 buffers, which then signal the driver board transistors at Q25-Q32 for the CPU controlled coils. With the CPU board power on, attach an alligator clip to +5 volts (the positive/upper lead of capacitor C16 on the CPU board). Then touch the Z6 input pins (one at a time) with +5 volts, and watch the output pin:

        Z6 pin 1 (input) and check pin 2 (output)
        Z6 pin 3 (input) and check pin 4 (output)
        Z6 pin 5 (input) and check pin 6 (output)
        Z6 pin 9 (input) and check pin 8 (output)
        Z6 pin 11 (input) and check pin 10 (output)
        Z6 pin 13 (input) and check pin 12 (output)

        Z7 pin 1 (input) and check pin 2 (output)
        Z7 pin 3 (input) and check pin 4 (output)

      So once the solenoid buffer chips are tested, we need to have some way to test the U4 spider chip (which sends solenoid signals to Z6/Z7). It is impossible to control all the outputs of U4 on the bench, but if we control some of them. If the U4 works for the ones we can control, it will probably be OK for the rest. We can use the machine's "play-a-tune" feature when a coin switch is activated (make sure DIP switch 23 is "on"). If we can simulate a coin switch closure, the U4 spider chip will send signals to the Z6 chip, activating the three chime coils (or sound board triggers). We can see this with a logic probe at the Z6 chip.

      To simulate a coin switch closure, Use a jumper wire and connect one end to chip Z8 pin 4. With the other end momentarily touch Z9 pin 1. This simulates a coin drop by momentarily touching switch matrix strobe1 to return0. Using a logic probe, check the following Z6 solenoid buffer chip pins which the U4 spider chip toggles:

        Z6 pin 5 (ten point chime).
        Z6 pin 9 (hundred point chime).
        Z6 pin 11 (thousand point chime).

      You should see the above pins go high as the coin switch closure is simulated. If any one of the above pins do not go high, the U4 spider chip is bad. Since there is no replacement available for the U4, the CPU board is junk and must be replaced.

    The only thing not tested on the bench is the U6 spider chip and Z16/Z17 7448 chips that control the score displays. This spider rarely fails, and it is very easy to test the displays using the game's built-in diagnostics. So there really is no need to do this on the workbench.

    CPU Considerations (Spider chips, etc).
    The Rockwell PPS-4/1 and PSS-4/2 system was a 4-bit parallel processing system with two CPU "spider" chips that communicate with each other (U1 11660-CF was the main processor, and U2 10696-EE was the second processor). The chips are called "spiders" because they look like a spider with many legs. The spider chips were a wider chip package, almost a square chip. System 1 used six of these custom spider chips labeled U1 to U6: two for the CPU (U1/U2) and one each for the switch matrix (U5 A1752-CF), solenoid control (U4 A1753-CE), and score displays (U6 10788-PA). The last spider chip (U3, also a 10696-EE chip, same as the second CPU processor at U2) was used for lamps and a few switches and left over duties. Both the switch matrix (U5, A1752-CF) and solenoid control (U4, A1753-CE) spider chips have built-in ROM software. Display output was controlled by the U6 spider chip (10788-PA). The switch matrix has eight rows (R0-R7) and five columns (S0-S4), for a total of 40 switches. These are all driver by chips Z8 (strobes/columns, 7404) and Z9/Z28 (rows, 7405).

Two System 1 CPU board spider chips and the game PROM ("C" means Joker Poker).
The added red wire to cap C16 negative lead is part of the ground modifications.
Note the two "spider chips" shown in this picture.

    The solenoid control (U4, A1753-CE) and switch matrix (U5, A1752-CF) spider chips are notorious for failing easily. The solenoid control spider dies from locked on coils due to driver transistor failure. The switch matrix spider dies from coil voltage being shorted to the switch matrix. The two CPU spiders (U1 11660-CF and U2 10696-EE), the display spider (U6, 10788-PA) and the U3 (10696-EE) spider rarely fail. Unfortunately none of the spider chips are available, hence replacement CPU board have been created by Ni-Wumpf and Pascal Janin).

    Here's a summary of the spider chips:

    • U1, 11660-CF (CPU)
    • U2, 10696-EE (CPU)
    • U3, 10696-EE (misc lamps and switches). Same as U2 spider
    • U4, A1753-CC,CE,EE (solenoids, often fails)*
    • U5, A1752-CD,CF,EF (switch matrix, often fails)*
    • U6, 10788-PA (display)

    * Note that spider chips U4 or U5 contain the game operating system ROM, and must be of the same revision. These are the two spiders that fail the most. The revision levels that work together are:

    • U4 A1753-CC works with U5 A1752-CD
    • U4 A1753-CE works with U5 A1752-CF
    • U4 A1753-EE works with U5 A1752-EF

    Socketing Spider Chips.
    If you are lucky enough to find NOS (new old stock) spider chips (or have boards to steal them from), these old spiders need to be removed and the new spider installed. Removing these is standard desoldering. But a new CPU spider chip should probably be socketed on the CPU board.

    To do this, buy some SIP (single inline pin) machine pin sockets, and solder them into the board. This way the spider can be pluged into the SIP sockets. As a note of caution, it's best to "double up" the SIP sockets (as shown in the picture below). This is done for two reasons. First so the spider legs (which are somewhat wide) don't stretch the SIPs soldered into the board. That is, if the spider legs cause problems, they will ruin the easy-to-remove SIPs on the legs, not the SIPs soldered into the CPU board.

    The second reason to "double up" the SIPs is to aid in the installation of the spider chip into the board-mounted SIPs. Aligning all the spider chip pins is tricky. But if extra SIPs are installed on the spider chip first, installation of the spider chip into the board-mounted SIPs is *much* easier.

A socketed Spider chip on a CPU board. Note the use of "doubled up" SIP sockets.
Picture by Scott.


3b. Game ROMs, PROMs, EPROMs and Test PROM.

    The game PROM at Z23 is a 18 pin PROM which contains the game specific rule computer code for the CPU board. This bipolar PROM is not duplicatable in its native form, as blank PROMs are long gone. Also nearly long gone is any sort of PROM programmer that would program a blank (if one could be found). Add to this that the bipolar PROM at Z23 is often bad (it runs very hot, even when working properely), and this becomes a problem for a System1 CPU board.

    Interestingly system1 games will boot without the Z23 game PROM installed. Because the majority of the system code is inside the "spider" chips, the game PROM is not needed to boot a system1 CPU board. Diagnostics/audit can even be run with no Z23 game PROM installed. The game can be coined up. But if a game is started with no Z23 Game PROM installed, the start-up sounds will play, and then the game will lock up.

    Using a 2716 EPROM for the Game PROM at Z23.
    A 24 pin 2716 EPROM can be used instead of the 18 pin bipolar PROM at Z23. But to do this a couple things are needed. First an adaptor board must be purchased or made. Pascal Janin sells an adaptor board. Next the Gottlieb system1 PROM images must be formated for a 2716 EPROM (available here in a ZIP file - updated 10/20/06 as the Buck Rogers code was bad).

    Ni-wumph's main game 27256 EPROM and board manual is available directly from Niwumpf's support web page. The Niwumph EPROM image is also available here and the manaul here for convenience. Schematics for Niwumpf are also available here, here, here.

    Making a 2716 EPROM Adaptor for the Game PROM at Z23.
    The original Gottieb System1 Game PROM is a bipolor PROM with a 1024 x 4 bits size. These are no longer available in programmed or blank format. Even more rare is the type of hardware that does the programming for these obsolete bipolar PROMs.

A system1 PROM to 2716 EPROM adaptor board layout (from Leon Website).

System1 Game PROM to 2716 EPROM adaptor boards.

    To get around this problem, the Pascal Janin and the PinLizard used to sell an adaptor that allowed for a 24 pin 2716 EPROM to plug into the smaller 18 pin bipolar PROM socket on the CPU board. Unfortunately the PinLizard version is no longer sold (but the Pascal Janin version is still available). You can also make your own adaptor using the cross information below. It just requires the data/address lines to be crossed from one socket type to the other, and an added .1 mfd capacitor between +5 volts and ground.

    • PROM pin 1 to EPROM pin 22
    • PROM pin 2 to EPROM pin 2
    • PROM pin 3 to EPROM pin 3
    • PROM pin 4 to EPROM pin 4
    • PROM pin 5 to EPROM pin 5
    • PROM pin 6 to EPROM pin 8
    • PROM pin 7 to EPROM pin 7
    • PROM pin 8 to EPROM pin 6
    • PROM pin 9 to EPROM pin 12,18,19,20 (ground)

    • PROM pin 10 to EPROM pin 13
    • PROM pin 11 to EPROM pin 11
    • PROM pin 12 to EPROM pin 10
    • PROM pin 13 to EPROM pin 9
    • PROM pin 14 to EPROM pin 12,18,19,20 (ground)
    • PROM pin 15 to EPROM pin 23
    • PROM pin 16 to EPROM pin 1
    • PROM pin 17 no connect
    • PROM pin 18 to EPROM pin 21,24 (+5 volts)

    Gottlieb System1 Test PROM "T".
    Because the internal diagnostics are somewhat limited for System1 games, Gottlieb also made a "T" bipolar Test PROM. These are very difficult (if not impossible) to find. But if you have a 2716 EPROM adaptor, you can download the Test PROM code in 2716 format and use the adaptor board.

    Using the System1 Test PROM.
    The Test PROM boots just like any other System1 game (this is because the boot code is actually in the spider chips, not in the Game PROM). The game will seemingly be in "attract mode" too with the "T" PROM installed. Pressing the Test button inside the coin door will yield the same audit/tests just like a game PROM was installed (or nothing was installed) at Z23. The tests are no different. Again this is because the audit/test code resides in the spider chips and not the Game PROM.

    To access the Test PROM start a game (no credits are needed, but you can add credits if you want, and the coin-up tune will play). As soon as a game is started the game start-up sounds will play (10,100,1000 point sounds or chimes coils 3,4,5) and then the outhole (coil1), the knocker (coil2), the outhole (again), and three game specific coils 6,7,8. While this is happening the Game Over relay will pull in for about two seconds and then release. All the coil energizing happens very fast at game start (the only coil that does not pull in is the Tilt relay). Also all 36 of the CPU controlled lights will turn on for about two seconds and then turn off. The CPU lights do this (starting with lamp #01 to lamp #36) in a quick progression.

    At this point the game's playfield switches becomes the Test PROM's input. All game switches (except for the two coin chute and credit button) have a test function. All the CPU controlled lamps should be off. Hitting a playfield switch should toggle a CPU controlled lamp on or off, and/or fire a solenoid. If the game has all 40 switches wired, all 36 CPU controlled lamps can be turned on (assuming the game uses all 36 lamps). You will need the game manual to know how a playfield is wired for this excercise, because you will need to know where each switch number is found on the playfield to determine what it controls. The slam switch or outhole switch will exit the "game" (test) mode and go back to attract mode.

Switch# Action Score Display
Sw #00 (test button) Lamp #01 (Game Over) Pulls in Game Over relay and switches to audit/diag mode.
Sw #01 Coin Chute 1  
Sw #02 Coin Chute 2  
Sw #03 Credit button Start Test/Add a player
Sw #04 (tilt) Lamp #02 (tilt)
Pulls in Tilt relay quickly
Can end the "game" (test) mode.
 
Sw #10 Coil 2 (knocker)
Toggles Game Over relay/lamp
 
Sw #20 Coil 3 (10 pts)
Toggles lamp Q3 (high score)
 
Sw #30 Coil 4 (100 pts)
Toggles lamp Q4 (shoot again)
 
Sw #40 Coil 5 (1000 pts)
Toggles lamp Q5
 
Sw #50 Coil 6
Toggles lamp Q6
 
Sw #60 Coil 7
Toggles lamp Q7
 
Sw #70 Coil 8
Toggles lamp Q8
 
 
Sw #11 Toggles lamp L9 Scores 10 by 1s when L9 lites
Sw #12 Toggles lamp L16  
Sw #13 Toggles lamp L23  
Sw #14 Toggles lamp L30  
 
Sw #21 Toggles lamp L10 Scores 90 by 10s when L10 lites
Sw #22 Toggles lamp L17  
Sw #23 Toggles lamp L24  
Sw #24 Toggles lamp L31  
 
Sw #31 Toggles lamp L11 Scores 900 by 100s when L11 lites
Sw #32 Toggles lamp L18  
Sw #33 Toggles lamp L25  
Sw #34 Toggles lamp L32  
 
Sw #41 Toggles lamp L12 Scores 9000 by 1000s when L12 lites
Sw #42 Toggles lamp L19  
Sw #43 Toggles lamp L26  
Sw #44 Toggles lamp L33  
 
Sw #51 Toggles lamp L13 Scores 90,000 by 10,000s when L13 lites
Sw #52 Toggles lamp L20  
Sw #53 Toggles lamp L27  
Sw #54 Toggles lamp L34  
 
Sw #61 Toggles lamp L14 Scores 900,000 by 100,000s when L14 lites
Sw #62 Toggles lamp L21  
Sw #63 Toggles lamp L28  
Sw #64 Toggles lamp L35  
 
Sw #71 Toggles lamp L15  
Sw #72 Toggles lamp L22  
Sw #73 Toggles lamp L29  
Sw #74 Toggles lamp L36  


3c. Built-in Diagnostics/Bookkeeping

    Inside the coin door there is a large white momentary switch that is known as the "play/test" button. Press this button to access the game audits and test modes. After the button is pressed, it takes about one second and then the audit number "0" will appear in the ball/credit display, signifying the first audit value. The value for the audit will appear in the score displays. As the test button is pressed, the ball/credit display will increment a number 0 to 13 indicating the test/audit number. If any audit number (0-10) needs to be cleared, press the CPU board mounted black "reset" button to clear the audit value. To exit the test mode, either open the Slam switch or close a Tilt switch.

    Note on the high score level replay values. Setting a "zero" at high score level means the level is not in use. But this does not apply to the High Game to Date score level (the zero does not disable this).

    While in audit/diagnostic mode, the Q (game over) relay will be energized. This means the flippers and pop bumpers and slingshots (non-CPU controlled) coils should work while the game is in audits.

The Gottlieb System1 coin door with the diagnostic entry switch.

    Here are the audit/test numbers and what they represent:

    Audits:

    1. Total coins thru coin chute #1.
    2. Total coins thru coin chute #2.
    3. Total plays.
    4. Total replays given.
    5. Number of slam tilts.
    6. Number of extra balls.
    7. Number of tilts.
    8. First replay score value.
    9. Second replay score value.
    10. Third replay score value.
    11. Current High Score to date.

    Diagnostics:

    1. Display test for player #1 and #3 score displays. Increment display values from "000000" to "999999" in player1 and player3 score displays.
    2. Display test for player #2 and #4 score displays. Note the credit display is *not* tested in either test #10 or #11.
    3. Lamp/Coil/Switch test: see below for description.

    Diagnostics.
    After advancing through all the audits (0-10) and the display tests (11/12), diagnostic #13 will engage. After a second, all CPU controlled lights come on for five seconds. That's not much time to find a CPU controlled light that is burnt out! But unfortunately there's no way to keep the #13 diagnostic in lamp mode for any longer than five seconds. And to re-engage the lamp mode will require exiting diagnostics (or power cycling the game), going thru all audit/tests 0 to 12, and then advancing to test #13 (for another five seconds of turned on lamps). This does not make for easy lamp testing.

    Another problem with the lamp test is lamps L3 and L4 (Q3 and Q4). On many System1 games, these two MPS-U45 transistors are used for the High Score to Date and Shoot Again lamps. Hence these two lamps (L3/L4) are tested in the lamp test (on for five seconds upon entering test #13). But on some System1 games Q3 and Q4 are used as pre-drivers to under-playfield mounted 2N5875 transistors. These in turn control a playfield solenoid. If this is the case, these two solenoids will energize for five seconds in the lamp test! Just keep that in mind.

    After the CPU controlled lamps are turned off, each CPU controlled solenoid is energized one at a time. Well not really all of the CPU controlled solenoids. For example, the T (Tilt) relay is not included in this test. Neither is the Q (Game Over) relay, which is already energized during the whole audit/test routine. But all the other ten solenoids (including three sounds/chimes) will be tested ONCE.

    Then the test moves to the switch matrix test. If there are no closed switches, after about 5 seconds the game will exit test #13 and go back to attract mode. If a closed switch is found, it will display in the ball/credit display. If you want to test a switch, do it now! Hurry up though. If no other switches are sensed as closed within a five second window, the game will exit the test mode and go back to attract mode. Also if you hold a switch closed, it takes about *two* seconds before that switch number appears in the ball/credit display! Talk about a slow CPU board.

    Overall the #11,#12,#13 Gottlieb System1 diagnostic tests are pretty lame. Especially compared to comparible Bally and Williams diagnostics of this era (1977-1980). Ideally it would be nice to flash all the CPU controlled playfield light on and off continually until the user wants to proceed. This can not be done with the System1 diagnostics. Also again it would be nice to keep running the coil test over and over, and to keep the game in switch test mode until the user wants to exit. Unfortunately these things can't be done with the stock System1 diagnostics. This makes finding bad CPU controlled lamps, coils, and playfield switches more difficult.

    Another method of testing lamps, coils and score displays is to use a NiWumpf CPU board. The testing routines in the NiWumpf board are *much* better than the stock Gottlieb System1 tests. For example, CPU lights can be continually cycled on and off. Same thing with coils (and the Game Over and Tilt relays are activated too!) And the NiWumpf display test also tests the 4-digit ball/credit display (which the stock Gottlieb test does not). So using the NiWumpf to test a driver board works very well. The NiWumpf switch test operates as it should and is very quick to display a closed switch (but unfortunately this test can not be used on a stock Gottlieb CPU board).

    The Z23 Game PROM and Diagnostics.
    Interestingly, a Gottlieb System1 CPU board does *not* need the game PROM at Z23 to run diagnostics! Because a lot of the system code for all system1 games is inside the "spider" chips, the game PROM is not needed to run diagnostics. The CPU board will boot up fine without the Z23 PROM. Heck you can even try and start a game (the chimes will sound, but then the game will lock up). So if you need to test a System1 CPU board and don't have a Z23 game PROM, no problem. Just boot the game and press the coin door diagnostic test switch. It will go through the audits and diagnostics whether the Z23 PROM is installed or not.

    Gottlieb Test PROM for Z23.
    Gottlieb also made its own Test PROM that installs at Z23 instead of the game PROM. This provides much better testing of a stock Gottlieb System1 CPU board. Unfortunately the original 6351 PROM is not readily available.


3d. Locked-on or Not Working Coils

    Step 0: Coil CPU or Non-CPU Controlled?
    In the case of a non-working or locked-on coil, first figure out if the coil is CPU controlled. Pop bumpers, slingshots and coin door lockout coils are *not* CPU controlled. All other coils are. Next figure out which driver board transistor(s) control the coil in question.

Trans# Position Type Pre-driver CPU Chip Usage
Q25 Far right 2N6043   CPU Z6 pin 3/4
to A1J5 pin 11
Knocker
Q26 2nd from rt. 2N6043   CPU Z6 pin 5/6
to A1J5 pin 10
10 Chime or Sound
Q27 3rd from rt. 2N6043   CPU Z6 pin 9/8
to A1J5 pin 7
100 Chime or Sound
Q28 4th from rt. 2N6043   CPU Z6 pin 11/10
to A1J5 pin 8
1000 Chime or Sound
 
Q32 Center Left 2N6043   CPU Z6 pin 1/2
to A1J5 pin 12
Outhole
Q31 2nd from Cnt Lft. 2N6043   CPU Z6 pin 13/12
to A1J5 pin 9
Solenoid #6 (game specific)
Q30 3rd from Cnt Lft. 2N6043   CPU Z7 pin 1/2
to A1J5 pin 1
Solenoid #7 (game specific)
Q29
Q45
4th from Cnt Lft.
Center Right
MPS-U45
2N3055
Q29
CPU Z7 pin 3/4
to A1J5 pin 2
Solenoid #8 (game specific,
usually for a drop target reset coil.)
 
Q2 Far Left MPS-U45   CPU Z26 pin 3/4
to A1J5 pin 5
to SDB Z1 pin 5/7
Tilt (T) Relay
Q1 2nd from Far Left MPS-U45   CPU Z26 pin 1/2
to A1J5 pin 6
to SDB Z1 pin 4/2
Game Over (Q) Relay
Q3 (L3) 3rd from Far Left MPS-U45   CPU Z26 pin 5/6
to A1J5 pin 4
to SDB Z1 pin 12/10
Pre-driver to an under-the-playfield
mounted 2N5875 (game specific).
Or used for CPU controlled lighting
(L3=High Game to Date).
Q4 (L4) 4th from Far Left MPS-U45   CPU Z26 pin 9/8
to A1J5 pin 3
to SDB Z1 pin 13/15
Pre-driver to an under-the-playfield
mounted 2N5875 (game specific).
Or used for CPU controlled lighting
(L4=Shoot Again).
 
Q5-Q24,
Q33-Q44
Top middle row MPS-A13   Z1-Z9 Used for CPU controlled lighting.
 
none under playfield 2N5875 MPS-U45
(Q3 or Q4)
Z1 SDB Playfield mounted Transistor(s)
(game specific)
 
none         Coin door lockout coil
connected directly to 25 volts.

The Gottlieb System 1 driver board transistor layout.

The Gottlieb System 1 driver board transistor layout.

    Step1: Check for -12 volts at the CPU board.
    If many or all solenoids and CPU controlled lamps are constantly on or solenoids do not work at all, the problem could be missing -12 volts DC at CPU board. Of course without this voltage the game won't "boot" either. But check for -12 volts across CPU board cap C17 (below C16). If it is OK, the problem could be in the CPU board buffers Z6 and Z7 (7417) too (more on that later).

    Step 2: Check the Coil Resistance.
    This is very important. If a coil has a bad coil diode and/or low resistance, any work done to the circuit boards will be ruined when the game is turned back on (if it's a non-CPU controlled coil, the solenoid fuse will immediately blow if the coil is activiated). If any coil measures below 2.5 ohms, replace it. See the Checking Coil Resistance section for more details.

    Step 3: Check the Driver board to Coil Wiring (Connectors).
    This only applies to CPU controlled coils. With the game on and in game mode, use a DMM set to DC volts and check for power at both lugs of the coil in question. Power at only one lug means the coil is open (replace coil or re-attach broken winding). Power at neither lug suspect a bad solenoid fuse or the power "daisy chain" is broken up-stream.

    Now move up to the backbox, and attach one end of an alligator clip jumper wire to ground. Touch the other end of the jumper wire momentarily to the metal tab of the controlling transistor. This should fire the coil. (Note on Q29/Q45 controlling transistor pair, ground only the metal tab of the larger Q45, as grounding the small Q29 will yield nothing). If the coil does not fire, suspect a bad connector on the bottom edge of the driver board (or a broken trace on the driver board). If the coil fires, time to move to the next step and test the transistors and controlling chips, eventually moving all the way back to the CPU board.

    Connectors are a huge problem on System1 games, don't overlook them. The connectors along the bottom edge of the driver board *and* the connector that runs between the driver board and/or CPU board could cause a coil to not work. See the Connector section for more information on how to replace System1 connectors.

The Gottlieb System 1 CPU controlled solenoid arrangement.

Transistor Testing Overview.

    After doing the ground modifications on the Driver board, test all the transistors (which control the playfield lamps and solenoids). It only takes a minute, it's real easy, and it prevents problems after the board is installed.

    NOTE 1: testing transistors with a DMM is only about 95% certain to work. The DMM is testing the transistors at "low load", which is unlike how the transistors will ultimately be used in the game! MPS-U45 transistors are particularly prone to testing good, but not working in the game.

    NOTE 2: Any transistor that tests "bad" should also have its playfield coil tested too as outlined here. If the driver board transistor(s) are replaced, but the playfield coil is burnt and has low resistance, it will immediately blow the freshly replaced driver board transistors.

    Testing System1 Transistors with the Driver Board Removed.

      MPS-A13 transistors (driver board locations Q5-Q24, Q33-Q44). The MPS-A13 transistors are used for CPU controlled playfield lights. These transistors test the same in circuit and out of circuit.
      • Using a DMM (Digital Multi-Meter), put the meter on the "Diode" setting.
      • On the COMPONENT side of the board, put the RED lead of the DMM on the middle trace (the base) of the transistor.
      • Put the black DMM lead on the left transistor lead. This should show about 1.3 (emitter - ground).
      • Put the black DMM lead on the right transistor lead. This should show about .7 (collector).
      • Anything within .1 of these values is good.
      • If getting zero or no reading for a test, that transistor is bad.
      • If a reading of .4 to .6 is seen, good chance that transistor is probably bad too.
      • If in doubt, compare the readings of the transistor in question to the other surrounding transistors of the same type. They should all read about the same value.

      MPS-U45 transistors (driver board locations Q1-Q4, Q29).
      The MPS-U45 is used for the tilt and game-over relays (Q2/Q1), and a pre-driver for the 2N3055 transistor (Q29), and the High Game to Date and Shoot Again backbox lights (Q3/Q4). Sometimes Q3 and/or Q4 are used for pre-drivers to under the playfield mounted 2N5875 transistors. The MPS-U45 transistors test the same in circuit and out of circuit.

      • Using a DMM (Digital Multi-Meter), put the meter on the "Diode" setting.
      • On the COMPONENT side of the board, put the RED lead of the DMM on the middle trace (the base) of the transistor.
      • Put the black DMM lead on the left transistor lead. This should show about 1.3 (emitter - ground).
      • Put the black DMM lead on the right transistor lead. This should show about .7 (collector).
      • Anything within .1 of these values is good.
      • If getting zero or no reading for a test, that transistor is bad.
      • If a reading of .4 to .6 is seen, good chance that transistor is probably bad too.
      • If in doubt, compare the readings of the transistor in question to the other surrounding transistors of the same type. They should all read about the same value.

      2N6043 or SE9300 transistors (driver board locations Q30-Q32, Q25-Q28).
      These are used for the sound/chime coils (Q26-Q28), the knocker (Q25), the outhole kicker (Q32), and two other playfield devices (Q30/Q31). This transistor tests the same in circuit and out of circuit.

      • Set the DMM to the "diode" setting.
      • On the COMPONENT side of the board, Put the black lead on the center lead of the 2N6043 or SE9300 transistor, and the red lead on each leg one at a time. A reading of .4 to .6 for each transistor leg should be seen. Anything else and this transistor is bad.
      • The original 2N6043 or SE9300 transistor can be replaced with a TIP102.

      2N3055 transistors (driver board Q45, large transistors with the huge metal case, pre-driven by Q29). This transistor is usually used for a drop target reset bank or other big coil usuage. This transistor tests the same in circuit and out of circuit.

      • Set the DMM to the "diode" setting.
      • Put the black lead on the metal case (or nut/bolt) of the 2N3055, and the red lead on each leg one at a time. A reading of .4 to .6 should be seen for the top leg, and null reading for the bottom leg should be seen.
      • Now put the red lead on the "base" (top) lead of the transistor. Put the black lead on the bottom leg (emitter), and then the metal case of the transistor (collector). A reading of .4 to .6 should be seen with the black lead on the emitter or collector.
      • Any other readings and this transistor is bad and needs replacing (they are about $1 each at Radio Shack).
      • Remember the 2N3055 is pre-driven by a MPS-U45 at Q29. So if the 2N3055 tests bad, also suspect the pre-driver at Q29.
      • Test the BIG 9.1 ohm 1 watt resistor next to the 2n3055. The resistor should test as 9 or 10 ohms in circuit.

      2N5875/2N5879/2N5883 Playfield Mounted Transistors.
      Note under the playfield mounted transistors are not used in every System1 game.

      • Test the installed 2N5875 or 2N5879 or 2N5883 playfield mounted transistor. Set the DMM to "diode" setting.
      • If an under-playfield mounted transistor, it is best to isolate the 2N5875 from the driver board. This can be done easily by removing the connectors from the driver board to the playfield (or remove the one lead from the transistor that connects to the driver board, see two steps below). If this is not done, the under-PF mounted 2N5875 will not test reliably.
      • Put the red lead on the metal case of the transistor, and put the black lead on each leg one at a time. If the transistor is installed in the game, a reading of .5 for each leg should be seen. If the transistor is not installed, .5 for one leg, and nothing for the other should be seen The values can be from .4 to .6; anything else and the transistor is bad.
      • It's always best to check the wiring on the playfield mounted transistors too. I've seen them mis-installed by previous repair people. With the transistor front facing left, pins right, long part of transistor up, the farthest pin from you (base, white/red/red wire with pull up resistor) is always connected to the driver board. The nearest pin to you (emitter) connects to the NON-banded diode side of the coil. The case (collector) gets the green ground.
      • Important Note: if the pre-driver MPS-U45 transistor on the driver board for the 2N5875 is bad, the 2N5875 could test as bad (even though it is not)! Again if the under-PF 2N5875 is isolated from the driver board, this will not be an issue.
      • Now put the black lead of the DMM on the BASE of the playfield mounted transistor (this is the transistor lead with TWO wires connected). Put the red lead on either the metal transistor case (collector), or the emitter (the other leg). A reading of .4 to .6 should be seen. Change the red lead to the other transistor terminal, and again .4 to .6 should be seen.

      Here's the list of System1 games that use under-playfield-mounted 2N5875 transistors:

      • Joker Poker (one for "K" target bank reset)
      • Roller Disco (one for left target bank reset)
      • Close Encounters (one for roto-target)
      • Countdown (one for blue target reset, one for yellow target reset)
      • Hulk (one for "A" shooter, one for "B" shooter)
      • Torch (one for left blue target reset, one for right green target reset)

An under the playfield 2N5875 transistor.

Schematic on Countdown for its two under-playfield 2N5875 transistors.

    Problems with locked on solenoids? It could be a ground problem!
    (See the manadtory ground modifications listed previously in this
    document). Also, all the playfield grounds are discrete. They go
    to a Molex plug, and then to a central copper grounding strip. If
    one Moxlex pin gets resistance in the plug, this can cause a locked
    on coil! To fix this, tie all the grounds together at the (playfield
    side) connector. Then if one of two Molex pins fail, the path of least
    resistance will be taken, and the coil will not lock on. (Electrical
    tape was wrapped around this mess after this picture was taken)

      74175 chip Test and Q1-Q4 Transistor Test.
      The 74175 chip at Z1 is what controls the transistors for the Game-Over relay, Tilt relay and Q3/Q4 (if used to pre-drive an under-playfield mounted transistor). The rest of the 74175 chips are used for the CPU controlled lamps. These chips can be easily tested with a DMM set to the diode function and the game off. Best to do this with the driver board removed.
      • On the COMPONENT side of the driver board (game off), put the red lead of the DMM on the 74175 ground pin 8 (pin at the lower left of the chip).
      • Probe pins 2-7 (top left is pin 1) and 10-16 (top right is pin 9) with the black DMM lead. A value of .6 to .7 should be seen. Anything else and likely the 74175 chip is bad.
      • Pin 1 (top left) and pin 16 (top right) will show .3 to .4 on the meter when probed with the black DMM lead.

      The 74175 chip at Z1 can also be used to test the driver board transistors at Q1-Q4 (Q1=Game Over relay, Q2=Tilt relay, Q3/Q4=any under-the-playfield mounted transistors). With the game on, attach an alligator clip to +5 volts (the positive/upper lead of capacitor C1 on the driver board). Then touch the Z1 pins 2,7,10,15 with the other end of the alligator clip. This will tell the transistors Q1-Q4 to activate its relay (or coil or lamp). This is a good test to run if you are unsure if one of the Q1-Q4 transistors is really good. This test of course assumes that the coil/relay being driven is not locked-on.

      7417 chip Test (CPU board locations Z6,Z7).
      The 7417 chips at Z6 (located just above connector J5) and Z7 (to the right of Z6) can also be used to test the connection from the CPU board to the driver board, and to test the transistors at Q25-Q32 (all the CPU controlled coils).

      With the game on, attach an alligator clip to +5 volts (the positive/upper lead of capacitor C16 on the CPU board). Then touch the Z6 pins 1-6 and pins 8-13 (note pin 7=gnd and pin 14=+5). Each pair of pins (for example Z6 pins 1,2) should fire its associated coil when attached to +5 volts. The same thing can be repeated for Z7 pins 1-4 (only). Refer to the above chart to see which Z6/Z7 pins control which driver board transistor/coil. If only one of the two pairs of pins activates the coil, the Z6 or Z7 chip is bad. If neither pin activates a coil, check the CPU to driver board connector and the driver board transistor.

      This test will tell the transistors Q25-Q32 to activate its coil. This test of course assumes that the coil being driven is not locked-on. If this test passes, yet a coil still does not work, then the problem is most likely the U4 spider chip (which sends the signal to Z6/Z7 to fire a coil). Unfortuantely the U4 spider chip is not available, and the CPU board must be replaced with a NiWumpf or Pascal CPU board.

    Can a CPU board Problem cause a Non-Working Coil?
    Yes! Though not as common of a problem as a driver board issue, there is a spider chip U4 (A1753-CE) which can go bad and not make a coil work or make the coil lock-on. If this is the case, sorry but there is no replacement available for this U4 chip. The only choice is to buy a new NiWumpf of Pascal CPU board. If using a NiWumpf board there are also 7406 or 7416 Hex Inverter/buffer chip at U12 and U13 which can fail making a coil not work properly. On these chips check the input signal to the chip, and then the output signal. They should be opposite of each other (it's an inverter).

The Gottlieb System1 *NON* cpu-controlled coil arrangement.

    Non-CPU Controlled Coils.
    The Gottlieb System1 games also have several non-CPU controlled coils. These include the slingshot kickers and the pop bumpers. They are wired very similar to EM games, where the ball closes a playfield switch, which in turn connects powers the pop bumper or slingshot. There is a secondary switch which closes when the coil energizes that tells the CPU board to score points for the device. Note this is similar to what Gottlieb did on System80 slingshots, but dis-similar to system80 pop bumpers (which used an electronic pop bumper board to "one shot" the pop bumper coils).

    If a System1 pop bumper or slingshot "locks on" and stays energized, the reason for this is very simple; the playfield switch which controls the device is stuck closed. If the device does not work at all, start a game and check for power at both lugs of the coil in question. No power at either lug, check the solenoid fuse. Power at one lug and the coil is bad. No power at either lug check the T (Tilt) relay Normally Closed switch and the Q (Game Over) relay Normally Open switch.

    Earlier Solenoid Driver Boards on Cleopatra, Sinbad, Joker Poker.
    The first System1 revision of the Driver board as used on Cleopatra, Sinbad, and early Joker Poker games were missing driver transistor isolation diodes. These seven 1N4004 diodes were added to the Driver board during the production run of Joker Poker. If these diodes are not present, and a coil or driver transistor shorts, this can cause serious damage to the CPU board, allowing 24 volts coil power to back-feed to the CPU board.

    Because of this, it is a good idea to check which driver board is installed in your game. Even if you have a later System1 game, check for these diodes (as the driver board could have been swapped at some point).

Added diodes CR2-CR5 and CR1,CR6,CR7.

    The diodes are easy to spot. At the top edge of the Driver board just to the right of the A3J1 connector (going to the CPU board), there should be four diodes (CR2-CR5). There are also three more diodes (CR1,CR6,CR7) installed below Q32 and Q30 just above connector A3J4. If these diodes are not there, you have an earlier Driver board.

Factory added diodes on the Driver board componet. Early driver boards will
be missing these seven diodes.

    If your Driver board does not have these diodes, it's a good idea to add the seven 1N4004 diodes for transistors Q25-Q28 and Q30-Q32. This can be done a couple of ways. Below are two pictures (thanks to J.Robertson) showing the modification.

Added diodes on the Driver board componet side for Q28-Q25.

Or added diodes on the Driver board solder side for Q25-Q28.


3e. Locked-on or Not Working CPU Controlled Feature Lamps

    Semi-CPU Controlled Lamps.
    There are two backbox lamps that are what I call "Semi-CPU controlled". That is the Game-Over lamp and the Tilt lamps. Both of these lamps run on 6.3 volts AC (the General Illumination power), but they are not GI lamps.

    The 6.3 volts AC power for the Tilt lamp goes through a Normally Open switch on the Tilt relay. The Tilt relay is then controlled by the CPU board. If during game mode the machine is tilted, the Tilt relay energizes and stays energized until the current ball drains. While the Tilt relay is energized, this closes the switch to the Tilt lamp, turning the Tilt lamp on. Hence the semi-CPU control of the Tilt lamp.

    The Game-Over lamp works in a similar manner. The 6.3 volts AC for the Game-Over lamp goes through a Normally Closed switch on the Game-Over relay. The Game-Over relay is controlled by the CPU board. When a game is started, the Game-Over relay energizes for the duration of the game (enabling power to the flippers, etc.) This opens the Game-Over lamp switch, turning the Game-Over lamp off while a game is played. Hence the semi-CPU control of the Game-Over lamp.

    CPU Controlled Lamps' Power.
    Power for the CPU controlled lamps is provided by a bridge rectifier mounted in the bottom cabinet. This gives 8 volts DC daisy-chained to all the lamps. If none of the CPU controlled lamps are working, chances are good there is no 8 volts DC for the lamps. With the game on, use a DMM set to DC volts and 6 to 8 volts DC should be seen at all the CPU controlled lamp sockets. Power should be seen at both lamp socket lugs (if power is only seen at one lug, the bulb is bad!)

The Gottlieb System 1 CPU controlled light arrangement.

    Also keep in mind that the power for all the CPU controlled lamps goes through a Normally Closed switch on the T (Tilt) relay. If the Tilt relay is energized (because the player tilted during game play), there will be no CPU controlled lights. If the switch activator plate on the Tilt relay is knocked off the relay's frame, this can cause the Normally Closed CPU lamp power switch to open, meaning no power for the CPU lights. Also if the driver board Q2 transistor is shorted, this would keep the Tilt relay permanently energized meaning no CPU controlled lights.

    If there is no power at the CPU controlled lamp sockets, check the 8 volt fuse in the bottom cabinet (5 amp slow-blow). If the fuse is good, also check the bridge rectifier closest to the copper ground strap. It is common for this bridge to go open or short (if shorted its fuse will blow immediately at power-on). If the bridge is suspected as bad, replace it with a new MB3502 or MB3504 lugged 35 amp 200 (or 400) volt bridge rectifier. If all the CPU controlled lamps are dim, the bridge is weak and should be replaced with a new lug-lead 35 amp 200 volt (3502) bridge.

    A suspect bridge can be tested. Use a DMM set to diode function and test the bridge:

    • Put the DMM on diode setting.
    • Put the black lead of the DMM on the "+" (positive) terminal of the bridge.
    • Put the red lead of the DMM on either AC bridge terminal. Between .4 and .6 volts should be seen. Switch the red DMM lead to the other AC bridge terminal, and again .4 to .6 volts should be seen.
    • Put the red lead of the DMM on the "-" (negative) terminal of the bridge.
    • Put the black lead of the DMM on either AC bridge terminal. Between .4 and .6 volts should be seen. Switch the black DMM lead to the other AC bridge terminal, and again .4 to .6 volts should be seen.

    The Driver Board and CPU Controlled Lamps.
    Now that the power to the lamps is established as good, we can move to the driver board. Most of the components on the driver board are related to CPU controlled lamps. The nine 74175 chips (Z1-Z9) and transistors Q3,Q4 (MPS-U45) and Q5-Q24/Q33-Q44 (L5-L36, MPS-A13) control a total of 36 lamps (or 34 lamps and two solenoids). The lamps are controlled in groups of four with a 74175 chip driving four transistors. The MPS-A13 can drive a single lamp, where the MPS-U45 can drive two lamps. In addition the MPU-U45 can be used as a pre-driver for an under-playfield mounted 2N5875 transistor. But since there are only two MPS-U45 transistors available (Q3,Q4) on the driver board, there can only be two under-playfield mounted driver transistors. See the Locked-on Coils section for more details about that.

    A single wire goes from each CPU controlled lamp socket back to the driver board, connecting to its related transistor. The driver transistor (MPS-A13 or MPS-U45) switches ground on through the 74175 chip to illuminate its respective lamp. Hence if any of these single wires are manually grounded with the game on, its respective lamp should light. This can be done easily by using an alligator test lead with one end connected to to copper ground strip on the game's bottom panel or any metal cabinet frame piece in the backbox. Then touch the other end of the test lead to the right-most leg of a MPS-U45 or MPS-A13 transistor (as facing the driver board installed in the backbox). This tests the connection from the driving transistor to the lamp socket (it does not however test the transistor). If the lamp does not light when grounding the transistor leg (and the bulb/socket are good), suspect a bad driver board connector or broken wire (or a bad bulb or light socket). Often lightly sanding the driver board's connector "fingers" can fix a non-working lamp. Or the connector pins may need to be replaced (very common).

    Note a good number of non-working lamp problems are related to connectors. If the .156" single sided Molex connectors at the driver board are in poor condition, this of course will mean a lamp will not work. Before attempting driver board repair, check all card edge connectors attaching to the driver board, and re-pin the connectors as needed. See the Connector section of this document for help with that.

    If grounding the right leg of any MPS-A13 transistor does light a CPU controlled lamp, but the lamp refused to workin in diagnostic or game mode, next test the transistor in question.

The Gottlieb System 1 driver board transistor layout.

    Testing the Driver Board Transistors and Chips.
    Each lamp is driven by a 74175 chip and a MPS-A13 or MPS-U45 transistor on the driver board. If a 74175 chip totally fails, it causes four lamps to stop working, and those lamps can either stay always on or off (depending on how the 74175 failed). If a driver transistor fails (which happens far more often than a failed chip), it affects only one lamp. A brightly lit lamp is a sign of a failed driver transistor. A non-working lamp is also a sign of a failed driver transistor (assuming the transistor leg grounding trick does light the lamp). Note the MPS-A13 transistors damage easily if the 8 volts driving the lamp gets shorted directly to its grounding wire with no load (no bulb), usually by a bad lamp or bad lamp socket.

    MPS-A13 Transistor Test (driver board locations Q5-Q24, Q33-Q44).
    For a non-working lamp (that has a good bulb/socket and connector), test the MPU-A13 driving transistor first. The MPS-A13 transistors are used for CPU controlled playfield lights. These transistors test the same in circuit and out of circuit. Best to do this with the driver board removed.

    • Using a DMM (Digital Multi-Meter), put the meter on the "Diode" setting.
    • On the COMPONENT side of the board, put the RED lead of the DMM on the middle trace (the base) of the transistor.
    • Put the black DMM lead on the left transistor lead. This should show about 1.3 (emitter - ground).
    • Put the black DMM lead on the right transistor lead. This should show about .7 (collector).
    • Anything within .1 of these values is good.
    • If getting zero or no reading for a test, that transistor is bad.
    • If a reading of .4 to .6 is seen, good chance that transistor is probably bad too.
    • If in doubt, compare the readings of the transistor in question to the other surrounding transistors of the same type. They should all read about the same value.

    MPS-U45 Transistor Test (driver board locations Q1-Q4, Q29).
    The MPS-U45 is used for the tilt and game-over relays (Q2/Q1), and a pre-driver for the 2N3055 transistor (Q29), and the High Game to Date and Shoot Again backbox lights (Q3/Q4). Sometimes Q3 and/or Q4 are used for pre-drivers to under the playfield mounted 2N5875 transistors. The MPS-U45 transistors test the same in circuit and out of circuit. Best to do this test with the driver board removed.

    • Using a DMM (Digital Multi-Meter), put the meter on the "Diode" setting.
    • On the COMPONENT side of the board, put the RED lead of the DMM on the middle trace (the base) of the transistor.
    • Put the black DMM lead on the left transistor lead. This should show about 1.3 (emitter - ground).
    • Put the black DMM lead on the right transistor lead. This should show about .7 (collector).
    • Anything within .1 of these values is good.
    • If getting zero or no reading for a test, that transistor is bad.
    • If a reading of .4 to .6 is seen, good chance that transistor is probably bad too.
    • If in doubt, compare the readings of the transistor in question to the other surrounding transistors of the same type. They should all read about the same value.

    74175 Chip Test (driver board locations Z1-Z9).
    The 74175 chips is what controls the lamp (and solenoid) transistors. The 74175 chips can be easily tested with a DMM set to the diode function. Best to do this with the driver board removed.

    • On the COMPONENT side of the driver board (game off), put the red lead of the DMM on the 74175 ground pin 8 (pin at the lower left of the chip).
    • Probe pins 2-7 (top left is pin 1) and 10-16 (top right is pin 9) with the black DMM lead. A value of .6 to .7 should be seen. Anything else and likely the 74175 chip is bad.
    • Pin 1 (top left) and pin 9 (top right) will show .3 to .4 on the meter when probed with the black DMM lead.

    How do I know which Transistor Controls Which Lamp?
    If the schematics are not available, the easiest way to do this is by lamp socket wire color. For a failed lamp, look at the wire color that connects to its lamp socket, and make a note of it.

    With the game powered off, go to the driver board and examine the connectors along the bottom edge of the driver board. Find the wire color in question and make note of the connector and pin. Using a DMM set to continuity, put one lead of the DMM on the pin with the correct wire color. Then probe the RIGHT leg of each transistors on the driver board. When a continuity buzz is heard, the transistor controlling the lamp in question has been found.

    To double check you have found the correct transistor, power the game on. Now use an alligator test lead and connect one end to ground. Momentarily touch the other end of the alligator test lead to the RIGHT leg of the transistor. The CPU controlled lamp should light.


3f. Switches and the Switch Matrix

    The System1 switch matrix consists of five strobe lines (Strobe0 to Strobe4) and eight return lines (Return0 to Return7). This makes for a total of 5x8 or 40 switches in any System1 game. The switches are numbers as such: 00-04, 10-14, 20-24, 30-34, 40-44, 50-54, 60-64, 70-74.

    The first five switches (return line #0, switch numbers 00 to 04) are consistent in all system1 games:

    • 00 = test/play button
    • 01 = coin chute #1
    • 02 = coin chute #2
    • 03 = credit (start) button
    • 04 = tilt

    Two Switches Outside the Switch Matrix - Slam & Outhole.
    There are two additional switches that are consistent on every System1 game, and that are outside of the switch matrix. This is the slam switch (CPU A1J6 pin 2) and the Outhole switch (CPU A1J7 pin 1). Both these switches are activated by touching them to ground. In the case of the Slam switch, it should be permanently tied to ground or the game won't play or boot - the score displays will just "strobe" very fast immediately upon power on (no five second bootup delay). If the Slam switch is opened (disconnected from ground) during attact mode or game play, again the score displays will "strobe" very fast and the game will lock up until the slam switch is closed.

    On the Ni-Wumpf board, there is no slam switch (it was completely removed from the circuit because of the problems it causes with stock Gottlieb System1 CPU boards). Also the Outhole switch is shown on the Ni-Wumpf switch test as switch number 15 (which is clearly outside of the 10-14 return1 row of switches). On the Gottlieb System1 switch test the outhole switch is shown as switch number 12 (which is clearly is not, but that's how the test shows it).

    A Common Switch Matrix Problem.
    Because system1 games do not have a free-play setting, users often press the coin switches inside the coin door with their fingers to add credits. This is fine, but while doing this often the user will move the "lock-out wire" so it touches one of the coin switch blades. This will short that return/strobe switch matrix line to ground, making the game freak-out. Usually a game won't start, or there will be some other strange game behavior. The game may not even boot, or may act like it is always tilted or slam tilted.

Coindoor lock-out wire shorting against a coin switch.
Picture by J.Robertson.

    So first thing before doing any switch matrix board work, check the two coin switches and make sure the lock-out wire is not touching the metal coin switch blades. Insulating "fish paper" is used by the factory to help prevent this problem.

    CPU Board Switch Matrix Plugs.
    There are two plugs responsible for the switch matrix on the CPU board. They are both directly below the battery, so often these two plugs need to be re-pinned (due to battery corrosion) for the game to work properely.

      Plug A1J6.
      This plug is used for the all important Slam switch and the coin, credit, tilt, and test switches.
      • J6 pin 1 (grn/yel) - ground
      • J6 pin 2 (org/blk/blk) - slam switch
      • J6 pin 3 (blk/blu/blu) - return 0
      • J6 pin 4 (blk/red/red) - strobe 1
      • J6 pin 5 (blk/org/org) - strobe 2
      • J6 pin 6 (blk/yel/yel) - strobe 3
      • J6 pin 7 - not used
      • J6 pin 8 (blk/brn/brn) - strobe 0
      • J6 pin 9 - not used

      Plug A1J7.
      This plug is used for the playfield's entire switch matrix.

      • J7 pin 1 (gry/org/org) - outhole switch
      • J7 pin 2 (blk/brn/brn) - strobe 0
      • J7 pin 3 (blk/red/red) - strobe 1
      • J7 pin 4 (blk/org/org) - strobe 2
      • J7 pin 5 - not used
      • J7 pin 6 (blk/grn/grn) - strobe 4
      • J7 pin 7 (blk/yel/yel) - strobe 3
      • J7 pin 8 (grn/yel) - ground
      • J7 pin 9 - not used
      • J7 pin 10 (org/blu/blu) - return 7
      • J7 pin 11 (brn/blu/blu) - return 6
      • J7 pin 12 (blk/blu/blu) - return 0
      • J7 pin 13 (brn/blk/blk) - return 1
      • J7 pin 14 (brn/red/red) - return 2
      • J7 pin 15 (brn/grn/grn) - return 5
      • J7 pin 16 (brn/yel/yel) - return 4
      • J7 pin 17 (brn/org/org) - return 3

    Shorting GI or Solenoid Voltage to the Switch Matrix.
    One very big problem with Gottlieb system1 games is if somehow the soleniod voltage (24 volts DC) or General Illumination voltage (6.3 volts AC) is shorted to the switch matrix. This can happen is someone is poking around inside a powered-on game with a screwdriver. Or it could happen because of a mis-installed coil, or even a switch wire breaks and somehow shorts to coil or GI voltage.

    If any of these scenerios happen, a couple things can happen. Almost certainly the 7404 chip at Z8 (the strobe0-strobe4 buffer chip) can fail. Also the 7405 chip at Z9 (return0-return5 buffer) and Z28 (return6-return7 buffer) can also fail. This is not a huge deal as these chips are readily available. But behind the 7404/7405 chips is the irreplacable U5 (A1752CX) spider chip. If this chip fails, the CPU board is junk and can not be fixed, because this spider chip is no longer available and impossible to find.

    J.Robertson is currently testing a modification to the CPU board to to prevent the over voltage getting to the irreplaceable U5 spider. He has added clamping 1N4004 diodes to the circuit. These can be placed across the resistors R65-R72 with the band of the diode soldered to the +5VDC end of the resistor, and the non-band end to the other side of the resistor. Then on resistors R57-R62, connect the non-banded end of the diodes to the junction of the resistor and the trace leading to the IC, and the banded end to a convenient +5 volt point.

J.Robertson's System1 CPU modification to protect the U5 spider chip from over-voltage.

    The idea is that there are a pair of 1N4005 diodes on each strobe and return line. This should prevent the return/strobe lines from going above +5 volts, thus protect the U5 spider chip from the 24 volt DC solenoid bus or the 6.3 volt AC GI power.

    Switch Matrix Problems.
    If the switch matrix is not working correctly, the best approach is to use a logic probe to check the return and strobe lines. First with the game off, defeat the Slam switch right on the CPU board (if you have not done that already). Then turn the game on and let it boot. Now remove CPU switch connectors J6 and J7. Now take a logic probe and check the following chip pin number for the appropriate activity. Note the first pin number listed below connects to the U5 spider chip, and the second pin number goes to the board connector.

    Z8 - 7404 (switch Strobes):
    This is the chip that fails most often (more so than the return line chips).

    • Z8 pin 1/2 = Strobe0: both pins pulsing.
    • Z8 pin 3/4 = Strobe1: both pins pulsing.
    • Z8 pin 5/6 = Strobe2: both pins pulsing.
    • Z8 pin 9/8 = Strobe3: both pins pulsing.
    • Z8 pin 11/10 = Strobe4: both pins pulsing.
    • Z8 pin 13/12 = Strobe5: both pins pulsing (not used in any system1 games).

    If the logic probe shows pulsing just on the input side of the 7404 (first pin listed above) and not on the output pin, then the 7404 chip at Z8 is bad. If incorrect activity (no pulsing) is seen on the input side of the 7404 chip, then the U5 spider chip is bad.

    Z9/Z28 - 7405 (switch Returns):

    • Z9 pin 2/1 = Return0: both pins high.
    • Z9 pin 4/3 = Return1: both pins high.
    • Z9 pin 6/5 = Return2: both pins high.
    • Z9 pin 8/9 = Return3: both pins high.
    • Z9 pin 10/11 = Return4: both pins high.
    • Z9 pin 12/13 = Return5: both pins high.

    • Z28 pin 4/3 = Return6: both pins high.
    • Z28 pin 10/11 = Return7: both pins high.


3g. Score Display Problems and Fixes

    Warning! Do not remove or attach CPU connectors J2 and J3 (the score display connectors) with the game power on. Do not remove a score display with the game power on. Doing either of these with the power on will likely damage the CPU board score display driver chips, usually Z16-Z17 (digit control) and/or Z13-Z15 (ones control) and/or Z18-Z21 (digit selection). Sometimes the score display's UDN6116 chip blows too.

    Introduction and What Controls What.
    Gottlieb System1 (and System80) blue displays are made by Futaba, and are a low-voltage (60 volt) score display. Yea I know 60 volts doesn't sound that low, but compared to the orange 100 volt plasma displays used by Williams and Bally, the Futaba displays are low voltage. Because the Futabas are low voltage, they tend to last a lot longer than the high voltage plasma displays.

    The displays are controlled by CPU spider chip U6 and a few TTL chips. The 7-segment decoders Z16,Z17 (7448) control the digits for the displays. If the displayed numbers look strange then one of these chips is probably bad. Chip Z16 controls player 1/2 displays and the credit/ball display, while Z17 handles player 3/4 displays.

    There is also a circuit that makes number "1" to be shown with an extra eighth segment in the middle of the digit instead of the usual two right side segments. This is done with chips Z13/Z14/Z15 on the CPU board. Suspect those if there are problems in showing number "1".

    The displays are multiplexed, meaning one digit is display at a time. This digit selection signals come from CPU chips Z18-Z21.

    Finally there is a UDN6116 chip on the display board itself that controls the digits on the score display.

    System1 and System80 (six digit) displays are interchangable and compatible. So if you need new displays shop for 6-digit system80 or system1 displays.

The Gottlieb System 1 CPU controlled light arrangement.

The 6-digit Futaba score display and 4-digit credit/ball display.

    Recharging System1/System80 Score Displays.
    The six digit blue Futaba score displays used on System1 and System80 games are identical and interchangable. But often the displays will fade over time, eventually not working at all. There may not be any problems with the display circuits themselves, but instead there may be oxidation on the display glass filiment wires. There is a trick to burn this oxidation off the filiment wires, making the displays work like brand new (there is a limited number of times you can do this though, the law of diminishing returns does apply).

System1 or sys80 six digit score display being "recharged" with 24 volts DC.

    First turn the game off and remove one of the 6-digit score displays. Then take a pair of jumper wires, and connect them to the front door coin lock-out coil lugs (24 volts DC). Next attach the aligator clips to the outside most pins of the score display (it does not matter which gets ground). Now turn the game on for 3 to 5 seconds, then immediately turn the game off. While the game is on, the thin horizontal filiment wires in the score display glass will glow. This burns the oxidation off the filiment wires.

    WARNING: Do not leave the power to the display for more than 5 seconds, or you could burn a filiment wire ruining the display! Also do not use coil voltage to recharge the 4-digit ball/credit display. If you need to recharge a 4-digit ball/credit display, use 8 to 12 volts DC instead. I have even heard of some people using a 9 volt battery to do this.


3h. DIP switch settings.

    There are three banks of eight DIP switches on the CPU board. They are used to set game pricing and other game parameters. These switches are consistent for all system1 games.

    The first eight switches control play pricing. There are four switches for each coin slot, so that the switches 1-4 control left side and switches 5-8 the right side coin slot. The other two DIP switch banks control game options.

    My suggestion is to set the CPU board DIP switch as follows to make repairing the game easier. After you have the game working, set the switches as desired.

    • DIP 1-8=all off (one coin, one credit). Another common setting is to make switches 1=on (and sw 2-8=off) for 1 coin 9 credits.
    • DIP 9=on (three balls/game, off=5 balls/game).
    • DIP 10=on (match feature on).
    • DIP 11=on (replay instead of extra ball, off=extra ball).
    • DIP 12=on (tilt kills current ball only, off=tilt kills game).
    • DIP 13=on (show number of credits).
    • DIP 14=on (play a tune when game started).
    • DIP 15,16 not used.
    • DIP 17,18=on (maximum credits 15).
    • DIP 19=on (make coin chute 1 & 2 the same coin value, important to be "on" if using the 1 coin 9 credit option).
    • DIP 20=on (chimes/tones when scoring).
    • DIP 21=on (show high score to date).
    • DIP 22=on (award 3 credits when high score beat).
    • DIP 23=on (play a tune when money inserted).
    • DIP 24 not used.

    Having the switches in these positions will make troubleshooting a bit easier and consistent from board to board.


3i. Backbox & Playfield General Illumination.

    Unlike most other pinball makers, general illumination lights (non-CPU controlled) are not a big problem in Gottlieb System1 games.

The Gottlieb System1 T (Tilt) and Q (Game Over) relays.

    If the backbox or playfield illumination is always off, or course first check the fuses on cabinet bottom board. The playfield lights are controlled by the T (tilt) relay, mounted on playfield underside. This relay should not be energized when the game is in "game over" mode. This relay only pulls in when game is tilted during game play. There's one set of Normally Closed contact points to turn off playfield lights in Tilt mode, and another pair to disable flippers, bumpers and slingshots.

    The other relay Q is the Game Over relay. It pulls in during game play and bookkeeping. It enables power to the playfield solenoids and flipper. The backbox "Game Over" and "Match" lights are also controlled by the Q relay. The third NC switch on this relay is a bit of a mystery - it disconnects the tilts switches in game over. Don't know why, maybe just a quick fix for a software problem? Or a trick to prevent players testing the sensitivity of tilt before starting a game? (more likely.)


3j. Sound board problems.

    System1 Sounds.
    In the three first System1 games there was a three tone chime unit, as used in Gottlieb's EM games. With Close Encounters this changed to a simple tone generator sound board, which still used the same three driver board transistors to generate sound. This sounds board was located in the lower cabinet right next to the knocker (where the chime box was previously mounted).

The Gottlieb System1 first generation 3-tone sound board (Close Encounters).

The Gottlieb System1 first generation 3-tone sound board (Close Encounters).

    Sound improvement came with Totem, when a microprocessor controlled sound board replaced the earlier 3-tone sound board. Both the chime box or the sound boards were located in the same place, in the right side of lower cabinet. The new sound board as used on Totem and later games (multi-mode sound), though having more sound bites, was not really a big sound improvement for the System1. It had a switch that changed the sound format, much like Williams did. It also used a now unavailable Rockwell chip R3272-12. It still used the same three drivers transistors from the driver board, but not in unison (as Williams and Bally did to control more than three different tones). Instead Gottlieb's MPU controlled sound board randomly picked the different sounds to play. This caused some player confusion, because a 10 point switch could have any number of different sounds.

The Gottlieb System1 second generation sound board.

    Gen2 Sound board Ground Problems.
    The +5 volts for the second generation sound board comes from an onboard 7805 regulator (center top of board) on games Totem and later. The ground connection is from two zinc plated mounting screws. These screws can corrode, causing the ground connection to be intermittent. Worse, the regulator output voltage can rise to +12 volts because of this bad ground. This can of course ruin the logic chips, and often the 6530 RIOT chip. The 6530 RIOT (RAM, input, output, timing) chip is no longer available and very hard and to find and expensive. And since the 6530 contains masked ROM code, it is unique for this board.

    So it is important to check and clean the 7805 regulator mounting hardware. Put some grease on the surfaces before reassembling, to prevent moisture causing any corrosion and blowing up the hard to get parts.

    Substituting Chimes for the Sound Card.
    Because of the sound card problems listed above, many operators take out the MPU controlled sound board and replacing it with an older chime unit. Most players find this far more pleasing and consistent to the ear. All system1 games are downward compatible to chime coils. Be sure to use chime coils 12 ohms or greater. If coils with less resistance than 12 ohms are used, the driver board transistors Q26,Q27,Q28 will fail. If adapting a chime box from a Bally game, that should work fine as 50 volt chime coils will have higher resistance. Also don't forget to add 1N4004 diodes to the chime coil lugs, with the coil's power lug connecting to the banded side of the diode.

    • Mount the chime box right next to the knocker coil in the lower cabinet side panel near the game's power switch.
    • Route the 25 volt power from the adjacent knocker coil lug (banded diode lug), which is right next to the existing sound board (and the newly mounted chime box).
    • "Daisy chain" the 25 volt DC coil power to all three chime coils' banded diode coil lugs.
    • Now move the following wires from the sound board connector to the chime box coils' non-banded diode coil lugs:
      • orange/black/black wire goes to the 10 point chime coil lug.
      • red/brown/yellow wire goes to the 100 point chime coil lug.
      • red/green/green wire goes to the 1000 point chime coil lug.
    Remove the sound board from the game.


3k. Flippers, RotoTargets, Etc.

Right side System1 flipper.

Left side System1 flipper.

Roto-Target from Close Encounters.

Roto-Target from Close Encounters.

    Gottlieb Rubber Sizes.
    Gottlieb lists rubber part numbers in their manuals, but does not indicate the actually sizes and types of rubber. So below is a list of the rubber parts and sizes.

    Part#Rubber Type
    #E-15Rubber Tip
    #986Rubber grommet - drop target
    #1872Rubber plunger tip
    #2752Rubber grommet - chime
    A-1344Rubber rebound
    A-5240Rubber grommet
    A-10217Rubber ring 3/8"
    A-10218Rubber ring 3/4"
    A-10219Rubber ring 1"
    A-10220Rubber ring 1-1/2"
    A-10221Rubber ring 2"
    A-10222Rubber ring 2-1/2"
    A-10223Rubber ring 3"
    A-10224Rubber ring 3-1/2"
    A-10225Rubber ring 4"
    A-10226Rubber ring 5"
    A-13149Flat beaded rubber ring - 2" small flipper, red
    A-13151Rubber ring - 3" flipper, red
    A-14793Rubber ring - mini post, 23/64"
    A-15705Rubber ring - mini post, 27/64"
    A-17493Rubber ring 7/16"


3L. Miscellaneous Problems and Fixes

    Problem: Can't add more than one credit to the game, or bookkeeping memory appears to be blanked, or replay scores cannot be set.
    Answer: Replay scores and bookkeeping values are stored in the CMOS RAM on the CPU board at Z22. The Before replacing the chip, check capacitor C2 (220 pF) on power supply board. A bad C2 cap can causes noise in +5V supply voltage, which prevents the Z22 RAM from working. Also replacing C24 (0.01 uF) on CPU board is a good idea, which is the buffer cap to the RAM.

    Problem: Game goes to "GAME OVER" during play for no apparent reason.
    Answer: Check the two normally closed SLAM switches for adequate pressure. One of the slam switches is mounted inside the coin door, the other is at the ball roll assembly inside the cabinet. Improperly adjusted switches will respond to game vibration levels and show this problem. Also check the suppression diodes across the pop bumpers, flippers and slingshot kicker coils. An open or broken diode/older connection can cause random game-over symptoms.

    Problem: On a Genie I have a display problem: the 1000s digit on player 1 & 3 slightly glow and makes it hard to read the proper number. I also noticed that when a game is started and you have the flasing "0" for the player 1, then the 1000s digit will also light up the same as the credit display.
    Answer: The Z21 (7408) chip on the CPU board was bad.

    Problem: While resetting the score levels stored in memory, holding the credit button in fails to increment the score setting.
    Answer: This problem and others which may occur while adjusting score levels can be prevented by insuring that all drop targets are reset before attempting to adjust the score levels.

    Problem: My game does strange things.
    Answer: Unusual or erratic behavior, especially after game has been on for long time, may be caused by overheating game PROM Z23 on the CPU board. This bipolar PROM gets quite hot, and can cause a game to do very strange things. Try attaching a small heat sink to the PROM with some superglue. Since the game PROMs are hard to find, it is also a good idea to lengthen its life even if you dont have problems. It seems that some PROM chips are more sensitive to heat than others. Alternatively replace the game PROM with a 2716 EPROM adaptor board.

    Problem: Coils or driver board transistors get very hot.
    Answer: Gottlieb System 1 games suffer from grounding problems. The solenoid ground can rise above logic ground, causing driver transistors to conduct continuously. Solenoids may work but get stuck or overheat. To fix this, make sure you have done all the mandatory ground modifications outlined in this document.

    Problem: Game starts, gives ball to shooter and freezes.
    Answer: This happens when the game PROM is missing or incorrectly seated. Also check resistors R122-R131.

    Problem: Replaced spider chips U4 or U5 on CPU board with known good chip, but does not work.
    Answer: These two chips contain the game operating system ROM, and must be of the same revision. The revision levels that work together are:

    • U4 A1753-CC works with U5 A1752-CD
    • U4 A1753-CE works with U5 A1752-CF
    • U4 A1753-EE works with U5 A1752-EF

    Problem: Buck Rogers "thinks" it needs to score. Start a game, and it continuously increments the 100s count score. The ball is ejected, and the game starts counting up points. There are times when this doesn't happen. But when the first score is made, i.e., the ball going over a switch, then the scoring just keeps on going. Makes for an intersting ball, but make the game useless. Check ALL switch matrix inputs with a logic probe for a stuck switch, and NO switch matrix inputs are sending anything to the MPU to tell it to start scoring. Checked the output of the inverters (Z9 and Z28) to see if one of them is sending something to U5. The inverters are working fine.
    Answer: the game PROM chip was bad. Replaced it with a known good game PROM and now the game and CPU board work fine. Was able to clean the legs on the old PROM and reinstalled, finding that it now worked too.



* Return to the Pin Fix-It Index
* Return to Marvin's Marvelous Mechanical Museum