Wayback Machine
OCT Dec MAY
Previous capture 20 Next capture
2007 2008 2009
5 captures
14 Jun 08 - 9 May 09
sparklines
Close Help
Support this Pinball Repair Website & PHoF. Please purchase the Marvin3m.com/top

Repairing Gottlieb System 3 Electronic
Pinball Games from 1989 to 1996

by cfh@provide.net, 06/02/08.
Copyright 2006-2008, all rights reserved.

Scope.
This document is a repair guide for Gottlieb System 3 electronic pinball games made from 1989 to 1996.

Internet Availability of this Document.
Updates of this document are available for no cost at http://marvin3m.com/fix.htm if Internet access is available.

IMPORTANT: Before Starting!
IF YOU HAVE NO EXPERIENCE IN CIRCUIT BOARD REPAIR, YOU SHOULD NOT TRY TO FIX YOUR OWN PINBALL GAME! Before starting any pinball circuit board repair, review the document at http://marvin3m.com/begin, which goes over the basics of circuit board repair. Since these pinball repair documents have been available, repair facilities are reporting a dramatic increase in the number of ruined ("hacked") circuit boards sent in for repair. Most repair facilities will NOT repair your circuit board after it has been unsuccessfully repaired ("hacked").

If you aren't up to repairing pinball circuit boards yourself or need pinball parts or just want to buy a restored game, I recommend seeing the suggested parts & repair sources web page.

Table of Contents

Bibliography and Credits.

  • Bill J Fugle, Rochester NY. Without his help in supplying parts, this document would not be possible.
  • Jerry Clause. Jerry provided lots of tips and tricks.
  • Mario Van Cleave.
  • Tim Arnold, who's advice and proof reading were very appreciated.
Some people question whether I wrote all this material myself. I did, but of course like everyone, my repair techniques and ideas are gathered not only from my own experience, but from work that others in this hobby do and share at shows, on the internet, etc. So if you're the originator of some cool trick or tip in this document, and I'm not giving due credit, just let me know and I'll add you to the list of contributors above.



1a. Getting Started: Experience, Schematics, Manuals.
    What Repair Experience Is Expected?
    Little experience in fixing pinballs is assumed. Basic electrical knowledge is helpful, but not necessary. I do assume you can solder and use the basic features of a Digital Multi-Meter (DMM) such as measuring voltage and resistance. Please see http://marvin3m.com/begin for details on the basic electronics skills and tools needed. This document should help repair a first (or second, or third) pinball.

    Schematics and Manuals.
    Having a schematic for the game would be ideal. If a schematic is not available, order one from one of the sources on the suggested parts & repair sources web page.


1b. Getting Started: Necessary Tools
    Fixing electronic pinball games will require a few tools. Luckily, most are not that specialized and are easy to get. Please see http://marvin3m.com/begin for details on the basic electronics tools needed.

    Non-Specialized Tools Required:

    • Work Light: clamp style lamp
    • Screwdrivers: small and medium size, phillips and flat head
    • Nut Drivers: 1/4", 5/16", and 11/32"
    • Wrenches: 3/8", 9/16", 5/8" required, other sizes suggested
    • Allen Wrenches: get an assortment of American sizes
    • Needle Nose Pliers
    • Hemostat. Handy for holding parts and springs. Best to have both the curved and straight versions if possible.
    • Right Angled Screwdriver: both phillips and flat head.

    Specialized Tools Required:
    These specialized electronics tools are needed. Please see http://marvin3m.com/begin for details on the basic electronics tools needed.

    • Alligator clips and wire. Buy these at Radio Shack, part number 278-001, $3.69.
    • Soldering Iron.
    • Rosin Core 60/40 Solder.
    • De-soldering tool.
    • Digital Multi-Meter (DMM).
    • Logic Probe.
    • Hand Crimping Tool: Molex WHT-1921 (part# 11-01-0015) or Molex part# 63811-1000. Contact extractor part# 11-03-0044 (about $20).

    Cleaning "Tools" Required:

    • Novus #2 or MillWax (for cleaning playfields and rubber)
    • Novus #3 (for polishing metal parts)
    • A paste wax (like Trewax) or hard automotive Carnauba Wax (for waxing playfields and cleaning rubber)
    Novus is available at many places (my local grocery store sells it), or from any good pinball vendor. I don't recommend MillWax, but others like it (mostly because they have been around for a LONG time and are used to it). Do not use any Wildcat products! They react with plastic and can yellow ramps and lift mylar. Trewax or Meguires Carnauba Wax is available at Kmart or the local hardware store.


1c. Getting Started: Parts to Have On-Hand
    When fixing electronic pinballs, I would highly recommend having some parts on-hand to make things easier and cheaper. All these parts are available from a pinball retailer.

Parts to have:

  • Light Bulbs: Have the following arounds.
    • #47 or #44: small 6.3 volt bulbs used for the general illumination and CPU controlled lamps. Use #47 bulbs as they consume less power than #44 bulbs. Seventyfive is plenty to do most games.
    • #67: large 13.5 volt bayonette bulb used for flashers. Note Gottlieb System3 games do NOT use #89 bulbs. #67 bulbs are 13.5v, 4 candlepower, .59amps, and have a life of 5000 hours. Compare this to the #89 which is 13 volts, 6cp, .58amps, and have a life of 750 hours. The flasher circuits in Gottlieb System3 games are designed for #67 bulbs, not #89. And in some cases, a #89 just won't work.
    • #555: wedge style 6.3 volt bulb used for the backbox general illumination.
    • #904: 14 volt wedge style flasher bulbs. This bulb was only used in Freddy, to my knowledge (#67 flash bulbs are the System3 norm). The 904 is a 4 candlepower version of the 906 (6 candlepower). In a pinch, the 906 bulb can be used instead of a 904. But don't use a #912 (12cp), as that bulb draws way too much current and is too bright.
  • Fuses: have five of any needed value on hand at all times.
    • 1/2 amp slo-blo (playfield mounted fuse)
    • 1 amp slo-blo (playfield mounted fuse)
    • 1.5 amp slo-blo (playfield mounted fuse)
    • 2 amp slo-blo (playfield mounted fuse)
    • 2.5 amp slo-blo (playfield mounted fuse and bottom panel F5 power supply)
    • 3/8 amp slo-blo (bottom panel F3/F4, display fuse)
    • 3 amp slo-blo (bottom panel F10/F11, auxiliary power supply)
    • 5 amp slo-blo (bottom panel F2, primary power)
    • 7.5 amp fast-blo (bottom panel F9, playfield general illumination)
    • 8 amp slo-blo (bottom panel F1, line input power and F7 solenoids)
    • 10 amp fast-blo (bottom panel F8, backbox general illumination)
    • 10 amp slo-blo (bottom panel F6, CPU controlled lamps and switches)
  • Transistors: keep a few of each of these around:
    • 12N10L or IRL530 or 20N10L or 22NE10L or IRL540 (driver board and auxiliary driver board). The 20N10L or 22NE10L or IRL540 are the best replacements, as they have higher drain current capabilities. These are used for coils transistors. The "L" means it's a logic-level MosFet. These parts should *not* have a "F" anywhere in the part number.
    • 12P06 or IRF9530 (driver board). Used for lamp matrix strobes. Yes this one does have the "F" (IRF) part number.
  • Chips:
    • 74HC273: used to drive the 12N10L MosFet transistors.
    • 7406: used to drive the MosFet 12P06 transistors.
    • 74HC164: used to drive the 7406 for the lamps.
    • 74HC123AN: used on the CPU board at U11. Note this chip *must* be this exact HC variety (the AN suffix is important too so it appears).
    • 6264 RAM: main RAM at U3 for the CPU board. Note Cueball Wizard and prior System3 CPU games use a 6116 RAM (but these board can be re-socketed for a 6264). If replacing a 6116 RAM instead replace it with a 6264.
    • Dallas DS1210 battery watchdog chip.
    • LM339: voltage comparitor used heavily on the CPU board.
    • 65C22 or 6522: PIA chip used on the CPU board. I've never seen one fail, but still not a bad idea to have around.
    • 65C02: the CPU chip. Again never seen one fail but still worth having around.
    • Chip Sockets or Machine Pin Strips: keep 8, 14, 16, 18 and 40 pin sockets around. Get good quality sockets! An even better (but more expensive) alternative is "machine pin strips". These come in a snapable length they can be custom made to any size socket needed. But the really good thing about them is they allow complete access to the socket area. These can be soldered into a board from the top and bottom.
  • Misc. Parts
    • CR2430 3.2 volt lithium battery, used on the CPU board (24mm x 3mm). Available from Mouser.com part# 639-cr2430. Alternatively BR2325/1HG.
    • Solder-in 24mm socket for above CR2430 battery. Available from Mouser.com part# 614-hu2430-1.
    • Or altnatively, a two "AA" battery pack can be used instead of the above CR battery and socket.
    • Diodes: keep a few 1N4004 and 1N4148 (1N914 or NTE519) diodes around.
    • Connector pins and housings: used to repair connectors. Get the some .156" Molex crimp-on Trifurcon variety. Also some Molex "Mini-Fit Jr." 4.2mm (.165") terminal pins. Part numbers for Sockets (Female pins), wire size 18-24 Tin plated Berylium Copper #39-00-0060. Wire size 18-24 Tin plated Brass #39-00-0039. Part numbers for pins (male), wire size 18-24 Tin plated Berylium Copper #39-00-0062. Wire size 18-24 Tin plated Brass #39-00-0041. See the connector section for more details.

Transistors, diodes, bridge rectifiers and other electronic parts are available from many sources. Please check out the parts and repair sources web page for details.


1d. Getting Started: Game List
    Here are the list of the Gottlieb System 3 games. Release date and production numbers are given. For reference, Bone Busters was the last System80 game, and the first game with the (horrible) "thin flippers".

    Alpha-Numeric with two 20-digit (with commas) blue Futaba displays:

    • Lights Action Camera, 12/89, #720, 1708 made, full size game.
    • Sliver Slugger, 4/90, #722, 2100 made. FIRST "street level" game.
    • Vegas, 7/90, #723, 1500 made, "street level" game.
    • Deadly Weapon, 9/90, #724, 803 made, "street level" game.
    • Title Fight, 11/90, #726, 1000 made, "street level" game.
    • Nudge-It, 12/90, #N102, 54 made, NOVELTY game.
    • Bell Ringer, 1/91, #N103, 160 made, NOVELTY game.
    • Car Hop 1/91, #725, 879 made, "street level" game.
    • Hoops 2/91, #727, 879 made. LAST "street level" game.
    • Cactus Jack, 4/91, #829, 1900 made, new sound board, full size game.
    • Class of 1812, 7/91, #730, 1668 made.
    • Amazon Hunt III, 9/91 (not marketed in the US), #684D, 200 made.
    • Surf'n Safari 11/91, #731, 2006 made.
    • Caribbean Cruise, #C102, 200 made, COCKTAIL.
    • Operation Thunder, 4/92, #732, 2513 made.

    Dot Matrix, 132x32 standard dot matrix display:

    • Super Mario Bros, 4/92, #733, 4200 made.
    • Super Mario Bros: Mushroom World, 5/92, #N105, 450 made, NOVELTY game.
    • Cue Ball Wizard, 10/92, #734, 5700 made. Last game to use the smaller 6116 RAM U3 chip.
    • Street Fighter II, 3/93, #735, 5500 made. First game to use the larger 6264 RAM U3 chip.
    • Tee'd Off, 5/93, #736, 3500 made.
    • Gladiators, 9/93, #739, 1995 made.
    • Wipe Out, 10/93, #738, 2150 made.
    • World Challenge Soccer, #741, 1/94, 1470 made.
    • Rescue 911, 3/94, #740, 4000 made.
    • Freddy: a Nightmare on Elm Street, 10/94, #744, 2800 made.
    • Shaq Attaq, 2/95, #743, 3380 made.
    • Stargate, 3/95, #742, 3600 made.
    • Big Hurt, 6/95, #745, 1985 made.
    • Waterworld, 9/95, #746, 1500 made
    • Strikes N Spares 10/95, #N111, 750 made, NOVELTY bowling game (pinball sized), two dot matrix displays.
    • Mario Andretti, 12/95, #747, 1120 made.
    • Barb Wire, 4/96, #748, 1000 made.
    • Brooks & Dunn, 8/96, #750, 1 made.
    • Casino Royale, 8/96, #751, 0 made (game never produced).

    Notes:
    "Street level" games was an experiment by Gottlieb at simplier, single level, no ramp, slightly smaller and slightly cheaper games. They made six street level games: Sliver Slugger, Vegas, Deadly Weapon, Title Fight, Car Hop and Hoops. This experiment failed BADLY. At the time, these games were selling against the likes of Williams Whirlwind (Williams sold more Whirlwinds than all six Gottlieb street level games combined!) Obviously Gottlieb got their butt kicked by Williams, hence with Cactus Jack, Gottlieb system3 returned to a 'normal' sized game with all the bells and whistles! (Cactus Jack is actually a good game too.)

    Frank Thomas, who's likeness was portrayed on "Big Hurt", was listed as a Gottlieb creditor when Gottlieb went out of business. Apparently Frank never got paid. Shaq on the other hand DID get paid for his game, and was not listed as a creditor!


1e. Getting Started: The Circuit Boards
    Here are the boards that live in the backbox (head) of the electronic Gottlieb System 3 pinball games.

    Board A-numbers.

    • A1 = CPU (Control) board
    • A2 = Power Supply board (5 volts only)
    • A3 = Driver board
    • A4 = Dot Matrix Display (DMD)
    • A5 = Aux Power Supply board (-12, +12 volts for sound board)
    • A6 = Sound board
    • A20 = Aux Sound board
    • A8 = Dot Matrix or Alpha-Numeric Controller board
    • A11 = Auxiliary Driver board (not used on all games)
    • A12 = Transformer panel (bottom cabinet)
    • A13 = PF Resistor board
    • A15 = Sensor board for flippers
    • A16 = Filter board
    • A17 = Diode board
    • A18 = Ground board bolted to the A12 transformer frame
    • A25 = Opto Interface board (not used on all games)
    • A26 = Game Controls board (test, tournament, volume control)
    • A27 = Communications Adaptor (optional)

    Wire Color.

    • 0 = Black
    • 1 = Brown
    • 2 = Red
    • 3 = Orange
    • 4 = Yellow
    • 5 = Green
    • 6 = Blue
    • 7 = Violet
    • 8 = Gray
    • 9 = White

The backbox in a Wipeout showing all the circuit boards.

The backbox in a Cueball Wizard showing all the circuit boards.

    A1 CPU Board.
    Though most System3 CPU boards are compatible from game to game, be aware that System3 CPU boards Cue Ball Wizard (game# 734) and earlier used a 6116 RAM at U3 (24 pins), and later CPU boards used a 6264 at U3 (28 pins). The newer 26285-1 CPU board increased SRAM from 2k to 8k bytes, and changed the timing logic from the earlier 26285 board. Street Fighter 2 (game# 735) was the first game to use the new 26285-1 CPU board with increased RAM space.

    If a game is expecting a 26285-1 revision CPU board with a 6264 at U3, and an earlier CPU board with a 6116 RAM is installed, strange problems will occur. For example, the game is "stuck" showing the last four high scores and won't progress any further into attract mode. Also the game won't be able to enter test mode and will not coin up. The easiest way to tell which RAM is installed is to just count the number of pins for chip U3 (24 pins=6116, 28 pins=6264). There is also a pair of jumpers that determines which size RAM is used, and a pair which determines which size EPROM is used:

    • JP1=in, JP2=out: 27512 EPROM at U2
    • JP1=out, JP2=in: 27256 EPROM at U2
    • JP3=in, JP4=out: 6116 RAM at U3
    • JP3=out, JP4=in: 6264 RAM at U3

    The CPU board uses a 65C02 processor with a 2mHz clock supplied to U18 to pin 39 of the 65C02 at U1. VIA (versatile interface adaptors) 6522AP chips at U4 and U5 are used on the CPU board. The only voltage needed to boot the CPU board is +5 volts DC at connector P1. Here are the connectors used on the CPU board:

    • P1 = +5 volts DC power
    • P2 = Ribbon cable to driver board
    • P3 = Ribbon cable to dot matrix controller board or alpha-numeric display board
    • P4 = Sound board connector (sound board's LED won't flash if this is not connected).
    • P5 = Switch matrix returns (including slam, tilt and test switch returns).
    • P6 = Auxiliary Driver board (only used on some games)
    • P7 = Communications adaptor (optional)

    Some CPU boards do not have a 24 pin ribbon cable receiver connector installed at P7. This connector is used for a communications adaptor A27, so it is not necessary to run the game. Another connector usually not used on the CPU board is P6, which is for an auxiliary driver board A11. Note the CPU board gets the switch matrix returns, and the driver board gets the switch matrix strobes.

The CPU board (A1).

    One chip that is critical to the timing of the CPU board is at U11. This chip must be a 74HC123AN or the game will not boot (or will constantly reboot). U11 must be this exact HC variety (a 74LS123 will not work).

    A3 Driver Board.
    The driver board controls the lamp strobe/return signals, switch matrix strobe signals, and the solenoids. MosFET 12N10L or IRL530 logic level transistors are used to control the 32 solenoids through 74HC273 chips. Really there are only 29 solenoids available for the game though, as two MosFETs (Sol.31 and Sol.32) are used to control the Game-Over and Tilt relays in the lower cabinet, and most games also use one MosFET for controlling the backbox illumination. Some games use an Auxiliary Driver board with an additional eight 12N10L or IRL530 MosFETs and a single 74JC273 chip (if the game is complicated enough to need more than 29 CPU controlled solenoids or flash lamps - this Auxiliary Driver board is connected directly to the CPU board). The Auxiliary Driver board is almost always used just for flash lamps.

The driver board (A3).

    The matrix strobe lines use 12P06 (through 74HC164 and 7406 chips) for the lamp and switch strobes, and 12N10L MosFETs (through 74HC273 chips) for the lamp returns. There are twelve lamp/switch strobes and eight returns, for a total of 96 CPU controlled lamps and 96 switches. The lamp and switch matrix share the same twelve strobe lines interestingly. Yet each have eight separate discrete return lines.

The bottom cabinet A (backbox GI), T (tilt) and Q (Game Over) relays.

    Bottom Cabinet Relays.
    Gottlieb still used relays in the bottom panel of their system 3 games. All relays used in System3 games are powered by 20 volts (not 50 volts like the other coils). All games have at least two relays controlled by MosFETs Q30 and Q31 on the Driver board, and nearly all have three relays. Sol.31 (Q32) controls the Game Over relay, and Sol.30 (Q31) controls the Tilt relay. Nearly all the game also have an "A" relay which toggles the General Illumination in the backbox. This is controlled by Sol.25 (Q26).
    • "Q" Game over relay (two NO switches that close when the relay is energized). The game over relay stays energized during the entire game and turns on the power to the Flippers (only) through these two switches. This is all the Game Over relay does. Williams and Bally essentially have the same thing but they call it the "flipper relay" (and it's mounted on the driver board). Gottlieb felt the Game Over (aka Flipper relay) should be mounted in the lower cabinet. Controlled by driver board MosFET Q32 (aka Sol.31).
    • "T" Tilt relay (one NC switch that opens when the relay is energized when the player tilts). When the game tilts during play, this one switch on the Tilt relay opens, turning off the General Illumination to the playfield. Controlled by driver board MosFET Q31 (aka Sol.30).
    • "A" Insert Illumination relay (used on most games). This relay is much like the Tilt relay with a single normally closed switch, but instead controls the backbox General Illumination. When the A relay is energized, it turns off the backbox General Illumination. This is used during game play for dramatic emphasis. Controlled by driver board MosFET Q26 (aka Sol.25).

The bottom panel of a Wipeout. The three relays can be seen at the right.

    A12 Transformer Panel.
    Power is supplied from the transformer panel in the lower cabinet. The wall voltage is selected using Gottlieb-supplied jumper plugs. The jumper plug for 120 volts is ORANGE. This is the plug that should be installed in all North American games. If a 110 volt RED jumper plug is installed, replace it with the orange 120 volt plug.

    There are three bridge rectifiers which supply:

    • 12 volts DC through a 10,000 mfd filter capacitor. The 12 volt power ultimately turns into regulated +5 volts, which feeds to all the circuit boards. The 12 volts is also used for other things like opto switches, etc.
    • 20 volts DC through a 33,000 mfd filter capacitor. For the flash lamps, relays, lamp matrix, and DMD controller board.
    • 48 volts DC (no filter cap) for the solenoids.

    In addition the transformer supplies the following AC voltage (higher voltages listed are for dot matrix games):

    • 95 volts AC for the dot matrix controller.
    • 58 volts AC for the dot matrix controller.
    • 12.6 volts AC for the Auxiliary power supply board (which provides +12 and -12 volts DC to the sound board).
    • 6.3 volts AC (for the general illumination).

    Gottlieb system 3 games came from the factory jumpered for 110 volts. But they also had a transformer plug that allowed for 120 volt operation. This change should always be made to jumper the game for 120 volts. This keeps the unregulated voltage (such as the General Illumination) lower, for increased bulb life. The regulated voltages (such as 5 volts) should be the same in either jumper setting.

    A2 Power Supply and A5 Auxiliary Power Supply.
    The power supply A2 is a simple design. It takes raw 12 volts DC from the bottom panel bridge rectifier and a 10,000 mfd filter cap, and outputs +5 volts DC regulated. This is adjustable via a 500 ohm trim pot at R3. A voltage regulator LM338 (the large heat sink device) is the 5 volt workhorse. Also unregulated 12 volts DC is "turned around" at the power supply, but there is no circuit control mechanisms for this voltage.

    Gottlieb system3 +5 volt DC power supplies did not have an "over voltage" protection circuit. Most power supplies have a 6 volt zener diode, which would automatically shut down the 5 volt power supply if the supplying voltage regulator shorted (and sent more than 6 volts down the 5 volt power rail). But Gottlieb did not do this. Hence if the 5 volt regulator on the power supply shorts (or the 500 ohm pot fails), it can ruin LOTS of chips in the process!

    The auxiliary power supply A5 is a bit more complicated, and takes 12.6 volts AC directly from the transformer and converts it to +12 and -12 volts DC for the sound board using a LM7912. It also produces +5 volts using a LM340T (7805). This goes thru an op-amp MC3403 (or LM324AN or NTE987). The auxiliary power supply also uses two TDA2040 amplifier chips for the sound amplification (note TDA2030 chips can be used, but don't output as much power).

The auxiliary power supply (A5, top)
and power supply (A2, bottom).

The A2 power supply. The 500 ohm +5 volt adjustment trim pot can be seen at the top.

    A6 Sound board and A20 Auxiliary Sound board.
    The A6 sound board has two 65C02 processors, a dual DAC (digital to analog converter), and an import port to receive signals from the CPU board. The sound board requires +5, +12 and -12 volts DC and a power-up reset signal from the CPU board (pressing sound board SW2 will give a manual reset). There are two 27256 EPROMs (the D1 and Y1 PROMs as Gottlieb calls them). This board is responsible for all the music and non-voice sounds.

    The Auxiliary sound board A20 is the smaller of the two sounds board, and has a YM2151 sound generator and a MSM6295 sound/speech generator. Gets commands from the CPUs on the A6 sound board. This board has two 27020 or 27040 EPROMs (the A1 and A2 PROMs as Gottlieb calls them). This board is responsible for all the voice tracks. The game will work without this board, but of course there will be no speech.

The auxiliary sound board (A20, top)
and sound board (A6, bottom).

The auxiliary sound board A20.

    A8 Dot Matrix Controller Board.
    The dot matrix controller board has its own 65C02 processor and its own EPROM to do the dot matrix animations. The controller talks to the CPU board through a ribbon cable. The dot matrix controller board takes in 58 volts AC and 95 volts AC through two bridge rectifiers on the DMD controller board. This goes through two MJE15030 and a MJE15031 and 1N4759, 1N4758 and 1N4742 diodes and 2N5551 and 2N5401 transistors. Also +5 and +20 volts DC comes into the board. This is a very similar circuit design to what Williams uses on their DMD controller. Output voltage are:
    • +62 volts DC
    • +12 volts DC
    • -100 volts DC
    • -112 volts DC
    • +5 volts DC

The dot matrix controller board (A8).

    Alpha-Numeric Score Displays.
    Games before Super Mario Brothers used Alpha-Numeric score displays, and did not have a dot matrix controller board. All Gottlieb alpha-numeric solid state games used blue "Futaba" brand score displays. These were florescent blue displays, and effectively never wore out, because the display voltage was much lower (60 volts) than the gas discharged displays used by Williams and Bally (+/-100 volts).

System3 flipper Sensor board (A15).

    A15 Flipper Sensor board.
    Mounted under the playfield, a small board is used to sense when the flipper buttons are pressed. The voltage stream is seen but this board, and is converted thru an opto isolator and two 2n3906 transistors. This tells the CPU's switch matrix that the left or right flipper buttons have been pressed.

The A17 diode board mounted under the playfield for the switches.

    A17 Diode board.
    Gottlieb took a different approach to playfield switch diodes than Bally or Williams. Instead of mounting the playfield switch diodes right on the switch, they prefered to mount them on a separate board. This board was mounted under the playfield, usually near the outhole. Having the diodes on this board meant changing a switch was rather mindless; there's not special wiring (or even a diode) needed to install a new switch, and no wires to mix up. Also cracked diodes from vibration are much rarer when the diodes are separated from the switch. The downside of this approach was if there was a switch diode problem, the user would have to figure out which diode on the switch board applied to the switch in question.

System3 Auxiliary Driver board (A11).

    A11 Auxiliary Driver board.
    Some games needed additional MosFET driving transistors because the 32 available on the driver board for coils and flash lamps just were not enough. This is done through a small Auxiliary Driver board, which has eight additional 12N10L MosFETs. This board connects directly to the CPU board, and is generally used just to power flash lamps. Not all System3 games use this board.

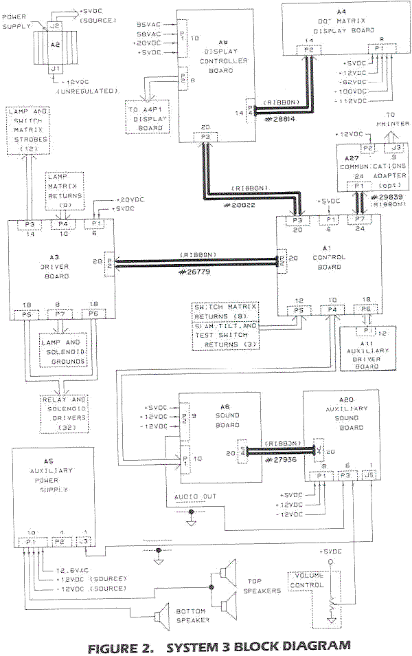
System3 block diagram for an Alpha-Numeric game (Surfin Safari).


System3 block diagram for a Dot Matrix game (Stargate).

    Slam Switch.
    As with Gottlieb System1 and System80, System3 has a coin door mounted Slam switch. But unlike the earlier systems, the Slam switch is now Normally Open. That means the switch must close to register a "slam" (ending the player's game). This is a much better idea than the System1 and System80 normally closed slam switches.

    System3 Flippers.
    All system3 games used the new Gottlieb "thin flippers" instead of the long proved "fat boy" flippers. This was a down-grade in Gottlieb's flipper design, as the thin flippers were built with cheaper parts, and had a cheaper feel.


1f. Getting Started: Connnector Backbox List & Usage

    Gottlieb solidstate games have had a history of problems. System1 and System80 used primarily card-edge style connectors (combined with battery leakage) that causes all sorts or reliability problems. Fortunately with Gottlieb System3, connector problems are largely a thing of the past. Gottlieb used a new style of connector that has excellent reliability. This is called the Molex "Mini-Fit Jr." 4.2mm (.165") series of connectors. Part numbers for Sockets (Female pins), wire size 18-24 Tin plated Berylium Copper #39-00-0060. Wire size 18-24 Tin plated Brass #39-00-0039. Part numbers for pins (male), wire size 18-24 Tin plated Berylium Copper #39-00-0062. Wire size 18-24 Tin plated Brass #39-00-0041. About the worst I can say about the System3 connectors is their lack of individuality (it's easy to mis-connect them, because they are not keyed very well).

    Pin removal of these square-pinned connectors is different than other pinball style connectors. There is a specialized tool for this job, contact extractor part# 11-03-0044 (about $20). But I ended up using two Molex card edge pin extraction tool part# 11-03-0016 to remove the square female pins from the connector housing. I'm sure this isn't the best method, but it did work without damaging the terminal pin.

The System3 connector style.

Using two Molex 11-03-0016 pin removal tools to extract the female pin from the housing.

The square extracted terminal pin and housing, and the two extraction tools.

    Backbox Connector Confusion.
    One really nasty problem with Gottlieb System3 games are the backbox connectors. If for some reason someone has removed all the connectors from the circuit boards (for moving the game, etc), it can be an absolute hair puller putting the connectors back where they belong! The problem is many of these connectors are the same exact size and have no "key". So one connector can often plug into two adjacent connectors. Because of this below are the easily confused connectors for each board *including* wire color. Wire color is the only way to tell one connector from another of the same size.

    Speaking of wire color, each wire has a white base color with *three* colored stripes. Gottlieb was the only pinball manufacturer to color wires in this manner. In fact Gottlieb had their own machine which fed white wire and put the colors stripes on the wire. All the other manufacturers bought their wire pre-colored. The Gottlieb wire coloring does take a bit of getting used to.

    WARNING: IF THE BACKBOX CONNECTORS ARE ATTACHED INCORRECTLY, DAMAGE WILL OCCUR TO THE CIRCUIT BOARDS.

    ALSO DO NOT REMOVE ANY CONNECTORS THAT ATTACH TO THE A8 DOT MATRIX DISPLAY BOARD WHILE THE POWER IS ON (INCLUDING THE DOT MATRIX DISPLAY ITSELF).

    Failure to heed the above advise will do damage to a Gottlieb System3 boardset.

    A1 CPU Control Board Connectors.

    • A1J1 pin 1=Blue, Gray, Gray. Pin 2=Blue, gray, gray. +5 volt power.
    • A1J4 pin 1=Violet, Violet, Orange. Pin 2=Orange, blue, blue. Sound interface.
    • A1J5 pin 1=Blue, Violet, Violet (often this wire is missing). Pin 2=blue, blue, blue. Switch matrix return.

    A2 Power Supply Connectors.

    • A2J1 pin 1=red, black, black. Pin 2=white. Raw power in.
    • A2J2 pin 1=blue, gray, gray. Pin 2=blue, gray, gray. Regulated +5 volt power out.

    A3 Driver Board Connectors.

    • A3J1 pin 1=white. Pin 2=blue, gray, gray. Power in.
    • A3J3 pin 1=violet, orange, orange. Pin 2=violet, red, red. Lamp/Switch matrix strobe.
    • A3J4 pin 1=grey, black, black. Pin 2=gray, brown, brown. Lamp matrix return.
    • A3J5 pin 1=red, black, black. Pin 2=red, brown, brown. Solenoids 0-15.
    • A3J6 pin 1=green, black, black. Pin 2=green, brown, brown. Solenods 16-31.
    • A3J7 pin 1=white. Pin 2=white. Lamp matrix and solenoid ground.

    A5 Aux Power Supply Connectors.

    • A5J1 pin 1=Brown, Brown, Black. Pin 2=white, blue, blue.

    A6 Sound Board Connectors.

    • A6J1 10 pin .156" inline Molex, key = pin 4.
    • A6J2 9 pin .156" inline Molex, key = pin 7.

    A8 Dot Matrix Controller Board Connectors.

    • A8J1 pin 1=Brown, Red, Red. Pin 2=brown, yellow, yellow. Power in; has ceramic noise filter.
    • A8J2 pin 1=Blue, Gray, Gray. Pin 2=white, gray, gray. Power out to score display.

    A20 Aux Sound Board Connectors.

    • A20J3 pin 1=red shielded wire. Pin 2=white, yellow, yellow.
    • A20J1 pin 1=blue, gray, gray. Pin 2=green, green, brown.

    Note some backbox wiring have a 2 prong connector that connects to raw 12 volts (as fed to the A2 power supply). This just happens to be the same style connector that is used for the speakers. If this is accidently connected to a speaker connector, it will smoke the TDA2040 (or TDA2030) amplifier chips on the A5 Auxiliary Power Supply, the LM340T (or 7805) 5 volt 1 amp voltage regulator, and the MC3403 (or LM324AN) op-amp chip. To make things worse, the wire colors for the speakers and the 12 volts are very similar:

    • 12 volts = red black black
    • Speaker = black red red
    Be careful not to get these mixed up.


1g. Getting Started: Fuse Values/Usage

    First note is if the game powers up, display shows the software revision, then gives a ball missing warning, then shows zeros and 'game over' in the display, then is completely dead. No lamps, no display messages, no switch inputs have any affect (like the test switch). All the LEDs on the boards are flashing as they should be. Excellent chance the entire problem is the CPU controlled light fuse, which also powers the switch matrix too. If this fuse blows, and blows right away once you install new fuse, then the bridge rectifier connected to that fuse is shorted.

    Power Box Fuses (has two AC plugs):

    • F1: 8 amp slo-blo (line input power)
    • F2: 5 amp slo-blo (primary power)

    A12 Transformer Module Fuses:

    • F3: 3/8 amp slo-blo (95 volt AC DMD display power fuse) - vertical style fuse holder (often fails)
    • F4: 3/8 amp slo-blo (58 volt AC DMD display power fuse)
    • F5: 2.5 amp slo-blo (10 volt AC power supply). Goes to the 12 volt DC bridge rectifier.
    • F6: 10 amp slo-blo (16 volt AC for the CPU controlled lamps and switches). Goes to the 20 volt DC bridge rectifier.
    • F7: 8 amp slo-blo (50 volt AC solenoids). Goes to the 48 volt DC bridge rectifier.
    • F8: 10 amp fast-blo (6.3 volt AC backbox general illumination)
    • F9: 7.5 amp fast-blo (6.3 volt AC playfield general illumination)
    • F10: 3 amp slo-blo (12.6 volt AC auxiliary power supply)
    • F11: 3 amp slo-blo (12.6 volt AC auxiliary power supply)

The bottom panel of a Wipeout.

The A12 transformer panel fuses. Note the vertical F3 fuse holder has been replaced
with a (gray) flat style fuse holder.

    Playfield Mounted Fuses.
    The playfield fuses vary from game to game. But here are the values generally used under the playfield.
    • 1/2 amp slo-blo
    • 1 amp slo-blo
    • 1.5 amp slo-blo
    • 2 amp slo-blo
    • 2.5 amp slo-blo

The under playfield fuses. On the right is the A15 Sensor board, which tells the CPU
board if the cabinet flipper buttons have been pressed. A optocoupler is used for this.


1h. Getting Started: System3 Ground Issues & Fixes

    In the tradition of all Gottlieb solidstate games, System3 has ground problems too (not unlike Gottlieb's System1 and System80 pinballs). Gottlieb never seemed to get grounding issues solves with any of their solidstate systems. The big problem with Gottlieb was their refusal to use a metal ground plate to attach all their circuit boards (like Williams and Bally and Stern used). Instead they insisted on using nylon circuit board attachment points and used connectors to carry the ground path. The problem with this is connectors can gain resistance, making ground levels "float" above zero volts. This can cause all sorts of problems.

    In the case of Gottlieb System3, all the grounds meet at the A18 transformer ground assembly. There is a small circuit board attached to the side of the A12 metal transformer frame which connects all grounds together. The problem is these connectors can crack at the solder point on the A18 ground board. This of course means the ground path is not reliable and can "float".

    There are two solutions to this problem. The one John Robertson likes is to cut off the factory ground connectors which mate to the A18 ground circuit board. Instead he crimps large connectors to these wires and bolts them directly to the A12 transformer frame. Personally I am not a huge fan of this method. I take a slightly different approach.

The John Roberts System3 ground fix approach using crimped connectors
bolted directly to the A12 transformer frame. These four A18 transformer
connectors are cut-off and replaced with crimped bolt-on connectors.

The crimped connector mating all wires together.

The crimped connectors bolted directly to the A12 transformer frame.

    My approach maintains the original A18/A12 ground connectors. But instead I tie all the ground wires for one connector together. This way if one pin (or more) in the connector fails, it really does not matter, because all the wires are tied together. As long as at least one pin in the connector is still good, an excellent ground connection is maintained. This needs to be done for all four ground connectors that attach to the A18 ground board bolted to the side of the A12 transformer frame. This could be taken even one step further, and tie all four connector wire bundles together (though I personally don't go that far).

My approach to fixing the System3 ground problem. This is the ground board A18
that is bolted to the side of the A12 transformer frame. As seen on the connector at
the upper left, all the ground wires for this ground connector are tied together
and soldered. If one or more connector pins fail, the other good pin(s) will carry
the ground to the transformer frame.


1i. Getting Started: LED Flash Codes for the Circuit Boards

    Most boards in the backbox of a Gottlieb System3 game have a diagnostic LED. If a system3 game boots correctly, here is what each board's LED does.

    A1 CPU Control Board LED.
    The CPU board's single LED will flash continually and evenly if the board boots correctly. If the CPU board's LED flashes very fast for a second, then pauses just a moment, then repeats, this usually indicates a low CPU board battery or a bad U11 chip.

    A8 Dot Matrix Controller Board LED.
    The DMD (Dot Matrix Display) Controller board's LED should also flash continually and evenly (but not quite as fast as the CPU board's LED). If the DMD Controller board's LED is stuck on, this usually means there is a problem with the custom GAL (Generic Array Logic) chip at U8. The GAL is a programmale chip that replaces several 7400 series TTL logic chips. A bad U8 GAL chip will also cause the DMD to show "garage". This chip is available from a number of sources (but must be programmed).

    A6 Sound Board and A20 Auxiliary Sound Board LEDs.
    Each of these two sound board have an LED. Both boards' LED should be flashing continually when the game is powered on. If neither LED is flashing (off), usually this means the sound board to CPU board connector at CPU board P4 is disconnected. Or there is no +12/-12 power coming from the Auxiliary Power Supply.

    A3 Driver Board, A1 Power Supply, A5 Aux Power Supply.
    These three boards do not have any LEDs. But if the A1 power supply is not working, none of the other boards will boot. If the A5 Auxiliary Power Supply is not working, the two sound board LEDs won't light either.

    Sound Board Dual "Screech" Sound at Boot-Up.
    One thing common to all System3 games is the bootup two tone "Screech" sound. If the Auxiliary power supply is working, fuses F10/F11 are good, the speakers are connected, and the Sound boards boot-up properely, the game will make two quick and obnoxious high pitched squeels as soon as the power is applied. This is a normal behavior and signifies the sound boards are working.

    Booting a CPU board "On the Bench".
    The CPU board can be booted without the rest of the game using just an external 5 volt power supply. Just connect the CPU board's A1P1 connector to a computer switching power supply and power up (A1P1 pin 1=+5 volts, A1P1 pin 4=ground). If the CPU board LED flashes, the CPU board has booted. Though pretty useless just like this, it will give you some idea if a Gottlieb System 3 CPU board is dead or not.

    If you would like to get fancy, the next board needed is the dot matrix controller board. With this board connected to the CPU board via a ribbon cable at A1P3 to A8P3, the dot matrix controller board can be booted too with these input power sources:

    • A8J1 pin 9 = +5 volts DC
    • A8J1 pin 5 = 20 volts DC
    • A8J1 pin 10 = ground
    • A8J1 pin 1 = 58 volts AC
    • A8J1 pin 2 = 58 volts AC return
    • A8J1 pin 3 = 95 volts AC
    • A8J1 pin 4 = 95 volts AC return
    This will allow you to connect a dot matrix display to A8P4 with a ribbon cable. Also a power cable from A8P2 (dot matrix controller) supplying +5,+12,+62,-100,-112 to the dot matrix score display is needed:
    • A8J2 pin 1 to DMD pin 6 (+5 volts)
    • A8J2 pin 2,3 to DMD pin 4,5 (ground)
    • A8J2 pin 4 to DMD pin 7 (+12 volts)
    • A8J2 pin 5 to DMD pin 8 (+62 volts)
    • A8J2 pin 7 to DMD pin 1 (-112 volts)
    • A8J2 pin 8 to DMD pin 2 (-100 volts)
    With this all connected, the game will boot and go into attract mode (showing all the dot matrix display animations). This can be very useful for diagnosing problems on the CPU board.

    U8 DMD Controller GAL Chip.
    On the dot matrix controller board there is a custom programmed GAL chip at U8. This is a common failure point for the DMD controller board. If the game turns on and has garbage on the DMD, often the U8 GAL chip is bad. Also if the DMD controller board LED stays on and does not flash continually, this is another indicaton the U8 GAL chip is bad. The CPU board "talks" to the Dot Matrix Controller board, and if this U8 GAL switch is bad, the CPU board will not boot-up correctly.

    The GAL U8 chip fails for one primary reason; If any plug going to the Dot Matrix Controller board is removed or installed while the game is powered on, the U8 GAL chip can fail. This mean plugging in the dot matrix score display while the game is on can make the U8 GAL fail.

    Fortunatly the U8 GAL chip is available from a variety of sources such as Pinball Resource. The chip is not cheap though.

If the DMD shows garbage like this and the DMD controller LED is locked on,
chances are good the U8 GAL chip is bad.

A properly booting CPU board.



2a. Power Supply Problems.

    Wall Voltage Selection Plug.
    Power is supplied from the transformer panel in the lower cabinet. The wall voltage is selected using Gottlieb-supplied jumper plugs. The jumper plug for 120 volts is ORANGE. This is the plug that should be installed in all North American games. If a 110 volt RED jumper plug is installed, replace it with the orange 120 volt plug. This keeps the unregulated voltage (such as the General Illumination) lower, for increased bulb life. The regulated voltages (such as 5 volts) should be the same in either jumper setting.

    Bad Fuse Holders.
    On the power box and the transformer assembly Gottlieb used mostly horizontal (flat) fuse holders. This style of fuse holder is fine. But the vertical fuse holders used for the High Voltage and Line Power are junk, and often fail. If a game is not booting check the fuse holders first.

The power box. Note the vertical style fuse holders which often fail, and the
interlock plug.

The A12 transformer panel fuses. Note the vertical F3 fuse holder has been replaced
with a (gray) flat style fuse holder. The power converter plug can be seen to the right
of the fuses - this specifies what wall voltage the game uses (in this case 110 volts).

    Front Door Interlock Switch.
    All Gottlieb System3 games have a front door interlock switch. This switch gets closed automatically when ever the coin door is closed, allowing the game to turn on. To operate the game with the coin door open requires pulling out the interlock switch lever. Also this switch connects to the power box inside the lower cabinet. If the interlock A12J6 connector is removed from the power box, the game will not turn on because the 120 volts is cut.

    The Power Grid.
    There are three bridge rectifiers which supply:

    • 12 volts DC (for the power supply and driver board) through a 10,000 mfd filter capacitor. The power supply ultimately turns this into regulated +5 volts, which feeds to all the circuit boards.
    • 20 volts DC (for the driver board and DMD controller board) through a 33,000 mfd filter capacitor.
    • 48 volts DC (no filter cap) for the solenoids.

    In addition the transformer supplies the following AC voltage:

    • 95 volts AC for the dot matrix controller.
    • 58 volts AC for the dot matrix controller.
    • 12.6 volts AC for the Auxiliary power supply board (which provides +12 and -12 volts DC to the sound board).
    • 6 volts AC (for the general illumination).

    The power supply is a simple design. It takes raw 12 volts DC from the bottom panel bridge rectifier and a 10,000 mfd filter cap, and outputs +5 volts DC regulated. This is adjustable via a 500 ohm trim pot at R3. A voltage regulator LM338 (the large heat sink device) is the 5 volt workhorse. Also unregulated 12 volts DC is "turned around" at the power supply, but there is no circuit control mechanisms for this voltage.

    The auxiliary power supply is a bit more complicated, and takes 12.6 volts AC directly from the transformer and converts it to +12 and -12 volts DC for the sound board. It also uses +5 volts.

The auxiliary power supply (A5, top)
and power supply (A2, bottom).

    Bridge Rectifiers and Filter Capacitors.
    Next to the transformer in the lower cabinet are three bridge rectifiers, which convert AC transformer voltage to DC. This is not unlike Gottlieb System1 and System80 games. One bridge is for the 48 volt solenoid voltage. Another bridge for the CPU controlled lamp matrix power, and another bridge which is for the +5 and +12 volts which powers the logic boards.

    Again like System1 and System80, there are two filter capacitors next to the bridge. The large 33,000 mfd filter cap is for the 20 volt CPU controlled lamp matrix power. The smaller 10,000 mfd capacitor is for filtering the 12 volt (and ultimately the 5 volt) power.

The A12 transformer panel with three bridge rectifiers and two filter capacitors.
The bridge closest to the front is for the solenoid voltage. The middle bridge is for
the 20 volt CPU controlled lamp matrix. And the rear-most bridge is for 12 volts (which
eventually becomes +5 volts). The big blue 33,000 mfd capacitor rectifies the 20 volts
for the CPU controlled lights. The rear-most short black 10,000 mfd filter capacitor is
for the +5 volt logic power smoothing.

    5 Volt Problems (too low or too high).
    The biggest problem with Gottlieb system3 power supplies is the 500 ohm trim pot at R3 on the 5 volt power supply. This trim pot is junk, and often shorts or goes open, causing 5 volt problems. It can short sending way more than 5.2 volts down the 5 volt buss, stressing all the logic chips. Or it can not allow even the minimum of 4.9 volts needed to run the system. I have seen System3 games that worked fine for five minutes, then reset. This was caused by a bad R3 power supply pot which allowed the +5 volts to vary. My suggestion is to REPLACE this trim pot with a new high quality 500 ohm version.

The A2 power supply. The 500 ohm +5 volt adjustment trim pot can be seen at the top.

    5 Volt Power Surge Protection.
    Gottlieb system3 +5 volt DC power supplies did not have an "over voltage" protection circuit. Most power supplies have a 6 volt zener diode, which would automatically shut down the 5 volt power supply if the supplying voltage regulator shorted (and sent more than 6 volts down the 5 volt power rail). But Gottlieb did not do this on their System80b or System3 power supply (interestingly, System80A and prior did have 5 volt overload protection). Hence if the 5 volt regulator on the power supply shorts, it can ruin LOTS of chips in the process!

    A solution to this is to replace the Gottlieb linear power supply with a standard switching 5 volt power supply. The best source of these is the switching power supplies used for Jamma video games or even computer power supplies. These switching power supplies vary the voltage on frequency. So if there is a power surge, the switching power supply automatically shuts down, preventing any components down-stream from damage.

    Since the System3 power supply only supplies +5 volts, using a switching power supply is easy to implement. The only thing that must be remember is that 12 volts comes to the Gottlieb system3 power supply, and "turns around" and goes back out (there is no manipulation of the 12 volt power). So after the 5 volt lines are connected to the new switching power supply, all the 12 volt wires that come into the original system3 power supply must be tied together:

    • J1 pins 1,4,5 = 12 volts in. When implementing a switching power supply, ties these wires together and do not connect them to anything.
    • J1 pins 2,3,6 = ground.
    • J2 pins 1-8 = +5 volts.


2b. CPU Board Problems (Resets, Game boots with garbage on the display, etc.)
    Game EPROM.
    If the GPROM at U2 is bad or missing, the CPU board will not flash its LED and will not "boot" (the LED will not even turn on). Verify the U2 EPROM is good using an EPROM programmer.

    Check for Proper +5 volts at the CPU board.
    Because the Gottlieb System3 power supply has a 500 ohm adjustable trim pot for the +5 volts, it can get out of adjustment. It is best to test for proper +5 volts at the CPU board. Note there are no test points. Use the A1P1 connector (pin1=+5, pin4=ground). The voltage should be 4.95 to 5.15 volts DC. If it is outside of that range, adjust the A2 power supply trim pot. Note this trim pot is notorious for being worn out. Replacing it with a new quality trim pot is often a good idea. If +5 volts varies a lot on a game from time to time, suspect this trim pot as the problem.

    Improper RAM Chip size at U3.
    Though most System3 CPU boards are compatible from game to game, be aware that System3 CPU boards Cue Ball Wizard and earlier used a 6116 RAM at U3 (24 pins), and later CPU boards used a 6264 at U3 (28 pins). If the game is expecting a 6264 at U3 and an earlier CPU board with a 6116 RAM is installed, strange problems will occur. For example, the game is "stuck" showing the last four high scores and won't progress any further into attract mode. Also the game won't be able to enter test mode and will not coin up. The easiest way to tell which RAM is installed is to just count the number of pins for chip U3 (24 pins=6116, 28 pins=6264). There is also a pair of jumpers that determines which size RAM is used, and a pair which determines which size EPROM is used:

    • JP1=in, JP2=out: 27512 EPROM at U2
    • JP1=out, JP2=in: 27256 EPROM at U2
    • JP3=in, JP4=out: 6116 RAM at U3
    • JP3=out, JP4=in: 6264 RAM at U3

    Note having the larger 6264 RAM will work fine with older games too.

    Constant "beep beep beep.."
    Game turns on and constantly beeps at the same rate as the sound board's LED which is also flashing. Display doesn't show anything and is completely off, GI is lite however. LEDs on the other boards are not on. This is often a problem with the CPU board's battery. If the battery is completely dead or removed, the game will not boot. Normally the game will give a low battery warning. But if the battery is totally dead or missing the power-on constant beeping will result.

    Boot up Garbage on the Display.
    Though a rare problem, there can be a power-on garbage problem with System3 games. When turned-on the game displays a meaningless message (and sometimes beeps). The DMD display will shows this message for a few seconds than quickly "flash", and then repeat. At the same time the CPU board's LED will also very quickly flash on and off for a few seconds, then pause off for just a moment (as the score display "flashes"), then repeat this over and over. Pressing the game's Test (diagnostic) button will do nothing. It is as though the game is caught in a loop.

Cueball Wizard garbage "boot". The CPU's LED is circled in yellow.
Notice the strange DMD display message.

Cueball Wizard garbage "boot". Same game, turned off and back on,
but different garbage message ("Ball 54").

Cueball Wizard garbage "boot". Same game again, turned off and back on,
displaying yet another strange garbage message. This problem turned out to
be battery corrosion on the Dallas DS1210 chip. But a failed U11 74HC123AN
can often show this problem too.

    Often this can be gotten around it by disconnecting and reconnecting the cable ribbon at A1P3 (which connects the CPU board to the dot matrix controller board A8), though this is not really a solution.

    First thing to try is to reseat all the ribbon cables that go between the boards in the backbox. These have gold plated pins on the circuit boards, and the connectors themselves are usually not gold plated. The dis-similiar metals require a cleaning by reinsertion. These ribbon connectors are rated at 100 cycles (insertion/removals), so this is an acceptable way to 'clean' the ribbon connectors (note this is not acceptable on .156" and .092" Molex connectors).

    In regards to ribbon cables, often the problem can be the ribbon cable that goes between the driver board and CPU board. If this cable is bad (this is fairly common), garbage on the display can be the result.

    One solution to this problem is to install a .1 mfd 50 volt non-polarized ceramic capacitor from U1 pin 40 (reset) on the CPU (A1) board to ground. If you are paranoid about soldering on the CPU board, the reset is also connected to connector P7 pin 1 (unused, for serial printer adapter) on the upper right side of the board. P7 pin 23 is a ground. So female .093" Molex connector pins can be soldered directly to the legs of the .1 mfd cap, with heat shrink tubing on the exposed cap leads. Then this cap connector an be plugged directly into P7 pin 1 and pin 23(top row-first and last pins). Leave the leads long enough to bend the body of the cap over the top of the connector so it would be out of harm's way.

    The problem with the capacitor solution is this is not really fixing the problem. It is enabling the WDOG inhibit circuit (A1P1). A better approach is to find the actual fault. Also sometimes the capacitor will not solve the power-on garbage problem, but sometimes it will. It can work flawlessly, or it can work intermittently with this modification.

The CPU board's U11 chip (74HC123AN). Replacing this chip will often
fix the garbage boot problem.

    The next (and probably better) course of action is to change the CPU board U11 (74HC123AN) chip located at the top left corner of the CPU board. It is important also to use a 74HC123AN and not a 74LS123. Also sometimes it's a good idea to try updating the EPROM to the newest revision. Often this will fix the problem too - at one time Gottlieb changed something in the software to stop this from happening.

    U8 Dot Matrix Controller GAL Chip.
    On the dot matrix controller board there is a custom programmed GAL chip at U8. This is a common failure point for the DMD controller board. If the game turns on and has garbage on the DMD, often the U8 GAL chip is bad. Also if the DMD controller board LED stays on and does not flash continually, this is another indicaton the U8 GAL chip is bad. The CPU board "talks" to the Dot Matrix Controller board, and if this U8 GAL switch is bad, the CPU board will not boot-up correctly.

    The GAL U8 chip fails for one primary reason; If any plug going to the Dot Matrix Controller board is removed or installed while the game is powered on, the U8 GAL chip can fail. This mean plugging in the dot matrix score display while the game is on can make the U8 GAL fail.

    Fortunatly the U8 GAL chip is available from a variety of sources such as Pinball Resource. The chip is not cheap though.

If the DMD shows garbage like this and the DMD controller LED is locked on,
chances are good the U8 GAL chip is bad.

    Resets.
    There was a bad run of memories on games near Shaq Attack. If the game resets over and over in two second intervals when powered on, replace the memory (6264) at U3 on the CPU board, EVEN IF IT PASSES THE CHECKSUM TEST.

    Another problem with constant game reboots is the CPU board chip U11 (74HC123), located at the top left corner of the CPU board. At one time gottlieb changed something in the software to accommodate reboots from happening, but this chip is another reboot problem. It is important to use a 74HC123 and not a 74LS123. Also sometimes it's a good idea to try updating the EPROM to the newest revision. Often this will fix the reboot problem too.


2c. Replacing the CPU Battery (Low Battery/BAD Ux errors).

    Constant "beep beep beep.."
    Game turns on and constantly beeps at the same rate as the sound board's LED which is also flashing. Display doesn't show anything and is completely off, GI is lite however. LEDs on the other boards are not on. This is often a problem with the CPU board's battery. If the battery is completely dead or removed, the game will not boot. Normally the game will give a "Low Battery" warning. But if the battery is totally dead or missing the power-on constant beeping will result. I have seen some System3 games that will do nothing with a dead battery (not even beep).

The display error seen when the CPU battery is dead.

    Low Battery or Bad U3/U6 Error.
    If the round flat 3.2 volt battery on the CPU board dies, the game will not boot past a message on the score displays stating, "Control board error, Low battery or Bad U3 or U6". Most often the problem is simply a dead battery.

A new CR2430 replacement battery and socket.

    The U6 chip is a Dallas DS1210 chip is a nonvolatile controller which monitors the battery status and write-protects the RAM contents. It looks at not only the battery's voltage but the battery's current too. The key here is proper current. The battery could be at 3.2 volts, but the game can still display the "Low Battery" error message. This is because the Dallas chip has determined that the battery can not supply enough current to maintain the RAM contents, regardless of the voltage level. This was found to be the case because we had a System3 board booting with a U6 battery low error message, yet the battery measured at 3 volts (which should be plenty of voltage for the RAM). However the current was apparently too low, since replacing the battery with a new one fixed the problem and the game boot properely.

    Though this battery (a lithum CR2430, 3.2 volts at 270 mAh, 24mm x 3mm) is easily bought at Radio Shack, the original is soldered to the CPU board. The ones easily found are not a solder-in type. Hence the best approach is to get a solder-in socket for this battery, so in the future the battery can be easily replaced (don't try and solder leads to a CR2430 battery - the battery can explode!)

    The "+" hole can be used for the socket's positive leg. But the negative socket leg will need to be soldered directly to the ground trace of the CPU board below the battery (see the picture below). The 24mm CR2430 3.2 volt lithium battery is available from Mouser.com part# 639-cr2430. The solder-in 24mm socket for the CR2430 battery is available from Mouser.com part# 614-hu2430-1.

The socket and battery installed on the CPU board. U6 pin 2 should show 3.2 volts.
The "+" hole can be used for the socket's positive leg. The large ground trace is
used to solder the battery holder's "-" leg.

    After the new battery is installed, check for 3.2 volts DC at U6 pins 2,3,6 (ground is U6 pin 4). Note there is no blocking diode used for the battery, as the battery only provides power to U6 pin 2 (the U6 chip manages power distribution to the RAM at U3, and the blocking diode is internal to the U6 chip). Upon first power up, the game will still display the same dead battery message. Just turn the game off, and power it back on, and the game should boot normally. If the battery error message still appears, there is most likely a problem with the Dallas DS1210 non-volatile controller chip at U6.

    Can the Game Still Run with a Low Battery Message?
    It's not completely obvious, but yes. Once the game is turned on and the low battery message is received, press the reset button on the CPU board. The game should now boot normally and play.

    Battery Voltage is 3 Volts but Game Still Reports "Battery Low".
    The U6 Dallas chip not only checks battery voltage, but also battery current. So a battery could show 3.2 volts but not have enough current. The Dallas U6 chip will report this problem with a "Low Battery" message.

    Using a Remote Mounted "AA" Battery Holder.
    Another alternative to the Lithium battery replacement is to use a remotely mounted "AA" battery pack. I actually prefer this style of battery replacement, for a couple of reasons. First the battery is mounted off the CPU board, so there's no risk of battery leakage onto the CPU board. Second "AA" batteries are a lot cheaper and easier to get than Lithium batteries.

Using a common 4 "AA" battery holder in a Gottlieb System3 game.

    The U6 Dallas 1210 has a maximum battery voltage of 4 volts. This means you cannot use three AA batteries (like most other pinball machines use for memory retention). A minimum of 2 volts at the U6 Dallas is required for retaining information, with the DS1210 having a 0.3V voltage drop through it's internal blocking diode. That translates to a minimum of 2.3 volts from the batteries. So TWO new "AA" batteries (ranging from 1.7 to 1.5 volts each) should be just perfect for a Gottlieb System3 remote battery pack (two "AA" batteries are 3.0 to 3.4 volts, which is plenty of headroom for the Dallas chip). No blocking diode is needed for the remote dual "AA" battery pack either (the blocking diode is built into the Dallas 1210 chip).

    It should be noted that I have worked on a System3 game where using a AA battery pack would *not* work. That is, the CPU board would not boot with a AA battery pack, but worked fine with a replacement CR2430 watch battery. This particular case was on a Cactus Jack (with the older style RAM). The CPU board just refused to come to life with the AA battery pack. Yet the CR2430 battery worked perfectly. Just something to keep in mind when working on a System3 game.

    Battery Corrosion.
    It was largely thought that Gottlieb's use of a Lithium battery would completely avoid any battery corrosion issues. But unfortunately that is not the case. Though a Lithium battery is not as likely to leak, and won't leak as severely, it CAN still cause corrosion damage! (See picture below.) Because of this potential problem, and the general hassle of finding and installing Lithium batteries, I use two remote mounted "AA" batteries for Gottlieb System3 pinball games.

A 1992 Cueball Wizard were the original Lithium battery has started to cause corrosion
damage to the Dallas U6 chip and the CPU board. This particular board's battery had
damaged the U6 chip enough so the game would not boot correctly (game booted with
nonsense text on the DMD and a very fast flashing CPU LED, and the game would not
go into attract mode or self-test).


2d. General Illumination Problems.

    Unfortunately it appears that Gottlieb was using organic flux when they were building the system 3 machines. The problem with this flux is it can be conductive (this info came from a ex Gottlieb designer). For example when Stargate came out there were reports that 1/3 of every all machines that out of the box had some kind of light problem. After locating the socket that was causing the problem it could be easily moved around and cracking type of noise heard, indicating a short of some kind.

    Fortunately most system3 games were fixed when the games were new by their owners. But some have reported about two or three a year showing up with that ONE faulty lamp socket. Often the easiest way to diagnose which socket is to unsoldering groups of bulbs, using a system of elimination.

    No Playfield General Illumination.
    If the playfield Illumination is missing, of course first check the A12 transformer panel fuse F9. If this fuse is Ok, then check the Tilt (T) relay. The Tilt relay has a single normally closed switch which completes the power path to the playfield GI. (If the game is tilted, this relay energizes which opens the switch, and turns the GI power off to the playfield). Sometimes the T relay switch can get mis-adjusted and cause the playfield GI to never work.

    No Backbox General Illumination.
    If the backbox Illumination is missing, of course first check the A12 transformer panel fuse F8. If this fuse is Ok, then check the backbox GI (A) relay. The "A" relay has a single normally closed switch which completes the power path to the backbox GI. Sometimes the A relay switch can get mis-adjusted and cause the backbox GI to never work.


2e. Setting Free Play.

    Here are the steps to setting a Gottlieb System 3 game to freeplay:

    • Open the coin door look inside the left side of the coin door for the Game Control Board A26.
    • Set the tournament switch to 'on'.
    • The tournament adjustments will now appear on the display. Use the left flipper button to select the adjustment (free play), and the right flipper button to change the adjustment (on/off).
    • Once changed the adjustment is in affect (IE, it's a real-time edit).

Moving the tournament switch to "on".

Moving the tournament switch to "off".


2f. Built-in Diagnostics and Audits.

    Inside the coin door is a small A26 diagnostic board with the game's sound volume control, a tournament toggle switch, and a yellow push button switch. The push switch is what puts the game into audit/adjustments/diagostics mode. Pressing this switch three times will put the game into diagnostic self-test mode. Pressing the yellow Test button will advance from each of the nine self-test modes.

A26 Diagnostics, Audits, and Adjustments access panel located inside the coin door.

Selecting Self-Test.

Selecting Self-Test.

Self-Test#1: Memory.

Self-Test#2: All Lamps Check (including Flash lamps). All the CPU controlled lamps will flash together. The Flash lamps cycle from one lamp to the next, and then repeat.

Self-Test#3: Individual lamp test. Use the right flipper button to select lamp, credit button to energize. Lamp 00 to B7 (96 possible lamps total).

Self-Test#4: Relay & Solenoid test. Use the right flipper button to select coil, credit button to energize. Tests Q1-Q32 (solenoids 0 to 31).

Self-Test#5: Switch test. All inoperative switches a shown first. Then switches can be checked. Press credit button to show all inoperative switches again.

Self-Test#5: Switch test. After showing all inoperative switches, other switches can be tested.

Self-Test#6: Display test. Press right flipper to advance test.

Self-Test#7: Sound test. Makes eight different solid tones by pressing right flipper button.

Self-Test#8: Coin door test. Test the coin door switches.

Self-Test#9: Auxiliary Driver board test. Not all games have this test since not all games use this board. Auxiliary driver board runs eight additional flash lamps (numbers 0 to 7).

    Pressing the A26 Test button after the last test will wrap the tests around to the first (memory) test. Use the SLAM switch inside the coin door to exit the self-test mode.


2g. Locked-on or Not Working Coils (Driver board) and MosFET Testing/Replacement.

    Semi-Working Slingshot Coils.
    Before starting to diagnose non-working slingshots, I need to state something kind of strange about Gottlieb System3. In the past on System1 and System80, the slingshots (aka triangle kickers or kicking rubber by the flippers) were not computer controlled. If the slingshot rubber got caught on the slingshot switch or the switch mis-adjusted, the coil could lock on and burn.

    With System3 Gottlieb made the slingshots CPU controlled. This is just like Bally always had, and Williams had from System11b (1987) and newer. But the interesting thing about Gottlieb is this: they programmed the slingshots so more than a few repeative hits withing a short time frame, and the CPU would completely disable the slings!

    This was really strange to me, because often I will have the top glass off and be testing all the game's coils with a pinball in my hand. I'll put the ball in front of the slingshot rubber to make sure it works, hitting it quickly and several times to see the coil fire. It works a couple hits, then stops working. Points still score for the slings, but no coil kick. If I turned the game off and back on, the slingshots would again work fine until they kicked several times in a short time span, at which time they would no long kick.

    At first this really confused me. Why would the slingshots work "part time"? But after thinging about it, I realized this was done on purpose by Gottlieb. The software for the game was written this way. Gottlieb figured if a slingshot was firing many times in short span, the slingshot rubber switch was probably stuck or adjusted too close. So the CPU would disable the coil. This prevents the slingshot from "machine gunning" itself to death. "Machine gunning" is where the slingshot switch is adjusted too close, so after the slingshot kicks, the backward rebound force of the rubber closes the slingshot switch again, re-energizing the coil. This happens over and over causing the coil to give a "machine gun" affect (very common on Williams and Bally games). Eventually this will cook the circuit that drives the coil, and lock the coil, burning it. So Gottlieb wrote into their system code a safety feature that disables the slingshot coil if it thinks the coil is firing too much in a short span of time. Because in real game play, rarely are there repeative slingshot fires in a short time span (pop bumpers yes, slingshots no). Just keep this in mind when working with Gottlieb System3 slingshots. What you might think is a slingshot problem, really is not a problem.

    Locked On Coils.
    Symptoms of a bad driver board MosFET would include a coil or flash lamp that turns on and stays on ("locks on") immediately upon game power-on.

    Remember there is always power at the coils and flash lamps at all times when the game is turned on. This can easily be tested using a multimeter (DMM) set to DC volts. Put the black lead on ground (metal case or side rails of the game), and the red lead on any lug of a suspected coil. For coils 50 to 60 volts DC should be seen at all coil lugs, and 12 to 20 volts DC seen at the flash lamps. If no voltage is seen, suspect a bad fuse. Or possibly a broken "daisy chain" up-stream (power links from coil to coil). If power is seen at only one lug, then the coil or flash lamp itself is bad.

    The job of the MosFET on the driver board is to momentarily turn on the ground path to any particular coil or flash lamp, when the CPU board dictates. If a coil or flash lamp is stuck-on this often mean its associated MosFET is shorted internally and is leaving the ground path "on". A coil that never turns on (assuming there is power at the coil) often means a MosFET is "open" internally and can not turn on. The tests below should help identify any MosFETs with these problems.

    Standard Testing Protocol.
    For a non-working coil or flashlamp, testing is essentially the same on a Gottlieb system3 game as it is for another other pinball game. Here are the general testing steps for a non working coil:

    1. With game power off, put a DMM set to ohms on the coil in question. If testing a flashlamp, remove the lamp and check its ohm reading. It should read 3 ohms or higher for coils. If null ohms, the coil/flashlamp probably has a broken winding and needs to be replaced. If the coil reads zero (or near zero) ohms, either the 1N4004 coil diode is shorted or the coil itself is internally shorted.
    2. Game power on and in attract mode, put DMM on DC volts. Put red DMM lead on either coil or flashlamp lug, and black DMM on ground. Should see 50 to 60 volts DC for coils and about 20 volts DC for flashlamps. If power only seen at one coil/flashlamp lug, the device is bad. If power not at either lug, probably a blown under-playfield fuse. Could also be the power "daisy chain" is broken upstream (remember coil/flashlamp power chains from device to device).
    3. Game power on. Using an alligator clip test lead, attach one end to ground. Momentarily touch the other end of the alligator test lead to the NON-BANDED diode coil lug (for a flash lamp there is no diode, just be sure to touch the ground side of the lamp socket, which is the side *not* daisy-chained to other flash lamps). The coil or flashlamp should fire. If not and there's power at the coil/flashlamp, suspect a mechanical issue or a bad coil/flashlamp.
    4. Using the schematics, find which MosFET transistor controls this coil (the "Q" number, for example Q28).
    5. Game power on. Using an alligator clip test lead, attach one end to ground in the backbox. Momentarily touch the other end of the alligator test lead to the metal tab on the MosFET (for our example, Q28). This should energize the coil or flashlamp.

    The above procedure tests the device in question from the driver board to the device. It does not test the MosFET however (how to do that is shown below). Note this testing procedure also applies to the devices driven by the Auxiliary Driver board (the small eight MosFET board used for additional game flash lamps).

    Testing Solenoid Driver 12N10L or IRL530 MosFETs.
    The MosFETs used for the Solenoid/Flashers, Lamp Matrix Return lines and Lamp Matrix Strobe lines on the Gottlieb System3 driver board can be tested with a Digital Multimeter (DMM). This is similar to testing TIP Darlington transistors used in other pinball machines. Please keep in mind the same testing principles apply. That is, using a DMM to test a MosFET is only about 95% accurate. Sometimes a MosFET can test as "good", yet really be bad.

    If I have the driver board out of a game, it only takes a moment to test a MosFET with a DMM. If I get any suspect readings, I replace the part. It saves work down the road.

    Here is the testing procedure for the 12N10L/IRL530 MosFETs used for Solenoid/Flashlamps and Lamp Matrix return lines (Q1-Q32 and Q45-Q52). These are also used on the Auxiliary Driver Board.

    • Game off and preferably the driver board removed from the game. If board still in game, remove connectors P5 and P6.
    • Set your DMM to "diode" test function.
    • On the component side of the board, put the black DMM test lead on the metal case (or center leg) of the MosFET in question.
    • Put the red DMM test lead on the lower leg (leg nearest to the P5/P6/P7 connectors).
    • A reading of .4 to .6 should be seen.
    • Typically a bad MosFET will show .2 to .3; if this is the case, replace the MosFET.
    • Next put the red DMM test lead on the upper leg (leg away from the P5/P6/P7 connectors).
    • A reading null reading should be seen.
    • Typically a bad MosFET will show .2 to .3 volts. If this is the case, replace the MosFET.

Testing a Solenoid 12N10L or IRL530 MosFET: DMM set to diode function, black DMM
lead on the middle leg or metal tab of the MosFet, red DMM lead on the bottom
MosFET leg. Should show .4 to .6 on the DMM.

DMM set to diode function, black DMM lead on the middle leg or metal tab of the
MosFET, red DMM lead on the upper MosFET leg. Should show a null reading.


Here's the same test with a bad Solenoid 12N10L MosFET: DMM set to diode function,
black DMM lead on the middle leg or metal tab of the MosFet, red DMM lead on the
bottom MosFET leg. This reading shows a bad MosFET (it should show .4 to .6)

Same test with a bad Solenoid 12N10L MosFET: DMM set to diode function, black DMM
lead on the middle leg or metal tab of the MosFet, red DMM lead on the upper MosFET
leg. This reading shows a bad MosFET (it should show a null reading).

    Replacement MosFETs for Gottlieb System3 Driver Boards.
    The 12N10L (or IRL530) MosFETS were used to drive solenoids/flasher (Q1-Q32) and the Lamp Matrix Return lines (Q45-Q52), and also on the Auxiliary Driver board (if your game has one). They can be easily replaced with the more robust 20N10L or 22NE10L or IRL540 MosFETs. The key to any MosFET replacement is the "L" in the part number. This implies the device can be driven by Logic (TTL) circuits (denotes logic level switching), which is required for the Gottlieb System3 driver board. For example IRF530 MosFETs can *not* be used instead of IRL530. The IRF Mosfet has a higher Vgs threshold voltage, where the IRF's Vgs voltage is higher than the guaranteed output high voltage of a typical logic gate. The IRF needs a higher gate voltage to turn it on, so IRF parts won't work in Gottlieb System3 pinballs. The IRL MosFETs are absolutely required. For Gottlieb System3, the IRL540, 20N10L or 22NE10L are the best replacements, as they have higher drain current capabilities.

    • IRL530 - 100 volts, 12 amps continuous. Aka NTE2987. The "L" in "IRL" means logic level drive, which is an important aspect of this MOSfet.
    • 12N10L - 100 volts, 12 amps continous. Exactly the same as the IRL530 (Gottlieb uses the more generic 12N10L nominclature).
    • 20N10L - 20N10L replaces either an IRL530 or a 12N10L, but not vice-versa. 20N10L MosFETs have been discontinued. The replacement is a 22NE10L, which is an enhanced version that can sink 10% more current (22 amp versus 20 amps). The 20N10L was used in Pinball 2000 and Stern Whitestar driver boards too.
    • IRL540 - 100 volts, 36 amps continuous, so this is a bit more robust than a 20N10L or 22NE10L. You can replace the 20N10L or 22NE10L with an IRL540.
    • 12P06 or IRF9530 or NTE2383. Used for Gottlieb System3 Lamp/Switch Matrix Strobe lines. This is a "P" channel MosFET. Also note the IRF prefix, which is correct for this part.

    The "IR" in the above part numbers means International Rectifier company. The "L" after the "IR" means logic level drive. International Rectifier had their own MOSfet numbering system like the IRL530 and IRL540. The generic part number are 12N10L and 20N10L. The first pair of numbers refers to the current rating. In the case of a 20N10L, it is rated at a maximum drain current of 20 amps. The N indicates an "N channel" FET. Some FETs are of opposite polarity and known as "P channel" FETs (like the 12P06/IRF9530 used for the Lamp Matrix). The final two numbers indicate the voltage rating, where "10" means 100 volts. The "L" suffix indicates that a logic level can be used to turn the FET on.

    Note you cannot substitute an IRF Mosfet for an IRL Mosfet. The IRF Mosfet has a higher Vgs threshold voltage. The IRF's Vgs voltage is higher than the guaranteed output high voltage of a typical logic gate - it is intended to have a higher gate voltage to turn it on. The IRL (L = Logic Level Gate Voltage) is designed to turn on the MOSfet using the output high (5 volts) of a typical logic gate. Note that MosFETs should be handled as a static sensitive part. This is unlike the TIP Darlingtons used on Bally/Williams games which love to roll around in the bottom of your tool box.

    12N10L/IRL530 versus BUZ72L MosFETs.
    On some CueBall Wizard games the factory installed a different number MosFET instead of the usual 12N10L. The suspect parts have part number BUZ 72L. Assume they are all bad and replace them all. The symptom is current leakage and intermittent coil hold-in. It is mostly a problem with low-ohm, high-power coils such as VUK (vertical up kicker). The price on 12N10L has dropped to below a dollar from many of the pinball part houses, so replacing all the BUZ72L parts should not be that expensive.


2h. Locked-on or Not Working CPU controlled Lights.

    Because the Lamp Matrix and the Switch Matrix share the same twelve strobe lines, a shorted lamp socket can cause havoc with the Switch matrix. Also the organic flux used on Gottlieb lamp sockets can cause lamp shorts, which in turn can cause strange and mysterious switch matrix problems. Someone once told me about a System3 Stargate game that would automatically add credits to the game every few minutes. It turned out to be a shorted lamp socket (due to organic flux) which caused a short in the switch matrix.

    Activating all Lamps in a Lamp Return Line (column).
    The eight lamp matrix return lines use eight MosFET 12N10L or IRL530 transistors on the driver board at Q45-Q52. Because these are N-channel MosFETS, the metal tab on each lamp matrix MosFET can be momentarily grounded with an alligator test lead. This will turn on all eight lamps connect to that lamp matrix return line (lamp column). This is a handy way to test for lamp matrix problems.

    Testing the Lamp Matrix Return Line 12N10L or IRL530 MosFETs.
    Here is the testing procedure for the 12N10L/IRL530 MosFETs used for Lamp Matrix return lines (Q45-Q52). This procedure was described (with pictures) in the Coil Problems section of this document.

    • Game off and preferably the driver board removed from the game. If board still in game, remove connectors P5 and P6.
    • Set your DMM to "diode" test function.
    • On the component side of the board, put the black DMM test lead on the metal case (or center leg) of the MosFET in question.
    • Put the red DMM test lead on the lower leg (leg nearest to the P5/P6/P7 connectors).
    • A reading of .4 to .6 should be seen.
    • Typically a bad MosFET will show .2 to .3; if this is the case, replace the MosFET.
    • Next put the red DMM test lead on the upper leg (leg away from the P5/P6/P7 connectors).
    • A reading null reading should be seen.
    • Typically a bad MosFET will show .2 to .3 volts. If this is the case, replace the MosFET.

    Testing Lamp/Switch Matrix Strobe Line 12P06 or IRF9530 MosFETs.
    Here is the testing procedure for the 12P06 or IRF9530 or NTE2383 MosFETs (Q33-Q44) used for the Lamp Matrix Strobe lines on the driver board.

    • Game off and preferably the driver board removed from the game. If board still in game, remove connectors P5 and P6.
    • Set your DMM to "diode" test function.
    • On the component side of the board, put the red DMM test lead on the metal case (or center leg) of the MosFET in question.
    • Put the black DMM test lead on the lower leg (leg nearest to the P5/P6/P7 connectors).
    • A reading of .4 to .6 should be seen.
    • Typically a bad MosFET will show .2 to .3; if this is the case, replace the MosFET.
    • Next put the red DMM test lead on the upper leg (leg away from the P5/P6/P7 connectors).
    • A reading null reading should be seen.
    • Typically a bad MosFET will show .2 to .3 volts. If this is the case, replace the MosFET.

Testing a Lamp Matrix Strobe 12P06 or IRF9530 MosFET: DMM set to diode function,
red DMM lead on the middle leg or metal tab of the MosFet, black DMM lead on the
bottom MosFET leg. Should show .4 to .6 on the DMM.

DMM set to diode function, red DMM lead on the bottom leg of the 12P06 MosFET,
black DMM lead on the top MosFET leg. Should show .4 to .6 on the DMM.

    No 555 Lamps Under the Playfield.
    Gottlieb fortunately did not go down the evil path that Bally/Williams did by using 555 lamps. The 555 lamps are notorious for bad connectivity. The #44/47 lamps and sockets that Gottlieb used on System3 games were much more reliable.

Gottlieb used small circuit boards on their #44/47 lamp sockets
to hold the 1N4004 diode.

Gottlieb never used #555 lamps for under the playfield mounted light boards.
This is a big improvement in quality over what Williams/Bally used.


2i. Switch Problems and the Switch Matrix.

    Shared Strobe between Lamp and Switch Matrix.
    Because the Lamp Matrix and the Switch Matrix share the same twelve strobe lines, a shorted lamp socket can cause havoc with the Switch matrix. Also the organic flux used on Gottlieb lamp sockets can cause lamp shorts, which in turn can cause strange and mysterious switch matrix problems.

    Multiple Switch Closures & Strange Switch Behavior.
    Problem: Putting the game into switch self-test, whenever I close any switch on the strobe 5 row of the matrix, I also get 5 other switches in the same COLUMN showing closed. This is shown in the self-test switch mode. All under PF diodes have tested good.
    - Close row 5, switch 51, get 01, 21, 31, 51, 61, 71 closed
    - Close row 5, switch 53, get 03, 23, 33, 53, 63, 73 closed

    Answer: One thing to double check if there is a problem in the lamp matrix. Go through the individual lamp self-test and make sure you don't have two lights turning on at the same time. Or perhaps a dim light in the lamp matrix (this can sometimes be due to just a bad light socket). But a shorted transistor in the lamp matrix or a bad socket can cause switch matrix problems like this. Unfortunately removing driver board connector A3P4 (lamp matrix return lines) won't help, because the problem is on the shared strobe lines. If A3P3 (strobes) is removed, neither the lamp matrix or the switch matrix will work, so this doesn't help either.

    Someone once told me about a System3 Stargate game that would automatically add credits to the game every few minutes. It turned out to be a shorted lamp socket (due to organic flux which was semi-conductive) causing a short in the lamp & switch matrix.

    An easy way to test for random switch closures is to put the game in switch self-test. After the initial report of "inoperative" switches, the game should display an "all switches open" message (it's a good idea to remove the balls from the game to maximize the number of open switches). Now walk away from the game, and come back in 15 minutes. If there were any random switch self-closures, it will display on the dot matrix display (the last closed switch description and number will stay on the display). If this happens, note the switch number, and investigate all the switches and lamps in that strobe and return lines. In particular look for lamp sockets with large amounts of flux on the solder points.

The A17 diode board mounted under the playfield for the switches.
This board also uses 1/4 watt 220 ohm switch matrix resistors, which like to burn.

    Switch Matrix Strobe (Row) Resistors.
    The Gottlieb system3 switch matrix has 12 strobes (rows) and 8 columns, for a total of 96 potential switches. The thing to remember is these 12 switch matrix strobes (rows) are also the same 12 lamp matrix strobes (rows). I know, I said that already. But it's worth repeating.

    A problem often seen on the system3 switch matrix is a complete row (strobe) of 8 switches not working. The first impulse is to check the driver board A3P3 connector at the upper left hand corner, where the switch strobe wires come to the driver board. These connect to a 12P06 mosFet transistor, which is easily tested with a DMM set to the diode function (.5 and 1.1 volts should be seen with the black lead on the center mosFet leg). But chances are good this is not the problem.

    A further test of the driver board can be conducted by putting the game into switch matrix test. Then remove the upper left corner A3P3 connector. Using an alligator test lead connected to the strobe pin in question, touch the other end of the alligator lead to any pin of the switch matrix column A3P5 connector at the lower left corner of the driver board. This should show a switch closure in the switch matrix test. This will prove if the driver board is at fault or not.

    In one game I worked on, the coin switches, start button, front door, and tournament buttons did not work. These are all in strobe0 (row0) of the switch matrix. The driver board Q33 mosFet tested fine too. This was a 400 color (yellow,black,black) wire. Even though it only services switches in the front door area of the game, the y/bk/bk wire went to the playfield. This is because the wire then goes to 8 lamps in the lamp matrix, all using strobe0. Now the wire daisy chains from the lamps to a small 2"x2" circuit board mounted under the playfield. This board contains all the 1N4148 (or 1N914) diodes for the switches. And the strobe0 line goes through a 220 ohm resistor mounted on this board. Finally the wire changes color (to grn/grn/grn for strobe0 in this example), and then goes out of the playfield, and to the coin door area (in this case).

    The reason why none of the eight Strobe0 switches worked was because the small 1/4 watt 220 ohm switch matrix resistor mounted on the small 2"x2" diode board had burned up. Replacing the resistor fixed the switch matrix problem, and the game worked. This is probably the extent to which you will have switch matrix problems on a Gottlieb system3 game.

    Smart Switches (Piezo Film Sensor).
    Sometime during the dot matrix era of System3 games, Gottlieb introduced a new style of switch called the "Smart Switch". Co-patented by both Gottlieb and a major switch manufacturer, the Smart Switch boasted millions of cycles without wearing out. Also there is no adjustment needed on this switch (do not try and bend the wide switch blade as this can damage the Piezo film, ruining the switch). Essentially there are no moving parts for the switch to break. Also dirt and smoke does not effect the Smart Switch.

    There are some Smart Switch differences. The green pcb SS is for stand-up targets and rollovers. The blue pcb SS is for the pop bumpers only. They operate in inverse. The green pcb switch operates on return of the piezo film. The blue operates on initial flex of the piezo film. This was done to get the proper action from the pop bumpers. You can interchange them but it's not a good idea. For example, the pop bumper blue version causes short kicks when used in a kickback lane, as the plunger is extended too soon.

    Though the Smart Switch is a cute idea, I am not entirely sold on it. To me it is a bit like engineering for engineering sake. Luckily though, Smart Switches are downward compatible to regular switches. So if a Smart Switch fails, it can be replaced with a normal blade or micro-switch (without a diode, as all Gottlieb switch diodes are remotely mounted on an under-playfield mounted diode board).

    Sometimes there are questions on the Gottlieb Smart Switch as to what is pin 1 (strobe) and pin 2 (return). Hold the switch with the green pcb facing you (the side of the pcb with no components). If you have the switches that use the connector, the lock tab will be on the right. The lock tab side is the return side (pin 2), and there should be two wires in that connector hole. If you have no connector the right side is still the return side (pin 2). There is also a rib on the pin 1 side of the plastic connector and plug with a little "1" on the back of the plug on the tab that extends outward opposite the locking lever, denoting pin 1.

Smart Switch drawing and schematic.

Smart Switch used on Dot matrix System 3 games.

The tiny surface mounted components can be seen mounted on the Smart Switch.

A stand-up target style Smart Switch.


2j. Opto Switches.

    One issue with System 3 games are the optos, as they can have cold solder joints. Reflowing a little solder on both points of both optos will fix most problems.

Opto schematics from Stargate.


2k. Score Display Problems.

    WARNING: Do not remove the power plug to the Dot Matrix Display (or any plug on the A8 dot matrix controller board) while a System3 game is turned on!
    Removing power to the dot matrix display can blow the three small transistors in the High Voltage section of the Dot Matrix Controller board. Or worse, it can blow the U8 GAL dot matrix chip. Yes I know, you swap DMD displays all the time on Williams/Bally dot matrix games with the power on. But you CAN NOT do this on a Gottlieb System3 game, as it will damage the DMD Controller board!

    Missing 64 Volts.
    Sometimes the +64 volt supply for the display will not function. This is often caused by a blown Q1,Q2 (2N5551) transistors on the A8 dot matrix display controller board. This is usually caused from someone removing or installing the power plug to the DMD while the power is turned on.

The high voltage (HV) section of a Dot Matrix Controller board.

    Gottlieb System 3 Dot Matrix Controller High Voltage Rebuild.
    To rebuild the high voltage DMD voltage circuit on the DMD controller board, replace the following:

    • 1N4759A - 62 volt Zener Diode at VR1
    • 1N4758A (2) - 56 volt Zener Diode at VR2,VR3
    • 1N4742A (2) - 12 volt Zener Diode at VR4,VR5
    • 1N4004 - 400V 1 amp diode at D9
    • 2N5551 (2) - Transistor at Q1,Q2
    • MJE15030 (2) - Transistor at Q5,Q6
    • MJE15031 - Transistor at Q7
    • 2N5401 (2) - Transistor at Q3,Q4
    • 47K ohm resistor 1/2 watt at R12,R13,R14,R15
    • 120 ohm resistor 1/2 watt at R16,R17
    • 4.7K ohm resistor 5 watt at R18
    • 1.8K ohm resistor 5 watt at R19

The high voltage (HV) section of a Dot Matrix Controller board and the
DSPROM (EPROM) and U8 GAL chip (lower right).

    U8 DMD Controller GAL Chip.
    On the dot matrix controller board there is a custom programmed GAL chip at U8. This is a common failure point for the DMD controller board. If the game turns on and has garbage on the DMD, often the U8 GAL chip is bad. Also if the DMD controller board LED stays on and does not flash continually, this is another indicaton the U8 GAL chip is bad. The CPU board "talks" to the Dot Matrix Controller board, and if this U8 GAL switch is bad, the CPU board will not boot-up correctly.

    The GAL U8 chip fails for one primary reason; If any plug going to the Dot Matrix Controller board is removed or installed while the game is powered on, the U8 GAL chip can fail. This mean plugging in the dot matrix score display while the game is on can make the U8 GAL fail.

    Fortunatly the U8 GAL chip is available from a variety of sources such as Pinball Resource. The chip is not cheap though.

If the DMD shows garbage like this and the DMD controller LED is locked on,
chances are good the U8 GAL chip is bad.

    Outgassed DMD Score Display.
    Because Gottlieb system3 runs the High Voltage (HV) DMD power at lower levels than Williams/Bally, an outgassed DMD display will be worse on a System3 game. Often a DMD score display will work fine in a Williams or Bally dot matrix game, but will look terrible (or not work at all) in a Gottlieb System3 pinball game.

    Gottlieb Alpha-Numeric Latched Driver Problems.
    This information is regarding the 20 digit alpha numeric Gottlieb display MA-1361. It uses a Fluorescent latched driver at U9 (TI5812N or UCN5812F or A6812). This chip is obsolete and difficult to find. Failure mode is a blank display of both 20 digit tubes, and F5 fuse at transformer module A12 (1/4 amp) is blown.

    If you try to play the game it most likely will have strange behavior and even reset during play. Display board U9 may be hot to the touch. This is even with F5 blown. The reason for this is U9 is a dual voltage part. With F5 blown the 47vdc is not present, but the +5 volts is. The common failure mode of this device is a short internally between pin 1 (Vbb) and pin 14 (Ground). This creates excessive current draw to the four diode bridge CR1-CR4 on the display board.

    The reason this problem plays havoc with the game is this. With this chip shorted internally, the +5 can be affected and draw more current. This is why the chip can be very warm to the touch. Since the power supply is not self-adjusting, the +5vdc will drop, depending on the amount of current through U9 to ground, causing CPU resets due to low 5 volts. This happens especially during a power increase from coils operating.


2L. Sound Problems.

    If either both Auxiliary sound power fuses F10 and F11 are blown, no sound will work in the game. If only one Auxiliary sound power fuse is blown, usually the sound will still work (just not as loud). Auxiliary Power Supply holds the sound amplifiers (TDA2040, but can be replaced with the less powerful TDA2030). Also the op-amp MC3403 (or LM324AN or NTE987) can be blown, along with the LM340T (or 7805) +5 voltage regulator. If the game boots with the "dual tone squelch" than the sound boards are working. The CPU board's A1P4 connector must be in place or the CPU board can not talk to the Sound board. If this conector is removed, the sound board won't boot properely and there will be no sound.


2m. Misc. Problems and Fixes

    Problem: Strange speaker noise, constant hum.
    Answer: The LM7809 voltage regulator at the end of the circuit on the Auxuliary Sound board was bad. It was putting out good voltage for the system to work, but just had some kind of wierd noise.

    Gottlieb Rubber Sizes.
    Gottlieb lists rubber part numbers in their manuals, but does not indicate the actually sizes and types of rubber. So below is a list of the rubber parts and sizes.

    Part#Rubber Type
    #E-15Rubber Tip
    #986Rubber grommet - drop target
    #1872Rubber plunger tip
    #2752Rubber grommet - chime
    A-1344Rubber rebound
    A-5240Rubber grommet
    A-10217Rubber ring 3/8"
    A-10218Rubber ring 3/4"
    A-10219Rubber ring 1"
    A-10220Rubber ring 1-1/2"
    A-10221Rubber ring 2"
    A-10222Rubber ring 2-1/2"
    A-10223Rubber ring 3"
    A-10224Rubber ring 3-1/2"
    A-10225Rubber ring 4"
    A-10226Rubber ring 5"
    A-13149Flat beaded rubber ring - 2" small flipper, red
    A-13151Rubber ring - 3" flipper, red
    A-14793Rubber ring - mini post, 23/64"
    A-15705Rubber ring - mini post, 27/64"
    A-17493Rubber ring 7/16"

    Quesion: Why do Gottlieb System3 games use #67 flasher bulbs instead of #89?
    Answer: The #67 bulb has a much higher life rating than the #89 bulb, and the flash circuits are designed for the #67. #67 bulbs are 13.5 volts, 4 candlepower, .59amps, and have a life of 5000 hours. Compare this to the #89 which is 13 volts, 6cp, .58amps, and have a life of 750 hours. Note in some cases, a #89 just won't work in a Gottlieb System3 game. Gottlieb also used a #904 flasher, but only in Freddy to my knowledge. The 904 is a 14 volt wedge style flasher bulb with 4 candlepower. It's a slightly dimmer version of the 906 (6 candlepower). In a pinch, the 906 bulb can be used instead of a 904. But don't use a #912 (12cp), as that bulb draws way too much current and is too bright.



* Go to the Pin Fix-It Index
* Go to Marvin's Marvelous Mechanical Museum at http://marvin3m.com