Repairing Bally 6803 Pinball Games
from 1985 to 1989

by cfh@provide.net, 01/10/09.
Copyright 2003-2009 all rights reserved.
WORK IN PROGRESS.

Scope.
This document is a "work in progress" repair guide for Bally 6803 pinball games made from 1985 (Cybernaut) to 1989 (Atlantis).

Internet Availability of this Document.
Updates of this document are available for no cost at http://marvin3m.com/fix.htm if you have Internet access.

IMPORTANT: Before Starting!
IF YOU HAVE NO EXPERIENCE IN CIRCUIT BOARD REPAIR, YOU SHOULD NOT TRY TO FIX YOUR OWN PINBALL GAME! Before you start any pinball circuit board repair, review the document at http://marvin3m.com/begin, which goes over the basics of circuit board repair. Since these pinball repair documents have been available, repair facilities are reporting a dramatic increase in the number of ruined ("hacked") circuit boards sent in for repair. Most repair facilities will NOT repair your circuit board after it has been unsuccessfully repaired by you. If you aren't up to repairing your circuit boards yourself, please see the parts & repair sources web page for professional repair people.

Table of Contents

Bibliography and Credit Where Credit is Due.
Many of the ideas in this repair guide are not original. Lots of people contributed to this document, and I just want to say, "thanks!" Below are a list of the resources used in the development of this guide. Some resources/people may have been innocently left out. If this is the case, and an idea is here that was originally yours, please notify me and I will make sure to give you credit!

Some people question whether I wrote all this material myself. I did, but of course like everyone, my repair techniques and ideas are gathered not only from my own experience, but from work that others in this hobby do and share at shows, on the internet, etc. So if you're the originator of some cool trick or tip in this document, and I'm not giving due credit, just let me know and I'll add you to the list of contributors above.



1a. Getting Started: Experience, Schematics

    What Repair Experience Is Expected?
    Little experience in fixing pinballs is assumed. Basic electrical knowledge is helpful, but not necessary. I do assume you can solder and use the basic features of a Digital Multi-Meter (DMM) such as measuring voltage and resistance. Please see http://marvin3m.com/begin for details on the basic electronics skills and tools needed. This document should help if you just bought your first (or second, or third) pinball "as-is", and hope to fix it.

    Manual/Schematics - REQUIRED FOR THIS SYSTEM OF GAMES.
    Bally 6803 games absolutely require a game manual. The "register" system of adjustments and audit unfortunately make fixing, diagnosing and adjusting these games impossible without the game manual. So don't be cheap, just get one! See the Parts page for recommended sources of a game manual.

    Some online schematics are available too:


1b. Getting Started: Necessary Tools
    Fixing electronic pinball games will require a few tools. Luckily, most are not that specialized and are easy to get.

    Non-Specialized Tools Required:

    • Work Light: clamp style lamp
    • Screwdrivers: small and medium size, phillips and flat head
    • Nut Drivers: 1/4", 5/16", and 11/32"
    • Wrenches: 3/8", 9/16", 5/8" required, other sizes suggested
    • Allen Wrenches: get an assortment of American sizes
    • Needle Nose Pliers
    • Hemostat. Handy for holding parts and springs. Best to have both the curved and straight versions if possible.

    Specialized Tools Required:
    These specialized electronics tools are needed. Please see http://marvin3m.com/begin for details on the basic electronics tools needed.

    • GAME MANUAL. This is a *must* for the Bally 6803 games.
    • Alligator clips and wire. Buy these at Radio Shack, part number 278-001, $3.69.
    • Soldering Iron.
    • Rosin Core 60/40 Solder.
    • De-soldering tool.
    • Digital Multi-Meter (DMM).
    • Logic probe.
    • Hand Crimping Tool: Molex WHT-1921 (part# 11-01-0015), Molex part# 63811-1000, Amp 725, or Radio Shack #64-410.

    Cleaning "Tools" Required:

    • Novus #2 or MillWax (for cleaning playfields and rubber)
    • Novus #3 (for polishing metal parts)
    • Johnson's Paste Wax or Meguire's Carnauba Wax (for waxing playfields and cleaning rubber)
    Novus is available at many places (my local grocery store sells it), or from any good pinball vendor. I don't recommend MillWax, but others like it (mostly because they have been around for a LONG time and are used to it). Do not use any Wildcat products or CP-100! They react with plastic and can yellow ramps and lift mylar. Johnson's paste wax or Meguires Carnauba Wax is available at Walmart or the like.


1c. Getting Started: Parts to Have On-Hand
    When fixing electronic pinballs, I would highly recommend having some parts on-hand to make things easier and cheaper. All these parts are available from a pinball retailer.

    Parts to have:

    • GAME MANUAL. This is a *must* for the Bally 6803 games.
    • #555 light bulbs: have 20 or so around. Fifty is plenty to do most games.
    • #89 flash bulbs: have 10 or so around.
    • Fuses: I would have five of any needed value on hand at all times.
      Get 250 volt fuses, not 32 volt (32 volt fuses are for cars). Radio Shack sells fuses for a decent price. Slow-blo fuses are known as MDL fuses. Fast-blo fuses are known as AGC fuses. Though fuses are game specific to some degree, here's a list that covers most 6803 games:
      • 1/4 amp slow-blow
      • 2.5 amp slow-blow
      • 4 amp slow-blow
      • 5 amp slow-blow
      • 7 amp slow-blow
      • 8 amp slow-blow
      • 10 amp slow-blow
      • 10 amp fast-blow
      • 15 amp fast-blow
      • 20 amp fast-blow
    • Nylon Coil Sleeves
    • Shooter Spring: the short chrome spring on the outside of the shooter mechanism. These rust and look like crap in short order.
    • 1 1/16" Pinballs: a new pinball will make your playfield last longer.
    • Leg Levelers: replace those old crummy looking leg levelers with brand new ones. 3" are used on solid state games.
    • Rubber Rings: you can order game-specific ring kits with exactly the rings you need. Don't forget to get flipper rubbers and a shooter tip.
    • 2N5060 Silicon Controlled Rectifiers (lamp matrix). This is a .8 amp at 30 volt device. Available from Mouser (part# 610-2N5060, $0.39). Also a 2N5062 (.8 amp 100 volt) can work too.
    • MCR106-1 or NTE5411 Silicon Controlled Rectifers (lamp matrix). Also known as a T106. This is a 4 amp at 30 volt device. Available from Mouser (part# 519-T106F1, $0.75).
    • TIP102 (a more robust replacement of the SE9302/2N6045/TIP122/NTE263 solenoid driver transistors).
    • CA3081 or NTE916 (used to drive coils). This is the pre-driver transistor array. It looks like a chip, but it's actually several transistors mounted in a chip package.
    • 1N4004 diodes (used on the CPU board and on coils).
    • 1N4148/1N914 diodes (used extensively).
    • 11,000 mfd 16 volt axial capacitors. Used for the +5 volt filter cap.
    • 6803 CPU chip.
    • 6821 PIA chip. Have several around as this is a commonly failed chip. Also the 68A21 or 68B21 will work.
    • 6116 RAM chip.
    • Machine pin SIP sockets, used for replacing chips (cut to size needed).
    • .156" Trifurcon connector terminal pins Molex #08-52-0113.
    • .156" connector header pins Molex #26-48-1155 (15 pin, with lock, cut to size).
    • .156" connector housings Molex #09-50-3151 (15 pins, cut to size).
    • .156" connector housing polarizing pins Molex #15-04-0220.
    • .100" connector terminal pins.
    • .100" connector header pins.
    • .100" connector housing.
    • .100" connector housing polarizing pins.
    • .084" connector pin male, Molex# 02-08-2006 (power module board).
    • .084" connector pin female, Molex# 02-08-1004 (power module board).

    The transistors and diodes are available from many sources. Please visit the Parts reference page for suggested sites.


1d. Getting Started: Bally 6803 Game List.

6803 Games with four 7-digit Numeric Score displays and Squawk & Talk sound board, keypad used. These games also used one six digit score display (only 4 digits used) for credits/match.

  • Cybernaut, 9/85, unknown number produced, 7-digit numeric displays. Produced with both 6803 boardsets and the older Bally -35 boardsets, but the -35 boardset version seems to be more prevelant. Also produced (in extremely limited numbers, probably just a few) with a 6802 board (A080-19638-D000 MPU) that looks nearly identical to the -35 MPU board. For repair info and LED flash sequences for the -35 and 6802 boards, see the -35 Bally repair guide as most of the information there including the LED flash codes is the same. Differences between the 6802 and -35 MPU boards include:
    • 6802 CPU chip (instead of a 6800)
    • 5114 memory chip (instead of a 5101), which is the same physical 18 pin size as the 5101 but the 5114 holds four times more (1024x4 bits).
    • no 6810 memory chip (the 6802 has on-board memory so the 6810 is not needed)
    • can work with one 2764 program EPROM at U7 instead of two 2732 EPROMs at U2/U6
    • no clock circuit (instead uses a 2 mHz crystal and two caps)
    • a complete different reset cicuit (with a 74hc538 and a 2N3904 for the 5114 RAM), The reset line is high after power-up, and then goes low after valid power is detected via 2N3904/2N4401 transistors.
    • Additional jumpers W1-W6 next to TP5
    • Compatible (software) with the -35 MPU board
    But most Cybernauts do use the -35 MPU board, so Cybernauts with a 6802 or 6803 MPU board are fairly rare.
  • Eight Ball Champ (6.1meg), 9/85, #0B38, 1500 produced, speech, squawk & talk sound board.
  • Beat the Clock, 11/85, #0C70, 500 produced, speech, squawk & talk sound board.
  • Hot Shotz, ?/85, 6 produced, BG, PF.

6803 Games with four 7-digit Numeric Score displays and Cheap Squeak sound board. These games also used one six digit score display (only 4 digits used) for credits/match.

  • Lady Luck, 2/86, #0E34, 500 produced.

6803 Games with two 9 segment, 14-digit alphanumeric displays and Turbo Cheap Squeak sound board. These score displays were "low res" with only nine segments. "Registers" no longer used for adjustments, keypad used.

  • Motordome, 5/86, #0E14, 2000 produced. Fluorescent 24 watt backbox light, no speech, no multiball, 34 watt incandescent backbox light bulb (turned on and off during various "special effects" by means of the small "Solid State Relay" board in the backbox), 68000 based A084-91864 "Sounds Deluxe" board.
  • Black Belt, 7/86 , #0E52, 600 produced, no speech, Turbo Cheap Squeak sound board# A080-91855-C000.
  • Karate Fight, 7/86, unknown number produced. Same game as Black Belt #0E52 but renamed for the European market.
  • Strange Science (3.1meg), 10/86, #0E35, 2350 produced, Turbo Cheap Squeak sound board with speech, backbox uses a circular Fluorescent light bulb, neon light mounted on top of backbox, no fuse board.
  • City Slicker, 2/87, #0E79, 300 produced, Turbo Cheap Squeak sound board# A080-91855-E000.
  • Hardbody, 3/87, #0E94, 2000 produced, generic cabinet art.

6803 Games with two 9 segment, 14-digit alphanumeric displays and Sounds Deluxe sound board. These score displays were "low res" with only nine segments.

  • Special Force, 8/86, #0E47, 2750 produced, 68000 based A084-91864 "Sounds Deluxe" board.
  • Party Animal, 5/87, #0H01, 2250 produced, 29 watt incandescent backbox bulb, Sounds Deluxe board with speech.
  • Heavy Metal Meltdown (4.3meg), 8/87, #0H03, 1600 produced. Sounds Deluxe sound board A080-91864-C000, speech, fuse board, custom cabinet artwork, five ball multiball.
  • Dungeons & Dragons (6.9meg), 10/87, #0H06, 2000 produced, Sounds Deluxe sound board A080-91864-C000, no discernable speech but does have laughter, cackles, a roar, and several background tunes, in addition to the normal distinct sounds (gong, blips, etc.). Five ball multiball, LED ball trough switches, custom cabinet artwork, last 6803 game with keypad, 34 watt incandescent backbox bulb turned on and off via Solid State Relay A084-91880-A000, fuse board in backbox.
  • Escape from the Lost World, 1/88, #0H05, 1500 produced, (switches), two front "Initial scrolling buttons" which were used instead of the 6803 keypad, Fluorescent backbox light, Sounds Deluxe board# A080-91864-C000, speech.
  • Blackwater 100, 3/88, #0H07, 3000 produced, LED ball trough switches, did not use the 6803 keypad, incandescent backbox light, sounds deluxe board# A080-91864-C000, no speech. Unlike other 6803 games, BW100 has large power transformer in the lower cabinet, instead of the backbox.

6803 games under the Williams/Bally name.
These last 6803 games still used the Bally 6803 CPU board, the two "low res" nine segment 14-digit alphanumeric displays. For the sound board Williams used their system 11b sound board #D-11581, and a small interface board which allowed the 6803 CPU board to talk to the System11 sound board. Williams also used a system11 50 volt flipper power supply board. Bally was bought by Williams around 1987, and Williams used the remaining stock of 6803 boardsets for the first two Williams/Bally games. But after Atlantis, all "Bally" games used Williams System 11 boardsets.

  • Truck Stop (Ramp Warriors) (7.3meg), 12/88, #2001, unknown number produced, prototype name was "Ramp Warriors", did not use the 6803 keypad. Used non-standard, smaller 15/16" balls?
  • Atlantis (1.8meg), 4/89, #2006, unknown number produced, did not use the 6803 keypad. Different CPU board chip numbering to conform to Williams numbering system, Williams system11b sound board #D-11581 (speech) and small sound board interface board, Williams system11 50 volt flipper board, 6803 fuse board.

The backbox to the last 6803 game, Atlantis.


1e. Getting Started: Introduction to Bally 6803.

    Bally's 6803 system, used from 1985 to 1989, incorporated some unique features and designs that differed from the other pinball manufacturers. Generally speaking, these games were not that good, but there were some "stars" amoung the black (Strange Science probably being the most notable).

    The "6803 Control Board" (aka "CPU Board", which is what I call it in this document) used a 6803 CPU chip as the brains of these games (and hence the "6803" name). The 6803 was different than the 6802/6808 used by Williams previously, in that the 6803 supports "multiplexing". As Bally used multiplexing, this allowed the CPU chip to support more CPU controlled playfield lamps and flash lamps with less driver board SCRs (transistors). The 6803 chip also has onboard RAM, much like the 6802 chip.

    Two 6821 PIA (Peripheral Interface Adaptor) chips were used to interface the 6803 CPU chip to the lamps, coils and switches (much like the Bally -35 boardset and Williams' pinball systems). Static RAM is handled by a 6116 RAM chip (instead of the problematic and discontinued 5101).

    Most noteworthy is the use of a single board for both the CPU board and driver board. This minimized the number of connectors needed in the game (connectors were always a source of reliability problems in electronic pinballs).

    Another concept transplanted from the earlier and very successful Bally "-35" CPU board was the power-on LED flashes. The new 6803 CPU board also had power-on flashes to diagnose problems with the board. This power-on flash concept stayed until Escape from Lost World, Blackwater 100, Truckstop and Atlantis, when Bally took a step back. Instead of doing the power-on flashes, these games have just a faint single power-on "flicker" if the CPU board passed power-on diagnostics. If the board found a problem, then the flash sequence started.

The infamous Bally 6803 keypad for audits,
adjustments, and diagnostics.

    A concept that never really worked well, but that Bally obviously thought was a great idea, was the keypad input. Inside every 6803 game (except Escape from Lost World, Blackwater 100, Truckstop and Atlantis), there was a keypad with the numbers 0 to 9, A to F, and "enter", "keybd/clr", and "game" buttoms. This allowed the operator to view exact audits or adjustments without having to scroll sequentially to get to the audit/adjustment number desired. The problem with this system is the keypads are often missing from the game. They disconnect with a single .156" Molex connectors, and are easily lost. Without the keypad, using the Audits/Adjustments/Diagnostics is impossible! And replacement keypads are difficult to find. The whole keypad concept was abandoned with Escape from Lost World, as Bally finally sobered up, and instead used a secondary set of flipper cabinet buttons and the start button to emulate the keypad. Note starting with the 14 digit score display games (Motordome), the keypad could be used to scroll through the audits.

The "brains" of a 6803 Control Board: the 6803 CPU chip and its two 6821 PIA chips.

    Multiplexing was used on the flashers (or 'Bright Lamps' as Bally called them). This allowed one SCR driver to potentially control two devices. As Clive Jones describes, there's a 43 volt AC secondary transformer line that's center tapped to give two 21.5 volt AC lines, phase C & D. These 21.5 volt AC secondaries were wired directly to the flash lamps and fed as two 'sets' into the CPU board. The two sets would share a SCR lamp drivers. Therefore, the flashers were all AC driven (no rectifier and no filter cap was used). Note flashers don't share driver circuits with solenoids because the solenoids are DC driven. Bally could double the number of flashers it had using this multiplexing technique.

    The feature lamps (CPU driven lamps) were also just AC powered, 11 volts AC to be exact. The same principle occured with these. The secondary 20.5v AC was center-tapped to produce two 11v AC lines, phases A & B. No rectifier and no filter cap. These lines were wired to two 'sets' of feature lamps that shared the same SCR on the CPU board, as per the flashers. The reason 11 volts AC is used and not 6 volts AC becomes clear: the voltage is doubled to keep the brightness up because the feature lamps are only on for half the time!

    So with the CPU board having 45 SCRs (35 small 2n5060 SCRs, and 10 larger MCR106-1 SCRs), Bally could use any combination of 90 feature lamps and flashers as long as a flasher and feature lamp didn't share the same SCR. For example, the Extra ball lamp and the Multi-ball lamp could be wired to the same SCR driver. The EB lamp would be "on" for phase A and "off" for phase B, the Multi-ball lamp would be "off" for phase A but "on" for phase B. The SCR driver was obviously on for both phases. Bally was able to double their feature lamps and flashers by using the same hardware, without resorting to auxillary lamp or solenoid driver boards. Simple but brilliant, but also more problematic when diagnosing problems, as it is more complicated locating lamp/flasher problems.

    Now how did Bally control the A/B and C/D lines? They used zero-crossing, which occurs 120 times a second for an AC wave (every time the AC wave passes through zero volts). Phase B was wired to zero-crossing detector on the CPU board which generated an NMI interrupt for the 6803 processor. The 6803 then knew when it was time to switch on the 'other' phase SCRs. The 6803 is also capable of directly reading the phase A state because it too is wired into a zero-cross detector on the CPU board. The 6803 can read this zero-cross signal directly because it has ports built into it's architecture. The 6803 just had to keep track of which phase was supposed to be 'on' and toggle the SCRs. (It's likely that the DC solenoids were switched on or off at this point also as this would reduce noise/spikes etc.)

    Now what about the phase C & D zero-crossing? When are they switched on? Well, the processor wasn't interested in zero-crossing for these phases because *all* the secondary AC lines would pass through zero volts at the *same time*. Therefore, it just had to switch A & C on at the same time and B & D on after that using the interrupt generated from the phase B zero-cross (ad infinitum). This kept the phase switching syncronized.

    This differed from the technique used by Williams in their System11 pinballs to "double up" a transistor (use a single transistor for two devices). Williams used a A/C relay to control which device was energized. Bally's phase usage was much more elegant, and didn't require the use of a relay (which was problematic for Williams system11 games!)

    The games also had standard 6.3 volts AC for the General Illumination of the backbox, coin door, and playfield.

The slingshot mechanism on a 6803 game (Eight Ball Champ). Very different than
the other pinball makers!

    Solenoids were not multiplexed. There are a total of 19 solenoid driver transistor across the top edge of the CPU board. Transistor Q7, the right most transistor in the line, is used for the flipper relay, and the other 18 are for devices on the playfield. These transistors are the SE9302/2N6045/TIP122/NTE263 variety, which can be replaced with the more robust TIP102 transistor.

The art-less (and hence inexpensive) coin door area (Eight
Ball Champ).

    Bally also incorporated some money saving ideas into this series of machines. For example, the front door area of the lower cabinet were all the same with generic black paint and a "start game" sticker around the start switch. Later this went a step further and the cabinets became generic black with generic "Bally/Midway" art stickers. Also Bally used press-board (fiber-board) cabinet wood, instead of plywood. This meant they also had to use "T-molding" to prevent easy damage to the press-board on the edges (much like video game cabinets were made).

    Bally also made a "banana cabinet" on Dungeons & Dragons, Escape from the Lost World and Blackwater 100. They were called this because the bottom cabinet sort of bends in the middle. The banana cabinet is a little difficult to use with a dolly, although there is a board across the back end of the cabinet for helping dolly usage.

    Many Bally 6803 games used a single incandescent or fluorescent light for the backbox lighting, and all the games used only 555 bulbs (no 44/47 bulbs anywhere). Also on some 6803 games in the backbox are a small board called the Solid State Relay board. This turns the backbox incandescent bulb on and off. And games such as Dungeons & Dragons, Special Forces, Escape from the Lost World, Heavy Metal Meltdown and Blackwater 100 also used an additional "fuse board", mounted on the left inside of the backbox.

The easily chiped and damaged press-board cabinet
construction and T-molding (Eight Ball Champ).

The generic cabinet art (Strange Science).

    Another Bally cost saving idea was the use of "Low res" alpha-numerics displays. Starting with Motordome, 6803 games used 14 digit alpha-numeric score displays with nine segment instead of 14 segments (Williams System 11 games for example used 14 segment displays). This saved money as less expensive displays could be used, less display logic circuits were required, and less programming was needed. Unfortunately some of the Bally 6803 letters are decidedly funky looking, especially the "K" and "X", and the "G" which looked like a "6".

    The 6803 games also had some nifty software features unique to these games. For example, on 6803 games with alpha-numeric displays (Special Forces for example), if the player pressed the flipper cabinet buttons during attract mode, the game would walk the player through the playfield shots. This was done by lighting playfield lamps and providing instructions on the score displays.


1f. Getting Started: Circuit Boards.

The boards in Eight Ball Champ. Upper left is the sound board (Squawk & Talk),
upper right is the 6803 Control Board, and lower right is the power supply board.

The boards in Strange Science. Upper left is the sound board (Cheap Squeak),
upper right is the 6803 Control Board, and lower right is the power supply
board. Note the incandescent backbox light, which should be replaced with a
circular Fluorescent lamp. The heat from the incandescent lamp can delaminate
the translight's paint.

The boards in Blackwater 100. Upper left is the Sounds Deluxe board,
upper right is the 6803 Control Board, and lower right is the power supply
board. Note the incandescent backbox light, which should be replaced with a
circular Fluorescent lamp. Also note the fuse board on the left side of
of the backbox, and the small solidstate relay boards. And also note the
lack of the transformer in the backbox (BW100 is the only game that did that).

The boards in Atlantis, which was after Williams bought Bally. The upper
left board is a Williams System 11 sound board, which interfaces to the 6803
CPU board through a small board to the right of the sound board. The board
on the upper right is a 50 volt flipper power supply, again from Williams'
System11 series of games. The 6803 CPU board at the lower left and standard
with no modifications, as is the original 6803 Bally power supply on the
lower right. The external battery pack is not stock. Picture by A.Fleischacker.

The 6803 Control Board as used in all 6803 games.

The 6803 Control Board's ever familiar NiCad rechargable battery, the
power-on green LED, the flipper relay, and the U2/U3 game program EPROMs.

The 6803 power supply board as used in all 6803 games.

The Squawk & Talk sound board (Eight Ball Champ).

The Sounds Deluxe (68000 based) sound board (BW100).

Atlantis' 6803/System11 Sound board.

Atlantis' 6803/System11 Sound board and small Sound/CPU interface board.

Atlantis' 6803/System11 50 volt flipper power supply board.

Dual Solidstate Relay board (HeavyMetal Meltdown).

Solidstate Relay and Relay boards (BW100).



2a. Before Turning the Game On: Check the Fuses (Blown Fuses and What Causes Them).

    The game's main power fuses are located on the power supply board. With the power off, remove each fuse and check with a DMM set to continuity. Also check the fuse for the proper value and type (slow or fast blow). Replace as needed. The power supply board is nicely silkscreened with what each fuse does and its value.

    Upper left corner:

    • FU1 (43 vdc solenoids) = 5 amp slow-blo
    • FU3 (+5 vdc regulated) = 6 amp slow-blo
    Middle left side:
    • FU4 (Lamp Matrix "A" voltage AC) = 8 amp slow-blo
    • FU5 (Lamp Matrxi "B" voltage AC) = 8 amp slow-blo
    Middle (High Voltage):
    • FU2 (high voltage in) = 3/4 amp fast-blo
    • FU8 (high voltage out) = 3/16 amp fast-blo (short style fuse)
    Bottom left corner:
    • FU6 (G.I. backbox) = 15 amp fast-blo
    • FU7 (G.I. playfield) = 15 amp fast-blo

    Power Supply Test Points.
    With the game's power on check the power supply test points:

    • TP10 = ground (bottom left corner)
    • TP1 = +5 volts DC (top right corner)
    • TP2 = 170-190 volts DC (high voltage out, middle of board, adjustable via trim pot VR1)
    • TP3 = 230 volts DC (high voltage in, middle of board)
    • TP4 = 43 volts DC (solenoid voltage, top left).
    • TP5 = 14 volts DC (main logic power before regulation, middle of board)
    • TP6 & TP7 = 11 volts AC (lamp matrix)
    • TP8 & TP9 = 6.3 volts AC (General illumination)

    Missing Voltages and Blown Fuses.

    • No +5 volts or +14 volts DC. Check fuse FU3 (upper left). If TP1 shows no 5 volts DC, check TP5 which is the 14 volts DC that is processed through the U1 LM323 and filter capacitor C1 11,000mfd. If there is no 14 volts DC at TP5, there won't be any 5 volts at TP1. If FU3 is blown, one of the rectifying diodes at D1-D4 (3A1 diodes) could be shorted. These are easily tested with a DMM set to diode function.
    • High Voltage for score displays. TP2 is higher than 190 volts DC (and can not be adjusted down using trim pot VR1). This means the high voltage section of the power supply is dead. This is very common and will require replacement of Q1 (2n3584), Q2 (2n3440), Q3 (2n3440 with heat sink). If FU2 is blown (high voltage in), suspect one of the 1n4004 diodes D5-D8 as bad. These can be tested easily with a DMM set to the diode function.
    • No 43 volts for Solenoids. Blown fuse FU1 or bad bridge rectifier BR1 (35amps 200 volts).
    • No CPU controlled lamps. Check fuses FU4 and FU5, and power supply TP6/TP7 for 11 volts AC. These are the two AC voltages needed for the lamp matrix power.

The 6803 power supply board as used in all 6803 games and the fuses.

    CPU Board Test Points. After the fuses are checked, and the game is powered on for the first time, it's not a bad idea to check the CPU board's Test Points (TP) for proper voltage. Here are the test points for the CPU board.

    • TP1 = 5 volts DC (4.9 to 5.2 volts DC), J1 pins 10-12.
    • TP2 = Ground, J1 pins 7-9 and J4 pins 5-6.
    • TP3 = 12 volts DC (unregulated 12 to 18 volts DC), J1 pin 6.
    • TP4 = Battery voltage (3.5 to 4.5 volts DC) - Not needed to boot the game.

    Fuse Board.
    A seperate fuse board mounted on the inside left of the backbox. This is used for individual solenoids and flash lamps. It's definitely in Dungeons & Dragons, Special Forces, Escape from the Lost World, Heavy Metal Meltdown, Blackwater 100 and Atlantis. Very common to have cold solder joints on this board too.

The 6803 fuse board used on
some games, mounted on the
inside left wall of the backbox
(Blackwater 100).


2b. Before Turning the Game On: Burnt & Stressed Connectors and Cold Solder Joints.

    If any of the solenoid transistors lock on, the 1J14 connector on the upper left of of the CPU board often burns up. Replacement of the CPU power connector J1 is a good idea too.

    Stressed Connectors from Lowering and Raising the Backbox.
    The wires that run to the CPU board connectors J10, J11, J12, J13 can often break from lowering and raising the backbox. These IDC (Insulation Displayment Connector) .100" Molex connectors are for the CPU controlled lamps, and don't handle stress very well. The problem is the wiring is not looped through the backbox very well and is generally too short, and often the wires and/or connectors break. Things to check include:

    • Cracked/cold solder joints on the CPU board at connectors J10 to J13 (along the left side of the CPU board).
    • Wires pulled from the .100" IDC Molex connector pins on the CPU board at J10 to J13.
    • Wires pulled from the square .093" Molox connector pins in the wiring going to CPU board connectors J10 to J13.
    • Wires physically broken inside the insulation going to CPU board connectors J10 to J13.

    The last point is the most ugly, as a wire and its connector pins can look intact, but in fact be broken inside the insulation. The only way to test for this is to use a DMM's continuity check from the playfield lamp to the CPU connector J10 to J13 in question. This problem will raise its ugly head when certain CPU controlled lamps do not work.

    Power Module Board connectors. There are some unusual sized Molex connector pins on the power module board. These are .084" connectors. Here are the part numbers:

    • .084" connector pin male, Molex# 02-08-2006.
    • .084" connector pin female, Molex# 02-08-1004.


2c. Before Turning the Game On: Power Supply Tips

    The main voltage regulator used on the Bally 6803 power supply is a 78H05 five volt regulator, bolted to the large black heat sink. This is a TO-3 cased regulator that can output up to 5 amps at 5 volts. Unfortunately this is a really hard part to find if it fails. Because of this I am going to try a LM323K voltage regulator, which is TO-3 cased, 3 amps at 5 volts. It is pin-for-pin compatible, and should work fine. The LM323K is used on the older 1977-1985 Bally power supplies, which for sure consumes more power than the newer 6803 system (since the 6803 has less circuit boards and fewer ROMs and less hungry RAM). So it should work just fine. I will report back here with my results.


2d. Before Turning the Game On: Dead CPU Batteries and Corrupt Memory (Game Boots But Won't Start!)

    If the CPU battery goes dead on a 6803 game, this can cause some problems. Every time the game is turned on with a dead battery, the U4 CMOS memory is at risk of containing erroneous data, and the game may not start play, or even take credits. The problem can be seen by viewing the adjustments, and checking the value for the adjustment in question. Often seen is 9999999 for an adjustment that should have a value 0,1,2 or 3. This can confuse the game enough to not allow a game to start.

    To fix this, obviously replace the battery. The original NiCad rechargable should be replaced with AA batteries, as shown in the Battery Replacement & Corrosion section of this document. Also make sure you have a manual for the game! Unfortunately, the adjustments are not obvious, and a manual is needed to figure out what adjustment is what, and what value it should be set to!

    After the battery is replaced and the manual acquired, power the game on. The first thing to check is the number of credits per game in the adjustments. Press the small push button inside the coin door, next to the volume control. This should put the game into audits and adjustments. Using the manual and the 6803 keypad (Dungeons & Dragons and prior), find the credits-per-play adjustment, and make sure this adjustment is set to a valid number! If this is not done, the game will probably not accept credits, and won't start play! After the credits-per-play are entered, set all the other game adjustments as desired.

    Note some games like Eight Ball Champ won't "talk" unless the adjustments are set correctly. For example, on Eight Ball Champ, adjustment 50 should be set to use the Squawk & Talk sound board (value=1), and sounds mode adjustment 27 set (value=3), otherwise the game will not talk. Also check the balls-per-game adjustment (EBC adjustment 23) is set to a valid number of balls (one to five). Match can be turned on and off (EBC adjustment 29 value=1) on these games, and the credit displayed on the game (EBC adjustment 30 value=1) can be turned on and off. All 6803 games also have a "free play" adjustment (EBC adjustment 42), and if this is set to value 65, the game will start without coins.


2e. Before Turning the Game On: Quick and Dirty Transistor Testing.

    With the game on, the wiring from the CPU board to the coils, and the coils themselves, can be easily tested. Just momentarily ground the metal tab of any of the 19 solenoid transistors across the top edge of the CPU board.

Solenoid driver transistors.



3a. When Things Don't Work: Power-On LED Flashes (Non-Working CPU), Corrupt Memory.

    A concept transplanted from the earlier and very successful Bally "-35" CPU board was the power-on LED flashes. The new 6803 CPU board also had power-on flashes to diagnose problems with the board. This power-on flash concept stayed until Escape from Lost World, Blackwater 100, Truckstop and Atlantis, when Bally took a step back. Instead of doing the power-on flashes, these games had one faint flicker at power-on if the CPU board passed power-on diagnostics. If the board found a problem, then the flash sequence starts.

    CPU LED Flash Overview by Game.

    • Beat the Clock: 8 LED flashes (No U2 ROM).
    • Motordome: 9 LED flashes.
    • Strange Science: 9 LED flashes.
    • Heavy Metal Meltdown: 9 LED flashes.
    • Blackwater 100: No LED flashes.
    • Escape from Lost World: No LED flashes.
    • Eight Ball Champ: 8 LED flashes (no U2 ROM).
      Fuse FU5 removed - 6 flashes
      Fuse FU4 removed - 7 flashes

    CPU Board Power-On LED Flash Codes.
    The number of game ROMs used and the era of the 6803 determines the number of power-on CPU board LED flashes. Flash code verification thanks to Clive! Here is the layout:

    • Eight power-on LED flashes.
      Single CPU game ROM at U3. Includes Cybernaut, Eight Ball Champ, Hot Shotz, and Lady Luck.
    • Nine power-on LED flashes.
      CPU game ROMs at U2/U3. Includes Motordome, Karate Fight, Black Belt, Special Forces, Strange Science, Hardbody, Party Animal, Heavy Metal Meltdown, Dungeons & Dragons.
    • No initial power on LED flashes
      (though sometimes a faint power-on LED flicker can be seen).
      Escape from the Lost World, Blackwater 100, Truck Stop, Atlantis. If CPU board passes all power-on tests there are no flashes. If an error is found, up to nine LED flashes will be seen.

    Clive tells us for all the 6803 games except Lost World, Blackwater 100, Truck Stop, Atlantis, the tests work like this. A test is performed, then the LED is flashed once if the test passes, then another test is performed, the LED is flashed again if the test passes, and so on and so on, until all eight or nine tests are complete. If a test fails, the code actually loops forever within the test routine detecting the fault, and no flash is shown for this test.

    On the last four games Escape from the Lost World, Blackwater 100, Truck Stop, Atlantis, things are done a bit differently. Bally states, "if there is +5 volt DC and +14 volts DC on the CPU board, the game performs a self-diagnostic test. When no problems are encountered, the game powers up immediately without flashing the LED on the Control Board. When a problem is detected, the LED will flash the appropriate number of times for each diagnostic test passed (I.E. if the LED only flashes three times, U4 is probably defective, using the table of power-up sequences below." This is done because as each test is performed, the number of errors encountered is logged. At the end of testing the hardware, the routine that flashes the LED checks this log to determine if it has any flashes (errors) to report. If there are errors, it flashes the LED from the last test passed to indicate where the problem lies. Also note on these last four games an initial power-on faint flicker can be seen. Yet there is nothing in the ROM code that's deliberately causing the power-on 'flicker'. It just a buy-product of accessing the ports a number of times.

The 6803 Control Board's ever familiar power-on green LED.

    Eight LED Power-on Flashes Decoded.
    Here are the meaning of the LED codes for games Cybernaut, Eight Ball Champ, Hot Shotz, and Lady Luck.
    • 1st flash - CPU internal Static RAM test on U1 (6803, 0x0080-0x00ff).
    • 2nd flash - U3 program ROM validated.
    • 3rd flash - U4 (6116 CMOS) Static RAM test.
    • 4th flash - U8 (6821) PIA-0 test.
    • 5th flash - U7 (6821) PIA-1 test.
    • 6th flash - U1 (6803) internal timer test.
    • 7th flash - U8 (6821) test for lamp phasing logic test 'B' phase of CPU controlled lamps. Fuse F5 on power supply provides the phase B signal to the CPU board for U8 (6821), U12 (4584).
    • 8th flash - Zero cross test U1 (6803), U11 (4011), U12 (4584) for lamp phasing logic test 'A' phase of CPU controlled lamps. Fuse F4 on power supply provides the phase A signal to the CPU board for U1 (6803), U11 (4011), U12 (4584).

    Nine LED Power-on Flashes and (No Power-on Flashes) Decoded.
    All other games use a nine LED flash code system, including the last four games that have no power-on flash system (unless a problem is encountered):

    • 1st flash - CPU internal RAM test on U1 (6803).
    • 2nd flash - U2 program ROM validated.
    • 3rd flash - U3 program ROM validated.
    • 4th flash - U4 (6116 CMOS) Static RAM test.
    • 5th flash - U8 (6821) PIA-0 test.
    • 6th flash - U7 (6821) PIA-1 test.
    • 7th flash - Checks internal display interrupt generator U1 (6803).
    • 8th flash - Checks U12 (4584), U8 (6821) for lamp phasing logic test 'B' phase of CPU controlled lamps. Fuse F5 on power supply provides the phase B signal to the CPU board for U12 (4584), U8 (6821).
    • 9th flash - Checks U1 (6803), U11 (4011), U12 (4584) for lamp phasing logic test 'A' phase of CPU controlled lamps. Fuse F4 on power supply provides the phase A signal to the CPU board for U1 (6803), U11 (4011), U12 (4584).

    Remember, Escape from the Lost World, Blackwater 100, Truck Stop, and Atlantis will have no flash codes unless the CPU board thinks there is a problem.

    Corrupt Memory.
    The memory get corrupt from a bad battery and or bad RAM chip, and the game won't work properly. For example, game will boot up, but won't accept credits or start a game. Solution: reset the adjustments or go thru the adjustments looking for nonsensical values (8 balls per games for example), and reset that adjustment to the correct value.


3b. When Things Don't Work: 6803 ROM Software and Jumper Settings.

    CPU Board Jumper Settings JW1 to JW6.
    Jumpers W1 to W6 on the CPU board determine the size of the U2/U3 game EPROMs (both of these EPROMs should be the same size, and some games only use the U3 EPROM).

    • 2732 U2/U3 EPROMs: Jumpers JW1,3,5=in, JW2,4,6=out.
    • 2764 U2/U3 EPROMs: Jumpers JW5=in, JW1,2,3,4,6=out.
    • 27128 U2/U3 EPROMs: Jumpers JW2,4,6=in, JW1,3,5=out.

The 6803 Control Board's jumpers JW1 to JW4, by the U3 and U4 chips
in the upper right corner, below the flipper relay.

The 6803 Control Board's jumpers JW5 to JW7. JW5/JW6 is between U9/U10,
and JW7 is below and to the left of U1 (the 6803 CPU chip).

    CPU Board Jumper Setting JW7.
    Jumper JW7 should always be out, as this jumpers pulls up the processor serial receiver pin via a 3.3k pull-up.

    CPU Board Jumper Settings JW8 to JW11.
    There are two general purpose light driver circuits and two general purpose drive lines (switches etc). These are 'open-ended' and for expansion. There are two spare "General Purpose" (GP) PIA port output lines, and these can be left alone or linked into the driver circuits (game specific).

The 6803 Control Board's jumpers JW8 to JW11, by the U8 and U7 6821 chips, in the
top middle of the CPU board.

    These four individual driver circuits on the CPU board that are not connected to *anything* at their logic input. However, their outputs are wired to the connector and pins numbers listed below. Two are light solenoid GP (General Purpose) drivers, and there are two light switch driver circuits. They are "spare driver circuits" the board designers incorporate in the game for use if the game needs it.

    • Jumper JW8 in: PB14 drives GP driver circuit 1 (J9 pin 9).
    • Jumper JW9 in: PB14 drives light switch drive 1 (J4 pin 1).
    • Jumper JW10 in: PB15 drives GP driver circuit 2 (J7 pin 4 and/or J6 pin 7).
    • Jumper JW11 in: PB15 drives light switch drive 2 (J2 pin 19).

    So how are these spare drivers used? Well also on the CPU board are two spare PIA outputs, PB14 and PB15, from the 6821 PIA at U7. These too are not connected to anything. This is where the jumpers come in. If the game needs them they can be linked up using the jumpers listed above, and have the software control the driver circuits via the PIA outputs PB14 and PB15.

    For example, here are the jumpers for Escape from Lost World and Strange Science. Note jumpers JW1 to JW6 are the same for both games (they both use the same size game EPROMs at U2/U3). But the JW8 to JW11 jumpers are interesting:

Game LED
Flashes
U2
ROM
U3
ROM
ROM
Size
Jumpers
IN
Eight Ball Champ
8
none Yes 27128 2,4,6,8,10
Beat the Clock
8
none Yes 27128 2,4,6,9,10
Lady Luck
8
none Yes 27128 2,4,6,8,10
Motordome
9
Yes Yes 27128 2,4,6,8,10
Black Belt
9
Yes Yes 27128 2,4,6,8,10
Special Forces
9
Yes Yes 27128 2,4,6,9,10
Strange Science
9
Yes Yes 27128 2,4,6,9,10
City Slicker
9
Yes Yes 27128 2,4,6,9,10
Hardbody
9
Yes Yes 27128 2,4,6,9,10
Party Animal
9
Yes Yes 27128 2,4,6,9,10
Heavy Metal
9
Yes Yes 27128 2,4,6,9,10
Dungons & Dragons
9
Yes Yes 27128 2,4,6,9,10
Escape Lost World
9
Yes Yes 27128 2,4,6,8,10
Blackwater 100
9
Yes Yes 27128 2,4,6,9,10
Truckstop
9
Yes Yes 27128 2,4,6,9,10

Jumper Escape
LWorld
Strange
Science
D & D BW100 8Ball
Champ
Party
Animal
Heavy
Metal
CPU
ROM Size
27128
27128
27128
27128
27128
27128
27128
JW1
out
out
out
out
out
out
out
JW2
in
in
in
in
in
in
in
JW3
out
out
out
out
out
out
out
JW4
in
in
in
in
in
in
in
JW5
out
out
out
out
out
out
out
JW6
in
in
in
in
in
in
in
JW7
out
out
out
out
out
out
out
JW8
in
out
out
out
in
out
in
JW9
out
in
in
in
out
in
out
JW10
in
in
in
in
in
in
in
JW11
out
out
out
out
out
out
out

    Notice the difference in jumpers JW8 and JW9 on these games. This has to do with how one game has optic switches for the ball trough, and the other does not, or how one game uses more playfield switches than another. For example, the additional PIA ports are used to drive these optic switches on Strange Science.

    6803 Pinball ROM Software.
    Since the Williams pinball web site never got around to putting up the Bally 6803 software, it is available here. These files have not been personally tested by me, so if anyone finds any errors, please email me with the problem at cfh@provide.net.

    Games with U2 CPU game ROM only (8 Flash CPU LED):

    Games with U2 and U3 CPU game ROMs (9 Flash CPU LED):

    Games with U2 and U3 CPU game ROMs but only intial faint CPU LED flicker:


3c. When Things Don't Work: Leon's 6803 Test EPROM (fixing a Dead CPU board).

    The purpose of the test EPROM is to repair the CPU board out of the game and on the work bench, and at the same time test all of the outputs of the lamp and driver transistor sections. We will start by testing the special output ports of the 6803 and the connected PIAs, followed by a memory test, and then the lamps and coils outputs. This gives us a way of testing all circuitry in between the IC output ports and the board's connectors. The game's lamps and coils are simulated on the bench by a series of LEDs plugged directly into the CPU board's connector.


The 6803 control board, normally a battery is at the top in the right corner.

    Testing the 6803 On the Work Bench - Getting a Power Supply.
    The best way to use the test EPROM is with the CPU board out of the game and on the work bench. But to do this, a +5 and +12 volt power supply is needed. I use an old computer power supply, as these are plentiful and cheap (any decent computer store should be able to sell you a used AT or ATX power supply for around $15). Alternatively an old video game switching power supply (about $25) can be used.

On the left is a video game switching power supply.
On the right is a used computer power supply. Either
will work fine for a test fixture. Note the computer
power supply connector on top of the box is the one
that will supply our +5, GND and +12 volts. This plug
was used to power drives (hard drive, CD rom, etc).
Red is +5, black is GND, and yellow is +12.

    When it comes to buying a computer power supply, remember there are two types, AT and the newer ATX. It is better to have the older AT style, as this power supply will have a physical switch to turn it off and on. If the power supply does not have a 20-pin connector (two rows of 10 side by side), you don't have an ATX power supply. Also the ATX style usually has no AC power switch. On the other hand, a true AT supply will have a 120V power switch connected to it. And when an AT is switched on, the fan runs and it stays on, whether there is a power load or not. The newer ATX style has a "soft switch" (which allows the Windows operating system to automatically turn the computer off), as it relies on signals from the motherboard to power it off and on. In order to turn "on" an ATX power supply, the large 20 pin connector must have its green PS-ON wire (pin 14) tied to the black COM ground wire (pins 13 or 15-17). Note that pin 1 is the "square" pin, and pin 11 is directly across from pin 1. Tying this green wire to a black COM wire will turn the power supply permanently "on", so you could install a physical switch between these two wires as a power switch.

    Also remember switching power supplies like the AT and ATX are switch-mode power dependant on load. This means that the power is switched on and off rapidly to meet the load. If there is no load (nothing attached), the output power is switched off. So using a DMM (digital multi-meter) alone to test the power supply output voltages may not be enough draw to make the power supply turn on.

      Warning!!
      Be careful when you hook up the voltages to your MPU board. If you short +12 volts to +5 volts (for example), you will probably destroy all the chips on the MPU board! Also be careful when you hook up +12 volts. It is VERY easy to short test points. This may damage the MPU board too! (Unlikely, but let's not risk it). So be careful, and double check your connections before you turn the power supply on.

    In any case, all you need to do is connect the power supply to a wall plug (110 vac), and put aligator clips on the GND, +5 vdc and +12 vdc. That's all you need to power up a Bally 6803 CPU board on your workbench.

    On a computer power supply, the best way to do this is to use one of the plugs that connected to the computer's hard drive, floppy drive, or CD ROM drive. There are usually at least three of these 4 pin plugs on each computer power supply. These plugs have two black wires, and one red and one yellow wire. The two black wires are ground, the red wire is +5 vdc, and the yellow wire is +12 vdc. I used some crimp-on round male connector pins and jammed them into the plug. Then I connected these to aligator clips, which ultimately go to your MPU board.

    CPU Board Test Points.
    Here are the test points for the CPU board. Use these to connect the external power supply, or just for checking voltages in the game.

    • TP1 = 5 volts DC (4.9 to 5.2 volts DC), J1 pins 10-12.
    • TP2 = Ground, J1 pins 7-9 and J4 pins 5-6.
    • TP3 = 12 volts DC (unregulated 12 to 18 volts DC), J1 pin 6.
    • TP4 = Battery voltage (3.5 to 4.5 volts DC) - Not needed.

    Connecting Power to the CPU board on the Bench.
    Because some ground returns on the CPU board are separated (for example the return for the lamps and the coils), we need to bring these returns together to logical ground. Here a drawing how things are connected. The transformer (in red) 2x12 volts AC is not needed to run the test, it is only needed to run the board with the game roms. On the board are some jumpers. Use these settings to run the test program:

    • W2, W4, W6 = in
    • W1, W3, W5 = out

    These are the settings to use 27128 type EPROMs in U2 and U3. About all the games have 27128 EPROMs as the game ROMs, so most likely you won't have to change any jumper setting.

    To connect the external power supply to the 6803 CPU board using Leon's Test EPROM, use these power connections. Note connector J1 is on the CPU board at the lower right corner, and J4 is at the upper left corner.

    • J1 pins 10,11,12 = +5 volts, TP1
    • J1 pins 7,8,9 = Ground, TP2
    • J4 pins 5,6 = Ground
    • J1 pin 6 = +12 volts, TP3

    An Additional Power Source.
    Much like the 1977-1985 Bally 6800 MPU board, the 6803 CPU board needs an additional power source to make it think it's really mounted in the game and not on your work bench. What is needed is a transformer that delivers 2x12 volts AC (a 24 volt transformer). With this transformer, the middle tap (0 volts) is connected to ground (J1 pins 7-9), and both 12 volt outputs to J1 pins 3 and 4 respectively. But this duel 12 volt AC power is only needed if you're running the game ROMs. So for our test bench scenario with the Leon Test EPROM, this is not needed (unless you want to run the Game ROMs on your work bench, which isn't a bad idea as a last test). Radio Shack sells a 2x12 (24 volt) transformer for about $7 that works great for this.

      Important! If using the Test EPROM with the CPU board installed in the game, remove all CPU board connectors except J1. Otherwise the solenoids/lamps can all engerize at once.

    Download the Test EPROM.
    The test EPROM can be downloaded here. Burn the ROM into a 27128 EPROM, and place in socket U3 on the 6803 CPU board. The other game EPROM at U2 can remain in its socket, or may be removed.

    Using the Test EPROM.
    Make sure the CPU board jumpers are set as indicated above. Plug the 27128 Test EPROM into the CPU board at position U3 with the EPROM's notch correctly oriented. Hook up the external power supply to the CPU board as specified above. Power on the board and the CPU board's LED will start blinking rapidly. The LED is connected directly to an output of the CPU chip at U1 pin 10 - there is only one transistor (Q1, 2N5385) and three resistors (R10=47k, R3=1k, R1=568 ohms) between the CPU output and the LED. In case the LED does not blink, first check if there is a signal at Pin 10 (U1) using a logic probe. If this is the case, the transistior or the LED itself is bad. If the LED blinks the Test EPROM can control the outputs of the CPU ports at pins 8,10-20. On the PIAs (U7 and U8) the output are pins 2-17,19.

    What if the Test EPROM Does Not Start Blinking? - Reset Signal
    When the test does not start up, remove the test EPROM from U3. Also remove the game ROM (if present) from U2. The U1 6803 chip does not need many signals to start up. Check the U1 CPU chip at pins 4,5,6 for +5 volts. Pin 6 can be a likely problem, as this is the reset line. Reset is fed from +12 volts through transistor Q2 and Q3. When capacitor C1 (6.8 mfd) is charged at boot up, this will launch Q4 (2n3984) and which opens Q5 (2n4483), thus bringing +5 volts to U1 pin 6 as the reset. All reset semi-conductor part to check:

    • C1: 6.8 mfd (non-polarized)
    • Q2,Q6,Q4: 2n3984
    • Q3,Q5: 2n4403
    • D1: 1n958b (7.5 volts, 1/2 watt)
    • D3: 1n4148
    • D4,D5: 1n4606

    If U1 pin 6 is not +5 volts, the reset circuit is not working. The reset (pin 6) has to go low to 0 volts for just a moment while the +5 volts stablizes at power-on. Then U1 pin 6 should go high signaling a good reset. If this is not the case check the parts above and/or replace them.

    The Clock Signal.
    At U1 pins 2 and 3 is the clock signal, which should measure about 1 volt at pin 3. Better yet, use a logic probe and U1 both pins 2 and 3 should be pulsing. The clock signal is formed by three elements: the crystal (3.58 mhz) and four capacitor (mainly C2,C3 both 27 pf, and to a lesser extent C4,C5 which are .1 and 4.7 mfd respectively). It is extremely rare that the clock does not work.

    The Address and Data Lines.
    After measuring the clock signal, power off and on the CPU board again (the clock signal is sensitive and touching the pins when measuring can influence the normal working of the CPU). Now check the outputs of all U1 pins from 21 to 40. These are the address lines and the multiplexed address/data lines. Find on all these pins between 2 to 4 volts with a DMM, with only pin 39 as an exception at 1 volt. If any signals from pins 21 to 29 are missing the 6803 is likely bad. If U1 pins 30 to 37 are missing expect that U5 or U6 is bad. If one or some of the others are missing, first bend upward the culprit pin, and check again at U1: if the signal is still missing, the 6803 is bad. If with the pin bended upward the signal is present, there is a short on the CPU board dragging down that signal. Find the short by eliminating some connected elements, by unsoldering them or by cutting temporarily some traces (unfortunately there is no other way to find such a problem).

    If all U1 signals check out, replace the Test EPROM at U3 and try again. Is there activity with the test EPROM in place? IF the LED still does not blink, check the signal at the U3 Test EPROM. The Test EPROM data lines and address lines should be 2 to 4 volts at U3 pins 1-13, 15-19, 22. At U3 pins 14 and 20 there should be zero volts. And at pins 21,23,24 there should be 0.5 volts. Lastly check the address signals at U3 pins 1-8, which come from the demultiplexer chip U6. If missing one of these signal the U6 chip is bad, or the EPROM is bad. If missing a data signal at pin 9-17, the data demultiplexer chip at U5 is bad. This only leaves U3 pin 22 (the select signal); check U9 and U10 which feeds U3 pin 22.

    Test EPROM is Blinking the LED: Checking the PIA/CPU Outputs.
    Now that the test EPROM is running, we can check both PIAs at U7 and U8. Their output pins 2-17,19 will be pulsing up and down rythmically between 0 and 5 volts (this is a function of the Test EPROM, which allows easy testing of the PIA chips).

    If there is one pin not pulsing, bend the pin upwards (out of the socket), and check it again at the chip. If still mising the PIA is bad. If it's now pulsing when bent up and out of the socket, then there is a short on the CPU board on that output line. As we have done with the reset line test, look for the short by removing potentially bad component that connect to that PIA output line. Use the schematic to find the connecting elements, and disconnect them one by one. The easiest way to do this is by unsoldering or temporarily cutting a trace. Also check the CPU address/data lines on the PIAs which are at pins 8,10-12,13-20.

    If there is a PIA that is miss ALL output signals, the PIA is probably bad, or one of the select signals is missing. The select signals arrive at pins 21-25,35,36 and should be between 2 and 4 volt. These select signals were already checked, and the only reason they are missing at the PIA is usually a bad contact in the socket or a broken trace. Except for pins 23,24 these address signals pass by two gates at U10,U11,U14. Use the schematic to see wich gate are used and replace IC as needed.

    Now we can assume you have a working board with all basic signals present. Time to go to the second part of the test EPROM: the memory test and driver elements tests.

    The Memory Test.
    The memory test is launched by the push button on the CPU board. When run the LED stops blinking and remains steady for a short while (which can be either "on" or "off"). Afther a short moment the led starts blinking again in a slow rhythm more "on" then "off", this means the memory test passed Ok, and the Test program is now doing the driver tests.

    If the LED does not restart blinking there is something wrong with the U4 6116 CMOS memory chip. Before replacing the 6116 chip, take a look at the signals at U4. Again we find mostly all the address and data lines pulsing and between 2 and 4 volts with a DMM. Other signals at U4 pins 14,20 are 0 volts, and 0.5 volts at pins 21,23,25. The only signal that is new here is the selection signal at pin 18. If this is missing look at U9 and U10 which drives U4 pin 18. If a signal at the input of the U9/U10 gates is present yet missing at output of U9/U10 (use schematic), replace the chip.

    Testing the Switch Matrix.
    The switch matrix is at connectors J4 (playfield switch return) and J3 (cabinet switch return), and J5. We can test the PIA outputs and inputs by just testing the PIA's output mode. The output port is tested because it is easier, and it is not possible that a complex chip like a PIA to have ouputs without it having inputs too.

    The switch matrix is tested using the basic test mode, where the LED is blinking fast, as the J3/J4/J5 connector pins are directly tied to the PIA pins and the CPU port (only a resistor is used between these two, as security if at anytime a pin should be at ground, so not to damage the chip).

    To test the switch matrix, restart the test EPROM, and while the LED is blinking fast, measure these connector signals using a DMM (digital multi-meter):

    • J3 pins 4-15: between 1 and 2 volts
    • J3 pin 1: 5 volts
    • J3 pin 2: 0 volts
    • J4 pins 2-15: between 1 and 2 volts
    • J4 pin 1: +5 volts if you have jumper W8 in place (pin 1 will be lower if jumper W9 is instead in place)
    • J5 pins 7-15: between 1 and 2 volts
    • J5 pin 1,2: +5 volts
    • J5 pins 3,4: 0 volts
    • J5 pin 6: no connection.

    Testing the Score Display Drivers.
    The score display are at connector J2, almost directly inline to PIA U7. The PIA U7 pins 9-13 pass through U13, and if on signal is missing, look at chip U13 (or just replace it). With the Test EPROM running, again measure the PIA U7 at pins 2-18 for 1 to 2 volts using a DMM. U7 pin 1 is a constant at 5 volts.

    Testing the Lamp Driver Transistors.
    To check the controlled lamps drivers ideally we need some extra hardware. On the lamp/solenoid connectors we can use a LED strip that will substitute for the lamps and the solenoids. The LED strip is a load and visual indicators. As seen below, you can make an entire strip of LEDs to test all pins on a connector at a time. Or an easier way is to just make a single LED/resistor with two hooked test leads, testing one connector pin at a time. Note you should test the direction (flat side) of the LED in this circuit. In one direction the LED will work, in the other it will not. Here's the basic hook up diagram:

    If you are up for the work, an entire strip of LEDs can be made too. This is certainly more convenient, but of course is added work.

    In the pictures above, the single red lead of the self-made circuit board connects to +5 or +12 volts. The large .156" Molex connector goes on the CPU board's heavy coil connector pins J6,J7,J8,J9 (across the top of the CPU board). On the back side of the home-made board there is another .100" female Molex connector strip for the lamp driver connectors J10,J11,J12,J13 along the left side of the CPU board. We can see also the 470 ohm resistors on the back side of the home-made board.

    Furthermore we need another small adapter, which will connect a 2200 ohm resistor between ground and U14 pin 19. The resistor is wired with two mini hooks to connect U14 pin 19 easily to ground.

    After installed on the CPU board, the whole contraption looks like the picture below. Note the resistor connected between ground and U14 pin 19, the LED board on lamp connector J12 (using the .100" connector strip at the back of the LED board).

    Testing the Lamp Outputs.
    The LED board is connected at J10, J11, J12 and J13, all programmed lamp connectors. Every time the Test EPROM's driver test is run *all* LEDs of the LED board will light on stay "on" (except of course where the connector key is located):

    • Connected to J10, all LEDs light except for pin 5 (the key). On J10 during the basic test, 4 LEDs will blink, which includes 1,2,7,16.
    • Connected to J11, all LEDs light except 5 (key).
    • Connected to J12, all LEDS light except 5 (key).
    • Connected to J13, All LEDs except 9 (key).

    Note during the basic test *no* LEDs may go "on" (excepted the four mentioned on J10). If only some LEDs go on during basic test that means one of the lamp transistor (2N5060) is probably bad. On the schematic it is easy to find which connector pin (LED) is goes to which 2N5060. Also remember that all lamp transistor are driven by three chips at U15,U16,U17, which can fail too.

    In case a LED does not light, remove the LED test strip and measure the center leg of the suspect 2n5060 lamp transistor with a logic probe. If the 2N5060 transistor is receiving a pulse at its middle lead, the 2n5060 transistor is bad. If no pulse is seen at the middle leg, check at the output of the driving chip (U15,U16 or U17). Use the schematic to find which chip is controlling which 2n5060. If there is no command coming out the IC replace it, if all outputs at that IC are missing again replace the chip. If there is an output pulse, check the resistor between the 2n5060 and the chip's output pin (as that is the only thing between them). Aside from that, the only thing left is the driving PIA.

    Testing Solenoid Connectors
    For the solenoid outputs we can again use the LED test strip on the solenoid connectors J6,J7,J8,J9. The results should be:

    • J6: LED 1,7 will blink during the basic test. LEDs 2,3,4,5 will blink during the driver test. LED 6 never lights.
    • J7: LED 3,4 will blink during basic test. LED 1,2 lights during the driver test. LEDs 5,6,7,8 will no light ever.
    • J8: LED 1,5 will blink during the basic test. LEDs 2,4,6,7 blink during the driver test. LED 3 never lights.
    • J9: LED 9,10 blink during the basic test. LED 1,2,3,4,6,7,8,11 blinks during the driver test. LED 5 never blinks with CPU board jumper W8 in place. If you have jumper W9 installed instead, lED 9 will not blink during the basic test.

    Other Notes: First the LEDs which blink during the basis test will blink all together. Then LEDs that blink during the driver test will blink one after another, giving a "running light" effect. During the test that the LEDs should light, it MUST blink; a steady and solid "on" means the driver transistor is bad. All basic commands come from U14. When you have a LED that will not blink, check first the outputs of U14 pin 1-16. If pulsing, you have a fault at the driver chip (CA3801) or the driver transistor. Follow the command using schematic sheet five.

    Extra CPU Board Control Circuit.
    For reasons not explained here, there is an extra circuit on the CPU board which uses a 2x12 volt AC signal connection directly from the transformer. This signal will generate interrupts, amoung other things. Sometimes this circuit fails. Look at U12 pin 6,2 and there you must find a signal of 2 volts. If this voltage is not present, replace chip U12. Also check sheet 2 of the schematic for some other related elements (diodes and resistors.)

    Try the CPU board with the Game ROMs.
    A last ultimate test on the bench uses the game ROMs instead of the Leon Test EPROM. Unfortunately we need to connect a 2x12 volts AC transformor to the CPU board for this test. On the 2x12 volt AC transformer, its middle tap (0 volts) set to gound (J1 pins 7-9), and both 12 volt outputs are connected to J1 pins 3 and 4 respectively. Again Radio Shack sells a 24 volt transformer that is perfect for this task. In addition, connect the +5/12 volt lead of the LED strip to one of the transformer's 12volt AC connections. If the board starts up OK and works fine, the LED tester should blink, as they represents the programmed lights of the machine (which normally blink after power up).


3d. When Things Don't Work: Replacing the Battery and CPU Board Battery Corrosion.

    Remove the Original Battery.
    The original rechargable NiCad battery should be cut off the CPU board and thrown away as soon as possible. This battery is probably at least 15 years old. If it hasn't leaked its corrosive guts, consider yourself lucky. After the battery is cut off, it can be replaced with standard Alkyline AA batteries and a battery holder. A blocking diode must also be installed in the new AA battery holder to prevent the CPU board from trying to recharge the AA batteries.

The NiCad battery on the CPU board in the upper right hand corner.
Remove this battery ASAP to protect the CPU board and its connectors
from battery corrosion!

    Note the inexpensive four AA battery holder shown below. These are readily available at Radio Shack and other electronics stores. But only use *three* of the four battery spots, and installed a 1N5817 blocking diode as shown, with the band towards the positive lead of the battery holder. Note other diodes such as a 1N914/1N4148 or IN4001/1N4004 can be used. But the forward voltage drop of the 1N5817 is only .2 volts, where the 1N914 or 1N4001 is .4 to .6 volts. This means using a IN914 or IN4001 will show the batteries as "dead" sooner than using a 1N5817 diode (you'll change the batteries more often), since the output voltage drop from the battery holder's batteries will be greater with a 1N914 or 1N4001 diode.

Using an inexpensive four AA battery holder, a 1N5817 blocking diode, and
three AA batteries as a remote battery holder for the CPU board.

The remote battery holder installed in the game (Eight Ball Champ).
Note the battery is installed as low as possible, and a fair distance
from the CPU board. A connector was also added to the battery wire
so it may be easily disconnected from the CPU board.



3e. When Things Don't Work: Using the 6803 Keypad for Diagnostics and Adjustments

    The "Registers".
    All the games have adjustments are stored in memory at U4 (6116 RAM). Game prior to Motordome use a what Bally called "Registers" (as in locations in memory), to identify each stored adjustment or audit. Some computer geek must have come up with that name! Starting with Motordome, Bally stopped using the "registers" nomenclature (and audit were "scrollable" with the keypad).

    A Bad Control Board Battery and Memory.
    The memory stays in the RAM due to a rechargable battery on the 6803 Control board (at this point in these game's lives, this battery should be removed and replaced with a remote AA battery pack, as shown here). If the battery dies, the game will still boot and operate normally, except of course all the audits and game adjustments will default to factory setting. This can be seen easily because all the high scores displayed in attract mode will be 5,555,555.

    On occasion, a bad battery can cause "corrupt memory", and the game won't work properly. For example, game will boot up, but won't accept credits or start a game. The solution is to replace the battery and to get the game manual first. After the battery is replaced and the manual acquired, power the game on. The first thing to check is the number of credits per game in the adjustments. Press the small push button inside the coin door, next to the volume control. This should put the game into audits and adjustments. Using the manual and the 6803 keypad (Dungeons & Dragons and prior), find the credits-per-play adjustment, and make sure this adjustment is set to a valid number! If this is not done, the game will probably not accept credits, and won't start play! After the credits-per-play are entered, set all the other game adjustments as desired.

    Note some games like Eight Ball Champ won't "talk" unless the adjustments are set correctly. For example, on Eight Ball Champ, adjustment 50 should be set to use the Squawk & Talk sound board (value=1), and sounds mode adjustment 27 set (value=3), otherwise the game will not talk. Also check the balls-per-game adjustment (EBC adjustment 23) is set to a valid number of balls (one to five). Match can be turned on and off (EBC adjustment 29 value=1) on these games, and the credit displayed on the game (EBC adjustment 30 value=1) can be turned on and off. All 6803 games also have a "free play" adjustment (EBC adjustment 42), and if this is set to value 65, the game will start without coins.

The infamous Bally 6803 keypad for audits,
adjustments, and diagnostics! (D&D and prior.)

    Power-On Stuck Switch Test.
    Starting with Blackwater 100, Bally incorporated a "stuck switch" test at game power on. This was much like Williams had in their System11 games at power on.

    The Keypad - Portal to the Adjustments/Diagnostics.
    All 6803 games except Escape from Lost World, Blackwater 100, Truckstop and Atlantis use the keypad for adjustments and diagnostics (the above four games use the flipper and start buttons instead of the keypad).

    The 6803 keypad was an incredibly dumb idea. Bally's reasoning for it was, "It allows the operator to go directly to a function or adjustment, eliminating the tedious procedure of repeatedly press the self-test button to look at a certain adjustment. Of course pressing the self-test button gave the operator time to chat with the local repair expert and learn how he and Ernie always put chewin' gum on the legs to keep the game from slidin'." (No kidding, they really said that in the Eight Ball Champ manual!) With the keypad, just punch in the Register number on the keypad and the information is shown on the score displays (the "register" nomenclature was used on games with 7 digit score displays, prior to Motordome).

    That's all fine and dandy, but on games with numeric displays, going to some discrete unnamed numbered adjustment directly doesn't really help if the user doesn't have a manual with the list of Register numbers and their meaning. Also the keypad is connected to the game with a .156" Molex connector. Hence the keypad can become disconnected from the game and lost (finding a 6803 keypad for purchase is as rare as hen's teeth). If the keypad is missing, there is effectively no way to enter the diagnostics, audits, or adjustments!

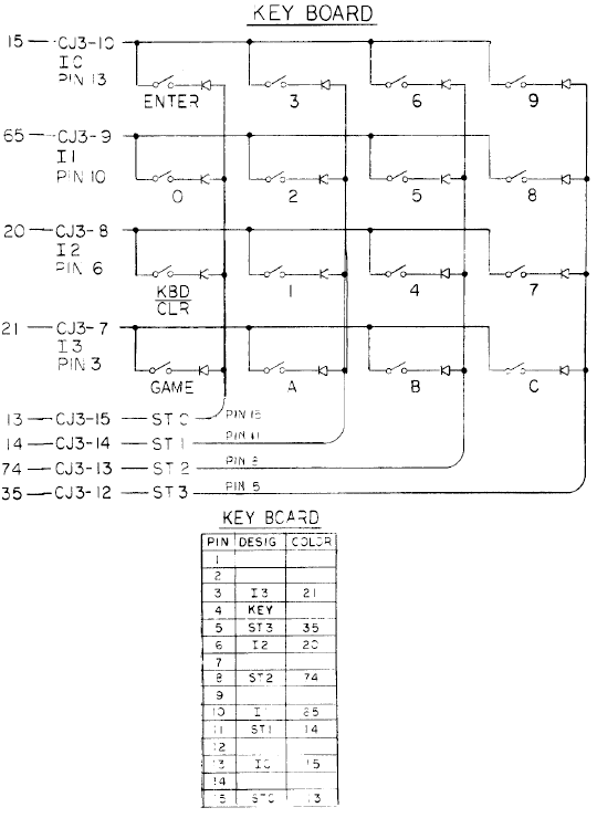
    Faking the Keypad (missing Keypad).
    If the keypad is missing on your game, one can be constructed. The keypad uses the switch matrix, crossing a row and column to get a keypad number/letter. Below is the configuration, information thanks to C.Woodruff.

        Switch Column
       
      3
      6
      10
      13
      15
      Game
      Keybd
      /Clr
      0
      Enter
      11
      A
      1
      2
      3
      8
      B
      4
      5
      6
      5
      C
      7
      8
      9
      1
      D
      E
      F
      *
      Row  
      * Bold numbers above are the respective switch row and column numbers. Non-bold text are the keypad buttons. Note the row with letters "D", "E", "F" and "*" are not used in any of the 6803 games I know of.

    For example, if you want the combination for keypad "1", the pins connected are (row) 11, (column) 6. Keypad "2" would be (row) 11, (column) 10, and so on. And here is the color coding for the connector going to the keypad:
    • Pin 1 - n/a
    • Pin 2 - n/a
    • Pin 3 - Blue/Brown
    • Pin 4 - Key
    • Pin 5 - Yellow/white
    • Pin 6 - Blue (two wires)
    • Pin 7 - n/a
    • Pin 8 - Orange/Green
    • Pin 9 - n/a
    • Pin 10 - Brown/White (two wires)
    • Pin 11 - Red/Green (two wires)
    • Pin 12 - n/a
    • Pin 13 - Red/White (two wires)
    • Pin 14 - n/a
    • Pin 15 - Red (two wires)

The schematic for the 6803 keypad.

    Enhanced Keypad Schematic.
    Ingo Kramer (germany) created a PDF file of an enhanced schematic for the Bally 6803 keypad here. He also did a layout for the keypad to remake them here.

The coin door black test button and volume control.

    Using the 6803 Keypad.
    On all games except Escape from Lost World, Blackwater 100, Truckstop and Atlantis, the keypad should be inside the game near the coin door. The cable is long enough the keypad can easily be used outside of the game. Here are the steps required to use the keypad. As you can see, the procedure is not as easy as it could be (and this is one reason the 6803 system is disliked):

    • Press the black test button inside the coin door.
    • On later 6803 games only, the CPU will now check all the switches in the switch matrix.
      • If any switch(es) are closed, the game automatically goes to the Stuck Switch Test (test 94 in the match/credit display), and displays the stuck switch numbers in all the player score displays (if "00" is display, there are no stuck switches). If there are stuck switch(es), the game will beep every second.
      • Press the black test button again to exit the switch test.
      • The game will go to Lamp test (90 in the match/credit display). All the lamp matrix lights will cycle on and off.
      • Motordome and later (games with 14 digit displays) can use the "A" and "B" keypad keys to move (scroll) forward and backward through the test numbers. Press the Enter key to select.
      • Press the keypad "KEYBD/CLEAR" button to exit the lamp matrix test and go to "Keypad Mode" (audit number "00").
    • The game enters "Keypad Mode" and displays "00" in the match/credit display (on newer 14 digit alpha-numeric score display 6803 games, the message "Bally Testing is Easy as ABC"). The game is now ready for keypad entry.
    • On 14 digit alpha-numeric 6803 games, categories will appear on the backglass displays. Press ENTER once to select that category.
    • To view/change a particular Register (note the "register" nomenclature was only used on 7 digit score display games, prior to Motordome):
      • Enter the Register number on the keypad and press ENTER (as the Register number is typed on the keypad, the numbers should echo in the match/credit unit). The current value of the register will display in the player 1 display.
      • If the Register is an adjustment (and not an audit), type the new value for the register (as the value is typed on the keypad, the numbers should echo in the player 2 display). Press ENTER to accept the new value, and both player 1 and player 2 values should be the newly entered number.
      • If a mistake was made, just re-enter the new value and press ENTER again.
      • If the Register value is not valid, the game will make a "buzz" error sound.
    • Pressing CLR will re-start the self-test.
    • Pressing GAME will keep any changed adjustments and go to game over (attract mode).

    Diagnostic Tests and the Keypad.
    Here are the diagnostic test numbers to enter on the keypad, and their descriptions. Note newer 6803 games have additional tests that the earlier games may not have. For example, newer 6803 games have a single lamp test, single soleniod, and Game ROM ID test. For all tests except the display test, the Function number is shown in the match/credit display.

    Summary of Diagnostic Test Numbers.

    • 90 = Lamp test.
    • 91 = Display test.
    • 92 = Solenoid test.
    • 93 = Sound test.
    • 94 = Stuck switch test.

    Diagnostics in Detail.

    • Lamps (Function 90) - All the lamps in the lamp matrix are turned on and off together, until the test is exited. The "A" phase is displayed first, followed by the "B" phase. Press "enter" or "keybd/clr" to exit this test and proceed to the next test.
    • Single Lamps (newer games only) - Lights one lamp at a time and also displays the SCR (lamp driver) number and connector ID on the score displays. Press "A" to advance to next lamp, or "B" to back up to the previous lamp, or "C" to cycle.
    • Displays (Function 91) - Each score display will cycle from "0" to "9" in all the digits, until the test is exited by pressing "enter" or "keybd/clr".
    • Solenoids (Function 92) - All of the game's coils are energized in sequence (as defined by their solenoid number). The flipper relay is also activated during this test, so the cabinet flipper buttons should work too. Press "enter" or "keybd/clr" to exit this test and proceed to the next test.
    • Single Solenoids (newer games only) - Energizes one solenoid at a time. Press "A" to advance to next coil, or "B" to back up to the previous coil.
    • Sound (Fuction 93) - the 6803 Controller board will "talk" to the sound board, and about once a second it will generate a buzzing noise. Press "enter" or "keybd/clr" to exit this test and proceed to the next test.
    • Game ROM ID (newer games only) - Displays ROM(s) ID numbers.
    • Switches (Function 94) - if "00" is flashing in all the player score displays, no switches are closed. Any other number than zero shows which switch number is closed. Press test button inside the coin door to exit this test.


3f. When Things Don't Work: Checking Transistors and Coils (stuck on coils and flashlamps).

SE9302/2N6045/TIP122/NTE263 solenoid driver transistors.


3g. When Things Don't Work: the Power Supply (Test Points and Repair).

    Power Supply Test Points.
    Here are the test point values for the 6803 power supply:

    • TP1 = +5 volts DC (4.9 to 5.2 volts)
    • TP2 = 170 to 190 volts DC (final score display voltage)
    • TP3 = 230 volts DC unregulated (input voltage for score displays)
    • TP4 = +43 volts DC (40 to 60 volts, solenoids)
    • TP5 = +14 volts DC unregulated (11 to 16 volts)
    • TP6 = 11 volts AC (A zero crossing for feature lamps)
    • TP7 = 11 volts AC (B zero crossing for feature lamps)
    • TP8 = 6.3 volts AC (5.8 to 6.8 volts, General Illumination lights)
    • TP9 = 6.3 volts AC (5.8 to 6.8 volts, General Illumination lights)
    • TP10 = Ground

    Cold/Cracked Solder Joints.
    A common problem is cold and/or cracked solder joints on the power supply board at connector J3 (but reflow all the power supply connectors). Also commonly seen is cold/cracked solder on the fuse boards (fuse board exists on some games, mounted on the left side of the backbox), power supply ground connector (this is the spade lug connectors below the transformer) which can cause some really spooky problems.

    Fuse Board.
    A seperate fuse board mounted on the inside left of the backbox. It's definitely in Dungeons & Dragons, Special Forces, Escape from the Lost World, Heavy Metal Meltdown, Blackwater 100 and Atlantis. Very common to have cold solder joints on this board too.

    Wiring Looms Too Short.
    The wiring/cables looms weren't retained well in the backbox. When lowering the backbox while moving a game, it really pulls on the connectors, causing cracked/cold solder problems. Also it is common to run new replacement wiring because this, as the thinner wires break inside their insulation.

    +5 Volts Problems and Fixes.
    The first thing that should be replaced in the +5 volt section is the big capacitor C1 (11,000 mfd 20 volts). This is the main filter cap that smooths the input AC volts. This filter cap has an effective life span of about ten years. That means that *every* 6803 game should have this capacitor replaced! Symptoms of a bad +5 volt filter capacitor are random game resets and lock ups.

    Cap C1 can also be tested with a DMM set to low AC volts. Put the leads of the DMM on each lug of cap C1 with the game powered on. After a moment, the meter reading should stablize and show no more than .25 volts AC. If there is any more than 1/4 volt AC, capacitor C1 is definately bad.

    Other than the filter cap, diodes D1,D2,D3,D4 (MR751, 100 volt 6 amp) also handle the initial conversion from input AC volts to DC volts. Check diodes D1-D4 with a DMM set to the diode function (.4 to .6 volts in one direction, null reading in the other). If any of these four diodes goes open (null reading in both directions), the +5 volts won't work at all. If any of these four diodes shorts (less than .4 volts), this will blow fuse FU3 (6 amp slow-blow). Diodes D1-D4 can be replaced with any 6A1 style diodes.

    If cap C1 and diodes D1-D4 are good, yet +5 volts is still bad, next part to check is the voltage regulator U1 (78H05C). This is the large metal transistor with the huge heat sink. Also check capacitors C4,C5 (.1 mfd 20 volts) and C3 (2 mfd 20 volts), as these small caps can go open. There are really no other parts in the +5 volt power section.

    High Voltage 190 Volts Problems and Fixes.
    The high voltage section, which supplies power to the score displays, can be problematic. Commonly failed are capacitors C6 and C7 (.01 mfd, 500 volts) on the power supply board. It is a good idea to replace these two caps, as their failure can burn transistors Q2 and Q3 (2N3440 or NTE396) in the high voltage section, which are much more expensive than the capacitors. If C6/C7 are failing, it only takes about a minute of power before Q2/Q3 will fail.

    Also commonly failed high voltage power supply components are resistor R5 (22k ohms 1/2 watt), capacitor C2 (160 mfd 250 volts, but replace with the more common 220 mfd 250 volts), transistor Q1 (2N3584 or NTE384), and the high voltage adjustment pot VR1 (25k 1/4 watt). Also check diodes D5,D6,D7,D8 (1N4004) and D10 (1N5275A) with a DMM set to the diode function (.4 to .6 volts in one direction, null reading in the other).

    If the entire high voltage section is suspect and needs to be rebuilt, replace all of these parts:

    • C6,C7 - .01 mfd 500 volts capacitor
    • C2 - 160 mfd 250 volts (or 220 mfd 250 volts) capacitors
    • R5 - 22k ohms 1/2 watt resistor
    • VR1 - 25k 1/4 watt small adjustment pot
    • Q1 - 2N3584 (NTE384) transistor
    • Q2,Q3 - 2N3440 (NTE396) transistor
    • D10 - 1N5275A diode
    • D5,D6,D7,D8 - 1N4004 diodes

    Increase Score Display Life: Adjust 190 volts to 170 Volts.
    Using a DMM set to DC volts, put the red lead on power supply TP2 (test point 2) and the black lead on ground (TP10). This should give the high voltage reading. Though factory set to 190 volts, this can be decreased to 170 volts by adjusting the small pot VR1 on the power supply. This will extend the life of the score displays dramatically.

    Solenoid 43 Volts.
    The power supply also converts 49 volts AC to 43 volts DC for the solenoids (coils). This is done using a lug lead voltage regulator BR1 (35 amp 200 volts). This bridge can short, causing the input fuse FU1 (5 amp slow-blow) to instantly fry at power-on. Rarely the varistor VA1 will short (due to high input voltage usually), also instantly blowing fuse FU1. Finally check resistor R1 (600 ohm 10 watts) with a DMM to make sure this resistor has not gone open or out of spec more than 10%.


3h. When Things Don't Work: the Lamp Drivers.

    Stressed Lamp Connectors from Lowering and Raising the Backbox.
    The wires that run to the CPU board connectors J10, J11, J12, J13 can often break from lowering and raising the backbox. These IDC (Insulation Displayment Connector) .100" Molex connectors are for the CPU controlled lamps, and don't handle stress very well. The problem is the wiring is not looped through the backbox very well and is generally too short, and often the wires and/or connectors break. Things to check include:

    • Cracked/cold solder joints on the CPU board at connectors J10 to J13 (along the left side of the CPU board).
    • Wires pulled from the .100" IDC Molex connector pins on the CPU board at J10 to J13.
    • Wires pulled from the square .093" Molox connector pins in the wiring going to CPU board connectors J10 to J13.
    • Wires physically broken inside the insulation going to CPU board connectors J10 to J13.

    The last point is the most ugly, as a wire and its connector pins can look intact, but in fact be broken inside the insulation. The only way to test for this is to use a DMM's continuity check from the playfield lamp to the CPU connector J10 to J13 in question. This problem will raise its ugly head when certain CPU controlled lamps do not work.

Lamp driver SCRs (Silicon
Controlled Rectifiers) 2N5060 &
T106's on the CPU board.

The larger T106 Lamp driver SCRs.

    Shorting the Coil Voltage to a Lamp Socket.
    One very common problem with the 6803 lamp system is shorting a lamp to the high voltage solenoid power. This unfortunately is way easy to do, thanks to the position of some of the lamp sockets in relation to the coils (note the picture below).

A lamp socket wire lug dangerously close to a solenoid wire lug on an Eight
Ball Champ.

    The consequence of shorting a lamp socket to solenoid power is a blown 2N5060 SCR lamp driver at minimum (note picture below). This will blow the 2N5060 SCR right apart (the sound of the SCR exploding can be heard as a distinct "crack").

A blown apart 2N5060 lamp driver SCR. This particular SCR blew up on an Eight Ball Champ because the playfield lamp socket touched a drop target coil lug, sending high voltage to the SCR.

    Obviously the blown SCR will need to be replaced.

The 555 sockets used under the playfield on
6803 games for the CPU controlled lamps.


3i. When Things Don't Work: the Switch Matrix.

    Stuck Switches.
    Use the internal test #94 (stuck switches) to find switches that are stuck. Be aware that some playfield switches have capacitors mounted between the banded diode lug and one of the wire switch lugs. Often these capacitors short internally, causing a stuck switch. While in stuck switch test #94, cut one end of the capacitor to see if the stuck switch clears. If it does, the capacitor can be replaced, or left off.

A cut switch capacitor on a rollover switch on Eight Ball Champ. This
capacitor was shorted, making this switch show as "stuck" in the #94
stuck switch test.

    Note one of the problems with the stuck switch test on early 6803 games is the switch test will not allow the testing of other switch numbers *higher* than the stuck switch number, until the lower stuck switch number is fixed.

If the 6803 game stays stuck in tilt mode, it could be the plumb-bob tilt capacitor is shorted! Cut the old cap out to fix this problem.

    Flipper Lane Change Switch.
    The flipper lane change switch is mounted on the same switch stack as the high voltage tungston flipper coil switch. These two switches are only by two pieces of insulating "fish paper". If the high voltage flipper coil switch shorts to the flipper lane change switch, this will send high voltage down the switch matrix, frying components on the CPU board. So always check this switch and the fish paper to make sure the insulator is in good condition.

The high voltage flipper coil switch (left) and the low voltage
lane change switch matrix switch (right) on the inside of the
cabinet on an Eight Ball Champ. Notice the gold contacts on
the lane change switch, and the big gnarly tungsten contacts
on the flipper coil switch.

    Unused Switch Columns.
    Depending on the game, some switch matrix "strobes" (columns) are not used. This is fine, but the CPU board may not be jumpered to use the a particular column. This can be an issue if the CPU board is moved from a game not using strobe 5, to a game that does use ST5.

    For example, Bob E. describes this exact problem in his Blackwater 100. After buying the game, none of the switches worked in strobe (column) five. The problem was fixed by installing CPU board jumper JW9 and removing jumper JW8. The Blackwater 100 manual generically listed these CPU board jumpers: In = JW2, JW4, JW6, JW9, JW10, Out = JW1, JW3, JW5, JW7, JW8, JW11.

    Clive explains that the Wn jumpers connect the PBnn strobe to the anode of the strobe line blocking diode. This anode is also tied to +5v to provide the drive current for the switch matrix line. Leaving the jumper out isolates the diode (and strobe line in it's entirety) from the PIA but leaves current drive to the matrix enabled via the pull-up. Bally generally left the W9 jumper in even though there were no switches on that line in some games (Escape from the Lost World being a prime example). Removing the resistor has no affect if W9 is out since the circuit is totally isolated. If strobe 5 is required to drive some switches then the resistor jumper needs to be in to provide enough drive current (the port cannot supply enough current needed and it will strain the PIA output drive possibly causing it to fail).


3j. When Things Don't Work: Ball Trough Infrared Optic Switches.

    Starting with Dungeons & Dragons and Blackwater 100, Bally used opto switches in the ball trough instead of mechanical switches. Flaky optos in this style of ball trough are very common. The game won't start if all the balls needed can not be accounted for, so the ball trough optos are very important. Also sometimes the game will start, but two or even three balls will stack up in the shooter lane at the start or during game play. Bad solder joints and bad 68 ohm resistors on the trough boards are very common. Reflow the solder joints on these boards is a good idea, and check the resistors for 68 ohms.

Trough opto switch board from Blackwater 100. This is the "transmitter" board
with the light emitting LEDs. Picture by Bart.

    Replacement Optos and Opto Installation Warning.
    It's also a good idea to have some spare opto emitters and receivers (detectors) These are the metal-can type, a TO-18 style transistor package with a lens on the top. The emitters are part# MLED930 (which crosses to an NTE 3028) and the detectors are part# MRD370 (which crosses to an NTE 3036). The only thing to beware of is the that the NTE emitters are polarized the *opposite* from the original parts. So to use the NTE replacements, mount them with the little metal tab in the *opposite* position to what is shown on the silk-screened PCB.

Trough opto switch board from Blackwater 100. This is the "receiver" board.

    If just one opto is needed, the first opto in each board can be robbed, as it only uses the last three of the four optos. But watch out, they numbered these optos backwards to what one may think! The #1 opto is the one that is not used, and #4 is the one closest to the plunger (for ball #1).

Trough opto switch boards mounted in a Blackwater 100. Picture by Bart.

    The optos in Dungeons & Dragons and Blackwater 100 are difficult to work on. It is best to prop up the playfield on the prop bracket, remove the third playfield (take three closest screws out of the left ramp that delivers balls so it can be flexed aside, remove the four screws that hold the third playfield down, undo the two large Molex conectors that provide power to the flipper/lamps/switches, and the two small Molex connectors that connect the trough circuit boards). Then lift the third playfield off the game. Now unscrew the two trough-opto circuit boards from the trough metal and then re-install the third playfield, just laying it there on the brackets. Connect the two large Molex plugs, then connect the trough opto and LED boards back up while they are dangling out the front. Now test each opto, and each LED (use a Radio Shack LED detector card, a camcorder or digital camera, that way the opto emitters can be seen).

    Blackwater only uses the three optos closest to the shooter, the fourth one is not used. Watch out, the numbers are confusing! The silk- screening on the PCB says Q1 for the unused opto, Q2 is really the first switch (identified as "left" in the switch matrix), Q3 is switch two (middle) and Q4 is the switch three, (right) the one closest to the shooter. So, going from the opto closest to the shooter lane, the transistor is identified as Q4, but it is Switch three in the matrix. The next one to the left is Q3, but is Switch two in the matrix. The third one is Q2, but Switch one in the matrix, the fourth (farthest left) one is Q1 and is not used! The LED's are numbered similarly.

    Before replacing optos and emitters, check for flaky solder-job on the 68 ohm resistors on the board. I think I may experiment with putting some rubber grommets under the mounts or something, to try and counter the vibrations and shocks they may be experiencing.

    Dave Wagler has said that he has had good luck putting a dab of RTV silicone behind the optos when mounting to the boards. Also, Tuuka suggests that the lights from the "R-A-I-N" targets can confuse the optos, so put some cardboard or duct tape over the metal trough walls to obscure them from the lights. Also Instead of reflowing solder, suck the old solder off, cleaned up the pads (single-sided boards...no plated-through holes) and resoldered.

    Test the Optics.
    Radio Shack sells a $5 credit card sized "infrared sensor". MCM Electronics also sells one, #72-6771, for about $7 (800-543-4330 or www.mcmelectronics.com). If you put this card right in front of an opto transmitter, the opto's emitting light can be seen; the light will show on the colored band of the sensor card. Also, a digital camera or a camcorder will usually show infrared light from the transmitting opto, if the digital camera has a small LCD screen used to show images "live" (but personally I like using the opto cards better). Using a Radio Shack or MCM infrared detector card (or a digital video or digital still camera), check all the transmitter LED infrared optos to see if they are working.

    After that is done, block the LED transmitters with some black electrical tape. Then shine a small pocket flashlight into each of the receiver board detector optos. They should register in the switch test (room needs to be somewhat dim for this; ambient room light can also activate these).


3k. When Things Don't Work: Score Displays.

    Displays: show garbage every once in a while. Pulling the connectors off the back of the displays and pushing them in a few times always cleared that one.

7-digit display driver board. Note all discrete components (no
expensive UDN7180 chips here!)

The Bally 9 segment, 14 digit NOS score display as used on many 6803 games.


3L. When Things Don't Work: Problems with Flippers.

    Flipper Coil.
    The flipper coil used in most 6803 games is Bally part number AC70-00026-0000, which when translated is A-24-570/34-3600.

    Double EOS Switches.
    Bally used a unique system of EOS switches in their games with more than two flippers. For example, on Eight Ball Champ (which has three flippers), the lower right flipper has two EOS switch. One EOS switch is Normally-Open (NO), and the other is Normally-Closed (NC). The normally-closed EOS switch acts just like a standard EOS switch for the lower flipper. But the second normally-open EOS switch is connected to the upper flipper. The high power portion of the upper flipper coil does energize until the lower flipper has completed it's "flip", and closes the normally-open second EOS switch. In other words, if the lower flipper doesn't flip, the upper flipper won't energize either! This unique system on the 6803 can cause quite a bit of confusion, since is it different than the flipper systems used by othre manufacturers.

    The benefit to the system is that there is only one cabinet flipper switch for both the upper and lower flippers. And the upper flipper isn't in the power stroke phase until *after* the lower flipper coil's initial power phase is off. This saves current draw and perhaps a noticeable voltage drop at the transformer.

The first generation flipper used on 6803 games. Note the double EOS switch.
This double EOS is used on lower flippers when there is an associated upper flipper.
The normally-closed EOS switch acts just like a standard EOS switch. But the
normally-open EOS switch is connected to the upper flipper. The upper flipper does
not energize until the lower flipper has completed it's "flip".


3m. When Things Don't Work: Sound Problems.

    Squawk & Talk sound board often has bad background and speech sound pots. A084-91864 Sounds Deluxe board's main weakness is the pot (cheap) and the 10 bit DAC (U8-7533), which is prone to static/electrical failure.

    6809 Sound Board LED Tests.

    • 1st flash - Validate U7 program ROM.
    • 2nd flash - Validate U6 RAM.
    • 3rd flash - Check U8 PIA (6821).

    Sounds Deluxe 68000 Board LED Tests.

    • 1st flash - Validate U11 program ROM.
    • 2nd flash - Validate U12 program ROM.
    • 3rd flash - Validate U13 program ROM.
    • 4th flash - Validate U14 program ROM.
    • 5th flash - Check RAM U9,U10.
    • 6th flash - Check PIA U7.

The Squawk & Talk sound board's crappy background sound and speech
volume pots.

    Squawk and Talk LED Flashes.

    First Flicker.
    Fakers Guide: No flicker means a bad U5, flakey U15, leaky C1, open R1, leaky CR1, or bad U17.
    Techno Guide: On power up, U1 requires +5 volts to be applied before the reset line is allowed to go high. If this condition is met, the LED does a quick "flicker". At power-on, C1 slowly charges via R1. The voltage across C1 is monitored by U15. When it reaches 1.7 volts DC, U15 take the reset line high. Diode CR1 across R1 provides a quick discharge path for C1 in the event the +5 momentarily disappears.

    First Flash.
    Fakers Guide: No first flash means a bad U6, U15 or U17.
    Techno Guide: The U1 chip tests the U6 RAM. It attempts to write then read back all 256 patterns in each of the 128 scratch pad RAM memory locations. If U1 completes the 256 x 128 = 32,768 tests, the LED is flashed.

    Second Flash.
    Fakers Guide: No second flash means PIA U7 is bad.
    Techno Guide: The U1 chip now tests the first PIA U7. Each of the two PIA chips U7 and U11 are interchangable. The test is the same for both. If it determines the two PIAs are good, the U1 chip performs some test. This includes testing each of the two full byte port initialization registers, testing the two full byte I/O registers, and testing the CA2 and CB2 ports. If all checks out, the LED is flashed.

    Third Flash.
    Fakers Guide: No third flash means PIA U11 is bad.
    Techno Guide: The same test above is performed on PIA U11.

    Fourth Flash.
    Fakers Guide: No fourth flash means sound generator U12 is bad.
    Techno Guide: The U1 chip performs a test on the sound generator chip U12. The U12 chip is controlled by PIA U11. If the sound chip passes the LED is flashed the fourth time. A bad PIA at U11 can also cause no fourth flash! Or a bad connection between the three chips U1 (microproocessor), U7 (PIA), and U12 (sound generator).

    Fifth Flash.
    Fakers Guide: No fifth flash means speech chip U8 is bad.
    Techno Guide: The speech generator U8 chip requires an initialization sequence at power-on. Since the chip is a "slow" device, there is an acknowledgement signal from the speech chip to the U7 PIA. Every time a write to the speech chip is done, the speech chip acknowledges. The U7 PIA attempts to send 9 bytes of initialization data to the speech chip, one at a time, waiting for acknowledgement. If it is sucessful, the speech chip is considered functional and the LED is flashed the fifth time. A bad PIA at U7 can also cause no fifth flash! Or a bad connection between the three chips U1 (microproocessor), U7 (PIA), and U8 (speech chip).


3n. When Things Don't Work: Game Specific & Miscellaneous Repair Tips.

    Problem: I have a Dungeons & Dragons/Blackwater 100, and when the start button is pushed it displays, "ball missing", yet there are three balls installed in the game. Or sometimes the game will start, but two or even three balls will stack up in the shooter lane at the start or during game play.

    Answer: This is a known problem on Dungeons & Dragons and Blackwater 100. What happens, is that the opto detectors in ball trough get extra light from the Blackwater RAIN feature lights, and then think the ball isn't there even though it is, giving the "ball missing" error. To fix, remove bottom arch plate, and cover the ball trough with black cardboard or something else non transparent. Secure with tape. Also verify, using the game's switch test, that all the trough opto receiver switches are working. And when replacing these optos, put a dap of silicon behind the opto receiver and/or transmitter, and mount the opto off the board just slightly. This will prevent vibration from breaking the opto in the future.



4a. Finishing Up: Rebuilding/Improving the Flippers



* Return to the Pin Fix-It Index
* Return to Marvin's Marvelous Mechanical Museum