3k. When things don't work: the Switch Matrix
    Switches on any pinball game are very important. On electronic games, when a switch closes, it informs the CPU to score points, award a feature, and/or to activate a solenoid. If a switch is stuck closed, the CPU will ignore this switch (in most cases).

    If a switch is not activated in a number of games, or is permanently closed, the switch is assumed to be bad. This will create a test report, which is shown when the game is turned on (implemented well in system11b, prior to this not implement as well). If a particular feature of a game is difficult to score, it's associated switch may be (falsely) assumed bad (if not activated in several games). To correct the test report, remove the playfield glass, and activate the switch by hand within a game, or within the diagnostics switch edge test.

    All switches on a system 11 game (except for the direct switches at connector 1J14 which are only the test button switches, and the six special solenoid switches at 1J18) are in the "switch matrix". The switch matrix is controlled by eight switch columns, and eight switch rows. The cross-section of any row and column designates any one of the potential 64 different switches. The switch columns are controlled through CPU board connector 1J8, which connects to 2N3904 transistors Q42-Q49. The output of these goes to a 74LS244 chip on the CPU board at U40. The output of this chip then goes to a 6821 PIA at U38. The switch rows are controlled through CPU board connector 1J10, which connects to 4011 chips at U30 and U39 (or U51/U52 respectively on system9), where U30 (U51 on s9) are rows 1-4 and U39 (or U52 on s9) are rows 5-8. This then connects to the same 6821 PIA at U38. Note early System11 CPU boards also have a switch row connector at 1J9 that was to be used for opto switches, but this connector was removed by System11a and was never implemented on any game.

    Test Button Switches.
    On system 11 games, the test button switches inside the coin door only are wired directly to the CPU board at connector 1J14. These switches do not go through the switch matrix on any system 11 revision. The test button switches are direct switches to the CPU board, which directly to the CPU. The diagnostic switch connects to the CPU's NMI line. Williams did this so if there is a switch matrix short, you can still get into the game's diagnostic tests without using any switches in the switch maxtrix.

    Shorting the Switch Matrix to +50 volts.
    When in a hurry, many make an under playfield adjustment with the game turned on. Doing a switch adjustment with the power on could easily short a coil lead (+25/50 volts) to a switch lead. This will immediately blow the switch matrix, and can fry most anything up to and including the 6821 PIA at U38.

    Start with the switch column connector 1J8 which goes to eight 2N3904 transistors Q42-Q49, as these are first inline (and test easily with a DMM set to diode test). Often that is all that gets damaged, but it can go further. The output of the 2n3904's goes to a 74LS244 chip on the CPU board at U40. And the output of this chip then goes to a 6821 PIA at U38.

    Depending on what switch contact was shorted to coil power, if the switch matrix still does not work, check the switch row logic path. The switch rows are controlled through CPU board connector 1J10, which connects to 4011 chips at U30 and U39 (or U51/U52 respectively on system9), where U30 (U51 on sys9) are rows 1-4 and U39 (or U52 on s9) are rows 5-8. This then connects to the same 6821 PIA at U38.

    If after replacing the suspect components, disconnect the switch input plugs from 1J8 and 1J10 at the bottom of the CPU board. Put the game into switch test mode, and none of the switches should be activated! If a whole row of switches is activated, that would mean that something in the row chain is still bad.

    Shorting the Flipper EOS switch to the Lane Change switch.
    Williams has a feature called "lane change" in many of their games. This allows the player to change the lit lanes using the cabinet flipper buttons. Prior to Banzai Run, this is done by doubling up a second switch on the flipper EOS switches. The EOS switches are a +50 volt switch. The lane change switch is a +5 logic switch connected to the switch matrix. These two switches are insulated from each other by a small nylon "triangle" activator. But if these two switches touch, the switch matrix will burn (as described above).

Games Cyclone and before: the EOS flipper switch
on these games is actually two switches. The switch
on the left (with the diode) is low-voltage and connected
to the switch matrix. This normally open switch closes
when the flipper is activated, and controls the lane
change and high score initials. The switch on the right
is the high-voltage flipper EOS switch. A nylon space
insulates the two switches from each other.

    When adjusting or cleaning the flipper EOS switches or lane change switches, make sure the game is turned OFF. This will prevent shorting these two switches together. Also, do not clean the smaller lane change switch with anything other than a business card.

Banzai Run, Swords of Fury style lane change switch.
Instead of having the lane change switch matrix switch on the
EOS switch stack, these games used a micro-switch on the
cabinet flipper buttons.

    Lane Change on games with Interconnect boards.
    When the interconnect board was introduced on Banzai Run, Williams stopped using a doubled up switch on the flipper EOS switches for the lane change. Instead they moved the lane change switches to the flipper cabinet switches using micro-switches. This was done at least up to Swords of Fury (sys11b). Then Williams made a change to the interconnect board. Circuitry was added on the interconnect board for Taxi using a MOC3010 optoisolator/triac output chip (NTE3047). Just a game later (Jokerz), Williams changed to the 4N25 opto isolator/NPN transistor output chip (NTE3040). If having problems with the lane change on these games, replacing the small opto isolator chip will usually fix the problem (assuming it's a system11B or later game). Also check the interconnect board's connectors for burnt pins and burnt traces on the 50 volt solenoid voltage lines. It is very common for a burnt connector or burnt traces on the board to not allow the optoisolators to work, preventing lane change.

    Switch Numbering.
    Each switch has a number associated with it. Unlike WPC, system 11 switches are just numbered 1 to 64. There is no relationship to what row or column number the switch number is (on WPC, switch 43 is column 4 row 3, for example). On system 11 games, switches 1 to 8 are column 1, rows 1 to 8. Likewise, switches 9 to 16 are column 2, rows 1 to 8. This continues up to switches 57 to 64, which are column 8, rows 1 to 8.

To enter diagnostics, the red center button must be
in the "down" position (as shown here). If the center
button is "up", you will enter the audits menu instead.

    Using the Internal Switch Tests.
    To test switches, use the internal test software. Press the center red button inside the coin door down, then press the black button closest to the coin door. Finally, press the center button again. The button closest to the coin door will take you from test to test. Go to the "switch level" test and activate any switch on the playfield using a pinball (this simulates real game play), and it should show on the game's display.

    If a Bad Switch is Found.
    If a switch does not work, check these things:

    • On the top side of the playfield, make sure the bad switch contacts haven't been bashed together by an errant air pinball.
    • If it's a micro-switch, check the actuator arm. Make sure it's adjusted properly. Listen for the micro-switch's "click" when activating. No click usually means the switch is mis-adjusted or broken.
    • Check that the wires going to the switch are soldered well, and haven't fallen off.
    • Check the continuity (using your DMM's continuity setting) of the wire between this switch and another working switch in the same column (white wire) or row (green wire).
    • If it's a blade or leaf style switch, check the contacts for proper closure. Clean the switch contacts with a business card (do NOT use a file as the contacts are gold plated). Put the card between the contacts, close the contacts, and pull the card through the contacts. This is all that is needed to clean gold plated switch contacts.
    • Check the switch to make sure it works. Use your DMM's continuity setting, and put one lead on the "common" lug (the lug to which the banded end of the diode connects) of the switch. Put the other lead on the green (normally open) switch lug. Your meter should only beep when the switch is activated, and not beep when the switch is de-activated. Move the DMM's lead from the green to the white wire (normally closed) switch lug. Your meter should beep when the switch is de-activated, and NOT beep when activated.
    • Check the diode on the switch. Make sure the diode is connected properly, and is working (see below).
    • Check other switches in that switch's row or column. Two 4041 chips control rows, and 2N3904 transistors and 74LS244 at U40 control columns. Both rows and columns are controlled by a 6821 PIA at U38.

    If the switch is bad, replace it. If all the switches are bad in a particular switch column or row, start replacing components closest to the switch.

System 11 switch matrix of 64 switches: eight rows and eight columns.

    Random/Phantom Switch Closures: a Shorted Switch.
    -Or- One Switch Activates Multiple Switches.
    -Or- Many Switches Activiate the Same Switch.

    It's a strange problem. You're playing a game, and when the ball goes down the right inlane, the left slingshot fires! Or when you make a ramp shot, the game slam tilts. One switch closes, but a completely unrelated event than occurs. Or whenever going into the switch edge test, most of the switches came up as the same switch!

    This is a classic problem of a shorted switch. It confuses the switch matrix into thinking something else has occurred. This can happen from an "air" pinball, that bashes an above playfield switch's contacts together, causing a short. Also a bad switch diode can do this too. In either case, you need to find the shorted switch. Unfortunately, it won't be obvious. The switch matrix is confused, so any diagnostics the game provides will be of limited help.

    First, try and find the switch that causes something unrelated ("phantom") to happen. Take the playfield glass off, and start a game. Activate the switches with your hand, and find the switch which activates the phantom (unrelated) switch. Once you have found the switch, go to the game manual and find the switch's number, row number, and column number. Say for example, switch 53 (column 7, row 5) is causing the phantom closure. Now you need to get the other three switches that make up the "square" of this row and column. First get the reverse switch number, switch 39 (column 5, row 7). Then get the other two switches: switch 37 (column 5, row 5), and switch 55 (column 7, row 7). Your switch short will probably be one of these four switches.

    For example, a reading was having a problem on his Road Kings where the game tilted randomly. The problem was narrowed down to the right slingshot; when it fired the game would occassionally tilt. It turned out the slingshot switch was just barely shorting with the Y-Ramp through switch. The problem was not reproducable in the switch tests, but only with the playfield down during game play.

    If you are having problems figuring out if the short is in the playfield or the CPU board, try this. Put the game in switch edge test. Remove connectors 1J10 and 1J8 from the CPU board. Using the manual, find which row and column of the switch that is causing the phantom closure. Then cross this row and column directly on the CPU board (with an alligator clip, as described below in the "testing the switch columns/rows"). The row and column numbers for each pin of connectors 1J10 and 1J8 are listed below. If the phantom switch does not activate, the problem is in the playfield. If the phantom closure still works, you have a CPU board problem.

    If your phantom switch problem is on the CPU board, don't forget to look at the resistor networks SR9, SR10 or SR11 on the CPU board. If one of these resistor networks goes bad, it can cause weird switch behavior. It can be tested with a ohm meter, but since the resistor networks are "in circuit", the test is not necessarily conclusive depending on which SIP network is involved (see below for more details on this). Note F-14 Tomcat seems to *really* have problems with these resistor networks.

    More Strange Switch Closures: the Switch Matrix Resistor Networks.

    The resistor networks in the switch matrix can fail, and this is weird problem. This can cause random switch closures and generally strange switch behavior like random scoring, random tilting, or even the slam switch randomly activating. The only solution is to test and replace the resistor networks involved.

    There are two types of resistor networks (SIP) used on the system 11 CPU board; "Bussed" and "Isolated" (aka Discrete). If a resistor network is "560 x 9R" and has 10 pins, that means it's BUSSED; there are nine resistors, and they are all tied to one common pin (this pin is labeled with a white square around it on the circuit board). These can be tested out-of-circuit with a DMM set to ohms. Just put one lead on the "dot" leg of the SIP, and test the other nine legs one at a time. The same resistor value should be seen.

    If a resistor network is "1K x 4R" and has 8 pins, this is an ISOLATED or DISCRETE resistor network; there are four resistors in the same small package, and uses two pins per resistor. Each pair of pins are a separate resistor. To test out-of-circuit, put the two DMM leads on a pair of pins to get the resistor ohm value.

    Information on how to test the SIP resistor networks in-circuit is listed below.

Left: A bussed resistor network. Right: An isolated (discrete) resistor network.
 

    Here are the different resistor networks used in the system 11 switch matrix (listed in general order of failure):

    • SR9/SR10* = 1k ohms x 4 resistors isolated/discrete (8 pins). Used for the switch returns (rows). Mouser part# 652-4608X-102-1K. Easy to test in-circuit.
    • SR11* = 560 ohm x 9 resistors bussed (10 pins). Used for the switch returns (rows). Mouser part# 652-4310R-101-560. Easy to test in-circuit.
    • SR3/SR15/SR17* = 4.7k ohms x 9 resistors bussed (10 pins). Used for the switch drives (columns). Mouser part# 652-4310R-101-472.
    • SRC6* (1k/470 pfd) = resistor/capacitor network for switch matrix columns. Has 1k ohm resistors with 470 pF caps in a single package. Can not be tested in-circuit. Replace with a 1k ohm x 9 resistor bussed (10 pins) with no capacitors. Cut off pin 10 (important!), and install pin 1 (common) in pin 1 of the board. The cut pin 10 of the resistor network does not go into the board's pin 10 position. See notes below for more info on this. Mouser part# 652-4610X-1LF-1K.
    • SR14 = 3.3K ohm x 9 resistors (10 pins) bussed. Used for the opto switch returns (rows). Not used in any game for switches directly, but if this SIP is bad will cause switch matrix row problems. Mouser part# 652-4310R-101-3.3K. Easy to test in-circuit.
    • SR8 = 1k ohm x 9 resistors bussed (10 pins). Mouser part# 652-4610X-1LF-1K.
    * Most commonly failed resistor networks in system11 boards.

    All these Bourns resistor networks (except for the SRC6) can be ordered from mouser.com or greatplainselectronics.com.

    When testing a BUSSED resistor network, first find pin 1. This pin will have a white square around it, to isolated it from the rest of the pins. Use a DMM set to ohms, and put one lead on pin 1. Put the other lead on each pin 2 and up. The same reading should be seen for each pin 2 and up. Note "in circuit" (resistor network installed in the board) some networks may have pins that measure differently than the other pins (for example, pin 10 of SR17 which measures about half what the other pins measure). Out of circuit (resistor network not installed in the board) all pins should measure the same.

    When testing an ISOLATED (discrete) resistor network, put the DMM leads on the two adjacent pins furthest to the right or left, and note the reading. Then move both DMM leads down two pins. The same value should be seen. Continue down the resistor, moving both DMM leads two pins at a time, until all adjacent pins are tested. Again note "in circuit" (resistor network installed in the board) some pins may measure differently than the actual value. Out of circuit (resistor network not installed in the board) all pins should measure the same.

    Note: Testing resistors/capacitor networks "in circuit" is may not be conclusive. A bad resistor network which is soldered into the circuit board can test as "good", but in fact be bad. This does happen (but pretty rare). My advice is this: if the resistor network tests "strange" (as shown below), probably best to replace it. Note SR9, SR10 and SR11 are the most commonly failed resistor networks in system11 CPU boards (but luckily these are easy to test in-circuit). The SRC resistor/cap SIPs are a bit more tricky to measure in-circuit.

A bussed resistor network on a DataEast game. Note the white
square around pin 1; this is the common pin. DataEast's CPU
is basically a clone of system 11, except they use 9 pin
resistor networks.

A "hacked" bussed resistor network (same DataEast CPU board as above).
If the correct resistor network can not be found, this shows how to
make a bussed resistor network from individual resistors. Note the
white square around pin 1; this is the common pin. This picture shows
quite well how a bussed resistor network is wired. Since some resistor
networks are hard to get, this repair will get more and more common.

    Thankfully Williams used even pin number resistor networks (unlike DataEast's CPU board, which is essentially a clone of Williams' System 11 CPU board). The even pin numbered devices are far easier to find than the odd pinned ones.

    Resistor/Capacitor Network (SRC6).
    On the CPU board at SRC6 there is also a resistor/capacitor network. This is similar to the resistor networks described above, but there are also capacitors inside the network, in addition to the resistors. This Resistor/Capacitor network at SRC6 was removed on System11b CPU boards and made into descrete resistors and capacitors. But on earlier Williams CPU boards, these SRC packs have eight resistors (1k or 4.7k ohms) and eight capacitors (470 pfd), in a ten pin SIP package. Pin one of the network is tied to +5 volts and connected to the eight resistors. Pin ten of the network is tied to ground and connected to the eight capacitors. These are a real bear to find, but they are made by BI Technologies, their part series CR10-S with 4.7k ohm resistor and 470 pfd capacitor. Unfortunately I can't find anyone that has these in stock without ordering 5000 of them! So just use a 1k resistor (1k x 9r) bussed SIP network without the capacitor. That will work fine for SRC6.

    Here's a run down of what these SRC networks are used for:

    • SRC6 (1k/470 pfd) = switch matrix columns.
    • SRC2,SRC4,SRC5 (4.7k/470 pfd)= score display data.
    • SRC7,SRC8 (4.7k/470 pfd)= score display digit strobes.
    • SRC9 (4.7k/470 pfd) = score display BCD.
    • SRC1,SRC3 (4.7k/470 pfd)= "widget I/O" (the sound board).

    Note that these SRC networks can not be tested "in circuit". That is, they have to be removed from the board to get a good test. Usually the resistance part of the SRC shows less than the value stated for the SRC (.6 to 2.2k ohms, versus 4.7k ohms). In order to test them they need to be removed from the circuit board.

    Installing a SR instead of a SRC at SRC6.
    In the case of SRC6 (switch matrix columns), if the original SRC resistor/capacitor network can not be found, it can be replaced with a straight SR resistor network (with no capacitor). This may also work with the SRC1-SCR5 and SRC7-SRC9. If this is done, a "1k x 9R" bussed resistor network can be used. But it must be installed correctly! This bussed resistor network will have ten pins, with one "common" pin (the pin with the "dot"). The common pin 1 of the resistor network must go in the board's pin 1 (for +5 volts). BUT the last pin 10 of the resistor network should be cut and not installed in the CPU board, because this pin on the CPU board goes to ground (for the capacitor part of the SRC, which we are not using since we're installing a SR and not a SRC). Using a SR instead of a SRC works because Williams installed some optional capacitors at C49-C56 (.01uF). If replacing SRC6 with a straight resistor network, caps C49-C56 should be installed. In most cases these are installed from the factory, but it's best to double check.

    Again, to repeat, if using a SR resistor only network instead of a SRC resistor/capacitor network, the last pin (pin 10) of the SR should be modified for use in the system11 CPU board. Just cut off the last pin (pin 10) on the resistor network opposite the "common" pin. Remember the common pin is the pin with the "dot", so cut off the 10th leg furthest away from the dot.

Installing a SR in place of a SRC at SRC6 for the switch matrix
columns. Note pin 10 of the SR bussed SIP network is cut.

    Bad Switch Diode.
    Each micro-switch on the playfield also has an 1N4004 diode soldered to it. This diode can short closed. It doesn't happen often though. Important: If a switch diode does short closed, all switches in that particular column or row will exhibit strange behavior. If a switch diode goes permanently open, the switch will never register. Keep this in mind when diagnosing switch matrix problems.

    Fail-Safe Diode Test.
    With the game off, use your DMM set to diode position. With the black lead on the banded side of the diode, you should get a .4 to .6 volt reading. Reverse the leads, and get a null reading. If the diode test bad, cut one lead of the diode from the switch to remove it from the circuit, and test it again just to make sure the diode is really bad. Reconnect the diode after testing, or replace it if bad.

Testing a switch diode on a microswitch without removing the
diode. Not the screw driver keeps the switch activated, and the
middle green wire (ground) has been disconnected.

    Testing a Microswitch's Diode, without removal.
    You can test the diode on a microswitch without unsoldering a diode lead from the switch. This technique assumes the switch is wired in the standard configuration: green (ground) wire to the center lug, the banded end of the diode to the far switch lug, and the non-banded diode lead and the switch wire(s) to the close switch lug (as shown in the pictures above).
    • Disconnect the middle green (ground) wire from the switch. It should have a quick connector. If the middle green ground wire is soldered to the switch, ignore this test and do the above "fail-safe" diode test.
    • Put your DMM on diode setting.
    • Connect the black lead of your DMM to the diode's banded side, and the red lead to the non-banded side.
    • Activate the switch.
    • You should get a reading of .4 to .6 on the meter.
    • Reverse the DMM's leads (red lead to the diode's banded side), and keep the switch activated. You should get a null meter reading.

    Testing a Blade/Leaf Switch's Diode.
    Testing the diode on a leaf switch is far easier. No wires need to be disconnected, and the switch should not be activated. This technique assumes the switch is wired in the standard configuration: green (ground) wire to the center lug, the banded end of the diode solo, and the non-banded diode lead and the switch wire(s) to the other switch lug (as shown in the pictures below).

    • Leave the leaf switch's diode and all wires connected.
    • Make sure the switch isn't activated.
    • Put your DMM on diode setting.
    • Connect the black lead of your DMM to the diode's banded side, and the red lead to the non-banded side.
    • You should get a reading of .4 to .6 on the meter.
    • Reverse the DMM's leads (red lead to the diode's banded side). You should get a null meter reading.

Testing a switch diode on a blade/leaf switch, without
removing the diode. The switch doesn't need to be
activated, and no wires need to be disconnected.

    Installing a New Switch Diode.
    You can replace the diode with a 1N4004 (or 1N4002 or 1N4001) diode. Make sure you install the new diode with its band in the same orientation as the old diode (assuming it's correct!). If you're unsure, compare the diode's band orientation to a working switch and diode. Most (but not all!) switches have the green (ground) leads connected to the center (normally open) lead of the switch. Then the row (white) wire is connected to the switch lead closest to the center lead (the normally closed lead). The banded end of the diode is connected solo to the far (common) switch leg, and the non-banded end is connected to the same leg as the row (white) wire. There are some exceptions to this mounting. Your game manual will specify any non-standard switch installations.

Notice the orientation of the diode's band on these switches.
On a micro-switch, the ground (green) wire usually goes to the center
lug, the "live" wire and the non-banded side of the diode to the lug
closest to the center. The band on the diode goes to the solo,
far third switch lug. The leaf switch uses the same connection method
(ground to center, banded end of diode solo). Note there are some
exceptions to this mounting.

 

Switch Matrix Row or Column Problem: the Easy Test.

    If you are getting an error message that you have a switch matrix row or column problem, you need to determine if this is a CPU board problem or a playfield problem. The easiest way to do this is to enter the game's switch LEVEL diagnostics (coin door center red button down, press the black button closest to the coin door), then unplug the switch matrix row and column plugs at 1J10 and 1J8. If the row or column problem is gone (no switch reports), you have a problem in the playfield wiring. If the problem is still there, you may have a problem on the CPU board. Note most shorted switch matrix column problems are caused by a bad switch matrix column 2N3904 transistor at Q42-Q49 (which affects the entire column).

    Switch Matrix Plug and Pin Numbers.
    If you are doing intensive switch matrix diagnostics with the plugs removed at 1J10 and 1J8, you may want to simulate an actual playfield switch closure, without using the playfield! This can be done by using the internal switch edge test, and an alligator lead connected to the particular row/column (switch) in question.

    1J8 Switch Column Pin Numbers

    • Pin 1 = Column 1, green/brown
    • Pin 2 = Column 2, green/red
    • Pin 3 = Column 3, green/orange
    • Pin 4 = Column 4, green/yellow
    • Pin 5 = Column 5, green/black
    • Pin 6 = key
    • Pin 7 = Column 6, green/blue
    • Pin 8 = Column 7, green/violet
    • Pin 9 = Column 8, green/gray

    1J10 Switch Row Pin Numbers

    • Pin 1 = Row 8, white/gray
    • Pin 2 = Row 7, white/violet
    • Pin 3 = Row 6, white/blue
    • Pin 4 = key
    • Pin 5 = Row 5, white/green
    • Pin 6 = Row 4, white/yellow
    • Pin 7 = Row 3, white/orange
    • Pin 8 = Row 2, white/red
    • Pin 9 = Row 1, white/brown

Testing the switch matrix columns: The diode is optional, but
here it is shown using a diode and a test lead. The test lead is attached
to pin 9 of 1J10, and is stationary. The other clip holds the non-banded
side of the diode. Then the banded side of the diode is touched to
each pin of connector 1J8. The "switch edge" test should indicate switches
1, 9, 17, 25, 33, 41, 49, 57 when moved from pin 1 to 9, respectively.

    Testing the Switch Columns (all system 11 revisions).
    To test the switch columns, do the following:
    1. Remove the backglass and fold down the display to gain access to the CPU board.
    2. Turn the game on.
    3. After the game boots, go to the Test menu's "Switch EDGE" test.
    4. Unplug the connectors at 1J8 and 1J10 (bottom portion of the CPU board).
    5. Connect your alligator test lead to pin 9 of 1J10. Pin 9 is the left most pin, as facing the board.
    6. Optional Diode: On the other end of the alligator test lead, clip on a 1N4004 diode, with the banded end away from the alligator lead. Touch the banded end of the diode to 1J8 pin 1. If not using the diode, just touch the other end of the alligator clip to 1J8 pin 1. Again, pin 1 is the right most pin, as facing the board.
    7. The display should show switch 1 is closed.
    8. Move the diode/alligator lead on 1J8 to the next pin. The display should show switch 9 is closed.
    9. Repeat the previous step, until pin 9 of 1J8. Switches 1, 9, 17, 25, 33, 41, 49, 57 should be closed on the display as you move forward, pin 1 to pin 9, on connector 1J8. Note pin 6 is a key pin, and should be skipped.

    If a particular switch number does not display as closed, or is closed without any test lead connection, or multiple switches close for single connector pin test, there is a problem on the CPU board. Usually this is a bad switch matrix column 2N3904 transistor at Q42-Q49.

Testing the switch matrix rows: Using the diode is optional.
The test lead is attached to pin 1 of 1J8, and is stationary. The
other clip holds the banded side of the diode. Then the non-banded
side of the diode is touched to each pin of connector 1J10. The
"switch levels" test should indicate switches 1, 2, 3, 4, 5, 6, 7, 8
when activated.

    Testing the Switch Rows (all system 11 revisions).
    To test the switch rows, do the following:
    1. Remove the backglass and fold down the display to gain access to the CPU board.
    2. Turn the game on.
    3. After the game boots, go to the Test menu's "Switch EDGE" test.
    4. Unplug the connectors at 1J8 and 1J10 (bottom portion of the CPU board).
    5. Connect your alligator test lead to pin 1 of 1J8. Pin 1 is the right most pin, as facing the board.
    6. Optional diode: On the other end of the alligator test lead, clip on a 1N4004 diode, with the banded end towards the alligator lead. Touch the non-banded end of the diode to 1J10 pin 1. If not using a diode just touch the other end of the alligator clip to 1J10 pin 1. Again, pin 1 is the right most pin, as facing the board.
    7. The display should show switch 1 is closed.
    8. Move the diode/alligator lead on 1J10 to the next pin. The display should show switch 2 is closed.
    9. Repeat the previous step, until pin 9 of 1J10. Switches 1, 2, 3, 4, 5, 6, 7, 8 should be closed on the display as you move forward, pin 1 to pin 9, on connector 1J10. Note pin 4 is a key pin, and should be skipped.

    If a particular switch number does not display as closed, or is closed without any test lead connection, or multiple switches close for single connector pin test, there is a problem on the CPU board. Usually this there is a problem with the CPU board.

    Testing the Switch Matrix Columns and Rows with a Logic Probe.
    If you have a logic probe, you can use this to easily test the switch matrix:

    1. Remove the backglass and fold down the display to gain access to the CPU board.
    2. Turn the game on.
    3. After the game boots, go to the Test menu's "Switch EDGE" test.
    4. Unplug the connectors at 1J8 and 1J10 (bottom portion of the CPU board).
    5. With your logic probe connected to power and ground, probe each pin 1 to pin 9 of 1J8 (pin 1 is the right most pin, as facing the board). These are the switch columns. All pins should show PULSE on the logic probe.
    6. With your logic probe connected to power and ground, probe each pin 1 to pin 9 of 1J10 (pin 1 is the left most pin, as facing the board). These are the switch rows. All pins should show HIGH on the logic probe.

    If you don't get the following pulses or highs with the logic probe, there is definately a CPU board problem. See below.

    Bad Switch Column: How to Fix it.
    Usually the switch column transistors fail here. These are 2N3904 transistors at Q42 to Q49. See the Checking Transistors section for details on testing these transistors. Right before the transistors there is a capacitor network; this rarely fails (and is not documented in the list below). Next each one of the eight transistors connects to a 1.5k resistor at R71 to R78. Then the resistors at R71 to R78 connect to a resistor network at SR15. This is a group of eight separate 4.7k ohm resistors, in a single package. Measure the resistance between pins 2 to 10 of SR15, and pin 1 of SR15 (the common pin). You should get 4.7k ohms for each connection:

    • 1J8 pin 1, to Q45, to R77, to SR15 pin 2, to U40 pin 18 (column 1).
    • 1J8 pin 2, to Q49, to R78, to SR15 pin 3, to U39 pin 3 (column 2).
    • 1J8 pin 3, to Q44, to R75, to SR15 pin 4, to U39 pin 16 (column 3).
    • 1J8 pin 4, to Q48, to R76, to SR15 pin 5, to U39 pin 5 (column 4).
    • 1J8 pin 5, to Q43, to R73, to SR15 pin 7, to U30 pin 14 (column 5).
    • 1J8 pin 6: KEY
    • 1J8 pin 7, to Q47, to R74, to SR15 pin 8, to U30 pin 7 (column 6).
    • 1J8 pin 8, to Q42, to R71, to SR15 pin 9, to U30 pin 12 (column 7).
    • 1J8 pin 9, to Q46, to R72, to SR15 pin 10, to U30 pin 9 (column 8).

    If the transistors and resistor network checks out good, next replace chip U40 (74LS244). If there is still a switch matrix column problem, replace the PIA at U38 (6821) last (or better yet use Leon's Test EPROM to verify the PIA is indeed good or bad).

    Bad Switch Row: How to Fix it.
    First check the 560 ohm resistor network at SR11. This is a group of eight separate 560 ohm resistors, in a single package. Measure the resistance between the pins 2 to 10 and pin 1 of SR11 (the common pin). You should get 560 ohms for each connection. Then check SR10/SR11 between the 1J10 connector pin and the *second* SR10/SR11 pin listed below - 1k ohms should be seen. Then check continuity from the second SR10/SR11 pin to the U30/U39 chips.

    • 1J10 pin 1, to SR11 pin 2, to SR10 pin 1/2, to U39 pin 12 (switch row 8).
      U39 NAND gates pins 12,13 (high) and outputs pin 11 (low) to PIA.
    • 1J10 pin 2, to SR11 pin 3, to SR10 pin 3/4, to U39 pin 8 (switch row 8).
      U39 NAND gates pins 8,9 (high) and outputs pin 10 (low) to PIA.
    • 1J10 pin 3, to SR11 pin 5, to SR10 pin 5/6, to U39 pin 2 (switch row 6).
      U39 NAND gates pins 2,1 (high) and outputs pin 3 (low).
    • 1J10 pin 4: KEY
    • 1J10 pin 5, to SR11 pin 6, to SR10 pin 7/8, to U39 pin 5 (switch row 5).
      U39 NAND gates pins 6,5 (high) and outputs pin 4 (low) to PIA.
    • 1J10 pin 6, to SR11 pin 7, to SR9 pin 2/1, to U30 pin 13 (switch row 4).
      U40 NAND gates pins 12,13 (high) and outputs pin 11 (low) to PIA.
    • 1J10 pin 7, to SR11 pin 8, to SR9 pin 4/3, to U30 pin 9 (switch row 3).
      U40 NAND gates pins 8,9 (high) and outputs pin 10 (low) to PIA.
    • 1J10 pin 8, to SR11 pin 9, to SR9 pin 6/5, to U30 pin 2 (switch row 2).
      U40 NAND gates pins 2,1 (high) and outputs pin 3 (low) to PIA.
    • 1J10 pin 9, to SR11 pin 10, to SR9 pin 8/7, to U30 pin 6 (switch row 1).
      U40 NAND gates pins 6,5 (high) and outputs pin 4 (low) to PIA.

    If the resistor networks check out good, next replace either U39 and/or U30 (a 4011 chip, depending on which switch row number is dead). With connector 1J10 removed, the two inputs for each switch row to the 4011 (pin numbers above) should be high. If either 4011 input pin is low or null, a row short will result. The 4011 then outputs to a single pin which should be low. This can be easily tested with a logic probe before replacing the 4011 in question. Note the 4011 "NANDs" the two input pins together for each switch row. This was done because originally connector 1J9 (as used just on System11 CPU boards) was an opto switch row connector, in parallel to 1J8. In System11a and later, connector 1J9 was removed and the second switch row input to the 4011 was directly tie to SR14 (3.3ohms), permanently giving the high signal for that input. If SR14 has a problem, this signal may not be high, and a switch row short will occur. Just keep that in mind.

    If you are still having a switch matrix row problem. If all the SIP resistor values test good, and the inputs and outputs test correctly for the 4011 chips, then that only leaves the PIA at U38 (6821) as bad. You can replace this chip or use Leon's test EPROM to verify the PIA as good or bad.

    Further Diagnosing of the Switch Matrix.
    If you are having a switch matrix problem, the first plan of attack is to do the above column and row switch matrix tests. If these tests pass, the problem most likely is in the wiring. Note most switch failures show as Row failures (even though it could be a column problem). Here are eight different ways the switch matrix can fail. All require you use the internal "switch level" or "switch edge" tests of the game.

    1. Switch column shorted to ground.
      When a column wire is shorted to ground, and any switch in that column is closed, the switch test will show ALL switches in the ROW of the closed switch as being closed. If no switches are closed, the switch test will show no switches closed. To find the location of the short, go to the end of the switch column wire on the playfield (the switches are "daisy chained" together for an entire column or row). Then break the daisy chain one switch at a time until the short no longer shows in the switch test.
    2. Row shorted to ground (diode anode).
      When the anode (non-banded end of the switch diode) is shorted to ground, the switch test will show the entire row as activated (whether any switches are closed or not). To find the location of the short, go to the end of the switch row wire on the playfield (the switches are "daisy chained" together for an entire column or row). Then break the daisy chain one switch at a time until the short no longer shows in the switch test.
    3. Row shorted to ground (diode cathode).
      When the cathode (banded end of the switch diode) is shorted to ground, that switch's entire row will show as closed in the switch test (whether the switch is open or closed). To find the location of the short, go to the end of the switch row wire on the playfield (the switches are "daisy chained" together for an entire column or row). Then break the daisy chain one switch at a time until the short no longer shows in the switch test.
    4. Column wires shorted together.
      When two column wires are shorted together, and none of the switches in those columns are closed, the switch test will show no problems. But pressing any switch in either column will show that switch, along with a switch in the column that is shorted on the row of the switch you are closing. For example, if column 2 and column 4 are shorted together, closing switch column 2 row 3 will also show a closed switch in column 4 row 3.
    5. Row wires shorted together.
      When two row wires are shorted together, and no switches are closed, the switch test will show no closed switches. When any switch on either row is closed, another switch on the same column as the closed switch will also show as closed. For example, if rows 1 and 4 are shorted, closing a switch in row 1 column 3 will also show a closed switch on row 4 column 3.
    6. Column and row wires shorted together.
      When a column and row wire are shorted together, the switch test will show the switch that is at the intersection of the row and column as being closed, even though it is not closed. All other switches on all other rows and columns will work correctly. For example, column 1 and row 3 are shorted together. The intersection of this column and row will show that switch as closed (even if it's not). And remember, this switch is not what is causing the problem!
    7. Open diode on a switch.
      An open diode on a switch will cause only that switch not to work.
    8. Shorted diode on a switch.
      A shorted switch diode will show no problems when only that switch is opened or closed. However if additional switches in that row or other columns are closed, false switch readings can be shown.

    Switch Maintenance.
    Here are the procedures for maintaining your WPC switches:

    • Micro-switch: no maintenance required. Can adjust the actuator arm only by rotating the switch in its bracket. Do not BEND the activator arm! Loosen the two screws holding the switch, and rotate the switch to adjust the activator arm. Re-tighten the screws, but not too tight as it will bind the switch mechanism.
    • Blade or Leaf switch: clean with a business card inserted between the contacts. Squeeze the contacts closed, and remove the business card. Do not use a file on these gold plated contacts! Re-adjust the contact spacing for correct operation.
    • Opto switches: use a Q-Tip and some Windex. Dip the Q-tip in the Windex, and clean the opto's two LED's (receiver and transmitter) with the Q-tip.

    What is the Loud Five "Pops" I hear when Turning on my Game?
    "I have this problem when I power-on my game; the free game knocker 'pops' with a loud knocking 4 or 5 times, then finally stops and the game starts up and does appear to play correctly. I get a message at the beginning when this happens to 'adjust switch outside loop' and #35 shows up in my fourth player score display."

    What the game is trying to tell you is that switch #35 has not been actuated (ie: closed) in about 30 games or so. That's usually sufficient reason to suspect that the switch as bad. The game will do its best to compensate for the bad switch (by using other switches around it), but it is trying to say that the switch needs to be looked at.

    Inside the coin door there should be three operator diagnostic test switches. Make sure the middle one is in the "Down" position, and then press the one marked "Advance" or "Enter". This puts the game in Test mode. Keep pressing Advance until you see the "Switch Edges" test (remember at this point the playfield is "live", so watch those pop-bumpers, slingshots and flippers). Now verify that the bad switch really doesn't work by activating it. Test it using the ball if possible and not just your hand.

    Now turn the game off and remove the balls and lift the playfield. Locate the switch under the playfield. There should be a bunch of "blade" (or possibly micro) switches. The one that doesn't work may have a broken wire, or some other sort of mechanical failure. If it is a leaf switch, it may simply be dirty. Find a business card and gently press the switch leafs closed, and pass the card between the two contacts. These switch contacts should be gold flashed, so don't use anything abrasive (the business card is all that is needed).

    The leaf switch could also be out of adjustment. There is one moving blade, and one stationary blade. To adjust the switch, bend the *stationary* blade only to move the switch contacts closer. Test the switch with a ball to make sure it is working correctly.

    If the game has microswitches, a simple adjustment to the activator arm may be in order, or the switch itself has failed.

    Test the switch again in switch test, and see if this solves the problem. If it doesn't, check for a problem with a broken wire on a nearby switch. The switch wires "daisy chain" from switch to switch in the same row/column. So a non-working switch could be a broken wire "upstream".


3L. When thing don't work: Infrared Optic Switches (Drop Target switches)

    Williams also used optic light emitting diodes (LED's) for some switches, even on the older System 11 games. Millionaire (1/87) appears to be the first Williams game to use optics as switches. Mostly Williams used "U" shaped optics for detecting the position of drop targets. The problem with this is vibration. Often the optics will actually break off the circuit board because the drop targets take so much abuse.

The optic board from a pre-system 11b drop target (note the lack of
any chips on this board). You can use Radio Shack's infrared detector
card to see if the opto transmitters are working. On these older optics,
the "red" side is the transmitter, and the "white" side is the receiver.
The transmitter is the side that 95% of the time dies. After all, it's
essentially a light bulb that can burn out.

    If a drop target is not sensing when it is down, it's a good chance you have an optic problem. The optic board is held to the drop target with three "E" clips on rubber mounts. Remove the "E" clips and the board will lift off the drop target assembly. Now inspect the optics. If they are not broken, clean them with a Q-tip dipped in Windex. It is amazing how often just cleaning optos in this manner fixes them.

    Optos have two sides to them: a transmitter, and a receiver. The transmitter is the part that fails 95% of the time. Essentially the transmitter is a light bulb, and all light bulbs burn out eventually. And the optics are always "on", even when the game is in attract mode (another good reason to turn your game off when not in use).

    A nice tool to have in your tool box is a infrared detector card. Available from Radio Shack or MCM Electronics part# 72-6771 (800-543-4330 or www.mcmelectronics.com), this $7 credit card sized card will show if the optic transmitter is producing light. Without this card, you can not see this wave length of light (well a digital camera can be used to see the optic light too). So this handy little card is quite good to have. Remember you must have the card positioned in front of the transmitter to see the light on the orange colored band (having it in front of the receiver won't show anything!). The "red" side of the "U" shaped opto is the transmitter side of the optic.

    System 11b and Later Optic boards.
    With system 11b, the optic circuit was removed from the CPU board. This meant that the optic board (for example on drop targets) needed added circuitry to do the switch processing. This was done by adding LM339 chips to the optic board. If you are having problems with an optic board, and you know the optics themselves are good, suspect the LM339 chips. These are inexpensive chips; just replace them wholesale on the optic board if in doubt.

    New Style Optics on Optic boards with LM339 Chips.
    The optics themselves were changed on the newer optic boards with LM339 chips. The new optics used new style "U" shaped optics (as used in the 1990 and later WPC games). Unfortunately this new style of optics had a much bigger problem with breaking leads, and falling off the optic board. Whenever replacing these optics, put a dab of silicone underneath the optic when mounting them to help prevent this problem.

    Testing the LED Receiver (and Transmitter).
    We talked about testing the transmitting part of the LED optic switch using an infrared sensor card or digital camera. But what about the receiving side? When the receiver is turned on by infrared light, there is about 1 to 1.5 volts DC across the leads of the receiver. This means there is no switch closure. When the light beam is blocked by something (a drop target or a pinball), the LED receiver transistor turns off, and there is about 11 volts DC across the leads of the LED receiver. Also there should always at least 1 to 3 volts across the leads of the light transmitting LED. Infrared transmitters operate in the 1 to 3 volt range, which comes from the 12 volt power supply, and is "dropped" down in voltage by a resistor.

    Another good way to test the LED receiver is using a plain flashlight. Put the game into switch edge test, and shine a regular flashlight into the suspect LED receiver. The switch should trigger in the switch test. This also tests the LED transmitter - if the flashlight turns the receiver on and off yet the original LED transmitter does not, there is no doubt a problem with the LED transmitter (or the voltage going to it).

    Replacing the Optics.
    Be careful installing new optics. It DOES matter which way you install them! If you install the new optic backwards, you will probably ruin it. Remember on the old style optic boards, the red side of the optic is the transmitter. On new style optics, the side of the optic with the white "dot" or the "notch" is the receiver. The white dot on these new style optics matches with a corresponding white dot on the circuit board, to make installation easy. Also use a dab of silicon under the optic when mounting them. This will give them some shock resistance.


3m. When thing don't work: Score Display Problems

    One of the most frequent system 11 problems relates to non-working or weak score displays. Fortunately, often there is a very easy fix for this problem.

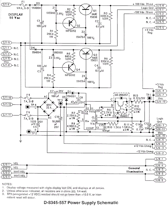
    The simplest thing to check when the score displays do not work is the +100 and -100 volt DC power section of the power supply. If either of these voltages are bad, your displays will not work. And quite often, this power supply section does go bad.

    Replace the 39k ohm Power Supply Resistors.
    The major villain in the system 11 power supply are resistors R1 and R4. These are both 39k ohm, 1 watt resistors. Very often either or both of these resistors will go out of spec, or even completely open. This will prevent the +100 and/or -100 volts from getting to the score displays. These two resistors are mounted on the system 11 power supply board. (on newer WPC games with alphanumeric displays, these are resistors R48 and R49 on the alphanumeric display board). As a general rule, I always change these resistors (trust me, they've had a tough life, and need to be replaced, even if they test as "good").

    If the high voltage fuses are not blown, and the score displays do not work, first replace the 39k ohm resistors. These are cheap and easy parts to replace (a lot cheaper and easier than replacing score display glass!) Or at least check these with a DMM. Replace these two resistors with "flame proof" 1 or 2 watt 39k ohm versions. And make sure to mount the new resistors slightly off the circuit board, so air can get under them for cooling.

Note the score display is barely working. At first, you may think it's the
display glass itself. This is infact a common problem, where the displays
"outgas" and don't show as brightly, and eventually completely die. But
before you change the expensive score display glass, change the 39k ohm
resistors on the power supply with new 1 or 2 watt "flameproof" resistors.

Here is the same score display after the 39k resistors were changed on the
power supply board. This cheap 50 cent fix shows that the score display
glasses themselves were good!

    Replace the 100 volt Diodes with 91 volts Diodes.
    Glass score displays are getting very expensive. To make matters worse, there is now only one manufacturer of alpha numeric and numeric score displays. Because of this, it is important to make the game's current glass score displays last as long as possible. The best way to do this is to decrease the 100 volts (which powers the displays) to 91 volts. This can be done by replacing the zener diodes at ZR2 (Z2) and ZR4 (Z4) to a lower voltage diode.

    The original diodes used at ZR2, ZR4 are 1N4764A. These are 100 volt, 1 watt zener diodes. Replace these with 1N4763A diodes, which are 91 volt, 1 watt zener diodes. Now 91 volts (instead of 100 volts) will power the displays. This will make your displays slightly less bright, but it will also DRAMATICALLY increase their life span! Unless the current score displays are really dim (and near death anyway), this is highly recommended!

    This suggestion also applies to the later WPC games that use alphanumeric displays. Change diodes D5 and D6 on the display board to 1N4763 diodes (some WPC games this is already done from the factory, but the Funhouse schematics still show the 100 volt 1N4764 diodes).

    As a rule, on every Williams System 11 pinball, I always make the following changes to the power supply: replace the two 39k ohm resistors R1, R4 with new flame-proof versions. Often I will replace the two 1N4764A diodes ZR2/ZR4 with new 1N4763A diodes. In a home environment it's not a huge deal to decrease the display voltage. But if you are rebuilding the high voltage section of the board anyway, it's a good idea to use the 1N4763 diodes instead. The only downside is if the display glass is marginal (outgassing), lowering the 100/-100 voltage to 91/-91 may make a marginal score glass not "glow".

The high voltage section of a newer System 11 power supply
(Rollergames). R1, R4, ZR2 and ZR4 can seen here.

The high voltage section of an older Williams power supply.

    Check the +100/-100 volts at the Power Supply board.
    If either the -100 or +100 voltages are missing, none of the score displays will work. These voltages should be from 90 to 105 volts, and can be checked at power supply connector.

    Power Supply D-8345-xxx (where xxx is the game number). Used from High Speed to Swords of Fury. Remove power supply connector 3J5 and check for these voltages with the power on, directly on the 3J5 power supply header pins:

    • 3J5 pin 1: ground
    • 3J5 pin 3: -100 volts DC (or -90 volts if ZR2/ZR4 is a 1N4763)
    • 3J5 pin 4: +100 volts DC (or +90 volts if ZR2/ZR4 is a 1N4763)
    • 3J5 pin 6: +5 volts DC

    Power Supply D-11883 and D-12246. Used from Taxi to Doctor Dude. Remove power supply connector 3J2 and check for these voltages with the power on, directly on the 3J2 power supply header pins:

    • 3J2 pin 1 (orange): -100 volts DC (or -90 volts if ZR2/ZR4 is a 1N4763)
    • 3J2 pin 3 (brown): +100 volts DC (or +90 volts if ZR2/ZR4 is a 1N4763)
    • 3J2 pin 5 (black): ground
    • 3J2 pin 6 (gray): +5 volts DC

    WPC AlphaNumeric Display Board. Used on Funhouse, Harley Davidson, the Machine. Check connector J306 and J307 for these voltages with the power on, directly on the connector pins:

    • J307 pin 1: input 85 to 90 volts AC (+/- 90 volts DC are created from this).
    • J307 pin 4: input AC reference.
    • J306 pin 1: +5 volts DC.
    • J306 pin 3: ground.

    After the voltages are tested with the above specified power supply connector removed (if any voltages are missing first check the fuses), now replace the connector (power off). Turn the power back on and re-test the voltages. If the high voltage fuses blow immediately, there is a short in a score display glass, or on the score display controller board (usually a UDN6118 or UDN7180A chips - the UDN chips can be tested for shorts, see below).

    High Voltage Low - Check Power Supply Diodes ZR1/ZR3.
    Like the two 39k ohm resistors, the two diodes at ZR1 and ZR3 (1N5990, 3.9 volts 1/2 watt) on the power supply can start to "leak" (on WPC alphanumeric games, diodes D1 and D2 on the alphanumeric display board). When replacing these diodes, use a 1N4730A instead (3.9 volts 1 watt), as this 1 watt version is more robust. If the displays are weak and the 100 volt section is low (below 90 volts, even with the score display glass power unplugged from the power supply), try changing these two diodes (after changing the 39k ohm resistors first). If the high voltage section is still low (below 90 volts), now its time to rebuild the whole high voltage section (see below).

    System9 versus System11 Score Display Data.
    System9 uses 7-digit numeric displays only (no alpha-numerics). Because there is less data traveling to the master display panel, and there is no ribbon cable needed from the system9 CPU board to the display board. System9 score display decoding is done using BCD (Binary Coded decimal) data, and the master display board handles the BCD data decoding for the score displays. With System11 the score displays are handled differently. Instead of BCD data, the CPU board controls the segments of the alphanumeric display directly. To support this, Williams added a 26-pin connector for a ribbon cable to the score display panel and some additional circuits on the system11 CPU board.

    Blown high voltage score display Fuse(s) in the Backbox.
    Every system 11 game at least one fuse to protect the +100 and -100 voltages which power the score displays. Later games have two fuses, one for +100 and one for -100 volts. These are located in fuse holders in the backbox on the power supply board. If these fuse(s) are blown, remove the high voltage power out connector from the power supply (as discussed above in the voltage testing section), replace the fuses, and power the game back on. If the fuse(s) blow again immediately, the high voltage section of the power supply board will probably need to be rebuilt. If the fuse(s) do not blow, there is a problem in the score display glass or on the score display board.

    A shorted score display glass or a blown UDN6118 or UDN7180 chip(s) on the master display board can cause the high voltage fuse(s) to blow on the power supply board. These chips can short the +/- 100 volts directly ground, and blow the fuse. To verify the UDN7180's are not the problem, unplug all the connectors going to the master display board. Now replace the power supply 100 volt fuse(s), and turn the game on. If the fuse still blows, the high voltage section of the power supply has failed. If the fuse does not blow, a UDN6118 or UDN7180 chip(s) on the master display board has failed, or a shorted score display tube is the problem.

    WARNING: if the high voltage section of the power supply has failed and is rebuilt, it can be damaged *again* by a shorted display score glass or a shorted UDN chip! The high voltage fuse(s) should protect against this, but sometimes the fuse just don't blow fast enough to save the power supply's high voltage components.

    WARNING: Schematic Mis-Prints 4049 vs 4050.
    On some system11 schematics (such as Earthshaker) chip U8, U9, and U10 the schematics says these are 4050 chips on the display controller board. But this is *wrong*! They are actually 4049 chips (hex inverter buffer). If 4050 (non-inverting hex buffer) chips are put in by mistake it can cause damage and the displays will not work!

A closeup of a missing segment caused by a bad
UDN7180 chip on the display controller board.

Bad UDN7180 chip on a 16 digit alpha-numeric from Earth shaker, in display test.
Both the top and bottom display should show the same segment. But the bottom
display is missing this segment because of one bad UDN7180 chip on the display
controller board. A single leg on the one bad UND7180 chip is causing this problem
for the entire lower 16 character display (or for both lower displays if this game
was pre-Taxi).

Bad UDN6118 chip on a 16 digit alpha-numeric from Earth shaker, in display test.
The 6118 chip controls characters. The top most picture shows a single UDN6118 chip
completely removed (if this was a pre-Taxi game, that would be all characters missing
for an entire display). The next shows several bad legs on the 6118. And the last
picture shows one bad leg on the UDN6118.

Bad 4049 CMOS chip at U7 on a 16 digit alpha-numeric from Earth shaker.
The top most picture shows a single 4049 chip with the game just booted (batteries
missing, hence the "Factory Settings" error message). The last picture shows the
game in display test - just zeros should be shown on both upper and lower displays.

    Testing the UDN7180/UDN6118 Chips and Score Glass for Shorts.
    Both UDN chips are 18 pin chips. The four corner pins of the chips do *not* need to be tested (pins 1,9,10,18). But all the other pins can be tested. Repeat this test for each of the UDN6118 and UDN7180 chips:

    1. Turn the game off.
    2. Remove the high voltage power supply power connector (3J5 or 3J2, depending on which power supply the game has).
    3. Put the DMM on the *diode* setting.
    4. Connect the red DMM lead to ground.
    5. Put the black DMM lead on each UDN pin 2 to pin 8.
    6. A reading of .5 to .7 should be seen.
    7. Put the black DMM lead on each UDN pin 11 to 17.
    8. a NULL (no) reading should be seen!

    Note if the display glass itself is shorted (it does happen!), it MAY show up when testing the UDN pins 11 to 17.

    So how do we isolate the problem to the UDN chip or the display glass? First test the UDN chip. If any of the pins (but mainly pins 11 to 17) fail the test, desolder the suspect UDN chip from the master display board WITHOUT DAMAGING IT (these chips are expensive, and if it's good it would be nice to save the chip from desoldering damage). Install an 18 pin socket for the chip, and buzz out the socket making sure there are no shorts, and all traces connect to the socket.

    Now again use the DMM and repeat the above UDN test procedure ON THE SOCKET (no chip installed). That is, with the DMM on diode function and the red DMM lead connected to ground, test pins 11 to 17 of the SOCKET with the black DMM lead. Again, a null reading should be seen. If a null reading is seen, the UDN chip has failed and needs to be replaced. If a null reading is *not* seen, chances are really good that the score display glass itself is shorted.

    If the score display glass fails the test, it will need to be replaced (there is no way to fix it). After the score display glass is removed (and before the new glass is installed), put the UDN chip in the newly installed socket and retest the chip as described above.

    A Summary of the UDN Chips.

    • UDN7180A : There are at least four of these on the master display board. These control the SEGMENTS. Note the "A" designation on the 7180, signifies a plasitc case (instead of ceramic).
    • UDN6118A-1 : There are at least four of these on the master display board. These control the DIGITS. Older Williams games specify a UDN6184A, which is an older version of the UDN6118A-1 (it's Ok to replace a 6184 with a 6118). Note the "A-1" designation on the UDN6118A-1. This signifies a higher voltage rating (100 volts) than a UDN6118A (90 volts). These seem to be less critical than the 7180 in regards to voltage, but it's still best to get the 6118A-1 version if possible.

    The UDN6118 is a fairly inexpensive (up to $5 each), and is starting to get expensive as they are no longer made by any chip manufacturer. The UDN7180 is a worse. These are a hard to find chip, and usually sells for $5 to $25 each! So be careful when working with a 7180 chip.

    Extra Unused UDN7180 on some Games with D-10877 display panels.
    On some system11 games like Pinbot that use the D-10877 two alpha-numeric and two numeric display board, there is an installed UDN7180 chip at U12 that is not used by the game. If one of the other UND7180 chips fails, the U12 chip can be removed and transplanted to the needed position on the master display driver board. Then the U12 position can be left empty. This doesn't work on all games, but it does work on Pinbot.

    14049 Partial Segment Failures on Score Displays.
    Sometimes only parts of a display aren't displaying or are locked-on, and only on certain numbers. For example, the top part of a "0" or "7" are not displaying or are always locked-on. It can even be so strange so that the missing segment will work on some numbers or letter, but not on others.

    This can be caused by one of the hex input buffer 14049 or 4049 chips at U10, U11, U15-U18 or U7-U9,U10-U11 on 16 character display boards. Note on the schematics sometimes these are mis-labeled as 4050 chips! But these 4049 chips are CMOS and very static sensitive. You can check these with your DMM set to diode test:

    • Red DMM lead to 4049 chip ground pin 8.
    • Use black DMM lead and probe pins 2-7, 9-12, 14-15 of each 4049 chip.
    • A reading of .6 to .7 should be seen. Any reading below this indicates a problem with the chip.

Rebuilding the 100 volt Power Supply Section.
    If any of the high voltage fuses are blowing and it's not caused by a UDN chip or bad score glass, the 100 volt power supply section probably needs to be rebuilt. The following parts will need to be replaced on the power supply board. If you buy a HV rebuild kit (offered by several companies), be sure to install all the parts included in the kit. Here's a general list of what should be replaced and what is included in most rebuild kits:

    Positive 100 volt section System 11 parts to replace:

    • Q1 = MJE15030 transistor. System11B and later should originally use a MJE15030 (where sys11 and sys11A use the SDS201). On older sys11/sys11a games that originally use a SDS201 (no longer available) a MJE15030 can be substituted, but the leads must be "twisted" (so the emitter, base and collector match the circuit board, see picture below). Also a MJE340 (NPN 300 volt transistor) or a 2N3440 with a "star" heat sink can be used.
    • Q2 = 2N5401 (PNP 160 volt or higher transistor) or MPSD52 or NTE288.
    • ZR1 (Z1) = 1N4730A (3.9 volt 1 watt) diode. In a pinch, use a 1N5990 (3.9 volt 1/2 watt).
    • ZR2 (Z2) = 1N4763A (91 volt, 1 watt) diode. This replaces the original 1N4764A (100 volt, 1 watt) diode, to increase score display life.
    • D3 = 1N4004 diode.
    • R1 = 39k ohm, 1 or 2 watt flame proof resistor.
    • R2 = 680 ohm, 1/2 watt resistor.
    • R3 = 330k ohm, 1/2 watt resistor.
    • C2 = 0.1 mfd 250 volt metal polyester capacitor.

    Negative 100 volt section System 11 parts to replace:

    • Q3 = MJE15031 transistor. System11B and later should originally use a MJE15031 (where sys11 and sys11A use the SDS202). On older sys11/sys11a games that originally use a SDS202 (no longer available) a MJE15031 can be substituted, but the leads must be "twisted" (so the emitter, base and collector match the circuit board, see picture below). You can also use a MJE350 (PNP 300 volt transistor) or a 2N5416 with a "star" heat sink.
    • Q4 = 2N5551 (NPN 160 volt or higher transistor) or MPSD02 or NTE287.
    • ZR3 (Z3) = 1N4730A (3.9 volt 1 watt) diode. In a pinch, use a 1N5990 (3.9 volt 1/2 watt).
    • ZR4 (Z4) = 1N4763A (91 volt, 1 watt) diode. This replaces the original 1N4764A (100 volt, 1 watt) diode, to increase score display life.
    • D4 = 1N4004 diode.
    • R4 = 39k ohm, 1 or 2 watt flame proof resistor.
    • R5 = 680 ohm, 1/2 watt resistor.
    • R6 = 330k ohm, 1/2 watt resistor.
    • C4 = 0.1 mfd 250 volt metal polyester capacitor.

    When installing the new parts, cut the old parts out first. Then use a solder sucker and clean out the circuit board holes. Make sure you install new resistors slightly off the board, to allow for air circulation. Solder all parts on both sides of the board if possible. If using a HV rebuild kit, install all the parts. If you're buying the parts individually yourself, it is best to replace everything listed above all at the same time (though I have been known to skip the resistors/caps if they test "good" with my DMM, but that's probably not a good idea).

    WARNING: if the high voltage section of the power supply has failed and is rebuilt, it can be damaged *again* by a shorted display score glass or a shorted UDN chip! The high voltage fuse(s) should protect against this, but sometimes the fuse just don't blow fast enough to save the power supply's high voltage components.

A replacement MJE15031 in an older system 11
power supply. The leads on the MJE15030 and
MJE15031 must be "twisted" to replace the
older SDS201 and SDS202 transistors. This should
ONLY be done on power supplies that originally
used the older SDS201 and SDS202 transistors.

    IMPORTANT NOTE: On older System 11 power supplies, Q1 and Q3 used the discontinued SDS201 and SDS202. These can be replaced with MJE15030 and MJE15031 respectively, BUT the legs must be "crossed" as shown in the picture above!!

    When installing the newly fixed board, measure the output voltages BEFORE you plug in the high voltage connector (3J5) going to the score displays! Output voltage should be between 90 and 105 volts.

    Resistor & Capacitor Networks Causing Missing or Locked-On Score Segments.
    On the CPU board at SRC1-SRC9 there are resistor & capacitor networks. These are similar to the resistor networks used in the switch matrix, and described above. But there are also capacitors inside the network, in addition to the resistors. On a Williams CPU board, these have eight resistors (1k or 4.7k ohms) and eight capacitors (470 pfd), in a ten pin SIP package. Pin one of the network is tied to +5 volts and connected to the eight resistors. Pin ten of the network is tied to ground and connected to the eight capacitors. These are a real bear to find, but they are made by BI Technologies, their part series CR10-S with 4.7k ohm resistor and 470 pfd capacitor. Unfortunately I can't find anyone that has these in stock without ordering 5000 of them! Vishay also has some for sale (their TRC schematic 09 series at www.vishay.com/doc?68007), but again we can't buy them in small quantities.

    Here's a run down of what these SRC networks are used for:

    • SRC6 (1k/470 pfd) = switch matrix columns.
    • SRC2,SRC4,SRC5 (4.7k/470 pfd)= score display data.
    • SRC7,SRC8 (4.7k/470 pfd)= score display digit strobes.
    • SRC9 (4.7k/470 pfd) = score display BCD.
    • SRC1,SRC3 (4.7k/470 pfd)= "widget I/O" (the sound board).

    For example, if segments h,j,k,m,n,p,r are missing, this could be caused by a failed SRC5 on the MPU board..

    Note that these SRC networks can not be tested "in circuit". That is, they have to be removed from the board to get a good test. Usually the resistance part of the SRC shows less than the value stated for the SRC (.6 to 2.2k ohms, versus 4.7k ohms). In order to test them they need to be removed from the circuit board.

    In the case of SRC6 (switch matrix columns) on earlier system11 CPU boards, if the original SRC resistor/capacitor network can not be found, it can be replaced with a straight resistor network (with no capacitor). This also works with the SRC1-SCR5 and SRC7-SRC9. If this is done, a "1k x 9R" bussed resistor network can be used (or heck even a "4.7k x 9R" bussed resistor network). But it must be installed correctly! This bussed resistor network will have nine pins (not ten), with one "common" pin. The common pin one of the resistor network must go the board's pin 1 (+5 volts). The remaining open pin on the board (ground) is not used. This works because Williams installed some optional capacitors at C49-C56 (.01uF). If replacing SRC6 with a straight resistor network, caps C49-C56 should be installed. In most cases these are installed from the factory, but it's best to double check. The caps in the SRC networks are really redundant, that's why straight resistor networks work in their place.

    As far as SRC1-SRC5 and SRC7-SRC9 go, if the original style SRC networks can not be found, it is probably best to make your own (though straight resistor networks may work). The idea is that pins 2-9 of the circuit board will have its own pull-up resistor to +5 volts, and it's own capacitor to ground. Buy eight 4.7k ohm 1/4 watt resistors and eight 470 pfd capacitors. Put one lead of each resistor in the "middle" circuit board holes pins 2-9. Then tie all the loose ends of the resistors together, and attach them to +5 volts (pin 1). Now put one lead of each capacitor in the "middle" circuit board holes pins 2-9. Then tie all those loose ends of the capacitors together, and attach them to ground (pin 10). These SRC packages can also be made using the UNI-SIP devices at www.capitaladvanced.com/uni-sip.htm.

    Score Display Ribbon Cable Problems.
    System 11 and WPC alphanumeric games have a fairly small problem that can appear to be a major one. If you have had the CPU board out of your game, and now your score displays don't work, check the ribbon cables connecting to the CPU board. It is very easy to install the cables offset by 1 pin to the left or right. In most cases this will not damage the electronics. And always make sure the red strip on the edge of the cable lines up with pin number one on the CPU board connector.

    Slow Display Strobing Problems.
    Sometimes the score displays can have a slow reveal and wipe pattern that leaves only three or four digits on at a time. This can show as three or four digits in the player one and three displays, then the credit display, and finally the player two and four displays. Then the next three or four digits display the same way across all the score displays. You never see the entire display lit. The game will do this in game or game over mode, just repeating the pattern. The score displays do however keep score accurately. Also this problem can sometimes be seen in a single score display.

    This is usually caused by weak high voltage going to the score displays. Instead of plus or negative 100 vdc, the voltage can be as low as 50 volts. This low voltage can be caused by resistors R1 and/or R4 (39k ohms) on the power supply board, or a bad high voltage capacitor C1/C3 (100 mfd 250 volt), or C2/C4 (0.1 mfd 250 volt metal polyester cap) on the power supply board.

Alpha-Numeric and Numeric segment letter designations.

    More Display and Segment Problems: the UDN7180/UDN6118 chips.
    If you are having display problems (and you have fixed the power supply board), the next course of action is to check the UDN6118 and UDN7180 chips on the Master display board. The UDN6118's control the strobe pulses, and the UDN7180 control each segment in the display. There are as many as four UDN7180 chips and four UDN6118 chips on the master display board.

    If one UDN7180 fails, this will affect one or two score displays (one display on the newer system 11 games with two 16 digit displays, or two score displays an older System 11 games with five displays). If a UDN6118 fails, usually half of the display won't work! But if either a UDN7180 or UDN6118 fails, at least some of the display should work. If a display doesn't work at all (no segments are displaying), and the +100/-100 volts are present, chances are really good the display glass itself is bad. In fact, bad display glass is quite common (especially if the high voltage was not reduced from 100 volts to 91 volts, as described above).

    The UDN6118 and UDN7180 both have the same pinout: pins 1 to 8 are the input side of the chips, and pins 11 to 18 are the output side (but pins 1 and 18 are often not used on the UDN7180). Pin 9 is ground, and pin 10 is high voltage (-100 volts). Check the schematics to see exactly which chip controls which display when diagnosing these.

    Both the UDN chips are easy to test though: both have an input and output side. If the input side is pulsing (a logic probe can be used on the input side ONLY, logic probes test low voltage), that usually means everything up to the 7180 chip is good, and a good signal is getting to the chip. Next check the output side of the 7180 (note this can NOT be tested with a logic probe, as it is 100 volts!) Use an oscilloscope for this testing, set to a 100 volt range. The 7180 outputs should be pulsing too. (If in doubt, us an oscilloscope on both the inputs and outputs.) To perform these these tests, put the game in it's diagnostic display test. Then single stepped to the next digit test (all zeros, 1's, 2's, etc) and check the input and output pins at each step. If the input side is pulsing, and the output side is not, then the chip is probably at fault.

    Here's an example:

    Problem: segment 'b' (top right) always on for players 1 and 2, and ball-in-play score display (but not credit display!).

    Answer: looking at the display board schematic found that U13, U14 (UDN7180) are common components to these displays. Chip U13 drives segments "h,j,k,m,n,p,r" and the period, while U14 drives "a" to "g" and the comma. Since UDN7180's are becoming rare and are expensive, the input and output signals were double checked by comparing them with a logic probe (or an oscilloscope). Putting the game in display test so it could be single stepped to the next digit test (all zeros, 1's, 2's, etc). On chip U14, the input pins 1-8 showed activity and changed when I advanced to the next digit test. Next tested the U14 output pins 11-18. The output pin 18 (for the "b" segment) was constant and did not change when the test was advanced. The conclusion was to removed and replace the UDN7180 at U14 (after installing a socket), which fixed the problem.

    Segment Still doesn't work: Check the Resistors before replacing a UDN7180.
    Since UDN7180 chips are expensive and hard to find, you want to make sure it really is the problem before you replace any. If you have checked/replaced the 4050 chip(s) and probed the UDN7180 and UDN6118 chips, there is one more thing you should check. That would be the resistors coming off the UDN7180 chips. Though it doesn't happen a lot, a bad resistor solder joint or bad resistor itself could be your problem.

    Check these resistors with your multi-meter to make sure they are at the correct value. Using the schematics, find the segment letter identifier you are missing. Then follow that segment through the UDN7180 and its corresponding resistor. Make sure that resistor is within 10% of the schematics specified value. Or if you don't have a schematic, just check ALL the resistors on the Master display board with your multi-meter. The slightly larger 1/2 watt resistors tend to be the more troublesome resistors.

Here's the credit display on a F-14. Note the left most
character is scrambled. This was not a master display board
problem, but was rather a CPU board PIA and a 74154 chip
problem (they were shorted internally).

    "Outgassed" Score Displays.
    Score display glass has a limited life; it does not last forever. Time will eventually kill these, and the display will "outgas" and fail. This is why it is suggested to reduce the high voltage from 100 volts to 91 volts (see above). Because of the high voltage involved with score displays, the anode and/or cathode inside the diplay glass breaks down. This results in the "outgassing" of impurities that eventually change the internal gas properties, so the display can't glow (the gas must be very pure for the display to work). There is no fix for this short of replacing the display glass (which have become fairly expensive now). Sometimes score glasses short too (this will blow the -100/+100 power supply fuse). But really it is quite common for the score display(s) to outgas and die, showing no sign of life. If +100/-100 volts is present, and a display glass is totally dead (no segments lits), chances are really good that the score display glass itself has outgassed, and needs to be replaced.

    Frank adds that often the score display glasses are just dead. Many system11 games will have two or even three or all four displays dead. Check the displays and if there are little bright speckles like tiny diamonds when the game is on, this usually means the display is outgassed. Also there is a little are below the visible section on the display with two tiny wires. If some white dust is seen, that's also a good indicator of an outgassed display.

    Versions of the Alpha-Numeric Display Boards (Banzai/Taxi/Police Force).
    Taxi and Police Force use a slightly different style of display board. Both these games use the two 16 digit alphanumeric score display, but also have an extra third 7-digit numeric score display. In order to accomodate this, the standard system11 alpha-numeric display board was modified slightly and a second ribbon cable connector was added to the board.

    Taxi and Police Force have an alpha-numeric display at the top in the backbox, and an alpha-numeric display below it in the backbox which is only used for numerics. Diabled on the bottom 16-digit has the following disabled: right side hash mark, some commas and periods. These item are removed from the bottom 16-digit display so the circuitry could be used to drive the additional 7-digit numeric display. The bottom 16 digit display on these games only uses 8 segments (the middle segment of the display is used to make the number zero into an eight, which is two segments). This leaves six segments and the "comma" left unused. The unused segments are then used to drive the extra display. This is the reason there's a second place to hook up a ribbon cable on the Taxi/Police Force display boards.

    The Taxi/Police Force style display board can be converted to work in the other 16 digit alpha-numeric system 11 games, with a small modification. Simply install the missing seven resistors into locations R62 to R68 on the Taxi/Police Force display board.

    Likewise if a display from a BK2000 was used in a Taxi, a few things have to be added: U3 (UDN6118) and resistors R9-R13 and R15-R18 (all 10K resistors) Also remove R67, R65, R64, R62, R60, R57, R56, and R54.

    Banzai run also uses a unique display board. The Master display board is the same as pre-Taxi games, but the display board itself is unique. It is a single sided board and often has delaminated board traces. Remember Banzai uses two 7 digit alpha-numeric displays and two 7 digit numeric displays.

    16 Character Alpha Numeric Display Boards.
    System11 games Taxi and later can have two different styles of 16 character alpha-numeric display boards. There is one style where the displays are stacked vertically. This is a single board with both displays. Other games (like Bugs Bunny) have two display boards mounted horizontally each with one 16 character display. Note these games use a "R" (right) and a "L" (left) display board, and are NOT interchangable. The connectors are the same for each board, but if the "L" board is used in right side, it will display scrambled text. Note the "R" board has one additional .156" Molex connector compared to the "L" board.

System 11 power supply schematic from Big Guns (games with Auxiliary power
supply boards) to Cyclone. The only difference in power supplies after Cyclone
is the lack of GI connectors on the power supply board (these were moved to
the Interconnect board). Note diodes Z2, Z4 (1N4764) which should be changed
to 1N4763 diodes, and resistors R1,R4 which should be replaced with new
flame-proof 39k ohm 1 or 2 watt resistors.


3n. When thing don't work: "Factory Setting" or "Adjustment Error" (Battery Problems)

    Often when you buy a used system 11 game, upon power up, you'll get an error message stating, "Adjustment Error" (if the coin door is closed) or "Factory Setting" (if the coin door is open). This message indicates that the CPU RAM chip at location U25 on the CPU board has forgotten the game's bookkeeping and options settings.

If the coin door is closed, and the batteries are dead, you'll get an
"adjustment error" message.

If the coin is open, and the batteries are dead, you'll get a
"factory setting" message. You can also get either above message
if the battery holder is bad, or the RAM chip at U25 has failed.

    The difference between these two messages is simple; when the coin door is closed (and the memory protect switch which is connected to the coin door is pressed in), the CPU is electrically blocked from accessing the RAM at U25. Therefore the game can only reset the factory settings if the coin door is open. If the game ever comes up with the "Adjustment Failure" message, the coin door must be opened to get past this message.

    Why Do I Get These Error Messages?
    Most often, these errors occurs because the three "AA" batteries on the CPU board have died. These batteries should be replaced every year with good quality alkaline batteries (batteries are cheap, battery damage is expensive). The three batteries must keep at least +4 volts of power to the U25 RAM chip for it to remember. When power goes below +4 volts, memory reset can occur (and you get the "Factory Setting" error message).

A bad battery holder. At first glace, this holder looks fine. But
the two battery contact points on the left have corroded and fallen
off. The contact on the right is the only one intact. These contact
points are actually rivets, but corrosion will cause the face of the
rivet to break as it goes through the fiber insulator, and the face
of the rivet that contacts the battery falls off.

    Battery Corrosion.
    If the three AA batteries have leaked, this is a major problem as the corrosive fluids in the battery can eat the copper traces right off the CPU board. See this section for help with that. And as always, better to be safe than sorry - remote mount the three AA batteries off the CPU board. This way if the batteries do leak, at most a $5 battery holder is ruined.

    The Battery Holder: a Weak Link.
    If after replacing the batteries, you still get a "Factory Setting" error, suspect the battery holder. Use your DMM and check the battery voltage at the CPU board. With the game off, put your DMM on DC volts and put the black lead on ground (the grounding strap or on one of the screws holding the CPU board in place). Put the red lead on each of the CPU board's POSITIVE battery terminal SOLDER POINTS. Test each of the three batteries' positive leads individually. You should get about 1.5, 3.0, or 4.5 volts at each battery (note the batteries are additive and the first battery in the chain will give you 1.5 volts, and the last battery will give you 4.5 volts). If you don't these positive voltages, suspect damaged battery holder terminals. These corrode quite often if new batteries aren't installed religiously. Replace the battery holder and re-test to ensure proper repair.

A battery gone bad. Note the white "fur" on the bottom of
the battery, and how it has corroded the chip and socket
below it. The battery holder, chip and socket must all be
replaced. Also the board must be washed with a mixture of
50/50 water and white vinegar (a mild acid) to neutralize
the alkaline battery gunk, and then rised with water. After
drying, the corroded areas can be sanded clean to the bare
copper traces, and the components replaced. If the board
isn't washed with this vinegar solution, the corrosion will
return.

    A Better Replacement Battery Holder.
    The best battery holder to buy is the new black plastic battery holder used in WPC-S and later games. This is Williams part# A-15814. This design of battery holder is much better than the original system 11 design, and will fit perfectly on a system 11 CPU board.

    A EVEN Better Replacement Battery Holder.
    The best approach to battery holder replacement is to install a remote battery holder. This way if the batteries do leak, you wreck a $5 battery holder instead of ruining a $300 CPU board.

    Personally I purchase battery holders that hold four AA batteries. In the first battery bank, I install a 1N4004 diode (band direction is important, see picture below, but the band connects to the red wire side of the battery holder). Though the diode is not needed, I highly recommend using the diode. It's secondary protection to the batteries, and it lowers the battery voltage just a bit. This is a good thing, as you will get the "Adjust Failure" message sooner, reminding you to replace those batteries BEFORE they leak!

Using a remote battery holder in an Earthshaker (with an original sys11 cpu
board). Note how a 1N4004 blocking diode is used in this setup, which lowers the
battery voltage slightly. This is a good thing, as the game will give a "Adjustment
Failure" reminder sooner, hopefully encouraging battery changes sooner and preventing
the batteries from leaking. Remotely mounted batteries are a good idea to save CPU
board corrosion repairs.

    Testing for Battery Voltage at the Blocking Diode.
    After testing the batteries at the battery holder, test for voltage at the blocking diode D2 (1N4148 or 1N914), which is next to the left bottom side of the battery hold on the CPU board. With the game off, put the black lead on the backbox ground strap, and put the red lead on either side of the diode. You should get around 4.2 to 4.8 volts. The banded diode of the diode connects to the U25 RAM chip pin 24, and should be about .3 volts less than the non-banded (bottom) side of the diode. If you only get voltage on only one side of the diode (the top side or non-banded side, which connects directly to the battery), the diode is bad and needs to be replaced. If the voltage is the same on both sides of the diode, again this diode is bad (shorted) and must be replaced.

    Next check for voltage at the U25 RAM chip. With the game off, you should get about 4.3 volts DC at pin 24 of chip U25 (ground is pin 20 by the way). If you don't, the battery voltage is not getting to the U25 RAM chip. This will cause the game will boot up with the "Factory Setting" or "Adjustment error". Note pin 24 of the 24 pin RAM chip is in the same position as pin 1 of the chip, but on the opposite row of pins. Pin 1 is designated with an impressed "dot" right on the top of the chip. This chip is a 2k by 8 CMOS static 24 pin RAM chip. The part number will be 2016 or 6116-L or NTE2128. Early system 11 games specify this chip as a 5177, but this chip can be replaced with a 6116 instead.

    You can still have problems even if you installed new batteries and all the voltages check out. If your game is still giving "Factory Setting" or "Adjustment error", you may have a bad CPU U25 RAM chip. But make sure you double check that battery holder. Even minor corrosion can cause this problem. The voltages may all check out, but the corrosion may be enough to limit CURRENT, and cause this problem.

    More "Blocking" Diode D2 Problems.
    The three AA batteries are connected to the U25 RAM chip via a "blocking" diode. This 1N4148 switching diode at D2 is connected in series between the battery and the U25 RAM chip. It's job is to prevent +5 volts from going back to the batteries (it only allows power from the batteries, not to them). Sometimes this diode shorts out or goes open. If this diode shorts, the CPU board will try and charge the three AA batteries! This will cause the batteries to leak, and could damage your CPU board. If the diode goes open, the batteries will never power the U25 RAM chip, and the game will boot up with the "Factory Setting" or "Adjustment error". Check this diode with the game off and your DMM set to the "diode" setting. You should get between .4 and .6 volts in one direction, and a null reading in the other direction. You can also test the diode (with the game off) by setting your DMM to DC volts. Put the black lead on ground, and you should get 4.2 to 4.8 volts on either side of diode D2 (the banded side will be about .5 volts higher). If you only get voltage on one side, the diode is open and needs to be replaced.

    Changing Batteries.
    If your game is working, and it's time to replace the batteries, follow this procedure. But the way, you should change the batteries in your game every year, or every two years at most (to prevent any battery leakage problems):

    • Remove the backglass and gain access to the CPU board.
    • Turn the game ON.
    • Note the orientation of the installed batteries (All positive terminals up or to the right?).
    • Remove the old batteries and discard.
    • Check the battery holder's terminals for any corrosion. Clean with 220 grit sandpaper if any corrosion. If damaged, turn game off and replace battery holder.
    • Using a Sharpie pen, write today's date on the new batteries.
    • Install the new batteries.
    • Turn the game off.

    If you install new batteries with the game turned on, the machine will not forget the old option settings or bookkeeping totals.

    Clearing a "Factory Setting" or "Adjustment Error" Message.
    To clear these messages, you first need to fix the problem (replace the batteries and/or battery holder, replace the U25 RAM, etc.). After this is done, turn the game on. Then press the center red coin door button into the down position. Now press the black button closest to the coin door. If you have an "adjustment error", the game will beep and flash the "factory setting" message.

    Once you have the "factory setting" message, press the black button closest to the coin door twice. Then move the center red button to the up position. Then press the black button closest to the coin door again (twice if you had an "adjustment error" message). The game should now go into attract mode.

    New CPU Batteries Die very Quickly.
    Just to the side of the battery holder on the CPU board, there are two "blocking" diodes, D1 and D2. These form a diode bridge, blocking the battery voltage from the power supply, and vice-versa. Where these two diodes meet, power goes to the U25 RAM. This way when the game is on, power for the U25 RAM is drawn from the power supply. But when the game is off, power for the U25 RAM is drawn from the batteries.

    If either diode D1 or D2 is bad, it can let the batteries attempt to power all the +5 volts logic for the whole CPU board when the game is powered off. Or it can let the +5 volts from the power supply attempt to charge the batteries when the game is powered on. In either case, this will cause the batteries to die quickly.

    If you have batteries that are dying very quickly, replace both diodes D1 (1N5817) and D2 (1N4148) on the CPU board.


3p. Sound.

    System 9 Sound Problems.
    System9 and System11/11A have a similar set up for sound. That is, the CPU board contains a couple sound section, and addition sound (or speech) is provided by an auxilary board.

    On sys9, the main game sounds are handled by the CPU board's sound section. This has a separate 6808 processor and a 6821 PIA along with a sound amplifier section. The speech is handled by a separate speech board, much like the speech board used in System7 (but with larger ROM space). The CPU and Speech boards are connected together via a large ribbon cable (unlike System11 which uses a much smaller ribbon cable).

    If the sound and/or speech does not work on a system9 game, it's best to figure out if the problem lies on the CPU board or the separate speech board. To do this, remove the ribbon cable from the CPU board. Now examine the ribbon cable connector on the CPU board (it is vertically mounted on the lower right edge of the CPU board). There are two vertical rows of pins on this male ribbon cable connector.

    Using a circuit board jumper (as seen on hard drives to set master/slave configurations), locate the bottom two pins (towards the playfield) of the CPU board's ribbon cable connector. Now locate the two pin just ABOVE this pair (the pair just before the bottom end of the ribbon connector). Put the jumper on these two pins.

    Now power up the game and go to the sound test. All the sounds from the CPU board should be heard, but the sounds from the speech board will not. If this is the case, the CPU board's sound section is fine. If no sound is heard, then the CPU board's sound section has an issue. Most common problem is the sound CPU 6808, the sound PIA 6821, the D/A decoder, or the preamp/amp section. Note chips U11 and U17 can be swapped (both 6808 processors) to see if the problem changes.

    System 11 Sound Upgrades.
    System11 games do not have great sound or speech. To make the most of what system11 games do have, upgrading the speakers is recommended. There are pre-canned packages available from pinballpro.com. But I prefer to come up with my own sound configuration.

    Most System11 games have a total of three speakers. In the backbox area there is one small and one oblong speaker. The small speaker is a 3 1/2" speaker, and the the oblong speaker is a 4"x10" model. Oblong speakers don't sound good compared to round speakers. Also the 3 1/2" speaker is pitful at best. A better approach is to use two like-sized speakers in this area. The easiest method is to use two 4" speakers instead of the 3 1/2" and 4"x10" speakers. The two 4" speakers can be mounted in the same area as the original 4x10 speaker without permanently modify the speaker panel. Two of the original four mounting screws can be used for the two new 4" speakers. Then use two 1/4" drive screws for the other two speaker mounts (each speaker gets two mounting screws). Abondone the 3.5" speaker grill hole as it is not needed (and too small). The replacement 4" speakers must be 4 ohms each. These can be easily found on ebay or at a car audio store for a nominal price. Get "two-way" coaxial speakers that are rated for 25 watts RMS or higher. Just be careful that the interior coaxial cone does not perturd beyond the main speaker's cone. If it does, spacers will need to be used so the cone does not touch the speaker grill when the new speakers are bolted in place.

Two 4" speakers replace the original 4"x10" oblong speaker and the 3.5" speaker
in a Banzai Run upper panel.

    The bottom cabinet speaker is a 6.5" speaker. Again find a good replacement, but this speaker must be 8 ohms. Coaxial two-way speakers are best, but any 25 watt RMS speaker should be far better than the stock Williams speaker.

    Speaker Hum.
    If the game has a lot of hum while in attract mode, there are a couple things to check. First make sure all the circuit boards are screws down to the metal ground plane in the backbox. A lot of times the boards are loose, which doesn't help the ground connection.

    Next replace cap C8 on the power supply. This little cap filters the supply to the IC1 voltage regulator (47uF). Ripple on the 5V supply from this cap being bad can cause hum. You can use another 47mfd cap for C8, or go as high as 100mfd.


3p. When thing don't work: Miscellaneous Oddities

    Problem: In attract mode, the pop bumper coil on my F-14 behaves normally (did not fire or energize). Once a game was started or test mode entered, the coil would fire and stay energized. In attract mode, the coil could be fired by hitting the pop bumper skirt switch (this is NOT normal behaviour, and the others pop bumpers did not work this way)! Grounding the metal tab of the Q69 TIP122 transistor while the game was in attract mode energized the coil and released it (properly).

    Answer: A close look at the 7402 chip at U50 (which is the controlling TTL for this coil) revealed that pins 5 and 6 where shorted together. This was caused by a solder splash from a previous repair. Removing this short fixed the problem!

    I turn my system 11 game on, and the score displays will only show 0's and X's in the middle of them.
    Problem: the game thinks you have "slammed" it.

    Answer: there is a slam switch inside the coin door, just above the coin door lock. This switch should be normally open. If this switch is shorted or bent closed, you will have this problem. Often people will accidentally bend this switch when putting credits on the game (a good reason to have the game set on free play!). If the switch is not shorted closed, the switch matrix could also be damaged, as the slam switch is part of the switch matrix. See the Switch Matrix section of this guide for info on fixing that.

    A system 11 game coil is always energized.
    Problem: "I have a system 11 game with solenoid problems. I have replaced the TIP122 transistor, the associated pre-driver transistor, the 7408 chip, and even the 6821 PIA. But nothing keeps the solenoid from staying energized."

    Answer: some 50 volt coils are driven by a TIP36 transistor on the Auxiliary power driver board. If the TIP36 is shorted, the coil will stay energized (regardless of what you replaced further up the electronic river).

    "When I turn my Fire! game on, the score displays would flash quickly at a high brightness, and the speakers would be noisy, but the game does nothing more."
    Problem: the CPU board has a blanking circuit problem. The job of the blanking circuit is to shut down the score displays, solenoids and lamp circuits if there is a problem on the CPU. This safety circuit also protects other circuits during power-on if there is a problem.

    Answer: there were two failed components, a 555 timer chip at U43 and a bad 2N4403 transistor at Q50.

    To test the blanking circuit for proper operation, check U20 pin 2 or U43 pin 3 at power-on, using a logic probe. You should get an initial LO for a few seconds, followed by a continuous HI after the game has booted.

    All score displays are out, game will start but flippers and ball eject do not work. While the game was being played (when it worked) the displays began acting strangely then the game died. Any further attempts to start a game resulted in above problems.

    Answer: Examining the display board discovered a glob of flux on U11 (4050 hex buffer) shorting pins 14 and 15 together. Using the schematics and wiring diagrams was able to trace those pins back to the CPU board. The short killed U51 (PIA 6821) on the CPU board. Removed U51 (6821), added machine pin socket, and replaced it with a new 6821 PIA.

    "No Sound on my Pinbot."
    Problem: The sound on the Pinbot just suddenly died. The amplifier section seems to work, because when the volume control is turned, you can hear the scratching sound coming from the speakers. Also when the sound test button is pressed on the CPU board, you can faintly hear the sounds.

    Answer: No -12 volts DC, which is used for the sound. In this case it ended up being the bridge rectifier that converted the 12 volts AC to DC voltage that had failed.

    When the flipper button is pressed, the game resets. When the ball hits the slingshot, the game tilts.
    Problem: This is a switch matrix problem. The low voltage (high score) switch on the flippers and the slingshot scoring switch are triggering other switches in the switch matrix.

    Answer: First I would suggest looking for a bad, missing or mis-wired switch diode. But in reality this was not the problem. A switch matrix column transistor (2N3904) was bad, as was the switch matrix column resistor network SR15.

    The CPU software for Road Kings on the Williams web site does not seem to work.

    Answer: Indeed the EPROM software for Road Kings on the Williams web site is bad. For working software, click here for working EPROM files.

    On My F-14, I need a new rubber belt to drive the rotating beacon lights. Where can I get this?

    Answer: This rubber drive belt is available from any local John Deere tractor store! Just ask for part number H85996, cost is about $2.00.

    Just got a F14 and the Flippers don't work, and neither does the Lock Kickout, but the fuses are OK. What is the problem?

    Answer: Check flipper power supply board (long thin board on far right inside backbox). On games Big Guns and later, check the Auxiliary power driver board (right side of backbox). These boards supply 50 volt power to flipper coils and some of the other playfield coils. There is also a fuse for the 50 volts on the associated power supply board, and a fuse mounted off-board on the metal plate on the backbox below the boards.

    Earthshaker booted and worked perfectly for about an hour. Then, as the game was thoroughly warmed up, the displays started to "lose" digits one at a time until the displays were blank. The solenoids also stopped working as did the background sounds. It would coin up and start a game, but when a solenoid was supposed to fire only a faint buzzing could be heard.

    Answer: Fixed the game by checking the board with a logic probe and found that the blanking signal was pulsing rapidly instead of staying low. Since it was pulsing, the blanking LED appeared to be "on" to the naked eye, when it was actually blinking very fast so the issue was not apparent. The game would work perfectly just by jumping pin 1 of u55 to +5 volts. So, obviously the problem was actually with the blanking circuit (instead of the blanking signal being a symptom of another problem). I replaced the 555 timer and 2n4403 transistor in the blanking circuit and let the game warm up, but no change. After a little more investigation with the logic probe and DMM, I began to suspect c58 (the 1uF electrolytic) which corrected the problem.



4a. Finishing Up: Rebuilding Flippers
    Regardless of your playing skill, the one thing everyone notices about a pinball game is the flippers. Novices and pros alike can tell you if your game has good, powerful flippers, or whimpy, limp, dead ones. Flippers are the interface between the game and the person playing. If you don't maintain anything else on your game, at least maintain the flippers. Games with good flippers are fun. Games with bad flippers aren't fun (regardless of what the game title is).

    Flippers get weak because they have moving parts that get substantial use. When they wear, the mechanisms get play (slop) in these moving parts. Instead of the flipper coil transmitting all its energy in propelling the ball, some energy is absorbed by the sloppy mechanisms. Rebuilding the flippers removes this slop, and will dramatically increase the strength and feel of your flippers.

    How Flipper Coils Work.
    Flipper Coils are a unique type of solenoid. This coil is actually two coils in one package. One part of the coil is the high-powered side. This uses large diameter wire, with a limited number of turns (low resistance). Since there is low resistance, the power can travel quickly and easily through these windings. This part of the coil gives the flipper its initial power to kick the ball.

    The second part of the flipper coil is the low powered side. This acts much like a hold relay; lots of turns of thin wire with high resistance. This part of the flipper coil is intentionally shorted out and turned off by a normally closed end-of-stroke (EOS) switch.

Left: Note the capacitor to minimize EOS
switch arc on a parallel wound flipper coil, and the
style of return spring used. The EOS switch is a high
voltage, Tungsten contact, normally closed switch.
Trivia question: what is wrong with this flipper coil?


Answer to the above trivia question ("what's wrong
with the above picture's flipper coil?"):
The problem shown on the left is the flipper coil is installed
upside down! The wire terminals that the flipper coil
wires connect should be as far away from the coil stop as
possible. The coil stop is where most flipper vibration
originates. The coil plunger slams into the coil stop, causing
vibration. This vibration will eventually break the coil wires
off of the coil wire lugs. To minimize this, the coil is mounted
so the wire lugs are further away from the coil stop. Unfortunately,
Williams didn't identify this problem on system 11 games, so
usually the wires are too short to install the coil correctly!

    Flipper Differences (Series vs. Parallel Coils).
    Flipper worked different on games High Speed to Millionaire. These games used a series wound FL23/600-30/2600 flipper coil. The common lug (where both the low and high powered coil wires were connected together) on these flipper coils was the middle of the three lugs. Also these coils used ONE diode across the two outside lugs. The EOS switch on these games, when opened, enabled BOTH the high power and low powered coils together. This style of flipper coil did NOT use a 2.2 mfd anti-spark EOS capacitor. The problem with this series wound coil was the "back spike" of current that occured when the EOS switch was opened. This cause the EOS switch to excessively wear and pit.

    With the introduction of F-14 Tomcat, Williams changed to the parallel wound FL11630 style flipper coil. This coil now used an outside lug as the common lug (where both the low and high powered coil wires were connected together). Also TWO diodes were used and required on these flipper coils. This parallel wound coil eliminated the "back spike" of current when the EOS switch opened. It also allowed the use of a 2.2 mfd 250 volt capacitor to further limit EOS switch sparking and pitting. Now when the EOS switch opens, this removed the high powered side of the coil from the circuit. The low powered side of the flipper coil is always in the circuit, but is essentially ignored when the high powered side is in the circuit. This happens because the current takes the easiest path to ground (the low resistance, high power side of the coil). The low power high resistance side of the flipper coil won't get hot if the player holds the flipper button in.

    The EOS switch Capacitor.
    System 11 EOS switches use a 2.2 mfd 250 volt capacitor to be used only (part number 5045-12095-00) with the parallel wound FL11630 flipper coils (used on F-14 Tomcat and later). This minimizes the high voltage electrical arc between the contacts of the EOS switch. Games High Speed to Millionaire that use the series wound FL23/600-30/2600 flipper coils do not need this capacitor (it won't help save the EOS switch because the series wound flipper coil uses a different EOS circuit, and essentially the capacitor would have no affect). But on system 11 games with parallel wound F11630 coils (F-14 Tomcat and later), this capacitor should be installed as it does help reduce EOS spark, which increases EOS life.

    Series and Parallel Wound Flipper Coil Numbers and Strength.
    When you get a new game and are rebuilding the flippers, check the game manual and make sure the proper flipper coils are installed. Often operators will replace flipper coils with the wrong coil. Use what the manual suggests for proper game play. Here are the relative flipper coil strengths, from weakest to strongest:

    • FL11753: parallel wound, used for small flippers, like the "Thing" flipper on Addam's Family. Requires two flipper diodes.
    • FL24/600-30/2600: series wound, "weak" flipper strength, and used on Grand Lizard's upper flippers. Requires one flipper diode. Same strength as FL11722.
    • FL11722: parallel wound, "weak" flipper strength, like Twilight Zone's upper right flipper. Requires two flipper diodes. Same strength as FL24/600-30/2600.
    • FL23/600-30/2600: series wound, "standard" flipper strength, and used on games High Speed to Millionaire only. Requires one flipper diode. Same strength as FL11630.
    • FL11630: parallel wound, "standard" flipper strength, as used on nearly all system 11 games. Requires two flipper diodes. Same strength as FL23/600-30/2600.
    • FL15411 : parallel wound, strong flipper, as used for main flippers on Addam's Family, Twilight Zone, etc. Requires two flipper diodes.
    • FL11629: parallel wound, strongest Williams flipper. Used on most of the newest WPC games. Requires two flipper diodes.

    Should Older Games Convert to Newer Parallel Wound Flipper Coils?
    If for any reason a flipper coil is replaced on a pre-F14 Williams game with series wound flipper coils, yes it should be replaced with a newer parallel wound flipper coil. The wiring will need to be changed slightly, but the end result is worth it, as EOS spark is greatly reduced (hence increasing the life of the EOS switch). Use the table above to figure out which new style parallel wound flipper coil to use. Also the EOS switch capacitor can be added too (though it is not necessary if the cap is not available). Both flippers do not need to be converted at the same time either. Note is may be possible to re-wire an existing series flipper coil into a parallel coil. I don't recommend it, but it could be done.

The diode on a series wound FL23/600-30/2600
flipper coil. Notice the two blue/yel wires on the right
lug. These are the power wires. There are two because
the power "daisy chains" to the next flipper coil.
These 50 volt power wires connect to the BANDED
side of the diode and the thick coil winding wire.
The EOS switch connects to the far left lug (and
the blk/yel ground wire), and the middle common lug.
The far left lug connects to the thin coil wire winding.

Left: A parallel wound FL11630 flipper coil. Note the lug on the far right
is the common lug, with both the thin and thick coil winding wires attached. The
center and the left lugs connect to the EOS switch (the wires going up). The two
outside lugs are the power and return wires, with the gray power wire going to the
right lug (the lug with the diode bands closest).
Right: The EOS switch and the 2.2 mfd 250 volt non-polarized capacitor that
attaches to it.

    Instructions for Converting to Parallel Wound Flipper Coils.
    Here are the instructions to convert an older FL23/600-30/2600 or FL24/600-30/2600 flipper coil to the new parallel wound FL11630 or FL11722 flipper coil (and add the 2.2 mfd EOS switch cap). Or here's how to just install another FL11630 or FL11722 coil in your game.

    • Turn the game off and remove the FL23/600-30/2600 or FL24/600-30/2600 coil from the game. You will have to unbolt the coil stop to do this.
    • Install the new FL11630 or FL11722 coil. It's best to install the coil with the solder lugs furthest away from the coil stop (but the flipper wires aren't always long enough to do this).
    • Note the lug on the FL11630 or FL11722 coil with BOTH the thin and thick coil winding wires attached to it. The Band of the diodes should both be towards this lug.
    • Hook up the EOS switch wires to the center lug and outside non-banded diode lug, with the thin coil winding wire attached.
    • Hook up the non-polarized 2.2 mfd 250 volt EOS switch capacitor to the EOS switch lugs.
    • Hook up the power wires to the two outside coil lugs. And yes it DOES matter which wire goes to which lug! The main power wire should attach to the outside lug closest to the diode bands (the common lug with both the thin and thick coil winding wires attached). This should be the same wire you removed from the old coil lug with the banded diode attached.

    If you get the two outside lug power wires reversed, a 50 volt solenoid fuse will blow, and the flipper buttons will not control the flipper coils! Instead they will do something weird like turn the flash bulbs on. Just reverse the wires and install a new fuse, and you're all set to go.

    The CPU Board Flipper Relay K1.
    The flippers are only enabled during game play and in diagnostic mode. The flipper enable relay is what turns the ground off and on connected to the flipper coils. The flipper enable relay is located on the CPU board at K1, and is a 4P, 40 ohm, 6 volt relay. When you enter diagnostic mode, you should hear the flipper relay K1 click on (activating the flipper buttons).

    EOS Switch Maitainence.
    The EOS switches on all system 11 games do need periodic maintenance. Since they are high voltage switches, there is some electrical arcing. The arcing is much more of a problem on High Speed to Millionaire games with the series wound FL23/600-30/2600 flipper coils. Excessive EOS switch arcing will cause the switch contacts to pit and burn, and cause some resistance. As the resistance increases, more arcing occurs (which causes even more resistance). Eventually, bad EOS switches will make the flippers very weak. They must be filed clean with a small point file periodically. The switch contacts are made of Tungsten.

    Adjusting the EOS switch.
    The EOS switch should be adjusted (after filing it clean) so there is about 1/8" gap when the flipper is at full extension. Any less than that and you are asking for trouble. Any more than that and you are scraficing flipper power.

    Shorting the Flipper EOS switch to the Lane Change switch.
    Williams has a feature called "lane change" in many of their games. This allows the player to change the lit lanes using the cabinet flipper buttons. Prior to Banzai Run, this is done by doubling up a second switch on the flipper EOS switches. The EOS switches are a +50 volt switch. The lane change switch is a +5 logic switch connected to the switch matrix. These two switches are insulated from each other by a small nylon "triangle" activator. But if these two switches touch, the switch matrix will burn (as described above).

    When adjusting or cleaning the flipper EOS switches or lane change switches, make sure the game is turned OFF. This will prevent shorting these two switches together. Also, do not clean the smaller lane change switch with anything other than a business card.

    Lane Change on games with Interconnect boards.
    When the interconnect board was introduced on Banzai Run, Williams stopped using a doubled up switch on the flipper EOS switches for the lane change. Instead, circuitry was added on the interconnect board using a MOC3010 opto coupler. If you have problems with the lane change on these games, replacing the small 8 pin MOC3010 opto couplers will usually fix the problem.

    Flipper Rebuild Kits.
    Williams sells a flipper rebuild kit that contain all the parts you would need to rebuild two flippers. It includes parts like the entire right and left flipper pawl and plunger/link assemblies, coil sleeves, coil stops, EOS switches, EOS switch capacitors (for the non-fliptronics kits), and other parts. At $20 a kit (to repair two flippers), it's a pretty decent deal because it's all the parts you'll need in one kit. But you can save some money if you just replace the parts that are worn (the plunger/link, link bushing, coil sleeves and usually the coil stops). For newer style WPC fliptronics flippers, the kit's part number is A-13524-8. For system 11 flippers, it's part number A-13524-1. The genuine Williams kits come in a cute plastic clamshell container.

Left: Flipper assembly with the coil stop (and coil) removed.
Right: The coil stop. Notice the mushroomed head on the top example.
Below that is a re-worked coil stop (using a file). It is recommended
replacing the coil stop rather than re-working it.

 

Measuring the coil stop with a dial caliper.
The thickness of a new coil stop is .440 inches.
After re-working, if yours is .425 inches or less,
replace it.

    Rebuilding Flippers: Removing the Coil Stop.
    First, use your allen wrench and remove the two 10-32 x 3/8" bolts that hold the coil stop in place. This will release the coil from the assembly. Move the coil to the side for now.

    Examine the coil stop. Often, the coil stop will have a "mushroomed" head. This happens from the coil plunger slamming into the coil stop. If this is the case, replace the coil stop. In a pinch, you can re-work the coil stop and file the mushroomed head flat and bevel the edge. The problem with this is plunger travel length increases. If excessive, the plunger link will now slam into the top coil bracket, destroying it. Also the increase in plunger travel can cause the flipper pawl to hang on the EOS switch (leaving the flipper in the up position). A new coil stop is .440 inches thick. If your coil stop, after filing, is less than .425 inches thick, you should replace it. Less than .425, and you'll have problems with the flipper pawl hanging on the EOS switch. Coil stops are less than $1 each. If in doubt, just replace it!

The flipper assembly with the pawl
assembly removed. The flipper shaft can
be seen extending through the playfield,
and through the nylon flipper bushing.

    Removing the Flipper Pawl Assembly.
    Use your allen wrench and an open wrench, loosen (but don't remove) the bolt that clamps the pawl assembly to the flipper shaft. From the playfield side, turn and pull the flipper while holding the pawl assembly until the flipper can be pulled from the playfield. The pawl assembly can then be removed from under the playfield.

    Worn Coil Bracket?
    If the game was played so much that the coil sleeve wore out (thanks in part to a worn plunger link), the plunger could then come in contact with the coil bracket. This would elongate the bracket's hole. Also, if the coil stop was filed (to removed a mushroomed head) and plunger travel increased, this could ruin the coil bracket too. In either case, the coil bracket will need to be replaced.

    Replace the Flipper Bushing?
    The flipper bushing is a nylon part that the flipper shaft passes through. Though this part may not look worn, but replace it anyway if you don't know how old the flipper bushing is. The reason is simple: a worn or cracked flipper bushing can allow the flipper bat to drag on the playfield, putting wear on the playfield. Since the cost of this part is so small, just replace it.

Shown is "flipper drag" playfield wear (see the wear in the
word "Twlight"?). This is caused by worn or broken nylon
flipper bushings. This allows the bottom of the flipper bat
to drag on the playfield, causing this wear.

    When replacing the flipper bushing, remove the entire flipper bracket from under the playfield. This allows access to the three 6-32 x 3/8" bolts and nuts that hold the bushing to the bracket. These bolts have nuts on the bottom side of the flipper bracket, which can't be accessed with the bracket in place.

Left: Note the flipper link's hole has elongated. Also, the black heat shrink
tubing on the pawl is very worn from activating the EOS switch. Although it doesn't
look it, the flipper link spacer bushing (lower left) is also worn.
Right: Note the plunger tip has mushroomed, and there is considerable
plunger pitting.

 

    Rebuilding the Pawl.
    The flipper pawl assembly can now be rebuilt (if you buy a whole new flipper pawl assembly with a new plunger/link for about $10, skip this section). Remove the allen bolt that holds the flipper plunger/link to the pawl. The plunger/link can now be removed (you may need to use a screwdriver to spread the pawl assembly slightly to release the plunger/link).

Top: New style, fatter and more substantial flipper link.
Middle: Old style, thinner flipper link; the preferred
version for the newer style return spring set up. Since it's
not as thick, it doesn't hang up inside the flipper pawl
assembly as easily. It's also a more versatile link, and can
be used in most Williams (and DataEast!) games from the
mid-1980's and forward.
Bottom: Old style, chewed up link from a flipper plunger
return spring. This is why Williams went to the newer style
(top) plunger link. The plunger return spring just hacks away
at the link.

    Inspect the flipper link spacer bushing, which should be inside the flipper link's hole. Brand new bushings have an outside diameter of .310 inches, and an inside diameter of .090 inches. If you have a dial caliper, measure yours. If even .003" less than these values, replace this bushing. If in doubt, just replace it.

    Replace the flipper plunger and link. A new plunger/link can be bought for $1.50. (rebuilding the plunger is hardly worth it. Spend the $1.50 and get a new plunger/link. If rebuilding the plunger/link is your only option, here's what to do: grind and bevel the plunger tip to remove the mushroom. Using a 1/8" metal punch, remove the roll pin that holds the link in place. Install a new link, and hammer the roll pin back in place. Make sure the new link moves freely.)

    Install the plunger/link and a flipper link spacer bushing. Remember the allen bolt that holds this is place goes through the pawl assembly with the nut on the same side as the pawl (see pictures).

A new plunger/link and new spacer bushing. Note the
freshly installed (white) pawl heat shrink tubing and allen bolt.

    Replacing the Pawl Heat Shrink Tubing.
    The flipper pawl's job is to activate the EOS switch at the flippers' end of stroke. This metal pawl tab is factory coated with heat shrink tubing to prevent wear to the EOS switch. When the coating is worn, metal-to-metal contact (pawl to EOS switch) occurs. This will shred the EOS switch blade. When the EOS switch blade frays, it can hang-up on the flipper pawl. This will cause the flipper to stick in the up position (regardless of the condition of the return spring).

    The heat shrink tubing also provides insulation between the metal flipper pawl and the EOS switch. This is especially important because the EOS switch is a high voltage switch. Worn or missing heat shrink tubing on these games can cause all sorts of strange game behavior.

    New pawl heat shrink tubing should always be installed when rebuilding the flippers. Cut the old tubing off using a razor blade. Cut a 1/2" length of new 1/4" heat shrink tubing. Push it over the pawl, and use a heat gun or hair drier to shrink the tubing in place. Trim with a razor blade as needed.

Installing the flipper pawl and flipper
coil. Note the use of the white plastic
flipper "tool" to get the spacing correct.

    Flipper Coil Types.
    Often, operators will replace a flipper coil with the wrong type. This happens quite often. You should verify in the manual that your particular game has the correct flipper coil installed.

    Re-installing the Flipper Pawl Assembly and Flipper Coil.
    After the flipper pawl assembly is rebuilt (or replaced), reinstall it. Put the plunger through the coil bracket. Make sure the pawl is down (toward the playfield). Push the flipper shaft through the flipper bushing and into the pawl assembly. Do not tighten yet.

    Put a new coil sleeve in the flipper coil. If you can't get the old coil sleeve out of the coil, replace the entire coil (it has been heat damaged otherwise the coil sleeve would easily slide out). The coil sleeve should be installed from the non-terminal end of the coil, and extend through the coil at the terminal end about 1/8".

    Put the flipper coil in place, the coil end with the wire terminals goes closest to the flipper pawl. Note the nylon "tab" that is molded into the nylon terminal portion of the coil. This tab will fit into a notch in the coil bracket. The extended part of the coil sleeve will go through this coil bracket too. Install the coil stop and its two allen bolts.

    Changing to the New Style Flipper Return Spring.
    Williams changed flipper return spring styles in 1992. So on system 11 games, there's a cone-shaped flipper return spring that goes over the flipper plunger. The problem with this set up was it chewed up the flipper link, and often the spring just got weak and broke from the constant contact with the flipper link.

    To combat this problem, Williams made two changes. First they changed the style of flipper link to be thicker, and have a more rounded contact point. Second they stopped using a cone style return spring. The return spring was moved outside of the plunger, where it takes less abuse and doesn't chew up the flipper link.

Left: Here the flipper plunger spring has gone soft, and won't
return the flipper back. Note how the spring is biting into the flipper
link (new style flipper links help prevent this).
Right: A conversion to the new style return spring. This involved
using Fliptronic flipper pawl parts, and drilling a 1/16" hole in
the metal bracket holding the flipper capacitor. Be careful you don't
damage the EOS capacitor when doing this modification.

    To change to the new style return spring on older flippers, just order the fliptronics style flipper pawl (the only difference is an added spring lever). Then drill a 1/16" hole in the bracket that holds the flipper capacitor. This hole will anchor the new style return spring. Be careful when drilling the new hole you don't damage the EOS capacitor. Entire flipper pawl, with plunger and link is part number #A-15848-L (left), or -R (for right). The flipper pawl only is part number #A-17050-L (left), or -R ( for right).

    Tightening the Flipper Pawl Assembly.
    Now you are ready to tighten the flipper pawl assembly to the flipper shaft. Williams provides a white plastic spacing "tool" (that comes with every game) which fits between the flipper bushing and the flipper pawl (see above picture). This spacer is .030" thick (1/32"), or about the thickness of three business cards.

Using a toothpick as a flipper alignment tool.

    On the top of the playfield, note the roll pin inserted through the playfield, just behind the flippers. This pin is used for alignment purposes at the factory when the playfield was first assembled. Put a toothpick into the roll pin, and move the flipper against it (with the rubber installed on the flipper). With the flipper positioned correctly, lift the playfield and tighten down (very tight!) the flipper pawl assembly's allen bolt. Remove the flipper spacing tool and the toothpick. I wouldn't suggest trying to push the roll pins back through the playfield for flipper alignment; just use toothpicks. No need to possibly damage your playfield!

Both flippers in the "up" position. Notice how they look symmetrical.

    When you are finished, extend both flippers to the up position. They should look "equal", both extending the same amount. If not, you will need to re-align one or both of the flippers. If you didn't replace the flipper coil stops (and instead filed them down to remove a mushroomed head), the flippers may not line up when extended. This happens because the plunger travel has increased from filing the coil stop.

    Cleaning and Adjusting the EOS Switch.
    Cleaning and adjusting the EOS (end of stroke) switch is the last step in rebuilding flippers. This is VERY important. The EOS switch is what diverts power away from the high-powered side of the flipper coil. If not adjusted correctly and the EOS switch stays closed, the flipper coil can burn. If the EOS switch is dirty and doesn't make good contact, the flipper will be extremely weak. Therefore it's critical that the EOS switch be adjusted and cleaned on all system11 flippers.

    Clean the EOS switch contacts with a small metal file. There should be no pitting in the contacts when done. The EOS switch is a normally closed switch. So adjust the non-fliptronics EOS switch so it opens about 1/8" at the end of the flipper's stroke. If the switch is in really bad condition, replace it.

    Parts Reference.

    • Flipper Rebuild Kits (for two flippers). Includes all the following parts, plus some others. Part number A-13524-8 (actually for WPC fliptronic flippers, with the new style return sprint). The old style cone spring style (not recommended) is part number #A-13524-1.
    • Entire Flipper Pawl, with Plunger/Link: #A-15848-L (left), or -R (right).
    • Flipper Pawl only: #A-17050-L (left), or -R (right).
    • Plunger/Link: #A-10656 (or A-15847 which has a slightly meatier link). Use this plunger/link for the older spring set up where the cone-shaped flipper return spring is over the plunger.
    • Nylon Flipper Link only: #03-8050 (or 03-8753 which is the meatier link).
    • EOS Switch: system 11 high voltage type #03-7811.
    • Coil Stop: #A-12390 (uses two allen head 10-32 x 3/8" bolts)
    • Coil Sleeve: #03-7066-5, 2 3/16" long.
    • Flipper Link Spacing Bushing: #02-4676
    • Flipper Bushing: #03-7568 (uses three 6-32 x 3/8" bolts and nuts)

    All of these parts are available from the people on the suggested parts & repair sources web page.



End of System 11 Repair document Part Three.

* Go to System 11 Repair document Part One
* Go to System 11 Repair document Part Two
* Go to the Pin Fix-It Index at http://marvin3m.com/fix.htm
* Go to Marvin's Marvelous Mechanical Museum at http://marvin3m.com