Support this Pinball Repair Website & PHoF. Please purchase the Marvin3m.com/top videos

Repairing Williams System 3
to System 7 Pinball 1977 to 1984,
Part Two

by Cfh@provide.net (with help from Mark & Jerry)
01/28/08. Copyright 2002-2008 all rights reserved.

Scope.
This document is a repair guide for Williams System 3, System 4, System 6 and System 7 pinball games made from 1977 (Hot Tip) to 1984 (Star Light), and includes the famous Black Knight, Firepower, Gorgar and Flash pinball games. Updates of this document are available for no cost at http://marvin3m.com/fix.htm if you have Internet access. This document is part two of three (part one is here, and part three is here).

IMPORTANT: Before you Start!
IF YOU HAVE NO EXPERIENCE IN CIRCUIT BOARD REPAIR, YOU SHOULD NOT TRY AND FIX YOUR OWN PINBALL GAME! Before you start any pinball circuit board repair, review the document at http://marvin3m.com/begin, which goes over the basics of circuit board repair. Since these pinball repair documents have been available, repair facilities are reporting a dramatic increase in the number of ruined ("hacked") circuit boards sent in for repair. Most repair facilities will NOT repair your circuit board after it has been unsuccessfully repaired ("hacked").

If you aren't up to repairing pinball circuit boards yourself or need pinball parts or just want to buy a restored game, I recommend seeing the suggested parts & repair sources web page.

Table of Contents



2g. Before Turning the Game On: CPU Board Upgrades.
System3, System4, System6, System7 CPU Board ROM Upgrades.
    Summary: Upgrade System3 CPU boards to run System4 and System6 game ROM software. Also minimize the number of ROM sockets that need to be replaced on System3, System4 System6 and System7 CPU boards.

    In the previous section, we talked about replacing circuit board sockets. But before doing that, please check this section out. It may give some good insight on some System3 and System4 CPU sockets that do *not* need to be replaced (because they won't be needed).

    Remember, until the the CPU board is running properly, it is a good idea to remove the lamp and solenoid fuses F2 and F3 from power supply board. This will minimize any risks of burning coils or lamps.

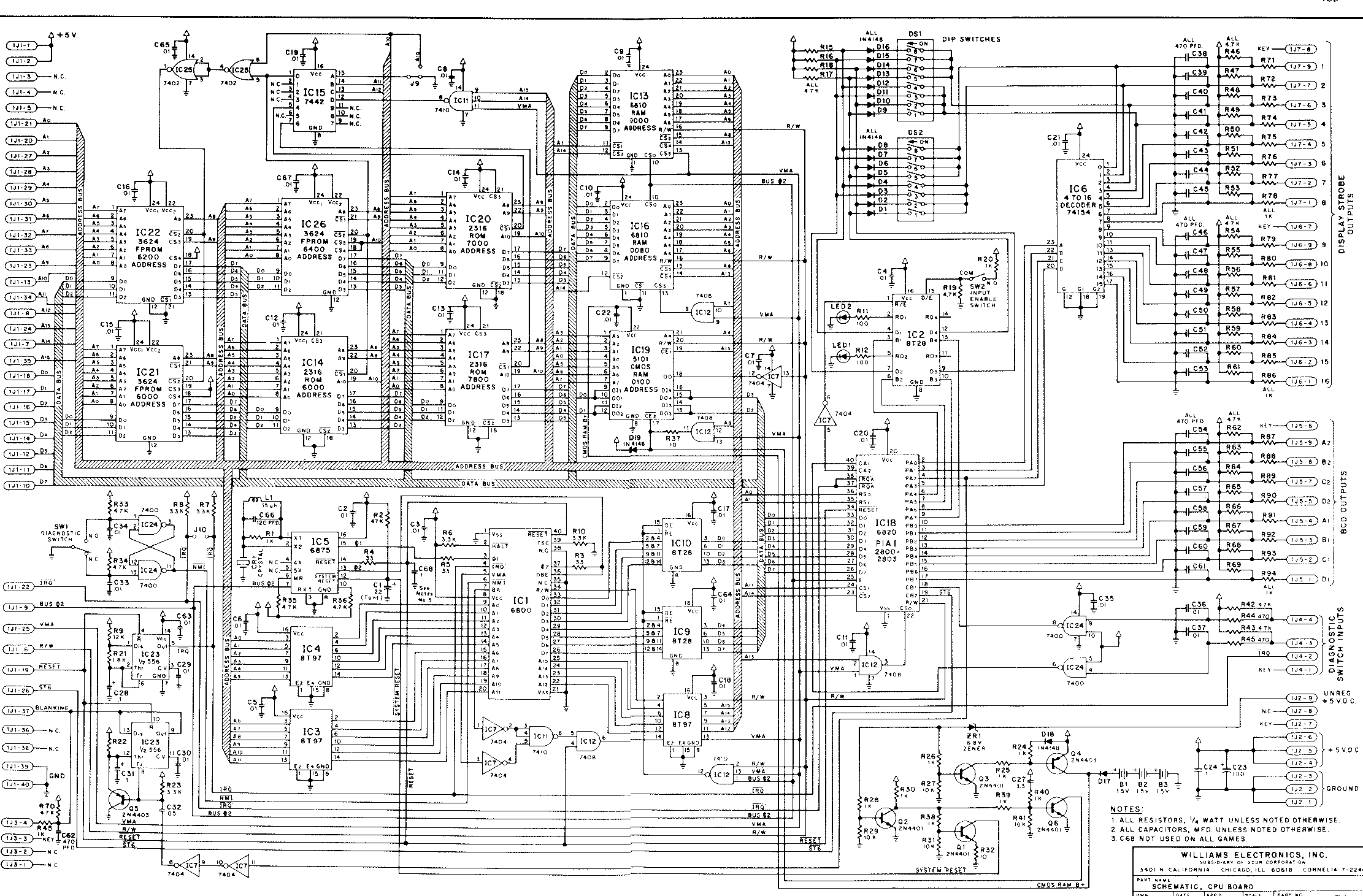
CPU Board component placement for System3 and System4
(Click here for a larger version, and click here for a schematic).

    System3 CPU Board ROM Upgrade.
    Most System3 games' CPU board uses four ROM sockets: IC22, IC21, IC20, IC17 (from left to right). There is a potential for a fifth ROM socket at IC14 too (but this socket, from the factory, is not installed in a System3 CPU board, but the solder pads are present). Since we have already discussed replacing all the CPU sockets, there is a trick that will allow us to replace fewer sockets! That is, to install a socket at IC14 (where there is currently no socket), and use a 2716 (2048 byte) game EPROM there. This will replace the two 3624 masked game ROMs (512 bytes each) at IC22 and IC21. This is essentially upgrading the System3 CPU board to a System 4 CPU, allowing it to be used for any System3 or System4 game. Doing this means the sockets at IC22 and IC21 will not be used, and do *not* need to be replaced.

System3 CPU Board modification to use a 2716 EPROM at IC14. Note the cut
to the trace coming from IC15, between pins 6 & 7. And note the round solder
pad is jumped to IC15 pin 1.

    In order to complete this modification, the chip selection circuit also needs to be modified. Here are the steps:

    • Find chip IC15. This is directly to the lower right of the 40 pin PIA chip closest to the battery holder.
    • Between pins 6 and 7 of IC15, there is a trace that goes to a round solder pad. Cut this trace to the left of the round solder pad.
    • Connect the round solder pad trace to pin 1 of IC15 with some wire wrap.
    Now that the chip selection circuit is set to use IC14, it is just a matter of getting a new EPROM "burned" to replace IC22 and IC21. There are lots of people that offer this service for around $10 to $15 for this chip. Williams' web site also has the binary ROM images for these EPROMs available for free.

Converting a System3 CPU to System4.

    System 4/6/7 CPU Board ROM Upgrade.
    Most System 4, System6 and System7 CPU boards uses five ROM sockets: IC22, IC21, IC20, IC17 (from left to right), and sometimes IC26 (mounted above IC22). There is a sixth ROM socket at IC14 too. Again, just like in System3 CPU boards, IC14 can use a 2716 EPROM, which will eliminate the 3624 masked ROMs (512 bytes) at IC22, IC21 and also IC26! But in the case of System 4/6/7 CPU boards, the modification of IC15 discussed above is already done.

    Again, since we have already discussed replacing all the CPU sockets, this trick will allow us to replace fewer sockets on a System 4/6/7 CPU boards too. That is, using a 2716 (2048 byte) game EPROM at IC14 will replace the *three* 3624 masked game ROMs (512 bytes each) at IC22,IC21,IC26. Doing this means the sockets at IC22,IC21,IC26 will not be used, and do *not* need to be replaced!

    Since the chip selection circuit is already set to use IC14, it is just a matter of getting a new EPROM "burned" to replace IC22,IC21,IC26. There are lots of people that offer this service for around $10 to $15 for this chip. Williams' web site also has the binary ROM images for these EPROMs available for free.

A Firepower System6 CPU Board jumpered to use all six ROM sockets, including
512 byte PROMs at IC26,IC22,IC21. This configuration was specific to Firepower
only, with it's original six ROMs installed. The "green" Flipper ROMs at IC20,IC17
are standard. The "gameROM" at IC14 is a 2316 ROM (or a 2716 EPROM).

System6 CPU Board jumper for a 2716 EPROM at IC14,
and no PROMs at IC21,IC22,IC26.

    System 6 CPU Board ROM Upgrade.
    As with System3/4, System6 CPU boards can also use a single EPROM at IC14 to eliminate the 512 byte PROMs at IC21, IC22 and IC26. In this case, a single "jumper" change is required to use an EPROM at IC14. Just above the IC22 ROM socket, there are two jumpers called "J4" and "J3". To use an EPROM at IC14, make sure jumper J3 is installed, and jumper J4 is removed. See the picture above. Note this modification applies to all System6 games EXCEPT for Firepower (see below).

    Firepower System 6 CPU Board ROM Upgrade.
    Firepower is unique amoung the System6 games, in that it uses all the ROM sockets IC14, IC17, IC20, IC21, IC22 and IC26. But it too can eliminate the usages of IC21, IC22 and IC26 by using the following instructions. For Firepower only, these steps modify a System6 CPU board's IC14 socket to use a single 2732 EPROM (unlike other System3 to System6 games, which can use a single 2716 EPROM at IC14), eliminating the PROM chips at IC21, IC22 and IC26. Please see the ROM section of this guide for instructions on this modification.

CPU Board component placement for System 6
(Click here for a larger version, and click here for a schematic).

    Flipper ROMs at IC17 and IC20 (all System3-7 CPU Boards).
    Location IC17 and IC20 on all System3, 4, 6, and System7 CPU boards can use either 2716 EPROMs, or 2316 masked ROMs. These are the flipper ROMs (essentially the BIOS for the CPU board). These sockets will need to be replaced too. But the masked ROMs or 2716 EPROMs can be used without any jumper modifications.

    I highly recommend installing new EPROM versions of the flipper ROMs. The old ROMs often get "bit rot", and the silver legs tarnish and easily break. It's just a good idea to replace these old ROMs with new EPROMs.

    Remember, there are different flipper ROMs for each system revision level. They are coded by color, one color for each system of games (more or less as they did overlap). Basically the colors decode like this:

    • White = System3
    • Yellow = System4
    • Green = System6
    • Blue = System7

    The big exception to this rule was World Cup. This game used one unique white flipper EPROM, different than the standard white flipper ROM at IC17. Without this special flipper EPROM, World Cup will not boot.

    Also remember the game ROM (IC14) *must* match the correct color flipper ROMs. And some games had a different game ROM for different flipper ROM colors. For example, Flash, which had a very long production, has a yellow flipper game ROM (system4), and a green flipper game ROM (System6). This happened because Flash's production was so long, some Flash games used System6 boards. Now it does not matter which game ROM is used. That is, a Green (system6) Flash game ROM can be used in a System4 CPU board (or vice versa). But the Green Flash game ROM *must* be used with Green flipper ROMs, and a Yellow Flash game ROM *must* be used with Yellow flipper ROMs!

    System3 CPU Board Reset Modification.
    During the production of Disco Fever (the last System3 game), Williams made a change to the reset circuit to increase its reliability. It is a good idea to do this modification on System3 CPU boards:

    • Remove capacitor C27.
    • Remove resistors R30 and R40.
    • Add resistor R96, a 10K ohm 1/4 watt resistor, from the left solder pad of resistor R30, to the banded side (top) of diode ZR1.

    Below is a diagram from Williams of this modification. The three red components are the ones to remove, and the blue component is the resistor to add.

Reset modification for System3 CPU boards. Red
components to be removed, blue component added.

    Early System7 "Mystery" Chip next to IC33.
    On very early system7 CPU board, there was an unmarked 74125 chip located above IC33. This chip is not needed, and Williams removed it from the system7 design. If there is a 74125 installed above I33, it can go bad and lock up the CPU. If your CPU has this chip, it is suggested that you cut it off the board.


2h. Before Turning the Game On: CPU/Sound Board Jumpers, ROM software, Flipper ROMs, DIP Settings.

    ROM Software.
    Williams has System3 to System6 ROM software available at www.pinball.com/tech/sys6roms.html. Unfortunately, some of these ROM files are *incorrect*, and in ROM formats that are not commonly used today. Because of this, I have known good and working software available here, ready for burning into standard EPROMs. All ROM files below use 2716 or 2532 EPROMs (file names ending in ".716" are 2716 EPROM binary files, and those ending in ".532" are 2532 EPROM binary files), except for Firepower which uses a 2732 EPROM (".732"). All the download files below are in ZIP format (use PkZip or WinZip to unpack the files).

    The "Flipper ROMs" Explained.
    A lot of time people will ask, "what are the 'Flipper ROMs', and is that why my flippers are not working?" The short answer is, no, the Flipper ROMs have nothing to do with "flippers". What the flipper ROMs are is the Operating System for the game. Originally it was thought the term "flipper ROMs" were named to distinguish them from the "shuffle ROMs", since shuffle alleys used the same CPU/driver board, but alledgedly different operating system ROMs. But according to Larry Demar, this story is untrue, as the shuffle alleys did in fact use the same "flipper ROM" operating system as the pinball games. So the origins of the name "flipper ROMs" is unknown.

    The flipper ROMs are identified by color: white, yellow, green and blue. A different color denotes a different version of the pinball's operating system. The color originally referred to the actual color of the label on the CPU ROM chips themselves, and was probably used when the games were manufactured for easy identification.

    One color for each system of games (more or less as they did overlap for Flash), but basically white=system3, yellow=system4, green=system6, and blue=system7. The big exception to this rule was World Cup. This game used a unique flipper ROM2 at IC17, different than the other four color groups of flipper ROMs. Without this special flipper ROM, World Cup will not boot (also it should be noted that Flash has two versions of IC14 Game ROMs, one for yellow flipper ROMs and one for green Flipper ROMs, because Flash's production was so long it was made with system4 and later system6 CPU boards).

    There were two flipper EPROMs on the CPU board at IC17 and IC20 (both 2716 EPROMs or 2316 masked ROMs, except on System7 which had one 2532 EPROM at IC17). Note in many System7 games IC20 was mislabeled (make sure the 2532 EPROM goes in IC17, and the 2716 EPROM in IC20).

    THE CORRECT COLOR FLIPPERS ROMS MUST MATCH THE GAME ROM. As Williams pinballs evolved, so did the operating system Flipper ROMs. So a Firepower (a green Flipper ROM system6 game) can not use yellow (system4) Flipper ROMs! This is because as the games evolved, the bookkeeping and adjustments advanced and added new items. These new features led to a new version (color) of the Flipper ROMs (the operating system of the game).

    Note some software included here may not be for the same system of CPU board installed in a game. For example, a Flash game may have a system4 CPU board, but "green" system6 software is included here. This does not matter. That is for example, all System3 CPU boards should have already been upgraded to System4/6 specs (as outlined in the CPU Upgrade section). This should be done so that a system3 CPU board can run system4 or system6 software (as discussed previously, system3 and system4 CPU boards are upward compatible to system6, except in the case of Firepower).

    It is helpful to remember the following Flipper ROM color codes when dealing with game software: White = System3, Yellow = System4, Green = System6, Blue = System7. Flash spanned multiple systems when it was produced, being made with both system4 and system6 CPU boards. Therefore Williams had both yellow (system4) and green (system6) Flipper ROM game ROM versions at IC14 available for Flash. The newest version should always be used (in this case, Green Flipper ROMs). When it comes to game software, the general rule of thumb is, "newer is better". So make sure the CPU board used is upgraded as documented in the CPU Upgrade section. Also it should be noted that there were only two games made with yellow flipper ROMs: Stellar Wars and Flash (but the yellow Game ROM version of Flash is not included here, as the newer green flipper version is instead). Also Flipper ROM1 is at IC20, and Flipper ROM2 is at IC17.

ROM Firmware for most System3 to System7 Games.
* World Cup Soccer and Topaz Shuffle use CUSTOM flipper ROMs and won't work with regular system3 White flipper ROMs. The flipper ROMs in the Topaz ZIP file are bad! If you have a working Topaz bowler please email me the Flipper ROM images from IC17 and IC20. Thanks!

Williams has System7 ROM software available at www.pinball.com/tech/sys7roms.html. These files appear to be good and correct. Star Light ROM files thanks to Clive Jones.

Psuedo 7 Digit scoring on 6 Digit displays.
If you have a game that uses Green flipper ROMs (Gorgar, Tri-zone, Time Warp, Lazer Ball, Firepower, Blackout, Scorpion), you can use a custom Green flipper ROM2 at IC17. This custom Green flipper ROM divides the score by 10. This essentially makes the game have 7 digit score, but using the stock 6 digit score displays! If the current scoring "rolls over" too easy for your play, this is an easy way to fix that (just burn one 2716 EPROM). Download the Psudeo 7-digit scoring.

Using the Above Firepower EPROMs Files.

    Firepower was an unique System6 game in that it used the four ROM sockets at IC21, IC22, IC26, IC14 for holding game's software. Three of these ROM chips (all but IC14) were 512 byte 7641 chips, and IC14 was a 2716/2316 ROM. Using the additional ROMs allowed Firepower to have extra space for the game program (in addition to the 2716/2316 green Flipper ROMs at locations IC17, IC20). The original configuration of three 512 byte PROM chips at IC21, IC22, IC26 and a 2316/2716 at IC14 required that the System6 CPU board jumper J4 be installed, and J3 be removed (there were orange labels in the cabinet and on the CPU board noting this).

    The three 512 byte PROMs used in Firepower at IC21, IC22, IC26 are troublesome. In addition their sockets may need to be replaced. A better solution is to use a single 2732 EPROM at U14, eliminating all the 512 byte ROMs and their sockets! The ROM data file documented here accomplishes this, but some System6 CPU board modifications must be made. Note this System6 modification was originally designed by Duncan Brown. Note a System6 CPU board modified in the described way will no longer work in any other games unless the modifications are "undone" (but the Leon test EPROM *will* work in a Firepower modified System6 CPU board!)

    If Firepower is to be run in a System7 CPU board, please see the section below. Using the Firepower EPROMs in a System7 board requires no modifications to the System7 CPU board, but it does require a different set of EPROMs than the System6 version.

    These instructions and version was created by Duncan Brown. Note there is also another version of this Firepower combo ROM concept out there called the "ZIG chip" (I believe developed by Tom Callahan). It is basically a slight hardware deviation of the same theme. The difference between the two methods is that the Brown method uses two diodes and a pull-up resistor, where the ZIG method just uses straight jumpers. Technically speaking, the ZIG method electronically should *not* work, but it does because of the nature of LS TTL chips. Most people use the ZIG Firepower method as it is simplier (though if the 74LS139 chip was replaced with a 74139, the ZIG method may no longer work!)

    Steps to modify a System6 CPU board a single 2732 Firepower EPROM at IC14:

    1. Verify that the System6 or System6a CPU board to be modified is currently working! DO NOT attempt this modification on a non-working or unknown system6 CPU board.
    2. Verify that IC15 is a 74LS139. If this chip is a 74139 (no "LS"), the "Duncan Brown" method will need to be used instead of the "ZIG" method documented here.
    3. Remove all Game ROMs (IC14, IC21, IC22, IC26) from their sockets.
    4. On the solder side of the CPU board at IC14 pin 21, cut a notch in the heavy circuit trace on both sides of the pin. Removing some of the existing solder on the trace may help. The idea is to get rid of the +5V connection from pin 24, while still leaving an intact solder pad at pin 21. Use a DMM and make sure pin 21 is isolated and disconnected from pin 24 of IC14.
    5. On the solder side of the board, run a small jumper wire from IC14 pin 21 to interboard connector pin 34 (seven interboard connector pins from the right). This brings address line A11 to chip IC14. Be sure to count the interconnector pins correctly, as the right most solder pad actually holds *two* pins, not just one!
    6. On the component side of the CPU board, install two jumpers or zero ohm resistors at jumper locations J3 and J4, just above ROM socket IC22.
    7. Program a 2732 with the ROM data listed above and install at IC14. If the game doesn't already have working 2716 green "Flipper" EPROMs at IC17 and IC20, of course install those too.

Modifications to the solder side of a System6 CPU board to use the 2732
Firepower EPROM at IC14. Note IC14 pin 21 is cut from the large trace
to the right and left of it (blue lines in the picture), and then a
jumper wire is run from IC14 pin 21 to the interconnector pin 34.

    In case there is a need to restore the board to standard System6 condition, do the following. Note if using Leon's test EPROM on a Firepower modified System6 CPU board, there is no need to "undo" the above changes, as Leon's test EPROM works fine with a modified System6 CPU board (since the above change only affects EPROM IC14).
    • Bridge a piece of wire with solder between IC14 pin 21 and pin 24, which is the heavy +5 volt trace.
    • Perform whatever J3/J4 jumpering and chip installations are required for the game the board is being used.

    The Duncan Brown Method.
    If for some reason the above "ZIG" method does not work, or IC15 is a 74139 (and not a 74LS139), a couple changes need to be made to the above modifications:

    • On the solder side of the board, install a 4.7K ohm, 1/4 Watt resistor between pins 20 and 24 of IC14. With the resistor leads bent at 90 degrees at a comfortable distance from the body of the resistor, they should line up at just the right spacing to solder one lead to each of those pins. Again, make sure not to short the pin 20 connection to the jumper wire at pin 21, or the cut trace edges around pin 21. This provides a pullup for the active-low chip select.
    • On the component side of the board, use 1N914 or 1N4148 diodes instead of jumpers at J3/J4, with the banded (cathode) end should be towards the TOP of the board for both diodes. This allows either of the two Game ROM address ranges to drive the active-low chip select.

    System6 CPU Board Jumpers.
    The are six jumpers on the System6 CPU board:

    • J3/J4 (to the right of IC15). These two jumpers determine the addressing of the ROM sockets at IC21,IC22,IC26.
        Default configuration with EPROMs installed and no PROMs: J3 INSTALLED, J4 REMOVED (except for Firepower, see above).
        If original PROMs are used at IC21,IC22,IC26: J3 removed, J4 installed (this is the factory default installation for Firepower using PROMs).
    • J1 (to the lower left of IC1) - default configuration: J1 INSTALLED. With J1 installed (and resistor R4 removed), the CPU can use either a 6802 or 6808 CPU processor. Having J1 removed and R4 installed (4.7k ohms), the internal RAM of the 6802 CPU is used. This disables the 6810 static RAM at IC13, allowing IC13 to be removed. If using a 6808 for IC1, J1 must be installed and R4 removed, and the 6810 RAM at IC13 must be installed, as the 6808 chip does not have onboard RAM (like the 6802).
    • J2 (to the right of IC30) - default configuration: J2 REMOVED. J2 jumpers the IRQ request outputs of the PIAs to the IRQ port of the CPU chip. This jumper is not installed because the Williams programming method is a "polling" scheme, and not an interrupt driven scheme. If they had redesigned the software to poll the PIAs, then they had this jumper available to implement this programming method.
    • J5 (to the right of IC11) - default configuration: J5 INSTALLED. J5 enables the Memory Protection circuit. Removing J5 disables the memory protection circuit. MIGHT BE HANDY FOR SYSTEM3/4 GAMES.
    • J6 (to the right of IC11) - default configuration: J6 INSTALLED. If J6 removed, this would halve the interrupt circuit timing from 1msec to .5msec, allowing for flexibility in using the board in another type of game.

A Firepower System6 CPU Board jumpered to use all six ROM socket, including
512 byte PROMs at IC26,IC22,IC21. This configuration was specific to Firepower
only, with it's original six ROMs installed. The "green" Flipper ROMs at IC20,IC17
are standard. The "gameROM" at IC14 is a 2316 ROM (or a 2716 EPROM).

System6 CPU Board jumper for a 2716 EPROM at IC14,
and no PROMs at IC21,IC22,IC26.

    System7 CPU Board Jumpers.
    After downloading the above EPROM files for any System7 games, the CPU board jumpers may need to be changed to reflect the EPROMs being used on the CPU board. Williams System7 CPU boards were used in games from Black Knight (1980) to Star Light (1984). All System7 CPU boards should use the same jumper settings for the EPROM chips and same size ROM chips, except for Hyperball, Defender and Star Light (these games require different System7 CPU board jumpers).

System7 CPU board jumper locations.
Picture by Ray.

    If swapping a CPU board from Hyperball/Defender/Star Light into any of the other system7 game (or vice-versa), the CPU board ROM jumpers need to be changed according to the table below (and the EPROMs will need changed too). The following table shows the setting for each jumper on the CPU board, dependant on the installation game (basically Hyperball/Defender, or any other System7 game).

    Note the following rules apply:

    • A setting of IN indicates jumper is installed.
    • As setting of OUT indicates jumper is removed.
    • Jumper settings left blank ("-") are unknown, or irrelevant.
    • Jumpers is BOLD are the jumpers typically changed when converting a CPU board from Hyperball/Defender/Star Light to any other System7 game.

System7 CPU Board Jumpers - Table data from R.Johnson
Jump# ROM Chip Description Hyperball/Defender/
StarLight
All Other Sys7 Games
    EPROMs used 2532 at IC14,IC17,IC20.
No IC26 chip
2716 at IC14,IC20,IC26.
2532 at IC17
3 IC14 $6000-$67FF OUT IN
5 IC14 $6000-$6FFF IN OUT
6 IC14 Connects CS2 (pin 18) to GND OUT IN
10 IC20 $6800-$68FF OUT IN
24 IC14 Connects CS2 (pin 18) to A11. IN OUT
26 IC20 Connects CS2 (pin 18) to GND. OUT IN
27 IC20 Connects CS2 (pin 18) to A11. IN OUT
28 IC20 $5000-$5FFF IN OUT
4 IC14 $6800-$6FFF OUT OUT
7 - IC7 inverter bypass from PIA 1 (IC18) - -
8 - IC7 inverter bypass from PIA 1 (IC18) - -
9 IC20 $7000-$77FF OUT OUT
11 IC17 $7000-$7FFF IN IN
12 IC17 $7800-$7FFF OUT OUT
13 IC26 $6800-$6FFF OUT OUT
14 IC26 Gated w/A11. $5000-$5FFF IN IN
15 IC26 $6000-$67FF OUT OUT
16 IC26 Connects A9 (pin 22) to 5vdc. OUT OUT
17 IC26 Connects A9 (pin 22) to A9. IN IN
18 IC26 Connects CS2 (pin 18) to 5vdc. OUT OUT
19 IC26 Connects CS2 (pin 18) to GND. IN IN
20 IC26 Connects Vcc(2) (pin 21) to 5vdc IN IN
21 IC26 Connects Vcc(2) (pin 21) to A9. OUT OUT
22 IC17 Connects A11 (pin 18) to A11. IN IN
23 IC17 Connects A11 (pin 18) to GND. OUT OUT
25 - Associated with IC36 sound PIA. - -
29 - IRQ/ST8 connection from PIA 5 (IC36) - -
30 - IRQ/ST8 connection from PIA 5 (IC36) - -

Changing CPU jumpers from a System7 Hyperball/Defender/StarLight to a System7
Black Knight. This includes installing jumpers 3,10,26 (blue wire wrap) and removing
jumpers 5,27,28 (red).

Changing CPU jumpers from a System7 Hyperball/Defender/StarLight to a
System7 Black Knight. This includes installing jumper 6 (blue wire wrap)
and removing jumper 24 (red).

    Using a 2732 EPROM in a System7 CPU board at U17.
    This will change a System7 CPU board from a 2532 to a 2732 at U17. Most system7 CPU board using the blue flipper ROMs have a 2532 at U17 and a 2716 at IC20, and two 2716 game ROMs at IC14 and IC26. 2532 EPROMs are sometimes hard to find, so many people want to avoid using them. A 2732 EPROM can be used instead of a 2532 at U17 if the following cuts and jumps are made:

    1. On the component side of the CPU board, remove jumper w22.
    2. On the component side of the CPU board, install jumper w23.
    3. On the solder side of the CPU board, cut the solder trace (5 volts) going to U17 pin 21 (this is the large trace directly above U17 pins 13 to 24).
    4. On the solder side of the CPU board, install a jumper wire from U17 pin 21 to the w22 jumper pad closest to U17 pin 1 (the pad with "22" next to it).

    Make sure to use the right w22 pad in step 4 above, otherwise it may short U17 pins 18 and 21. Also make sure to cut the trace clean in step 3, otherwise you may short 5 volts to ground.

The modification to a System7 CPU board to allow a 2732 at U17 instead of a 2532.

    Running System3 to System6 Firmware in a System7 CPU Board.
    By far the most versatile CPU board in the System3 to System7 era is the System7 CPU. It can run any System3, System4, System6 or System7 game firmware. It can also drive a six digit or seven digit master score display panel. So if there's one CPU board to have, it's the System7 board.

    The only caveat to this is System3 to System6 game firmware needs a special Flipper ROMs for the System7 CPU board. The two White (system3), Yellow (system4), or Green (system6) 2716 Flipper EPROMs need to be combined into a single 2532 EPROM, which will plug into socket IC17 on the System7 CPU board (the existing system7 Blue Flipper ROMs will not work with the older system3 to system6 games).

    The stock System3 to System6 2716 Game ROM (IC14) can be used on the System7 CPU board at IC14 (the only except to this statement applies to Firepower, see below). All other EPROMs should be removed from the System7 CPU board. The best part is no System7 CPU jumpers need to be changed for this configuration (assuming the System7 CPU board is set for any game other than Hyperball/Defender).

    For example, to combine the two "Green" 2716 Flipper EPROMs into a single 2532, the following MS-DOS command can be executed:

      copy /b grn1ic20.716 + grn2ic17.716 grn_ic17.532
      
    This MS-DOS command does a binary copy of the Green1 (IC20) Flipper ROM, adding to the back of it the Green2 (IC17) Flipper ROM, and putting the two separate 2716 files into a new combined 2532 file. The same thing can be done for the White and Yellow flipper ROMs, and for the special World Cup Flipper ROMs. If preferred, these files have already been copied and can be downloaded by clicking here: System3 to System6 Flipper ROMs for the System7 CPU. Again remember, the stock System3 to System6 2716 Game ROM (IC14) can be used on the System7 CPU board at IC14 (the only except to this statement applies to Firepower, see below).

    Using the Firepower EPROMs in a System7 CPU Board.
    To do this, download this special ZIP file Firepower for System7. The combination 2532 Green Flipper EPROM will install in the socket IC17, just like any other System6 game. Two other 2716 EPROMs need to be installed at IC14 and IC20. That's all that needs to be done (no jumper modifications), and Firepower will work on a System7 CPU board jumpered for any game other than Hyperball/Defender.

    For the technically oriented, the System7 EPROM configuration uses the original 2716 System6 IC14 Firepower EPROM on the System7 CPU at IC20. The new System7 2716 IC14 EPROM is a binary copy of the three original 512 byte PROMs (that lived at IC21+IC22+IC26 on the System6 CPU board). And of course the 2532 Flipper EPROM at System7's IC17 is a binary copy of the two original "green" Flipper EPROMs, as described above.

    System6 and System7 Sound and Speech Board Jumpers.
    The sound board used from Gorgar onward supported just sound, or sound and speech. The sound ROM was used on the sound board at location IC12, and produced generic game sounds. This was usually labeled "Sound1" or "Sound2", up to "Sound5", or had a color associated with it (white or blue), depending on the game. The speech board (smaller board with more ROM sockets, attached to the sound board with a ribbon cable) also has its own set of ROMs, usually 2716 or 2532 EPROMs. When replacing any of these ROMs with standard EPROMs, or moving the sound and/or speech board to different games, the sound board jumpers may need to be changed. Below is a list of jumper settings for various games and types of sound EPROMs used.

System6/7 Sound Board Jumpers
Applies only to the Sound board and not to the Speech board.

Table data from Williams
Jumpers Used Sound
ROM Type
Board
Format
Games Used In
W2,5,7,9,10,15 2K x 8
2516/2716
Sound&
Speech
Pinball: Gorgar, Blackout, Firepower, Black Knight, Jungle Lord, Pharaoh
W1,2,5,7,9,10,15 2K x 8
2516/2716
Sound
only
Pinball: Defender, Solar Fire, Barracora, Stargate, Cosmic Gunfight, Varkon, Time Fantasy.
Video: Defender.
W1,3,5,7,10,14,15 4K x 8
2532
Sound
only
Pinball: Hyperball*.
W1,3,4,5,7,10,15 4K x 8
2532
Sound
only
Pinball: Joust
Video: Joust, Robotron, Bubbles, Sinistar (cockpit rear sound only).
W3,4,5,7,10,15 4K x 8
2532
Sound&
Speech
Video: Sinistar (upright & cocktail)
W1,2,4,5,7,10,15 2K x 8
2516/2716
Sound
only
Video: Warlok
W1,3,6,7,9,11,12,15 512 x 8
7641
Sound
only
Shuffle Alley: Big Strike

* Hyperball sound board note: The above information is different than the information which came from Williams. But the above jumpers have been confirmed as correct! Note a 6802 sound board processor can be installed and the old 6808 and 6810 RAM (IC11) removed. To do this, a trace must be cut on the back of the board below R30. It looks like Williams had a bit of a conflict of interest here because the pull-up resistor is in place for the processor swap but the resistor is permanently grounded until the trace is cut.

System6 and System7 Sound Board Jumpers.

System6/7 sound board jumpered WITH pinball speech: W2,5,7,9,10,15.
Jumpers shown in blue circles. To convert to no speech on all system6/7
pinballs except Joust, just add jumper W1.

    System3/4 Sound Board Jumpers.
    The only jumpers on the system3/4 cabinet mounted sound board relate to the type of ROM/EPROM used on the sound board. From the factory most of these sys3/4 sound boards came with a 2316 ROM or 2716 EPROM (2048 bytes), but some also came with a 7641 (512 byte) PROM. In order to use a 2716 in place of a 7641 PROM, either the sound board jumpers need to be changed, or the 2716 slightly modified (bend-up 2716 EPROM pin 21 only, and solder a jumper wire from this pin to EPROM pin 24, which is not bent-up). But here's the jumper table (note the orientation of the jumpers, along the bottom edge of the sound card from left to right are J11,J12,J14,J13,J16,J15,J17,J18):

    • 7641 PROM (512 bytes) at IC2: J11,J14,J16,J18 IN.
    • 2316 ROM or 2716 EPROM (2048 bytes) at IC2: J12,J13,J15,J17 IN.

    CPU Board DIP Switches - Reseting Audits and Factory Settings.
    On all system3 games (pinballs with "white Flipper ROMs" installed), the CPU board uses two banks of eight DIP switches. The lower bank and some of the upper bank DIP switches controls the game's adjustments (such as number of coins for play, etc.) and audits. Three upper bank DIP switches allows the operator to zero audit, restore factory settings, and to run the auto-cycle diagnostics. Starting with System4, DIP switch game adjustments were abondoned, and all adjustments were done through software using the coin door's "advance" switch (and the audits/adjustments were stored in CMOS memory). The DIP switches were basically ignored after system3.

    If running a system3 game on a later system7 CPU board, DIP switches are still used (as the software is written for DIP switches). This is important to keep in mind since many system7 CPU boards do NOT have the DIP switches installed (though the user could install them on the board).

    If running any system4 to system7 game on any CPU board, all 16 DIP switches on the CPU board should be set to OFF (right most position). The game isn't using these anyway, but it's just a good idea to set them all to 'off'.

    System3 to System7 games did use the three upper switches of the 16 DIP switches (switches 8,7,6 on the upper DIP switch bank). These were used for zeroing the audit totals, restoring factory settings, and auto-cycling mode (frankly zeroing audits and restoring factory setting can be done easier by just removing the AA batteries in the battery holder for 10 seconds).

    Here are the system3 to system7 DIP switch reset/auto-cycle options. All upper bank CPU DIP switches assumed to be OFF (or to the standard game settings on system3), except as noted below. Again, I don't find this particularly useful (or easy to use!), but here it is:

    • Upper DIP bank Switch 8 ON = Zero Audit Totals.
    • Upper DIP bank Switch 7 ON = Restore Factory Settings.
    • Upper DIP bank Switch 6 ON = Auto-cycle Diagnostic Mode.

System3-System7 zero audits, restore factory setting, and auto-cycle
diagnostics DIP switch settings.

    To activate any of the above, follow these steps:

    1. With the game in attract (game over) mode, set the coin door Auto-up/Manual-down switch to Manual-down.
    2. Press the Advance button, keeping the coin door open.
    3. On the CPU board, set all three of the upper bank "master command" DIP switches (#8,7,6) to OFF (to the right).
    4. Set the ONE desired upper DIP bank (master command) DIP switch to ON (move to the left), from the above list.
    5. Press the Master Command momentary switch on the CPU board. This is the upper push button switch, above the diagnostic switch. The CPU board's LEDs should turn on as the Master command switch is momentarily pressed in.
    6. Turn the game off and back on TWICE to return to game over (attract) mode.


2i. Before Turning the Game On: Driver Board Checks & Upgrades (Burnt Resistors, etc.)

    This information applies to all system3 to system7 driver boards (with the exception of Hyperball, which used a unique driver board).

    Lamp Matrix Power Resistors.
    The power resistors in the lower right corner of System3 to System7 driver boards are often burnt to the point of failure. The original System3 driver boards used 2 watt resistors, which were later (System 4) upgraded to a 3 watt variety. But this is still not enough. These 27 ohm resistors are used for the CPU driven lamp matrix. The game software often did not strobe these feature lamps while in attract mode. This caused the resistors to get very hot, to the point where they can crack or even desolder themselves from the driver board.

    The other problem of the 27 ohm resistors relates to CPU lock ups. If the CPU board locks up (Scanbe sockets strike again!), the lamp matrix voltage will no longer strobe. This will definately heat up those resistors enough to desolder them from the driver board.

27 ohm 3-watt R149-R156 resistors that need to be replaced
with 5-watt versions on the Driver board (Black Knight).
To the left of the large resistors are the eight TIP42 lamp
matrix transistors.

    To fix this problem, a couple things can be done. First, replace these eight driver board R149-R156 resistors with 27 ohm 5 watt sand or ceramic wire wound resistors. Also make sure to install the new resistors about 1/4" off the circuit board to allow better air flow around them. Another good idea is to use #47 light bulbs for the feature lamps, as this will decrease feature lamp power consumption by about 40%!

    Yet another option to fix the burnt resistors is an idea documented by C.Eddy. He replaces the eight TIP42 lamp matrix transistors (Q63, Q65, Q67, Q69, Q71, Q73, Q75, Q77) with IRF9z34N mosfets. The MOS-FETs are installed oriented just like the TIP42 transistors. And the mosfets only need a tiny amount of current to drive them (compared to the TIP42 transistor), hence the large power resistors at R149-R156 never get hot. Because of this there is no need to replace the large resistors (the old burnt ones can be left installed, unless they are open). Heck if the TIP42s are replaced with Irf9z34n mosfets the power resistors R149-156 can even be replaced with jumper wires or zero ohm resistors.

Resistors R204-R211 replaced with wire wrap jumpers. Alternatively the original
resistors could stay in the board, and the jumpers go over the resistors. This
could save any potential damage to the driver board when trying to remove
the original resistors.

    System3 to System6 Driver Board Switch Matrix Jumper Upgrade.
    Since the driver board is already removed, it's a good idea to upgrade System3 to System6 driver boards to be upward and downward compatible from System7 to System3. To do this, replace the 1000 ohm (system3) or 330 ohm (system 4-6) resistors R204-R211 in the upper right hand corner with zero ohm jumpers. System7 driver boards already have this modification done.

    The decrease in these switch matrix resistor ohms was done to increase the current drive through the switch matrix. For example, if a switch or connector was dirty and had slight resistance, the switch could still be sensed by the CPU/Driver board.

    There is a rumor that using a jumpered system7 style driver board in a System6 or earlier game may result in random switch closures during game play. This does not seem to be the case (but keep it in mind if having random switch closure problems). One thing for sure though is using a non-jumperd System3 to system6 driver board game in a System7 game will definately result in switch closures being missed.

    Part of the problem Williams was having with switches was due to an assembly mistake, which started in the mid-1970s (pre-solidstate). It turns out Williams was assembling one of the pair of leaf blades backwards. This was not a huge deal with Electro-Mechanical (EM) games, but with solidstate games, it was a BIG problem. Because solidstate games use low voltage (5 volt) switches (unlike EM games in which all switches were high voltage 28 volts), the contact rivets are gold plated to help keep them clean (gold is a non-corrosive metal). But because one of the switch blades was reversed, a gold plated switch rivet made contact with a gnarley rough non-gold plated switch rivet. Problems occurred mainly with any switch where a ball "sat", like the ball trough, lock or kickout hole. This mistake was not realized until the Firepower era, and Williams offered retrofit kits for Firepower and Black Knight ball troughs using microswitches to fix the problem.

    Replace the Driver Board Female Interconnector Pins.
    As described in the burnt connector and random reset section, the 40 pin female interconnector on the driver board should be completely replaced. This is VERY important!! Do NOT skip this step! These pins are rated for "25 cycles" (25 board removal and insertions) before their plating is worn and their tension diminished. And in the high vibration pinball environment, the cycle life is much lower. For reliable game operation, the driver board's female interconnector must be replaced.

    Resolder the Header Pins.
    While the driver board is out of the game, it would be a good idea to resolder all the male Molex .156" header pin connectors around the edge of the driver board. Because of vibration and board flex (when the driver board is removed from the CPU board), often the header pin solder joints crack. This can give intermittent connections. Also now is a good time to inspect all the male header pins. Any that are burnt or tarnished should be replaced with new .156" Molex header pins.

Driver Board Connectors and their related functions.

    The best way to resolder the header pins is to first *remove* the original solder. This can be done quickly with a desoldering tool, as documented at marvin3m.com/begin. It really is a good idea to remove the old solder, and then resolder the header pins with fresh solder. I know most people won't do this (instead they'll just reheat the solder joint, and maybe add a touch of new solder). But to do this right, the old solder should be desoldered, and new solder added (the old solder can have a hard time sticking to the header pins when just reheated).

Give the driver board a good visual inspection. In this picture, do you see the
physically blown 7408 driver chip? It can be counted on that the 2N4401
pre-driver and TIP120/TIP102 driver transistors are blown too! Just hope the
IC5 solenoid PIA chip survived.


2j. Before Turning the Game On: Testing Driver Board Transistors.
    Since the driver board is already out of the game for the other upgrades and modifications, it is a good idea to check all the transistors with a DMM (Digital Multi-Meter). This only takes a few minutes, and will save much trouble down the road if a transistor is found faulty here.

    Driver Board Transistors.
    By far the most commonly used transistor on the driver board is the TIP120 (along with its 2N4401 pre-driver transistor). It is responsible for driving all the solenoids. Also used is the TIP42, for the Lamp matrix column drives. The 2N6122 (TIP41) transistor is used for the Lamp matrix row drives, and the small 2N6427 transistor is used for overcurrent protection in the lamp matrix. There are some 2N5060 Silicon Controlled Rectifiers (SCRs) used too.

    Important Note: Testing transistors (or chips) using the methods below does not give 100% proof that the component is good or bad! It's probably about 95% accurate, but it is not 100% accurate.

    All transistors are tested using the diode function of a DMM (Digital Multi Meter).

    Testing the TIP120 (or TIP102).
    This is the solenoid driver transistor. Always replace a TIP120 with the more robust TIP102.

    • Black DMM lead on metal tab (or center leg).
    • Red DMM lead on either leg.
    • .4 to .6 volts seen.

    Testing the 2N4401.
    This is the pre-driver for TIP102 (or TIP102). Note if testing the 2n4401 "in circuit" (installed in the driver board), this transistor can test as "bad" (yet still be good), if it's controlling TTL 74xx chip is bad (which is actually fairly common).

    • Red DMM lead on center leg.
    • Black DMM lead on either leg.
    • .4 to .6 volts seen.

    Testing the 2N6122 or TIP41 (TIP41 is a sub for the 2N6122).
    This is the lamp matrix row transistors.

    • Orient the transistor's writing facing towards you.
    • Read DMM lead on the *left* leg (base) of transistor.
    • Red DMM lead on the center (collector) leg (or metal tab), .4 to .6 volts seen.
    • Red DMM lead on the right (emitter) leg, .4 to .6 volts seen.

    Testing the TIP42.
    This is the lamp matrix column transistors.

    • Orient the transistor's writing facing towards you.
    • Black DMM lead on *left* leg (base) of transistor.
    • Red DMM on center leg (or metal tab), .4 to .6 volts seen.
    • Red DMM on left leg, .4 to .6 volts seen.

    Testing the 2N6427 (or MPSA14 or NTE46).
    This is the pre-driver for 2N6122/TIP41 and TIP42 transistors.

    • Red DMM lead on middle leg.
    • Black DMM lead on right leg, 1.0 to 1.3 volts seen.
    • Black DMM lead on left leg, .6 to .8 volts seen.

    Testing the 2N5060.
    This is the pre-drivers for the lamp matrix, S1-S8.

    • Red DMM lead on middle leg.
    • Black DMM lead on right leg, .5 to .7 volts seen.
    • Black DMM lead on left leg, .9 to 1.1 volts seen.

    The Coil Diodes and Why they are Important.
    After testing all the driver board transistors, it is important to examine all the coils in the game. If any of these coils has a bad diode, this can almost instantly kill its associated driver transistor! The coil diode prevents a coil's collapsing voltage from "backwashing" to the driver board, damaging the driver transistor.

    Since you spent the time to test/replace the bad driver board transistors, it only makes sense to also check for bad coil diodes. Since these 1N4004 diodes are mounted right to the coils under the playfield, vibration can crack or damage them.

    The best way to test a coil diode is to just grab the diode by its body with the forefinger and thumb, and gently give it a pull. If the diode has a cracked body or broken lead, it should be pretty easy to see.

The 1N4004 coil diode mounted on a Firepower slingshot,
showing the proper orientation of the diode and power wires.

    Testing 1N4001/1N4004 Diodes on Coils, Lamp Sockets, Switches, Etc.
    This test applies to all 1N4001 to 1N4007 series of diodes. When mounted on coils or lamp sockets or switches, one end of the diode should be removed, so the diode is tested "out of circuit". On circuit boards, this is usually not required. DMM set to the diode function:
    • Turn the game off.
    • Unsolder or cut one end of the diode from the coil, lamp socket or switch.
    • Use a DMM set to the diode function.
    • Put the blank DMM lead on the banded side of the diode.
    • Put the red DMM lead on the NON-banded side of the diode.
    • .4 to .6 volts should be seen.
    • Reverse the DMM leads, and a null reading should be seen.
    • If these values are not seen, replace the diode with a new 1N4004 diode.

    In all situations, remember to mounted the new diode correctly. For example, on coils, install the diode with the diode's band on the power lug of the coil. It usually pretty easy to tell which is the power lug of a coil. The power wire, which daisy chains from coil to coil, is usually the thicker wire on a coil lug. The banded lead of the 1N4004 diode should be connected to the coil lug with this thicker daisy chained power wire attached. The non-banded end of the diode attaches to the coil lug with the thinner wire, which leads to the driver board transistor, and ultimately ground.


2k. Before Turning the Game On: General Illumination Connectors (Burnt GI).

    Burnt General Illumination (GI) Connectors on System3 and System7.
    As a continuation of the power supply section, one problem that plagues Williams machines Hot Tip/Lucky Seven (System3) and System7 and later is burnt GI (General Illumination) connectors. The GI connectors that burn are the ones going from the transformer to the power supply, and from the power supply to the backbox/playfield, as seen on System7 games, but *not* System3 (except Hot Tip/Lucky Seven) to System6 games. Hot Tip and Lucky Seven System3 power supplies used .156" header pins on the power supply board for the GI connectors. System7 machines routed the GI power through a round two pin connector on the power supply board, and back out through a .156" header pin connector. Because of this, System7 and early System3 GI connectors tended to burn very early in their life. This is unlike (later) System3 (World Cup) to System6 machines which had the GI hard wired right to a fuse card, which really prevented the burnt GI connector problem fairly well.

    To fix burnt GI connectors, they must be replaced completely. That means both the circuit board mounted connectors AND the wire mounted connectors. The output GI connector, a straight .156" header, is no problem (part number listed above in the non inter-board connector section). Just make sure to use Trifurcon pins for the wire mounted connector (they have greater surface area, and last longer than standard pins), and a new square 9 pin .156" header for the circuit board.

    Note on system7 games there is often a connector the breaks the GI playfield wiring harness for removal of the backbox. This connector will usually have 6.3 volt AC yellow and purple wires, and white wires with yellow and purple traces. Also sometimes this connector will have 12 volts DC too - this powers any under-playfield GI relays (if the game uses them).

    The Single Pin Cabinet/Backbox G.I. Connector.
    On system3 to system6 games, there is a single pin connector in the wiring harness that connects the backbox GI fuse to the playfield (this connectors allows the backbox to be removed from the game). Often this single pin connector can also burn, since all the playfield GI lamp power goes through this. ADD PICTURE

The GI relay on BlackOut, Scorpion, & early Black Knights
with System6 power supplies is located next to the lamp
matrix capacitor in the bottom of the backbox. The yellow
wires are the GI power wires, which attach to the contacts
on the relay, and open/close, turning the GI off and on, as
required by the game. The relay's red/black wires go to the power
supply board connector 3J7, and provides power/ground to
energize the relay, via a driver transistor on the driver board.
Picture by Mark.

    Other Hot Tip/Lucky Seven and System7 General Illumination things to check:
    • Using a DMM set to AC volts, check for 6.3 volts AC right at the transformer. The yellow and yellow/white wires are the General Illumination wires. Put a DMM lead on the yellow transformer wire, and the other DMM lead on the yellow/white wire.
    • Measure the GI's 6.3 volts AC at the power supply input plug (two pin plug at the lower right).
    • Measure the GI's 6.3 volts AC at the power supply fuse (the fuse is good, right?).
    • Measure the GI's 6.3 volts AC at the power supply output plug (the nine pin .156" molex plug at the lower right, next to the 2 pin plug).
    • If there is GI power at the input power supply GI plug, but nothing at the output GI power supply plug, the GI relay (mounted on the power supply with System7, or on the backbox's bottom floor on BlackOut & Scorpion and early Black Knight games next to the lamp matrix capacitor) could be the problem. To check this, disconnect the relay connector; if the relay is shorted/seized (or the driver board transistor/circuit that turns the relay on has failed), the GI lights should come on. On System7 games, this is the power supply connector 3J7. On BlackOut, Scorpion and Black Knights with System6 power supplies and the GI relay on the backbox floor, just remove the black/red connector from the wiring harness.
    • Many system7 games also have 12 volt DC G.I. relays under the playfield (or even on the insert panel of the backglass), so the CPU board can toggle a particular G.I. playfield string on and off. These relays have five lugs (center lug unused). One side of the GI string is interrupted by the relay, so two solid yellow or purple GI wires go to the relay. The other two lugs are 12 volts power and the 12 volt ground path back to the driver board TIP122 transistor. When the relay is not energized, the G.I. relay's switch is normally closed, allowing G.I. power to pass through the relay. Often the problem with no G.I. is the lug connectors on these G.I. relay(s). Recrimp new lug connectors or squeeze the old ones with pliers for a better connection.

System7 (Black Knight) General Illumination connectors. The two pin plug on the
right is the GI coming into the power supply from the transformer. The .156" header
pin connector on the left is the GI coming out of the power supply board. The fuse
is the GI fuse. Note the owner repair made with the added wires, because these
connectors burned. Note the GI relay can be barely seen above the fuse.

    On System7 power supplies, the two pin input GI connector is more troublesome, because it is an older Molex part (as seen on the right in the picture above). The power supply mounted male two pin Molex part number is 15-31-1026 (specs here), and has solid pins to withstand heat better. The female plastic wire mounted housing is Molex part number 19-09-1026 (specs here, see page two). The plastic housing uses standard female Molex .093 diameter series terminal pins, series 1189, part number 02-09-1104 (tin contacts) (specs here). Mouser.com claims to handle these parts.

    To summarize, get these parts to repair the GI connectors on Hot Tip/Lucky Seven and System7 power supply board:

    • .156" header pins with lock (9 pins), part# 26-48-1095 (Mouser).
    • .156" Trifurcon pins (three wipers): Molex part# 08-52-0113 (tin plated phosphor bronze) or 08-50-0189 (tin plated brass), for 18 to 20 guage wire. Digikey part# WM2313-ND. Mouser and Competitive Products (#06-2186) also sells these.
    • .156" white housings (9 pins), part# 09-50-3091 (Mouser)
    • PCB mounted two male pins, Molex part number 15-31-1026 (not needed for Hot Tip/Lucky Seven).
    • Female plastic wire mounted housing, Molex part number 19-09-1026 (not needed for Hot Tip/Lucky Seven).
    • Female Molex .093 diameter terminal pins, part number 02-09-1104 (not needed for Hot Tip/Lucky Seven).

    G.I. Relay Replacement.
    If the G.I. relay has failed or burned, a replacement PC poard mount 24 volt DC 10 amp DPDT relay can be used. The original is a Guardian Electric 1395P series, and a Mouser equivelant is the NTE R14-11D10-24. Just make sure to get a DC coil relay and (not the AC). Playfield or backglass insert G.I. relays are 12 volt DC 10 DPST relays.



3a. When Things Don't Work: Power On, Funky Score Display Numbers (Battery/5101 RAM Problems)

    Dead batteries (or worse, dead corroded batteries) will cause problems getting a system4 to system7 game to power-up properly. On these games, if the batteries are dead, the game can still boot, but will come up in "audit" mode (system3 games do not have this boot-up audit mode). To get to attract mode, turn the game off and on again quickly. If done fast enough, the game should come up in attract mode. Note on System6 and System7 games, the coin door *must* be open for this to work (memory protection switch open).

    If the game still doesn't come up in attract mode, even with the "turn it off and on quickly" trick, the CMOS 5101 RAM chip at IC19 is probably bad.

    Please refer back to the Batteries and Battery Holders section for more information on this subject, including how to test the batteries, blocking diode D17, and the CMOS 5101 RAM at IC19.

    Booting into Audit Mode Explained.
    On system4 to system7 pinballs all the game's options and audits are stored in CMOS memory. If the batteries are dead, or the battery holder is damaged, or the blocking diode D17 has failed, or there's a bad IC19 RAM 5101 chip, or battery corrosion has damaged the CPU board, the game will power up into "audit mode". Audit mode is shown in the picture above, and is saying that the game has lost its CMOS memory, and there's a problem. It's a big red flag when the game is turned on, since the game goes into audit mode instead of attract mode (game over mode). Operator assistance required!

AUDIT MODE:
On system4 to system7 games, the dreaded audit mode.
A Firepower powered-on with dead batteries and/or a
dead IC19 5101 RAM chip, booting into audit mode.
Audit "00" shows the game number (#497) in the
player one score display, the operating system revision
(the preceding "1", meaning "green" flipper ROMs, where
"blue" flipper ROMs have a "2", and yellow flipper ROMs
have a "0"), and the software revision (version "2")
next to the game number. The "00" in the ball-in-play displays
shows audits number zero, and "04" in the credit window
indicates audits (remember "01" is lamp test, "02" is
solenoid test, and "03" is switch test).

    In audit mode ("04 00" in the credit/ball-in-play display, where "04" is audits, and "00" is the first audit number), the numbers shown in the player1 score display are the value for the audit number shown in the ball-in-play display. For audit "00", which is the software identification audit, the last number is the game's current software revision number (version 2 in the above picture). The middle three numbers are the game number (i.e. 497 is Firepower; see the Game List section for all the game titles and game numbers). And the first number determines the "flipper ROMs" version installed. Remember Williams used a color coded system:
    • 0 = Yellow Flipper ROMs (system4)
    • 1 = Green Flipper ROMs (system6)
    • 2 = Blue Flipper ROMs (system7)

    These software identification numbers made it easy to see if the wrong Game and/or Flipper ROM software was installed in the machine.

    Note the lack of a code for White flipper ROMs (system3). This is because the boot-up "software versions" was not implemented until System4 and the Yellow flipper ROMs, when adjustment were also stored in memory (system3 used DIP switches for the adjustments). Williams did the audit mode routine to show instantly upon power-on that the game's adjustments/audits were lost, and that the batteries needed to be replaced. The main reason this was done was to protect the game from having garbage in an adjustment that may put the game into free play (or some other equally accidental bad mode), since now all the game's adjustments were store in memory instead of being "hardcoded" with DIP switches. With system6 and its memory protection circuit/coin door switch, it also keep miscreants from drilling through the bottom of the game and activating the switches to change the settings (like one quarter equals 25 credits!), since the coin door now had to be open to change an adjustment/audits.

A system3 game (Hot Tip) with dead batteries booting into audit mode.
Here the audit number is in the credit window ("01"), the audit mode ("04")
is in the ball-in-play window, and the value for the first audit ("090000")
is in the player1 score window.

    On system3 games, a dead battery or failed CMOS memory still comes up in audit mode, but there is no indication of software revisions. The audits in system3's white flipper ROMs looks a bit different too, with the audit number in the credit window, and the "04" (to signify audits) in the ball-in-play window (this was reverse of system4 to system7), and the audit value in the player1 score display. If the manual-down/auto-up switch is in the auto-up position, the game rotates through all the audit numbers automatically also.


3b. When Things Don't Work: Fixing a Dead CPU (LED code, Test EPROM, Blanking)

    For info on the Blanking signal, chick here to jump down to that section.
    For info on the Leon's Test chip, chick here to jump down to that section.

    Introduction to CPU/Driver Board Repair.
    The System3 to System7 CPU/Driver board combo are a real circuit board design nightmare. After spending a great deal of time fixing 1977-1985 Bally/Stern pinball and Gottlieb System80 machines, I would personally have to say the Williams System3 to System7 games are way worse than 1977-1985 Bally games (Williams sys3-7 is tied with Gottlieb System80, or maybe is even worse, thanks to all the bad Scanbe sockets and 40 pin interconnector!)

    System3 to System7 games were designed so that a field tech would only have to swap out a failed board, and then send the board to the distributor for repair. The boards were not designed to be diagnosed and fixed on location. Looking at the Williams "repair" manuals, the instructions tell pretty much only how to pinpoint which board is bad. The final "fix" of most repair steps in a Williams manual is to "replace the board". Unlike more recent games which report many problems, early Williams board provided little diagnostic help. This was unlike the approach Bally took with their famous "seven flashes" diagnostic system (which makes component level repair pretty easy).

    Where Bally took the approach that the boot-up diagnostics were very important and game diagnostics were not, Williams took the opposite approach that boot-up diagnostics were *not* important but game diagnostics were! Hence 1977-1985 Bally games have the famous power-on seven flash test, but don't really have a lamp, display, coil or switch test. Williams system3 to system7 games have basically no significant power-on test indicator, but do have good versions of lamp, display, coil and switch tests (assuming that the Williams game in question will boot up properly!)

    Initially, when these games were new, Williams pinballs were dependable, about as good as Bally games (and better than Gottlieb' system80). But after a few years, as the Scanbe sockets got old and the 40 pin interconnector wore, dependability of these games made them way worse than Bally (and probably on par with Gottlieb). And with no power-on indicator system like Bally had, operators didn't even know where to start with a Williams repair.

    It's not that the Williams system is "hard" to fix, it's just time consuming. Where the Achilles' heel of the Bally system is battery corrosion and Gottlieb had board connector and ground issues, Williams System3 to System7's Achilles' heel is the design of the boards themselves. Passing address and data lines over a 40 pin .156" Molex interconnector is a bad idea. If *any* address or data line drops out for even a millisecond, the whole game locks up. Same thing with the Scanbe sockets; if a single pin become intermittent on any Scanbe socket, the game locks up. Add vibration to the mix, and things only get worse. Having some PIAs on the CPU board and some PIAs on the driver board forced the address and data lines to cross the two boards at this Achilles' heel (the 40 pin interboard connector). And if the game locks up when a coil is energized, that can take out more components on the driver board, making the repair even worse.

    Also some components on the Williams System3 to System7 boards are obsolete and unavailable. For example, the System3/4 clock chip (MC6875) is obsolete and impossible to find. This is the companion clock chip to the 6800 CPU processor. Luckily, the MC6875 doesn't fail too often. Also the 8T28 and 8T97 chips are discontinued (there is a work arounds for most of those). But this is why many repair facilities will not repair Williams System3 or System4 CPU boards.

    To make matters even worse, the software contained in the "flipper ROMs" (essentially the operating system) adds to the problems. If any of the PIAs can not be found in the exact state the software expects, this locks up the software, and hence the entire game. So say the solenoid PIA is partially dead (common, because of a locked-on driver transistor which cascaded back to the PIA and damaged it). This may make a coil or two not function. That's fine; the game maybe could still be operated and played without a bumper or two. But instead, the whole game locks up and becomes useless. And because the CPU is locked up, diagnosing the problem becomes very difficult too.

    To add insult to injury, the driver board is an integral part of the CPU board. That is, the CPU board will *not* run without a functioning driver board attached! (Unless a special test EPROM is used, which has only recently became available.) So the whole theory of spliting the system into smaller components (a separate CPU and separate driver board) for easier diagnostics is missed*. The two boards need each other, and are linked together through the incredibly stupid and troublesome .156" 40 pin interconnector. This is unlike Bally and Gottlieb, where their CPU boards can be run independently of the driver board, making diagnosing problems much easier, since the system can be broken down into smaller, more managable pieces.

    * Note there is a trick that allows the Williams CPU board to (semi) boot without the driver board. The driver board can be completely removed from the game, and the CPU board booted. If the CPU board is OK (trying to run), the two CPU LEDs will blink on, then go off, and then come on steady (since the CPU board is looking for the Driver Board). If installing the Driver Board locks the CPU (LEDs steady on, no blinking at bootup), then the CPU board is probably Ok (and there's problems on the Driver Board.) On a system7 CPU board, if the CPU were OK (or trying to run) the Numeric Led would blink �0�, go off and come on steady (looking for the Driver Board). If putting the Driver Board back in locks up the game ("0" steady on), then there are some problems on the Driver Board

    The Internal System3-System7 Diagnostic Firmware.
    AKA, this is NOT "Bally World".

    Lastly (really I promise!), the System3 to System7 internal diagnostic software is very limited. Remember the Bally power-on LED flash test, and how nifty that is at helping identify bad CPU board components? Well unfortunately, there is nothing like that in the Williams' firmware. Either a Williams system3 to system7 CPU/driver board boots, or it does not. There's not much middle ground here. The Williams' LED(s) at boot up provide some very basic information, but nothing like the information a Bally MPU LED provides. Yes there is a diagnostic test switch SW1 on the Williams CPU board. But in order for this test to work properly, the CPU board has to be successfully booted and running! But if the CPU board has successfully booted, the need for this test is really quite limited.

    To make matters even worse, the diagnostic SW1 test, even on a working CPU board, can confuse even a veteran user. The diagnostics are a memory test only, and tests the CMOS RAM IC19 (5101) and the two static RAM chips (IC13/IC16). But the static RAMs IC13/IC16 rarely die. And the user will already know if the CMOS 5101 RAM is dead well before the diagnostics are run. If the game boots into "audits" mode, and the CPU batteries are good, it's 99% for sure the 5101 RAM is dead.

    Also, even if the CPU board has seemingly "booted correctly", the flipper ROMs IC17 and IC20 can still have problems. These two ROMs hold the diagnostic code, and if one of these ROMs has a problem, false indications can result from the SW1 diagnostic switch (but usually the CPU board didn't boot anyway and the LEDs are indicating a locked-up board, and these two ROMs don't even get a chance to start working).

    To make matters worse, the diagnostic LEDs just tend to confuse the newbie repair person. For example, the CPU board does not boot, but the user presses the diagnostic switch SW1 anyway. The LED reports back the suspected failed component. But that's the problem... since the CPU board never booted properly, the output from the diagnostic test CAN NOT be trusted! What ever the test indicates is surely incorrect, and the newbie is replacing good CPU board components, based on the failed/incorrect test results (I believe this is called, "chasing one's tail"). This is especially a problem if the newbie came from "Bally world", where Bally's LED actually has good boot-up component diagnostic results.

    The bottom line is this: if the Williams System3-System6 CPU board's LEDs lock-on at power up, the CPU board is not working! Likewise for System7, if "0" comes on immediately at power-up, the CPU board is not working. Why that is happening, well, you're on your own to figure it out! Because the Williams diagnostic firmware is *not* going to help.

    OK, So That's the Bad News. What's the Good News?
    The good news is fixing a dead Williams CPU/Driver board is pretty systematic. The same things seem to cause the same problems, and it doesn't stray too far off this path too often. The bottom line is this: all the CPU board and driver board Scanbe sockets need to be replaced. Change the flipper ROMs and gamerom to EPROMs, to use less chips/sockets and to replace the old and undependable original ROM chips. The 40 pin female interconnector needs to be replaced. The CPU board's 5101 RAM at IC19 dies often. The driver board's solenoid and switch matrix PIAs die. Sure lots of other things can and do happen, but that's the majority of the CPU/driver board problems!

    Again, use the simple test to trick the Williams CPU board to (semi) boot without the driver board. The driver board can be completely removed from the game, and the CPU board booted. If the CPU board alone comes on with both LEDs on (no blinking), then the CPU board is faulty. If the CPU board is OK (trying to run), the two CPU LEDs will blink on, then go off, and then come on steady (since the CPU board is looking for the Driver Board). If installing the Driver Board locks the CPU (LEDs steady on, no blinking at bootup), then the CPU board is probably Ok (and there's problems on the Driver Board.) On a system7 CPU board, if the CPU were OK (or trying to run) the Numeric Led would blink �0�, go off and come on steady (looking for the Driver Board). If putting the Driver Board back in locks up the game ("0" steady on), then there are some problems on the Driver Board

Getting Started on Fixing the CPU Board.

    Before Starting...
    Before starting to fix a dead CPU/driver board, go back to the "Before Turning the Game On" sections and follow all those steps. It's not even worth going on until that work is done. For example, the power supply needs to be working and outputting the correct voltages. Also the assumption is that the CPU board's LED(s) are locked on, or at least flash. If they don't do that, make sure there is +5 volts getting to the CPU board, and then check the section below for more help.

    Before removing any boards from the game, and assuming the power supply is working, it's time to do some preliminary diagnostics. Remove the game's backglass, so the CPU board's LED(s) can be seen (if the CPU board in question is not in the game, it can be powered up "on the bench" with an external +5 volt power supply, those details are below). Right now, before doing anything, remove fuse F2 (solenoid power) and fuse F3 (lamp matrix power) from the power supply board. Now go ahead and power the game on, keeping an eye on the LED(s) on the CPU board. Here's a list of what could happen:

    • CPU LEDs come on and stay on (or system7 LED displays zero), with no flash:
        The CPU either isn't booting, isn't resetting, or has locked up attempting to boot. Common problems are bad CPU sockets (Scanbe) or a bad inter-board interconnect board. Go to the Leon Test ROM section below.

    • CPU LEDs flash once (or system7 CPU LED flashes "zero" once), and then turns on and stays on:
        The CPU board booted and then ran into a problem. Most like a ROM related problem, like bad sockets (Scanbe) or bad ROMs, or a bad PIA on the CPU or driver board. Go to the Leon Test ROM section below.

    • CPU LED(s) flash once quickly then go out, but the score displays do not turn on:
        The CPU has started and the game program is (probably) running, but there is either a ROM problem or a problem with the score displays (missing high voltage?) or a blanking problem. Turn the game off, and replace fuse F3 (the lamp matrix power). Turn the game on, then turn the game off and on quickly; if the score displays remain off, but the game goes into "attract" mode (feature lights flashing), there is a problem with either the master display driver board or the display circuitry on the CPU board. Remember system3 games (white Flipper ROMs) do not have an "attract" mode other than the backglass high score lamp flashing on and off. So for these games, try starting a game to determine if there is a score display problem (add some credits and press the start button). If the feature lights do not come on (or a system3 game can not be started), Go to the Leon Test ROM section below.

    • CPU LEDs flash once then go out and player 1 display shows what looks like an error code:
        The game is booting up into "audits" mode. This is good news, as the CPU/driver board problems are usually minimal. The CMOS RAM memory has been erased for some reason (dead batteries or bad CMOS RAM), and this is a warning that all audit and adjustment information has been forgotten. With the coin door open, turn the game off and on quickly, seeing if the game goes into attract mode (might have to do this several times). If the game comes up in attract mode, then chances are good the CMOS IC19 RAM chip is Ok, and all that is needed is new batteries or battery holder (please see the section on batteries). If the game continues to come up in audits mode, then the IC19 CMOS RAM 5101 chip is probably bad. Replace this chip (use a socket!), and the game should be good to go.

    • To determine if the problem is the CPU board or driver board, again, use the simple test to trick the Williams CPU board to (semi) boot without the driver board.
        On a system3-6 game, the driver board can be completely removed from the game, and the CPU board booted. If both CPU board LEDs should come on, go off, and then come back on and stay on. If they do, that usually means the CPU board is Ok, and the driver board needs some work. Go to the Leon Test ROM section below.

Fixing a Broken CPU Board with Leon's Test EPROM.

    Get Leon's CPU Test EPROM.
    All the other "Before Turning the Game On" work is done, right? But the CPU/driver board is still dead. Well now is the time to get Leon's test EPROM. This chip is really needed to do any serious diagnosing of the CPU board, as it allows the CPU board to be run without the driver board. Chances are good you do not have an EPROM programmer. So you'll need to find someone to burn this chip into a 2716 EPROM (or 2532 for System7 CPU boards). The 2716 EPROM code for System3 to System6 games can be downloaded by clicking here (2716) (new system3-6 version 11/01/03). The 2532 EPROM code for System7 can be downloaded by clicking here (2532) {new system7 version 11/01/03}.

    EPROM Tip: If getting an EPROM burned is really a big deal, the System3 to System6 version of Leon's test EPROM can be "doubled up", burned into a 2532, and used in *any* System3 to System7 CPU board. Yes the 2532 is twice the size of the expected 2716 at IC17 on a System3 to System6 CPU board. But because of the way a 2532 EPROM is addressed, the added address space of the 2532 will just be ignored by the System3 to System6 CPU board. But there is a downside to this; Leon's memory test will *not* work in a system7 CPU board. This is because memory for System3 to System6 is at locations $0080 to $0100, and in System7 memory is located from $0000 to $0100 (but the basic part of Leon's test ROM will work, but the memory test will not). This works in a pinch if the correct EPROM is not available.

    After the above EPROM code is downloaded and burned into the appropriate EPROM, remove all the existing ROM/EPROM chips from locations IC17, IC20, IC14 (and IC21, IC22, IC26, but there should not be any chips in those locations anyway if the CPU board was converted to EPROMs and new sockets installed). Now installed Leon's test EPROM into the flipper ROM socket at IC17.

    Note: Leon's chip will work with the other ROM chips installed. This happens because Leon's test program starts at the "boot up" memory location, and it does not access the other ROM chips. So basically the other ROM chips get ignored, as Leon's chip is accessed first at power-on, after the CPU board resets. BUT I highly recommend removing ALL the other ROM chips! If one of the other ROMs is bad (shorted), it could "lock up" the CPU board. By removing them, it's just one less thing to go wrong.

    Separate the CPU board from the Driver Board.
    The test EPROM is burned and installed at IC17. Now it's time to separate the CPU and driver boards. Remember how I mentioned the CPU board would *not* work without the driver board? Well that's correct, except when using Leon's test EPROM! This is the *only* firmware that will allow the CPU board to run without the driver board attached (thank you Leon!) This alone makes diagnosing a bad CPU/driver board much easier.

      IMPORTANT: Leon's test EPROM can be run with the CPU board installed in the game, but this is *not* recommended. The test EPROM will toggle all the PIA outputs. If installed in a game, this will turn all the lamps and solenoids on and off! If the test EPROM really must be run in the game, make sure to remove fuses F1 (H.V.), F2 (solenoids), and F3 (lamp matrix) from the power supply board, and/or all the connectors are removed from the driver board and the CPU board (except CPU connector 1J2). This will ensure the solenoids and lamps and score displays are not energizing. For example, if the lamp matrix F3 fuse is not removed, a full 18 volts (not strobed!) will go to the CPU controlled lamps, and burn all of them out instantly! It is also a good idea to remove the power going to the sound board as the PIA outputs could toggle the sounds.

Removing power supply fuses F1 (H.V.), F2 (coils), and F3 (lamps) before
powering-on with the Leon test ROM and the boards mounted in the game.

Booting the CPU board on the "Bench" with an External Power Supply.

    The next trick to fixing a CPU/driver board is to move the boards from the game and to the work bench. In order to do this, an old AT style computer power supply that outputs +5 volts DC (and +12 volts) is needed. These are pretty easy to come by, any computer store should have one for free to $20 dollars (heck new AT computer power supplies can be purchased too for less than $30). An old video game switching power supply can also be used.

    Newer ATX power supplies can also be used, but these do not have a physical power switch. Instead they get a signal from the computer's motherboard connector to turn the power supply off. But these power supplies can be fooled to turn on when their power cord is plugged in. Just tie the green /PS-ON wire (power supply on, active low, normally pin 14 on the motherboard connector) to the black COM ground wire. (a diagram of the 20-pin ATX connector can be found at wired.hard.ru/data/atxpower.shtml).

Hooking up a system3 to system7 CPU board to an external PC power supply.
The red wire is +5 volts, the yellow wire is +12 volts, and the black wire is ground.

    After the power supply is obtained, power it up and figure out which wires are the ground COM (usually black), +5 volts DC (usually red), and +12 volts DC (optional, but usually yellow). Use a DMM to test the voltages. Turn the power supply off. Now get three alligator clip test leads, and hook up the power supply to the CPU board's connector 1J2 as follows:

    • Ground (black) = CPU board 1J2 pins 1,2,3 (connect to pin 1)
    • +5 volts (red) = CPU board 1J2 pins 4,5,6 (connect to pin 5)
    • Unregulated +5 (or +12) volts = CPU board 1J2 pin 9*

    * Is the Unregulated +5 Volts Needed?
    Williams calls this "unregulated +5 volts", but in reality it's actually closer to unregulated 12 volts. System6 and System7 CPU boards may be easily jumpered to work on only +5 volts, with no need to use a power supply's +12 volts too. Interestingly, System3 and System4 CPU boards also do not require the +12 volts IF they have the "reset modification" performed (in the CPU board modification section). I personally don't recommend using the +12 volts unless it is needed, as it's just another thing to mis-connect, and most CPU boards don't need it.

    To get around not connecting power to the unregulated +5 volt power pin on System6 to System7 CPU boards, try the board first without the unregulated +5 volts. If it doesn work, use an alligator jumper clip and do this: Connect the power supply's +5 volts (the electroylic cap C23's positive lead) to resistor R27 (see which side of R27 in the bullet points below). Because the layout of System6 and System7 is different, pay particular attention to the instructions below. Because one side of R27 is ground, and connecting +5 directly to ground would cause the power supply to short. So be careful which side of R27 is used! In all cases, cap C23 and resistor R27 are just to the right of connector 1J2 on the CPU board.

    • System6 CPU board: alligator clip on the TOP side (positive lead) of C23. Connect the other jumper to the bottom lead of R27.
    • System7 CPU board: alligator clip on the BOTTOM side (positive lead) of C23. Connect the other jumper to the BOTTOM lead of R27.

    At Power-Up, the LEDs or 7-Segment Display Does not Come On.
    On system3 to system6, if the LEDs don't come on at all, or on system7 the segment display doesn't come on, there is a problem! This is usually a sign of a short on the board (battery corrosion?) or no power. Make sure the power is hooked up properly to the board. On System 6/7 CPU boards, check test point TP9 for +5 volts. On all system3-7 CPU boards, also test for +5 volts at pin 8 of the CPU chip IC1 (ground is IC1 pin 1) and at interconnector pin 1 on the far right.

    If there's no +5 volts at the CPU chip, then trace back through the power circuit to see where it's losing power. Check to make sure there isn't a short to ground. There are capacitors (.01 mfd non-polarized) at the Vcc (+5 volt) connection of each chip on the board to ground. Check each one of these for a short. Also check the board very carefully for solder splashes. Remember a prior repair may have gone bad and the board was junked for this reason.

    On System3 to system6 boards, check for +5 volts at IC2 pins 2,5,16 (the 8T28 that drives the LEDs). Also remember both LEDs could be bad! The LEDs will always come on at power-up unless turned off by an executing program on the CPU board. If there is proper voltages on the board, but no voltage at pins 2 and 5 of IC2, check for a running CPU chip (see below). If there is CPU activity on the address and data lines, then the problem is most likely IC2 (8T28) on system3 to system6 boards.

    On System7 CPU boards, if there is no activity on the 7-segment display, it is common for IC34 (7447) segment driver chip to fail. This will give a false indication that the board is completely dead or that there's no power. Using a logic probe, test for pulsing at IC1 pin 15 of the CPU chip. If there is activity there, then the problem is most likely IC34 or the segment LED itself. Also if the LED comes on and stays on (even though the game is seemingly working fine), often IC2 (74125) has shorted internally.

    Note two test LEDs (like on system3-6 CPU boards) can be added to the System 7 CPU board. This will allow testing to the board before replacing IC34 and/or segment LED. All that is needed is two LEDs and two 100 ohm 1/4 watt resistors. Solder the two resistors into the board, just to the left of test point TP9. The LEDs then should be soldered into the two top pads pairs next to the segment LED, with the flat side of the LEDs towards the 7-segment LED. With the two LEDs installed, they will "flash" just as the LEDs flash on system3 to system6 CPU boards.

Adding LEDs to a System7 CPU board. Note the flat side of the LEDs goes
towards the 7-segment display, and the new LEDs mount on the upper two
solder pads (of the four pairs). Two 100 ohm resistors are also added next
to TP9. If the 7-segment LED or IC34 that drives the 7-segment display is
bad, the installed LEDs can be used to diagnose other CPU board problems.

    Step 1: How the CPU board boots (or "Getting Started").
    Ok, so the CPU board is all ready, with the test EPROM installed, power supply connected, and the driver board removed. Now we can power on the CPU board. But first, it would be helpful to know what is happening, and how to check it.

    Here are the steps involved in a correctly booting CPU board. In the case of a dead CPU board, each step can be diagnosed with a DMM and/or logic probe.

    • Make sure there is +5 volts at CPU IC1 pin 8 (and IC1 pin 35 on system6/7). There should also be a slightly lower voltage at IC1 pin 2, and ground at IC1 pins 1,21.
    • At power-on, the /RESET (U1 pin 40) 6800/6802 CPU chip is held low for about 50 milliseconds by the reset circuit. This gives the power supply a chance to stablize the +5 volts before the CPU chip starts to "boot".
    • Next the /RESET pin 40 goes high, and the CPU chip begins to execute a startup program inside IC17 (the Flipper ROM). Using a DMM connected to ground and U1 pin 40, check that the voltage comes up to at least 4 volts (from zero volts) when the CPU is first turned on. If the reset pin is not going high (to at least 4 volts), suspect CPU transistors Q1-Q4, Q6-Q9 and diodes D19,ZR1,ZR2 on System6-7, and CPU transistors Q1-4, Q6 and diodes D17-D18,ZR1 on System3-4. Using the schematics, work back through the circuit, testing each transistor, diode and resistor until the faulty component is found. Interestingly, the reset circuit can be overridden by connecting +5 volts to IC1 pin 40 of the CPU. If the reset circuit is the only problem, the CPU should start when +5 volts is applied to pin 40. This is a good method if testing for a bad reset circuit.
    • The "clock" circuit must also be running. This gives the CPU chip a timing pattern.

      On System3 and System4 CPU boards, the clock can be seen with a logic probe at chip U1 pins 3,36,37. Also the the same signal can also be seen at the MC6875 (left of the crystal) IC5 pins 7,13,15 (IC5 pin15 feeds CPU IC1 pin 3, and IC5 pin13 feeds CPU IC1 pin36,37). On system3 to system6, hopefully all the signals are at IC5, as this chip is obsolete.

      If there is no clock signal on the IC5 MC6875 chip, first replace the crystal as they are much cheaper than trying to find the obsolete MC6875 chip. The manual calls for a 3.58 Mhz crystal, but 3.579545 Mhz is really what is available today, and this works fine.

The clock signal on System3 and System4 CPU boards at IC1 pin 3.
This same signal can also be seen at IC1 pins 36,37.

      On system6 and system7 CPU boards, the clock is slightly different because Williams replaced the 6800 with a 6802/6808 CPU processor. With this upgrade, the obsolete MC6875 chip was no longer needed, and hence was eliminated. The clock circuit on the 6802/6808 is built into the CPU chip itself, so the only external clock parts are the crystal and two capacitors. On system6/7 the clock can be seen on the CPU chip U1 at pins 38,39 (which feeds to the 3.58 mHz or 3.579545 Mhz crystal CR1, and the two capacitors C25,C26 which are 27 pF). If the clock is not pulsing on system6/7, replace the crystal and check caps C25,C26. If still no clock, then the IC1 CPU 6802/6808 chip is bad.

The clock signal on System6 and System7 CPU boards at IC1 pins 38,39.

    • The CPU chip now begins to run a program in the IC17 ROM chip (this is one of the Flipper ROMs). In order to do this, the address and data lines fetch the information from the ROM chip, and the CPU chip executes it. The RAM chips are also used in this processes too. If everything checks out prior to this step, but the CPU board's LEDs lock on or lock off, suspect the EPROM IC17 or its socket (also suspect all the other EPROMs and their sockets, but with Leon's test EPROM, there shouldn't be any other ROMs installed!)

      All the IC17 EPROM address lines A0-A7 (pins 8-1), A8-A10 (pin 23,22,19), Chip Select2 (pin 20), and data lines D0-D7 (pins 9-11,13-17) on the EPROM IC17 chip can be checked with a logic probe. They should be pulsing for the most part, except for maybe address lines A8-A10 (pins 23,22,19). If any are missing (not pulsing), suspect a broken or shorted circuit board trace (use the DMM's continuity function, as all the address/data lines go from the CPU's buffer chips to each of the EPROMs and RAM chips, though the pin numbers for the RAM chips will be different from the above EPROM pin numbers).

      Also check the CPU chip IC1 for pulsing at address lines A0-A7 (pins 9-16), data lines D0-D7 (pins 33-26), and perhaps address lines A8-A10 (pins 17-19).

    • There is a chance the CPU chip at IC1 could be bad. It doesn't happen often, but it does happen. Remember system3 and system4 CPU boards use a 6800 or 68B00 CPU chip, and system6 and system7 CPU boards use a 6802 or 6808 CPU chip. A 6800 can not be put in a system6 board, and likewise a 6808 can not be put in a system4 CPU board! Keep this in mind.

      Note in System 6 and system7 CPU boards a 6802 or 6808 CPU chip can be used. Most system6/7 boards all shipped with 6808 chip, as these are slightly cheaper than the 6802 (which has onboard RAM). If a CPU board originally had a 6808, either a 6802 or 6808 CPU chip can be used without any jumper changes. If a system6 CPU board has a 6802 chip and a 6808 is desired instead, check to ensure that CPU jumper J1 is installed and that a 6810 RAM chip is installed on the CPU at IC13. The 6802 CPU chip is identical to the 6808, except it has internal RAM. This internal RAM can be used instead of the 6810 at IC13, on the System6 CPU board ONLY (this is why the system6 CPU board's IC13 is socketed and IC16 is soldered). I have never seen a System 6 board configured like this, but it could be done.

    • At power-on, the blanking signal (pin 37 of the interconnector) should go from low to high (around 4 to 5 volts), just like the reset line. The blanking signal is a flag that goes to the driver board and says, "Hey, the CPU is up and running". When the driver board sees the high blanking signal, the driver board's PIA outputs are enabled, allowing the solenoids, lamp matrix and score displays to work. If there is a problem on the CPU board (or on the Driver board), the blanking signal will never go high. Note with Leon's test chip installed, the blanking signal will alternate from low to high once every second.
    • Check the IRQ circuit, as generated by IC25 (4020) on system6/7 CPU boards, or IC23 (556) on system3/4 CPU boards. Using a logic probe, check IC1 pin 4 for the a pulsing IRQ signal (or check TP5 on System6/7 CPU boards).
    • Don't forget to check the CPU socket IC1, especially if it is a Scanbe socket. That was replaced right?

    How to Tell if a CPU Board is Locked-up or Good.
    The following applies to CPU boards installed with game sofware (and *not* Leon's test EPROM).

    For System3 to System6 CPU boards with game software installed, a good working and fully booted CPU board will, at power-on, flash both LEDs for a moment, and then turn both LEDs off. A locked-up System3 to System6 CPU board will have either or both of the LEDs turned on and stay on when the CPU board is powered on.

    On System7 with game software installed, a good fully working and booted CPU board should flash the 7-segment LED or the two small LEDs next to the 7-segment, seeing a "0" briefly on the 7-segment display. Then the LED(s) go out and should *not* come back on. If there is a "0" from the instant the power is turned on, with no flicker or activity, then the System7 CPU board is locked up.

    In addition, if the CPU board is up and running, the blanking signal will be high (around 4 volts). This is pin 37 of the 40 pin interconnector, or CPU connector IJ3 pin 4. The blanking signal can be fooled into being high on a non-working CPU board, or it can never go high on an otherwise working CPU. But for the most part, a working CPU board will have a high blanking signal.

    How to Tell if Leon's Test EPROM is Running.
    The most obvious thing that will happen if Leon's test EPROM is running correctly is this: On a System3 to System6 CPU board, the two LEDs on the CPU board will start flashing together, at about one second intervals. If the reset and clock circuit are working, and the address and data lines are active, both LEDs should start flashing about one second after the power is applied to the CPU board. On a System7 CPU board, a "zero" will flash every second on the 7-digit LED display.

    The LEDs Come On & Stay On (or 7-segment display shows "0").
    This is certainly the most common problem, and perhaps the most difficult to fix. By default, the two system3-6 LEDs or all the system7 LED segments come on and stay on when powered on. This happens because that's what the hardware dictates; the LEDs/segments do not turn off until the program in IC17 turns them off.

    The Leon test ROM and the game program do this by setting the output ports PA6 through PA10 on CPU IC18 (the 6821 display PIA) low. If the test or game program isn't running, these ports remain high, and the LEDs/segments stay on.

    When the MPU board is powered on, the CPU chip attempts to read addresses $FFFE and $FFFF in EPROM chip IC17 (the test ROM or flipper ROM 2) to obtain the jump address for the program to execute. This program then takes over and controls the LEDs. If the program is not able to start reading IC17, then the LEDs stay locked on.

    The standard game software in IC17 then tries to read and write to the RAM chips IC19, IC16, IC13, and to all the PIAs on both the CPU and driver board (this of course assumes that the boot up process got far enough to run the program in EPROM IC17!) If there is any problem encountered, the program will lock up and not turn off the LEDs. The Leon test ROM however will run even if the PIAs or RAM chips are bad (or missing for the most part), so this narrows down the areas to check if the test ROM doesn't start its alternating LED on and off rythmic flash pattern.

    Good Reset and Clock but No 'Leon' Alternating LED Flashes.
    So the reset and clock test good, but the CPU board, with Leon's test EPROM installed, is still dead! What could it be? According to Leon's documentation, if the U1 CPU chip 6802 is good, his program should run (so try replacing the U1 6802/6808 chip with a known good chip, just to make sure). BUT I find this to not be the case. For example, the following things could make the CPU board not run Leon's program:

    • Bad IC1 chip or socket (6802/6808 microprocessor).
    • Bad IC17 EPROM chip (Leon's test EPROM).
    • Bad IC17 socket (or any socket on the CPU board!)
    • Bad IC18 PIA (6821) chip.
    • Bad IC19 chip 5101 RAM. A really fried 5101 can stop Leon's program from working. If there is any question, remove the 5101 chip completely (Leon's program will work with no 5101).
    • Bad IC11 (74LS10) and/or IC12 (7408) which are in the chip selection circuits.
    • Address or Data line is broken (board trace broken). Using a DMM, make sure the address and data lines all show continuity to the EPROM (IC17), RAM IC13/IC16/IC19 chips, and PIA chip(s).
    • Bad buffer chips at IC9/IC10 (CPU boards prior to System6A only).

    Some of the above chips can be just removed from the CPU board with Leon's test EPROM. For example, the CMOS RAM at IC19 (5101) can be removed. Also the static RAMs at IC13/IC16 can also be removed. Removing these chips on a dead CPU board with Leon's test EPROM is a good idea. If these chips have a short, removing them may allow the CPU board to boot. This especially applies to the 5101 chip at IC19.

    If the CPU board PIA at IC18 is bad, it may prevent Leon's program from flashing the LEDs. Using a test LED (as decribed below) and *not* a logic probe, connect the non-resistor end to +5 volts, and touch the other resistor lead of the LED to the CPU IC1 pin 15. If the test LED flashes on and off about once a second, then the test program is running, and the CPU board PIA at IC18 needs to be replaced.

    The next thing to check now is if the CPU chip is running the program in the test EPROM. Use a logic probe and test CPU IC1 for pulsing activity on the address lines A0-A7 (pins 9-16), data lines D0-D7 (pins 33-26) (and perhaps address lines A8-A10 pins 17-19). If the CPU is running a program, there should be some pulsing on these pins. If even one of the A0-A7 or D0-D7 pins is low or high (not pulsing), then the CPU can not do its job and properly run the program in IC17. If there are pulsing signals on just some of these pins, then the CPU is trying to run, but the test program can't run correctly.

    For both the address and data bus lines, use a DMM and check the continuity between lines. There should be no shorts between any of the data and address lines! Use a DMM and start with address line A0, checking continuity between IC1 address lines A1 through A15 (IC1 pins 9-20, 22-25), and data lines D0 through D7 (IC1 pins 33-26).

    Solder splashes and solder bridges are quite common, especially if chip sockets have been replaced during previous repairs. If a socket was replaced, or testing a board that never worked, a previous repair attempt may have resulted in a short between lines.

    While testing the address/data lines, its a good idea to test address and data line continuity between chips. That is, does address line A0 go from IC14, to IC17, to IC20 (and to IC26 on System7 boards), and finally back to the data and address buffer/amplifier chips (except on system6a CPU boards) and the CPU chip IC1 (more on these buffer/amplifier chips below).

    Address Bus Signals.
    The address signals generated by the CPU chip are not strong enough to work throughout the CPU and driver board. To fix this problem, "amplifiers" are used to boast the signals. This is done by two 8T97 chips at IC3,IC4. If these chips fail, the address lines can be blocked or not amplified, and the CPU board will not run.

    Luckily these chips IC3/IC4/IC8 are easy to check using a logic probe. The CPU chip IC1 is connected to IC3/IC4/IC8's input even numbered pins 2-6,10-14, and the rest of the address bus is connected to the ouput odd numbered pins 3-13. For example, the address signals should be identical on both pin pair (input and output):

    • CPU A0 pin 9 to IC4 pin 2, then IC4 pin 3 to address bus A0.
    • CPU A1 pin 10 to IC4 pin 4, then IC4 pin to address bus A1.
    • CPU A2 pin 11 to IC4 pin 6, then IC4 pin 7 to address bus A2.
    • CPU A3 pin 12 to IC4 pin 10, then IC4 pin 9 to address bus A3.
    • CPU A4 pin 13 to IC4 pin 12, then IC4 pin 11 to address bus A4.
    • CPU A5 pin 14 to IC4 pin 14, then IC4 pin 13 to address bus A5.

    • CPU A6 pin 15 to IC3 pin 2, then IC3 pin 3 to address bus A6.
    • CPU A7 pin 16 to IC3 pin 4, then IC3 pin 5 to address bus A7.
    • CPU A8 pin 17 to IC3 pin 6, then IC3 pin 7 to address bus A8.
    • CPU A9 pin 18 to IC3 pin 10, then IC3 pin 9 to address bus A9.
    • CPU A10 pin 19 to IC3 pin 12, then IC3 pin 11 to address bus A10.
    • CPU A11 pin 20 to IC3 pin 14, then IC3 pin 13 to address bus A11.

    • CPU VMA pin 5 to IC8 pin 14, then IC8 pin 13 to VMA signal bus.
    • CPU A12 pin 22 to IC8 pin 12, then IC8 pin 11 to address bus A12.
    • CPU A13 pin 23 to IC8 pin 10, then IC8 pin 9 to address bus A13.
    • CPU A14 pin 24 to IC8 pin 6, then IC8 pin 7 to address bus A14.
    • CPU A15 pin 25 to IC8 pin 4, then IC8 pin 5 to address bus A15.
    • CPU R/W pin 34 to IC8 pin 2, then IC8 pin 3 to R/W signal bus.

    Finally IC8 handles address lines plus the R/W (Read/Write) and VMA (Valid Memory Address) lines. If identical signals are not seen on each pin pair shown above, then replace the offending 8T97. The part number is obsolete, but can be replaced by a 74LS367 or 74LS365.

    Also if an address line is missing, use the appropriate IC3, IC4, or IC8 chip as an "anchor point" for your DMM set to continuity. This way continuity can be check for the missing address line between the ICx chip and the PIA, ROM and RAM chips.

    Diagnosing & Removing Data Bus Chip IC9/IC10 (Prior to System6A).
    These two CPU board chips are only needed if using the 3624 masked ROMs on pre-System6A CPU boards (another good reason to use EPROMs). Otherwise, these bus transceiver chips IC9,IC10 can be removed (Williams did this on System6A CPU boards). This is good news, as these 8T28 buffer chips at IC9,IC10 are hard to find, and they do fail.

    The data bus was originally designed in the same manor as the address bus with two data buffer transceivers chips. The are transceivers since signals go both way on the data bus, and are used to amplify the data signals. On System3-6 CPU boards these are the obsolete 8T28 chips. On the System7 CPU boards one (avialable!) 74LS245 is used at IC9. System 6A boards eliminated the data buffers entirely.

    I personally don't recommend removing these chips unless they are known to have a problem. There is some risk involved (see below).

    How does someone know if IC9/IC10 are bad? (Remember, all this only applies to System3 to System6 CPU boards.) This is done in the same manner as the address buffer 8T97 chips mentioned above. Using a logic probe, look at the input signals to the IC9/IC10 chips. The output signals should look identical (pulsing). If they are not, there's a good chance the chip is bad. Data lines D0-D3 are connected to IC10, and data lines D4-D7 are connected to IC9. The CPU data lines are connected to pins 2/4, 5/7, 9/11 and 12/14 of IC9 and IC10. The data bus is connected to pins 3,6,10,13. The same pulsing waveforms should be seen on the pins 2/4-3 combination, 5/7-6, 9/11-10 and 12/14-13. If not getting the same readings on both input and out sides, then the chip is bad.

U1 6800 IC9 Input IC9 Output   U1 6800 IC10 Input IC10 Output
Pin 29 (D4) Pins 2,4 Pin 3   Pin 33 (D0) Pins 2,4 Pin 3
Pin 28 (D5) Pins 5,7 Pin 6   Pin 32 (D1) Pins 5,7 Pin 6
Pin 27 (D6) Pins 9,11 Pin 10   Pin 31 (D2) Pins 9,11 Pin 10
Pin 26 (D7) Pins 12,14 Pin 13   Pin 30 (D3) Pins 12,14 Pin 13

    Remember System7 CPU boards use a single 74LS245 data buffer. The pairs are a bit like the address buffers, so make sure the same readings are seen on both sides of IC9. The pin pairs are IC9 pins 2/18, pin 3/17, pins 4/16, pins 5/15, pins 6/14, pins 7/13, pins 8/12 and pins 9/11.

Shorting pins 2&3, 5&6, 9&10, 12&13 of IC9 and IC10. This allows the removal
of these chips, if they are bad.

Another method of shorting pins 2&3, 5&6, 9&10,
12&13 of IC9 and IC10. Picture by Mark.

    Here are the steps to removing the chips at IC9 and IC10 on a pre-System6A CPU board. I personally prefer to do this to a working CPU board, but obviously this is not alway possible!
    1. Desolder the chip at IC9.
    2. Install a socket at IC9.
    3. Install Leon's test EPROM at IC17.
    4. Remove the 5101 RAM at IC19 (this is important!) Hopefully this chip is in a socket (it should be, as it is a high failure item).
    5. Using an old discarded dead scrap chip, cut two legs off the chip, and insert them into pins 2 and 3 of IC9. With the legs installed in the socket, solder to tops of the two legs together so they are connected (shorting pins 2 and 3 of IC9 together).
    6. Cut two more legs off the discard dead scrap chip, and insert them into pins 5 and 6 of IC9. With the legs installed in the socket, solder to tops of the two legs together so they are connected (shorting pins 5 and 6 of IC9 together).
    7. Cut two more legs off the discard dead scrap chip, and insert them into pins 9 and 10 of IC9. With the legs installed in the socket, solder to tops of the two legs together so they are connected (shorting pins 9 and 10 of IC9 together).
    8. Cut two more legs off the discard dead scrap chip, and insert them into pins 12 and 13 of IC9. With the legs installed in the socket, solder to tops of the two legs together so they are connected (shorting pins 12 and 13 of IC9 together).
    9. If doing this modification to a working CPU board, power up the CPU board and test the work (with the 5101 RAM removed).

    If all went well above, repeat steps 5 through 9, but with IC10. After the board is up and running, replace the 5101 RAM at location IC19. The reason this chip was removed is simple. If a mistake was made in the above procedure, it will FRY the 5101 RAM! These chips are hard to get and somewhat expensive now, so it's a good preventitive measure to remove the chip while testing this procedure. If the board won't boot, and the two LEDs are locked on, either there are other problems with the board or some mistake was made in the above installation.

    Chip Selection.
    All the EPROMs and PIAs on the CPU and driver board share the same data and address bus. For the memory locations the CPU is trying the read from or write to, it needs to "select" the proper chip. The EPROM chips are selected using a chip selection circuit (the PIAs are selected directly by the address lines). If the chip selection circuit is bad, the program code will never get accessed and the CPU board will stay locked. Use a logic probe, and check EPROM chip IC17 pin 20 (the chip select pin) for pulsing activity. If there is none, then the EPROM chip is not being selected. System3/4 CPU boards use IC15 (7442), IC11 (7410) and IC25 (7402) to accomplish this. System6/7 CPU boards use IC15 (74LS139) and IC11 (74S10). If any of these chips are bad, the CPU board will be locked.

    The Read/Write lines.
    The "R/W" line is the signal that the CPU chip generates to tell a chip it wants to read or write data from it. This line is high for a read and low for a write. When the Leon test chip is running, this line should be high. The R/W line passes through the data buffer chip IC8 (pins 2 to 3), so a bad gate in this chip can lock the CPU board.

    The Valid Memory Address line. The 6800 series of microprocessors do not always place a valid memory address on the address bus, so a VMA signal is required to verify a valid memory address. The VMA line is high whenever a valid address is placed on the address bus, and is used as part of the chip selection circuits. If the VMA line never goes high, then a memory address will never be selected. The VMA line originates on the IC1 pin 5 CPU chip, and passes through the data buffer chip IC8 pins 13,14 (System 3/4 CPU boards have some additional logic chips on the CPU side of the VMA line, including IC7, IC11, IC12). Check the VMA at the IC1 pin 5 CPU chip and IC8 pin 14, as these pins should be high.

    Last Resort.
    All of the above steps have been done, and everything looks fine. What now? Looking at the schematics there are a number of support logic chips in addition to the chips discussed above. These are miscellaneous gates that seem to work with almost everything on the CPU board. It may be tempting to start replacing these chips since everything else has checked out or has been done. Just be aware that only IC11 (74LS10) and IC12 (7408), which are in the chip selection circuits, would prevent the test ROM from booting (in addition to all the chips mentioned above!) So if there's nothing else, replace these two chips.

    CPU Chips Not Needed to Run Leon's Test ROM.
    When running Leon's test ROM, I have found there are some chips that are not necessary for his test ROM to boot. On a system3/system4 CPU board, this includes IC6 (74154), IC12 (7408), IC13/IC16 (6810), IC19 (5101) and and the ROMs at IC14/IC20/IC21/IC22/IC26.

    On system7 CPU board, the list is a bit different, as there are a lot more chips not needed by Leon's test ROM. System7 CPU chips not needed to run Leon's test ROM include IC5 (74LS02), IC6 (74154), IC10 (4071), IC11 (74LS10), IC12 (7408), IC13/IC16 (2114 RAM), IC19 (5101 RAM), IC25 (4020), IC35 (sound PIA) and the ROMs at IC14/IC20/IC26.

Leon's Test Chip is Running, Now What?

    So Leon's test EPROM is installed, and the CPU board is booted and running (that is, the reset and clock sections of the CPU board are working). Both CPU LEDs should be blinking about once a second (on system7 CPU boards, the seven segment display will blink "0" every second). Also, if the CPU board is in a game (remember to remove fuses F2/F3), a "0" may flash on and off on two score displays. All this signifies that Leon's test program is running.

    What his test program is doing is testing all the PIA chip(s) on the CPU board and driver board (if attached, which it's *not* right now!) PIA inputs are tested as outputs by Leon's test program; this puts the inputs (and hence then the outputs) of PIA chip(s) PA0-PA7 high, then low, high, then low, over and over again. While Leon's program is doing this, the PIA's pins can be easily viewed alternating high and low using a tester LED or a logic probe. Though this isn't the perfect test method, any repair person will say they never see a PIA working in output that did not work at input. The structure of the PIA chip is complex and any damage to the output pins (and inner structure) by over voltage or over current always affects the whole PIA's input/output at that particular pin.

    At this point a logic probe and a "tester LED" is needed. If a logic probe is not available, go to Radio Shack and buy one for $20.

      Building the "Tester LED".

      The "tester LED" needs to be contructed using a LED and a 150 ohm resistor. Solder the resistor to the FLAT SIDE of the LED. A wire can be soldered to the non-resistor leg of the LED (or just connected an alligator test lead). The wire or alligator test lead will then (normally) be connected to +5 volts. Use the resistor lead on the LED as a test probe lead. I personally have found it easier to probe with the resistor side of the LED, hence the tester is assembled in this manner.

    The "tester LED" construction.

      The nomenclature in this document assumes the user has assembled their LED tester as indicated above, and that the LED was correctly manufacturered. Unfortunately there are some goofey LEDs out there sometimes sold by liquidators or Radio Shack that have the flat side of the LED incorrectly marked. This situation can also be simulated if someone soldering the resistor to the round LED side. In this situation the user would need to put the positive round LED side (resistor) to +5 volts and use the negative (flat) side to probe. The answer to this problem is to correctly assemble the LED tester. And to buy LEDs from a reputable source like Digikey or Mouser, so a mis-manufacturered "liquidation stock" LED is not used (this problem happens more often than it should!) Unfortunately Radio Shack often buys these liquidation stocks from manufacturers, so their LEDs are generally not the best to use. Technically speaking which leg of the LED the resistor is connected does *not* matter (it will work either way!). BUT the results seen will be different than documented here. That's the why the LED tester is assembled in the manner stated above.

Removing power supply fuses F1 (H.V.), F2 (coils), and F3 (lamps) before
powering-on with the Leon test ROM and the boards mounted in the game.

    Testing the CPU PIA Chip(s).
    Now use the tester LED or the logic probe to check each of the PIA's outputs. Personally I prefer using the tester LED for this, as the tester LED indications are very clear (a logic probe can show noise, and is often confusing). Connect the non-resistor lead of the tester LED to +5 volts (TP9 on system6/7 CPU boards, or interconnector pin 1 on the far right). Use the resistor end of the tester LED to probe each PIA pin desired. If being tested in the game, be sure to remove power supply fuses F1 (H.V.), F2 (coils) and F3 (lamps) before powering on.

    If one of the PIA pin specified below is not alternating high then low on the tester LED, that PIA chip is proabably bad. Leon's program moves the PIA's outputs high and low once a second, so it's real easy to see this with the tester LED (the LED blinks on and off about once a second). This is very cool, as PIA chips are normally hard to diagnose any other way, even with a logic probe.

    Here are the CPU board's IC18 PIA pins to check for the alternating high and low signal on the CPU board:

    • IC18 PIA Pins 2-17 high then low (tester LED on and off), alternating every second.
    • IC18 PIA Pins 19,39* high then low (tester LED on and off), alternating every second (if the driver board is attached, these pins may not pulse).
    • IC18 PIA Pins 26 to 33 are the data lines, and should be pulsing (use a logic probe for these pins).
    • IC18 PIA Pin 34 (reset) should be high (tester LED on).

    If any IC18 pin 2-17 are not alternating high then low, then the PIA is bad. Remove the chip, install a socket and a new PIA 6821 chip.

    * Note Leon's chip also tests pins 19 and 39 on the PIAs. These are the CA2 and CB2 ports. Each 6821 has these two "special" ports (in addition to the eight ports at PA0-PA7/PB0-PB7), which are used mostly for the Special Solenoids. If CA2 or CB2 is labeled as a "STx" port on the schematics, that means it controls a Special solenoid when the game is in diagnostics. Keep that in mind.

    On system7 CPU boards, the sound PIA at IC36 can also be tested with a logic probe, as Leon's test program is triggering this PIA too. Test all the IC36 pins listed above, with exception, IC36 pin 9 (PA7). This pin will be either high or low (depending on a CPU board jumper setting), and will not be alternating. Note this PIA does not use the CA2/CB2 ports to my knowledge.

    Leon's test chip also alternates high and low the Blanking signal on the CPU board. This can be easily seen on pin 37 (fourth pin from the left) of the inter-connector.

    Tester LED not Flashing, but PIA is Good?
    Does this ever happen with the Leon test ROM? Sure it does! I'll give you an example. I had a System3 CPU board with the Leon chip installed and running. Tested pins 2-17 of the PIA, and noticed pin 4 (PA3) was not flashing the Tester LED, instead the LED was just "on". I was tempted to just change the PIA, but it was not socketed, and I hate changing those 40 pin chips. Instead I looked at the schematics first.

    On the CPU PIA pin 4, it goes to two other chips (IC6 pin 21 and IC7 pin 11). IC6 is the 74154 BCD decoder, which takes four signals from the PIA and turns it into a bunch of output strobes for the score displays. IC7 is a 7404 inverter support chip for the 556 timer. All these chips were soldered in place. So what I did was cut the IC6 pin 21 leg at the board, and bend it up a bit. Powered back on, and the Tester LED on CPU PIA pin 4 was still locked on. Power off and resoldered the cut and bent IC6 chip leg. Then I cut and bent IC7 pin 11's chip leg. Rebooted, and now the PIA pin 4 pulsed on and off with the Tester LED, just like it should.

    So the bottom line was that even though Leon's test chip indicated the CPU PIA was bad, it really wasn't (IC7 7404 was bad). Replacing IC7 with a new 7404 fixed the problem, and now the CPU board booted and worked fine.

    So here's a list of CPU PIA output pins that go to other chips. These PIA output could test "bad" by the Leon Tester LED, yet the PIA could still be good. (The chip the outputs goes too could be holding the signal high or low.)

    • PIA IC18 pin 2 to IC6 pin 23
    • PIA IC18 pin 3 to IC6 pin 22
    • PIA IC18 pin 4 to IC6 pin 21 & IC7 pin 11
    • PIA IC18 pin 5 to IC6 pin 20
    • PIA IC18 pin 39 to IC7 pin 5

    Leon's Memory Test.
    Leon also has a separate memory test in his EPROM. In prior versions of Leon's test ROM, I personally found the memory test to not be 100% dependable (it can give false readings as to exactly which chip is faulty). Leon has updated the memory test (10/23/02 and again 10/30/03) to address these problems, so be sure to download and burn his latest version from this web page.

    Leon's memory test NO LONGER requires the "Test LED" as a test indicator. Everything is done with the on-board CPU LEDs (thanks Leon for making this change). The old method using his Test LED can still be used though (but note a logic probe can *not* be used for this). Very thin/small pulses can occur on this test, and these are too tiny for the LED indicator to see. But with the logic probe of course these pulses are detected. Hence a logic probe will give confusing and contridicting results.

    The "New" Leon Memory Test (11/01/03 and later):
    To run the memory test, press the diagnostic button on the MPU board (lower button on CPU boards with two buttons).

    System 3 to 6 CPU boards Leon Mem Test:

    • Test Passed (all three memory chips IC13,IC19,IC16 are Ok):
      • First the top LED will flash once
      • Then the lower LED will flash once
      • Then both LEDs will flash.
      • There will be a short pause, and then the board will go to flashing both LEDs.
    • Test Failed (or or more memory chips IC13,IC19,IC16 are bad):
      • If both LEDs lock on (no flashes) then IC13 is bad.
      • If both LEDs flash ONCE then stay on, IC19 is bad
      • If both LEDS flash TWICE then stay on, IC16 is bad
    • Note the "old" Test LED procedure outlined below and used in older versions of Leon's Test ROM still works the same (Test LED connected to pin 15 of the 6800 cpu chip).

    System 7 boards Leon Mem Test:

    • If your system 7 board has LEDs instead of the segment display, the LEDs will act like the System 3-6 LEDs described above.
    • Test Passed: The segment display should continue flashing.
    • Test Failed:
      • Segment Display LED shows "1" - IC13 is bad.
      • Segment Display LED shows "2" - IC19 is bad.
      • Segment Display LED shows "3" - IC16 is bad.

    The "Old" Leon Memory Test (prior to 11/01/03).
    Using a Sharpie pen, put a mark on the IC1 pin 15 CPU chip so that pin 15 can be found quickly. Connect the non-resistor lead of the tester LED to +5 volts. Connect the remaining resistor lead of the tester LED to IC1 pin 15. Now power the CPU board on with Leon's test chip installed. The test LED should alternate high and low, just like the CPU board mounted LEDs.

    To activate the memory test, keep the tester LED connected to +5 volts and U1 pin 15, and while the CPU mounted LED(s) are blinking on and off, press the SW1 diagnostic switch on the CPU board. The CPU board mounted LEDs (or the 7-segment LED on system7) will stay on or off for a second (depending on what state they were in when the SW1 button was pressed). The tester LED on U1 pin 15 will now indicate the memory test results:

    • Test LED stays on or off without flashing = IC13 RAM bad.
    • Test LED flashes once and then stays on = IC19 5101 RAM bad.
    • Test LED flashes twice and then stays on = IC16 RAM bad.
    • Test LED flashes twice and goes off, and then the "regular" rhythmic pulsing on and off of the CPU board mounted LED(s) flash resumes = all memory chips are good.

    As a test, if IC13, IC19, IC16 are socketed, remove these chips one at a time and run Leon's memory test. This will give some idea of what to expect if any of these are bad. I find personally that if the tester LED gives a result *not* listed above (like the Tester LED flashes once and goes off!), than the problem is usually the IC19 (5101) RAM.

The CPU Board is Working; Install the Driver Board.

    Now that the CPU board is working with Leon's test EPROM, it's time to install the driver board and diagnose it. Remember, the driver board is really just an extension of the CPU board. If the driver board does not work, it can lock up the CPU board, and prevent everything from working.

    With the CPU and driver boards connected together, Leon's test EPROM installed, and the external +5 volts and 12 volt power supply turned on, the LEDs should again flash in unison about once per second (just as they did when the driver board was not connected). Also the flipper relay mounted on the driver board should click on and off (in some cases it may not, if the relay is slow to energize). If the relay does not click, this may be an indication that the "blanking" signal from the CPU is either missing or is too short in duration for the relay to energize. If the relay is not clicking on the driver board, this does not necessarily mean there is a problem with the CPU board (especially on System3 and System4 CPU boards, which seem to not always "click" the relay with Leon's test ROM). During normal game operation, the blanking signal is always on (high). Once the boards are installed in the game and the solenoids will not energize, the blanking circuit is the first place that should be examined. Leon's test chip also alternates high and low the Blanking signal on the CPU board, but the pulse length may not be long enough for the relay to "click". The blank though can be easily seen on pin 37 (fourth pin from the left) of the inter-connector using the tester LED.

Removing power supply fuses F1 (H.V.), F2 (coils), and F3 (lamps) before
powering-on with the Leon test ROM and the boards mounted in the game.

Using Leon's test chip with the CPU and Driver board mounted in the game. Note
power supply fuses F1 (H.V.), F2 (coils) and F3 (lamps) are removed. +5 volts is
gotten for the tester LED at pin 1 of the interconnector. Driver board PIA IC5
(coils) is at the left, PIA IC10 (lamps) is in the middle, and PIA IC11 (switches)
is on the right. Notice the custom connector at 2J3 to short the switch matrix row
pins all to ground.

    Again use the "tester LED" with the non-resistor lead connected to +5 volts, and check the three PIA chips (mounted left to right on the driver board) - IC5 (solenoids), IC10 (lamp matrix) and IC11 (switch matrix), with the resistor lead of the tester LED. Check:

    • PIA Pins 2-17 high then low (tester LED on and off), alternating on and off every second*.
    • IC18 PIA Pins 19,39** high then low (tester LED on and off), alternating every second (note these pins may not pulse).
    • PIA Pins 26 to 33 are the data lines, and should be pulsing (use a logic probe for this).
    • PIA Pin 34 (reset) should be high.

    * NOTE: When testing the IC11 pins 2-9 on the driver board (switch matrix), a slight modification is needed to the driver board. On driver board connector 2J3, short to ground *all* these connector pins when testing IC11 pins 2-9 (PIA outputs PA0 to PA7). If this is not done, IC11 pins 2-9 will not alternate on and off.

    ** Leon's chip also tests pins 19 and 39 on the PIAs. These are the CA2 and CB2 ports. Each 6821 has these two "special" ports (in addition to the eight ports at PA0-PA7/PB0-PB7), which are used mostly for the Special Solenoids. If CA2 or CB2 is labeled as a "STx" port on the schematics, that means it controls a Special solenoid when the game is in diagnostics, and these may not alternate on and off (as the PA/PB ports do). Keep that in mind.

    If any pin 2-17 are not alternating high then low, then the PIA is bad. Remove the bad PIA chip, install a socket and a new PIA 6821 chip. Also check the interconnector pin 37 (blanking), as this should be high (LED on).

    CPU board Locked Up with Driver Board Installed and Leon's Test Chip.
    This is fairly common, and indicates one (or more!) of the PIAs have failed. Even with Leon's test EPROM installed, it is fairly common to have the driver board lock-up the CPU.

    The most common PIA to lock up the CPU is driver board IC11, the switch matrix PIA. Go ahead and desolder this chip, install a socket and a new 6821 chip. The other two PIAs (solenoids and lamp matrix) can also fail, but they do not tend to lock up the CPU board like a failed switch matrix IC11 chip. If the CPU board is still locked up after replacing IC11, replace the driver board IC5 PIA (solenods) next. Still locked up, finally replace the driver board IC10 PIA (lamp matrix).

    In real life, the driver board's IC5 solenoid PIA may fail the most of the PIAs, due to locked on coils from shorted driver transistors. These shorted driver transistors can take out the 7408 chip which drive them, and the IC5 solenoid PIA which drives the 7408.

    But the driver board IC11 switch matrix PIA is a close second in failure. The driver board's switch matrix IC11 PIA, like the solenoid PIA, only has a single TTL chip in front of it for protection. So when someone shorts a solenoid or lamp voltage across the switch wiring under the playfield, it usually takes out the 7406 or 4049 chips and the IC11 switch matrix PIA.

    The driver board lamp matrix PIA rarely seems to fail, in comparison to the switch matrix and solenoid PIAs.

Check the Blanking Signal on the CPU/Driver Boards.

    Blanking Signal Introduction.
    Most people will be asking, "what is this Williams 'Blanking' Signal I hear so much about?" The blanking signal is a flag between the CPU and driver board that says, "Hey, the driver board PIAs chips are OK, the CPU ROM chips are good, we're booted and running, all is A-OK". So once the CPU ROM program thinks everything is good, it sets the blanking signal high. This in turn allows the rest of the game to "come to life". If the blanking signal never goes high, the solenoid, CPU control lamps, and/or the score displays won't work. The game will seem like it's trying to boot up and function, but the blanking signal keeps the game from coming to life at the last second. This is a protection device to prevent the game from destroying itself if the CPU thinks there is a problem.

    The reason the Blanking signal gets so much (bad) press, is if the game is not working, the Blanking gets blamed (though in most cases, no blanking signal is the symptom, not the cause of the problems). So again, it should be stated right up front that most "blanking signal problems" are not related to the blanking circuit itself! If the blanking signal never goes "high", usually the problem is bad chip sockets (Scanbe), bad PIAs, or bad 40 pin interconnector. But if all the tests have checked out Ok with Leon's test chip, and the blanking signal is still low, there is good reason to suspect the blanking circuit itself.

    As Mark says, "blanking will always be zero (low) unless the board has successfully booted with the game ROMs". The purpose of the blanking signal is to shut down the displays, solenoids and lamps in case of a software or hardware problem. This prevents possible damage to the game if there is a problem.

    The symptoms of a low blanking signal are dead score displays and no CPU controlled lamps (which also happens to be the symptoms of almost every other MPU board problem!) If the board seems to be booting with the game ROMs and it passes the self test (both LEDs flash and then go off), check the Blanking signal at pin 37 of the interconnector; It should be 4 to 5 volts.

    As R.Cole describes the blanking is a hardware generated signal where all of the PIA outputs on the driver board are ANDed together (that is, PIAx must be high AND PIAy must be high, etc, to get a final high blanking signal). When the blanking signal is low, all of the controls to the transistors are low and hence there are no switched lights and no solenoids (this is a protection trigger so coils/lights don't burn up if there a problem with a PIA). With the blanking system low, the displays do not turn on either. When the CPU board's blanking circuit sees driver board PIAs ANDed together, the PIA outputs are enabled and the blanking signal is high, allowing the solenoids and lamp matrix to work.

    Since the blanking signal is ANDed with the output of the driver board PIAs, the driver transistors won't ground (energize) a coil unless a high signal comes from both the PIA and the blanking circuit. That is, both the blanking signal and the PIA output must be high to fire a coil. So how can the blanking signal cause all the coils or lamps to lock-on at power on? A high blanking signal will not cause the solenoids or lamps to lock-on, as this is normal in-game operation. However if the blanking signal is lost from the CPU to driver board through a broken 40 pin inter-connector, this will cause the solenoids and/or lamps to latch 'on'. Because now the blanking input to the AND gates will be left floating (undefined) with no clear logic level. You can easily correct this by making sure that 40 pin interconnector has been replaced. In addition, all PIAs come out of reset at power-on with their ports configured as inputs, until reprogrammed by the CPU. If the CPU board does not run because it's faulty, and the blanking signal is missing on the driver board, you have a mix that can cause the AND gates to possibly switch to an 'on' state (documented by Clive). This can cause all the game's coils and lamps to lock on.

    Mark explains the blanking signal is controlled by a timer circuit (a 556 in System 3-6 games and a 555 in System 7 games). When the game software is running properly, port PA2 on PIA IC18 is pulsed every .8 msec. This pulse is fed into the blanking circuit which resets the timer after the signal from PA2 goes high and then low again. If the timer "goes off", blanking is stays low. As long as the timer is reset before it triggers, blanking will remain high. If the game program locks up or the CPU stops running, then the timer will expire, setting blanking low. The key is the signal from the PIA going from High to Low, the transition is what resets the timer. If the port sticks high or low, then blanking will be set low (no transitions are occurring).

    Note Leon's test ROM may still work even if the blanking signal circuit is not working and is low, so this signal needs to be checked before installing the boards in a game (Leon's test chip does alternate high and low the Blanking signal about once a second, just like the PIA outputs). The symptom of a low blanking signal can be the CPU/driver board work fine on the bench with Leon's test chip, but is dead when installed in a game with the game ROM and Flipper ROMs. Usually the problem is the blanking signal is high on the CPU board, but is low on the driver board (which makes the game appear "dead"). This is caused by a bad 40 pin interconnector between the CPU and driver boards.

    Also keep in mind if testing the boards using Leon's test chip, the blanking signal may or may not be present. This is due to the fact that the test chip pulses port PA2 on IC18 only about twice a second, which may or may not be fast enough to reset the timer circuit. Because of this, disregard the blanking signal with Leon's test chip installed. Unfortunately the Blanking signal can only be tested once the boardset is running properly with the game ROMs installed.

    Likely Blanking Signal Problem Parts.
    Remember the likely cause for a low blanking signal (other than the things mentioned above) is a timer chip failure (556 for s36, 555 for s7) at IC23, a bad C31 (1mfd 25v polarized) capacitor, or a bad Q5 transistor (2N4403). The Q5 transistor tests easily with a DMM, and replace cap C31. The timer chip is small and cheap to replace. So start with those thing. In system3 and system4, the 556 timer is also used to generate the IRQ signal, so suspect a bad C31 or Q5 first. On System 6/7, the timer chip (556 for sys6 or 555 for sys7) is only used for blanking. Also on sys6-7 look at the outputs of IC25 (4020 1ms timer) with a scope or logic probe. If the interrupt signal is not being generated at the correct speed, then 555/556 timer IC23 will not generate the required "pulse".

    Testing for the Blanking Signal.
    To test the blanking signal is pretty simple. Power the CPU/driver board up on the bench with the game ROMs installed, and put a DMM on pin 37 (fourth pin from the left) of the driver board's interconnector. After the CPU board boots, this should read at 4 to 5 volts DC. If it does not, the blanking signal has not gone "high". If using Leon's test ROM, the blanking signal will instead alternate high and low once every second.

    To make sure the problem is not the interconnector, check the blanking signal on the CPU board at connector 1J3 pin 4. If the blanking signal is Ok at 1J3 pin 4 but not on the driver board's interconnector pin 37, the interconnector is bad. If the blanking signal is missing at 1J3 pin 4 also, the interconnector is probably Ok, but the parts generating the blanking signal are bad.

    If the problem is the blanking circuit itself (all the rest of of the CPU/Driver board is really Ok), with the game ROMs installed the CPU LEDs will act "normally". That is, at power on a system3-system6 game will flash both LEDs on then off. On system7, the "0" will flash and turn off. But the score displays and CPU lamps won't come on. If the self-test switch is then pressed on the CPU board, the CPU memory test will be run (system3-6, both LEDs should flash twice if everything tests correctly). If all this checks out (and all fuses for the score displays and CPU lamps are good), there is a good chance everything is Ok except for the Blanking circuit itself.

    A Cheat to Determine if the Problem is the Blanking Circuit.
    As a "cheat" to get the driver board to "wake up", +5 volts can be temporarily jumped to pin 37 of the interconnector. If all of Leon's tests passed, and jumpering pin 37 to +5 volts lets the game come on, chances are good the actual blanking circuit itself is bad.

Left: Blanking signal on a system4 CPU board coming out of capacitor C32,
at the cap's left leg.
Right: Blanking signal going into capacitor C32, at the cap's right leg.
Pictures by Jerry.

    Checking the Blanking Circuit Components.
    If the blanking signal is low, but Leon's program is running fine and passes all the tests, suspect the blanking circuit. But remember, the blanking circuit really can not be checked with Leon's test ROM installed (as described above, with Leon's test chip the blanking signal could be high or low). The game ROMs must be installed to check the blanking signal. First check capacitor C32 on system3-6 CPU boards or C84 on system7 (.047 mfd, 50 volts). The picture above shows an oscilliscope connected to each leg of capacitor C32. The picture on the left is the signal going out of the left lead of capacitor C32. If this signal is missing then the blanking signal will not be high on interconnector pin 37 or CPU connector 1J3 pin 4. The picture on the right shows the signal going into the the right leg of capacitor C32 (or C84 on system7). If this input signal is missing then the problem is most likely chip IC7 (7404, all system3-7 CPU boards).

    Next thing to check is transistor Q5 (or Q1 on system7), a 2N4403, which can be tested with a DMM set to the diode function. If both transistor Q5 (or Q1 on sys7) and cap C32 (or C84 on sys7) test good, as does chip IC7, next suspect the timing chip IC23 (a 556 chip on system3-6, or a 555 chip on system7). In system3 and system4 boards, the 556 chip is also used to generate the Blanking and IRQ signals. On System 6 boards the 556 is only used for blanking. On system 7 the 555 chip is also only used for the blanking signal.

    As R.Cole describes, the IC23 timer in the blanking circuit is set up as a resetable one-shot. The signal from one of the PIAs resets the timer periodically. This is a watchdog type of circuit. If the CPU locks up and the IC23 timer chip does not get reset, then the blanking signal goes low and the switched lights and the solenoids are disabled. There is one transistor in the blanking circuit (Q5 or Q1 on system7) and if shorted, it can take out a capacitor C32 (C84 on sys7) in the process.

The blanking LED installed on the driver board's pin 37
interconnector to an LED, to a 150 ohm resistor, to ground.

    Add a Blanking Signal LED.
    This is a neat trick that Jerry came up with. He adds a blanking signal LED to the driver board on his test fixture. This way the blanking signal can be seen at a quick glance. Certainly this isn't needed on every driver board, but if you have one working "test" driver board, this is a neat addition. Personally, I add this LED to every driver board (but hey, I like LEDs and I'm easily amused).

    To add the LED, just solder the interconnector's pin 37 to the round side lead of an LED. Then connect the flat side lead of the LED to a 150 ohm 1/4 watt resistor. Finally connect the other side of the resistor to ground (the big fat trace going around the edge of the driver board). Now when the CPU board is powered on, the LED will be off for just a moment, and then turn on and stay on, indicating a good blanking signal is getting to the driver board from the CPU.

Leon's Test Chip is Working with the CPU/Driver board: Testing the Driver Board.

    Now that driver board *and* CPU board are seemingly working together, it's time to try some other driver board tests using Leon's test chip. For all these tests, the "tester LED" is required!

    Note since the PIA chips are already tested, the tests below try and check the system from the PIA to the driver board connector. In many situations, it is just easier to test the transistors and support chips without power, just using a DMM. This is described in Lamp matrix, switch matrix, and Non-work/Locked on coils sections. But to be complete, the tests below can be used too.

    Switch Matrix "Drive" (Column) Test (Connector 2J2).
    Connect the tester LED's non-resistor lead to +5 volts. Using the resistor lead of the tester LED, touch each pin on driver board connector 2J2. The tester LED should alternate on and off, in unison with the blinking LEDs on the CPU board. If the alternating signal is missing on any connector 2J2 pin, yet all the IC11 PIA signals are present, IC17 or IC18 (7406) on the driver board has failed.

    To verify which input chip IC17 or IC18 is bad, check the input pins of these chips. Put the resistor lead of the tester LED on IC17 and IC18 pins 1,5,9,13. These pins feed from the PIA (which was tested earlier). Now put the resistor lead of the tester LED on IC17 and IC18 pins 2,6,8,12. If these output pins are not alternating but the input pins are alternating, the chip in question is bad.

    Leon Testing Switch Matrix "Inputs" (Row) Test (2J3).
    To test the switch rows, the pins at connector 2J3 will need to be grounded. To test row 1, ground pin 9 of 2J3. Using the Tester LED with the non-resistor end connected to +5 volts, put the resistor end of the Tester LED on the switch matrix PIA IC11 pin 2. The LED should be flashing. Move the ground to 2J3 pin 8, and check for a flash at IC11 pin 3. Continue moving the ground down a pin on connector 2J3, and moving the tester LED up a pin on IC11. The LED should flash should at each step. If it doesn't, the PIA IC11 is probably bad.

    Lamp Matrix Strobe (Column) Test (Connector 2J5).
    To test the lamp matrix columns, power has to be applied to any pin of driver board connector 2J4. Normally this is +18 volts, but for our test, +5 volts will work fine. Using an alligator test clip, connect +5 volts (TP9 on system6/7 CPU boards, or interconnector pin 1 on the far right) to any pin of connector 2J4 on the driver board.

    In addition, the connectors at both 2J5 and 2J7 need to be attached from the game. If testing "on the bench", an alternative method can be used (see below).

    Now connect the tester LED's non-resistor lead to +5 volts. Using the resistor lead of the tester LED, touch each pin of driver board connector 2J5. The tester LED should alternate on and off, in unison with the blinking LEDs on the CPU board.

    If the CPU/driver board combo is on a bench with no access to the playfield connectors 2J5 and 2J7, another method must be used. With the tester LED's non-resistor end connected to +5 volts, touch the tester LED's resistor end to the left most leg of each transistor Q62, Q64, Q66, Q68, Q70, Q72, Q74 and Q76 (the small transistors along the right edge of the driver board). The tester LED should alternate on and off, in unison with the blinking LEDs on the CPU board (the tester LED will not work directly on connector 2J5 without the playfield connectors 2J5/2J7).

    If the alternating signal is missing, yet all the IC10 lamp PIA signals are present, check the inputs of IC13 or IC14 (7408) on the driver board (pins 1,2,4,5,9,10,12,13 of IC13 and IC14). If there is no input signal, there is a bad TIP42 (Q63,Q65,Q67,Q69, Q71,Q73,Q75,Q77) driver transistor or 2N6472 (Q62,64,66,68, 70,72,74,76) pre-driver transistor feeding the chip. Then check the output signals of IC13 and IC14 (pins 3,6,8,11). If the input signal is turning on and off, but there is no output signal, the chip is bad. Note the output signal from the chip may be very short.

    Lamp Matrix Row Test (Connector 2J7).
    This test also requires +5 volts power to any pin of driver board connector 2J4. Normally this is +18 volts, but for our test, +5 volts will work fine. Using an alligator test clip, connect +5 volts (TP9 on system6/7 CPU board, or interconnector pin 1 on the far right) to any pin of driver board connector 2J4.

    In addition, this test also requires a ground connection to any pin of driver board connector 2J6 (if the boards are installed in the game, just have the game connector attached at 2J6).

    Once power and ground are applied to the lamp matrix, now connect the tester LED's non-resistor lead to +5 volts. Using the resistor lead of the tester LED, probe on each pin of driver board connector 2J7. The tester LED should alternate on and off, in unison with the blinking LEDs on the CPU board.

    If the alternating signal is missing on any connector 2J7 pin, yet all the IC10 PIA signals are present, check the outputs of IC19 or IC12 (7406) on the driver board (pins 2,4,6,8,10,12 of IC19 and pins 2,4 of IC12). If there is no output signal, the chip is bad. If the output is good, there is a bad 2N5060, 2N6427 or 2N6122 transistor.

    Solenoid Driver Test (Connectors 2J9,2J11).
    No additional power hook-up are required for this test. Connect the tester LED's non-resistor lead to +5 volts. Using the resistor lead of the tester LED, test each pin of driver board connectors 2J9 and 2J11. The tester LED should alternate on and off, in unison with the blinking LEDs on the CPU board.

    If the alternating signal is missing on any connector pin of 2J9 or 2J11, yet all the IC5 PIA signals are present, check the output of chips IC1,IC2,IC3,IC4 (7408 pins 1,2,4,5,9,10,12,13). if any are missing, the chip as failed. If all alternating signal is present, there is a failed predriver 2N4401 (Q14,Q16,Q18,Q20,Q22, Q24,Q26,Q28,Q30,Q32, Q34,Q36,Q38,Q40,Q42,Q44) or driver TIP120/TIP102 transistor (Q15,Q17,Q19,Q21,Q23, Q25,Q27,Q29,Q31,Q33,Q35, Q37,Q39,Q41,Q43,Q45).

    Special Solenoids Trigger Test (Connector 2J12).
    A modified test for this is needed to test the switch triggered special solenoids. This test requires a ground connection to any pin of driver board connector 2J10 (if the boards are installed in the game, just have the game connector attached at 2J10).

    Also selected connector 2J13 (switch inputs) pins will need to be grounded for this test. Then connect the tester LED's non-resistor lead to +5 volts. Using the resistor lead of the tester LED, touch connector 2J12 pins specified below (note that 2J12 pin 2 is not tested, as this is the flipper coil ground return).

    • Tester LED to 2J12 pin 3, and ground to 2J13 pin 2 (IC6 pin 12).
    • Tester LED to 2J12 pin 4, and ground to 2J13 pin 3 (IC6 pin 9).
    • Tester LED to 2J12 pin 6, and ground to 2J13 pin 4 (IC6 pin 5),
    • Tester LED to 2J12 pin 7, and ground to 2J13 pin 5 (IC6 pin 2).
    • Tester LED to 2J12 pin 8, and ground to 2J13 pin 8 (IC7 pin 12).
    • Tester LED to 2J12 pin 9, and ground to 2J13 pin 9 (IC7 pin 9).

    The tester LED should flash on and off for each 2J12 pin listed above. If the tester LED is locked on or off, the ground connection to connector 2J13 can be moved backwards through the circuit to find the faulty component (the tester LED should *not* be moved). For example:

    • Move ground from 2J13 pin 2 (IC6 pin 12) to IC6 pin 11.
    • Move ground from 2J13 pin 3 (IC6 pin 9) to IC6 pin 8.
    • Move ground from 2J13 pin 4 (IC6 pin 5) to IC6 pin 6.
    • Move ground from 2J13 pin 5 (IC6 pin 2) to IC6 pin 3.
    • Move ground from 2J13 pin 8 (IC7 pin 12) to IC7 pin 11.
    • Move ground from 2J13 pin 9 (IC7 pin 9) to IC7 pin 8.

    If the tester LED now flashes when ground is moved from 2J13 to the appropriate IC6/IC7 pin, then IC6 or IC7 is bad. If the tester LED is still not flashing, move ground again through the circuit:

    • Move ground from IC6 pin 11 (IC8 pin 5) to IC8 pin 4.
    • Move ground from IC6 pin 8 (IC8 pin 12) to IC8 pin 13.
    • Move ground from IC6 pin 6 (IC8 pin 9) to IC8 pin 10.
    • Move ground from IC6 pin 3 (IC9 pin 2) to IC9 pin 1.
    • Move ground from IC7 pin 11 (IC9 pin 5) to IC9 pin 4.
    • Move ground from IC7 pin 8 (IC9 pin 12) to IC9 pin 13.

    Again if the tester LED now flashes when ground is moved from IC6/IC7 to the appropriate IC8/IC9 pin, then IC8 or IC9 is bad. If the tester LED is still not flashing, a 2N4401 pre-driver (Q1,Q3,Q5,Q7,Q9,Q11) or TIP120/102 driver transistor (Q2,Q4,Q6,Q8,Q10,Q12) has failed.

    Summary of Driver Board Tests.
    Remember, the "tester LED" should always be used for the driver board test. A logic probe will not always give a good indication of the circuit's condition.

The Built-In Williams Firmware Diagnostics.

    The flipper ROMs also contain some built-in factory diagnostics. For this to work, the standard game ROM and Flipper ROMs must be installed, and the driver board connected to the CPU board. System3 to System6 CPU boards have two red LEDs (Light Emitting Diodes) which provide some limited diagnostic information. If the CPU board successfully boots, both LEDs will blink together once, and then turn off. If one of both LEDs locks on, this is an indication of a problem. But the main problem with this diagnostic system is this: the game must have booted correctly, and be in attract mode, for any LED indication to be valid!

    Now how much sense does that make? If the CPU board boots, and the game goes into game over (attract) mode, chances are pretty good that the CPU board is working! (This is unlike Bally's 1977 to 1985 system, where the LED flashes as the game boots, testing each major CPU component in the process, and giving a big clue as to what it thinks is wrong).

    What most people miss is this: if either or both LEDs (or the 7-segment LED on system7) are locked on at power-up, the CPU board has not booted properly. Basically it's the software contained in the EPROMs that turns off the LEDs. If the LEDs never turn off, the software is probably not executing. There there is a problem, and it must be fixed before the LEDs can be trusted for any diagnostic help. And if the game comes up in "audit" mode, and the CPU batteries are good, the IC19 CMOS 5101 RAM is bad. So why do we need the Williams' diagnostics?

    If there is a problem with the Flipper ROMs or game ROM, at power-up both LEDs will flicker, then both LEDs will come back on and stay on. Compare this to powering-on the CPU board, and both LEDs come on and stay on with no flicker (this indicates a locked-up CPU board).

    On system3 to system6 CPU boards, when the board starts correctly, the LEDs flash once and then go out. Now push the CPU board's diagnostic switch SW1 (the lower button) once. IMPORTANT: on System6/7 games, the coin door must be open (memory protect switch open). If all diagnostics pass, both LEDs will flash briefly *twice*, and turn off. The game will not return to attract mode.

    Turn the game off, and repeat the test three or four times. If the same result is received every time, the results of the test can be considered "valid". If different results are seen, NONE of the results can be trusted!

    If different results are seen between multiple tests, the first thing to suspect is chip IC19 (5101 CMOS RAM), and then chips IC13/IC16 (6810 or 2114 RAM). If any of these are in sockets, suspect the socket too.

    What the diagnostic software is trying to do is this: The Flipper ROM software reads a few bits from IC20 (the Flipper ROM), and then attempts to write that to IC13/IC16 (6810 or 2114 RAM) and IC19 (5101 RAM). If the results don't equal what's in the Flipper ROM, then the LED locks on. 99.9% of the time the problem is IC19 (the 5101). The two static 6810 or 2114 RAMs (IC13/IC16) are rarely bad. While flipper ROM IC20 could be bad, the game usually won't boot for the user to even run the diagnostic test if thats the case.

System3 to System6 CPU Board Factory LED Diagnostics.

    Once the CPU/driver board is booted and the game is in attract mode, press the CPU board's SW1 diagnostic switch (the lower switch). Remember on System6 games, the coin door needs to be open. If the SW1 diagnostic switch causes both LEDs to flash twice and go out, the CPU board is probably OK. It might still have display problems, if that happens check CPU board PIA IC18 (score display PIA). Most other components are OK if two flashes are seen. After the two flashes, the game will need to be turned off and on to exit the test (and go back to attract mode).

    If either or both LEDs remain lit, the test program has found a problem:

    • Upper LED on: ROM failure. Check EPROM & sockets IC17/IC20/IC14.
        If the top LED remains lit, this indicates there was a read problem at CPU chips IC14, IC17 or IC20 (the EPROMs). But since the diagnostic program is located in IC17/IC20, it is highly unlikely that the game would have even booted if there was a problem with either of these. The game ROM at IC14 could be suspect if the game booted and the SW1 test was performed, and this LED stays on.

    • Lower LED on: RAM 6810 failure. Check IC13/IC16, sockets and IC8.

    • Both LEDs on (after flashing): CMOS RAM 5101 (IC19) failure. Also check IC12/IC7.
        Remember on System6 games the coin door must be open when this test is run or both LEDs will turn on due to the memory protect circuit. But if both LEDs remain lit (after flashing), this is an indication that the 5101 has failed. This is a somewhat silly test, because if your game powered up in "audits" mode, and couldn't go into attract mode by cycling the power switch quickly, the IC19 RAM can be assumed dead.

    • Both LEDs flash twice and go off: RAM/ROM self test passed. If there are still problems, most likely the driver board or inter-board connector are at fault.

    Try the test three or four times. If the same result is received every time, the results of the test can be considered "valid". If different results are seen, NONE of the results can be trusted! Again, if different results are seen between multiple tests, the first thing to suspect are chip IC19 (5101 CMOS RAM), and chips IC13/IC16 (6810 RAM). If any of these are in sockets, suspect the socket too.

System 7 CPU Board Factory LED Diagnostics.

    The System7 diagnostic tests and codes aren't quite as dumb and unreliable as the above mentioned System3-6 codes. But all the same rules apply here. That is, the CPU board must boot correctly to trust the diagnostic codes. IMPORTANT: the coin door *must* be open to run the diagnostic test! (That is, the memory protection switch must be open.)

    With the coin door open, switch SW1 (the lower button on the CPU board) can be pressed once to run the diagnostic test. The LED display should show "zero" for a second. If everything is Ok, the display will go blank for another second, and the game will return to attract mode. If there is a problem, the error code will display the error number in the LED, and the number will stay displayed. The game will *not* go to attract mode.

    The System7 test diagnostic LED values are listed below*:

    • 0 - Test Passed, everything OK.
    • 1 - IC13 RAM 2114 fault or IC20 ROM bad
      (test reads from IC20 and writes to IC13).
    • 2 - IC16 RAM 2114 fault.
    • 3 - IC17 ROM 2 fault.
    • 4 - IC17 ROM 2 fault (a strange test duplication?)
    • 5 - IC20 ROM 1 fault, or coin door closed, or Memory protect circuit fault.
    • 6 - IC14 Game ROM 1 fault.
    • 7 - IC26 Game ROM 0 fault.
    • 8 - IC19 CMOS 5101 RAM, or coin door closed, or Memory protect circuit fault.
    • 9 - IC19 CMOS 5101 RAM, or coin door closed, or Memory protect circuit fault.

    Again, try the test three or four times. If the same result is received every time, the results of the test can be considered "valid". If different results are seen, NONE of the results can be trusted! Again, if different results are seen between multiple tests, the first thing to suspect are chip IC19 (5101 CMOS RAM), and chips IC13/IC16 (2114 RAM). If any of these are in sockets, suspect the socket too.

    * NOTE: If using System3 to System6 firmware EPROMs in a System7 CPU board, the LED diagnostic display will not function as described above! System3 to System6 software does not support the seven segment LED that is used on the System7 CPU board. In this case, if CPU board diagnostic switch SW1 is pressed, the upper segments of the LED will flash a "u" twice if the test passes (the "u" is essentially the equivalent of both LEDs on a system3-6 CPU board flashing). The game will not return to attract mode. Not much can be diagnosed here, unless System7 EPROMs are installed back into the system7 CPU board, and the test rerun. It's not a bad idea to install the two LEDs and two resistors back into the system7 CPU board, as described above.

    Some Real Life System7 Test Numbers.
    Unfortunately, because the system7 tests are not fully reliable, here's a list of some "real life" problems seen with the Williams test numbers:

    • 1 or 2 - Chips IC32, IC12, IC31 potentially bad (Memory Protect Circuit). Rarely is it a IC13/IC16 (2114) chip problem.
    • 8 - Bad IC36. (note Williams Test Rom ignores this chip). Game Roms use IC36 and if bad, will lock up CPU.
    • 8 - Coils pull in when game is turned on. This can be caused by a bad IC23 (555 Timer).
    • 9 - Check IC7 pin 13, must be High. (Chip U7 could be grounding the signal.)

    If running system7 software, what the System7 diagnostic software is trying to do is almost the same as the System3 to System6 software. But since there's a seven segment LED, the output report is more specific to the exact problem chip suspected. The Flipper ROM software reads a few bits from IC20 (the Flipper ROM), and then attempts to write that to IC13/IC16 (2114 RAM) and IC19 (5101 RAM). If the results don't equal what's in the Flipper ROM, then the LED locks on. 99.9% of the time the problem is IC19 (the 5101). The two static 2114 RAMs (IC13/IC16) are rarely bad. While flipper ROM IC20 could be bad, the game usually won't boot for the user to even run the diagnostic test if that's the case.

    Other Notes: System7 codes 3, 4, 6 and 7: These error codes usually indicate a bad ROM chip. As described in the ROM chip section and socket sections, the original black ROM chips should have been replaced with new EPROMs. If one of these ROM chips is bad, replacing all of the CPU ROMs chips too. If both LEDs remains on after flashing (System7 codes 8 and 9), often the memory protect circuit could also be bad (this circuit prevents adjustments from being changed unless the coin door is open). But chances are really good the problem is really the IC19 RAM 5101 is bad.

Williams Test EPROMs.

    Using a Williams test EPROM can help simplify start up problems, and maybe help the CPU board boot. But even with this chip, the LED fault indications are again not valid unless the CPU board boots first. The bottom line is don't use this Williams test EPROM with a boot-up problem, use Leon's test EPROM instead. But the Williams test EPROM and instructions can be downloaded by clicking here.

Andre Boot's Test ROM.

    Andre Boot has also created a test ROM for system3 to system7 boardsets. His works differently than Leons, and is a bit more "automatic". You can download his test ROM, disassembly 6802 code, and instructions here.

    Andre's test ROM causes the LEDS on the MPU to flash five times for a stanalone MPU board, and nine times if the driverboard is connected. Every flash is an IC test. Here are the LED flash codes:

    • 0 flashes : MPU lockup
    • 1 flash: IC 13 MC6810 RAM DEFECT
    • 2 flashes: IC 16 MC6810 RAM DEFECT
    • 3 flashes: IC 19 CMOS RAM DEFECT
    • 4 flashes: IC 18 PIA I DEFECT
    • 5 flashes: IC 11 PIA 2 DEFECT
    • 6 flashes: IC 10 PIA 3 DEFECT
    • 7 flashes: IC 5 PIA 4 DEFECT
    • 8 flashes: INTERRUPT CIRCUIT DEFECT (Need to make a jumper at 1J4 connector for this test)
    • 9 flashes: All good for system3-6 boards. IC 36 PIA 5 DEFECT for system7 boards.
    • 10 flashes: All good for system7 board.

    Andre Boot Test ROM Installation Instructions.

    1. Turn off power.
    2. Disconnect connector: 1J3, 1J4, 1J5, 1J6, 1J7, (for level 7 boarden also 1J8). remove ROM 2.
    3. Burn testROM.716 to a 2716 EPROM. A 2732 or 2532 version is available for system7 boards using the file testROM.732. Installed the testROM in CPU board at socket IC17.
    4. For level 7 boards only: Jumper W23, W12, W9.
    5. Power on.

    With Driver board connected it should flash nine times (ten times for system7). With driver board disconnected is should flash five times.

All Done with the CPU/Driver Board Tests!

    Now that all the tests have successfully run with Leon's test chip and William's built-in tests, the CPU and driver boards can be installed into the game and tested (make sure the game ROM and Flipper ROM software is installed in the CPU board). Also be sure to remove power supply board fuses F2 and F3 (to remove power from the solenoids and lamp matrix for the initial power-up).

    It should be noted that just because everything checked out with Leon's test EPROM and Williams' built-in tests, does not 100% guarentee the CPU/driver boards will work in the game! It's a pretty good chance they will, but these tests are not perfect, and can overlook some problems. Just keep that in mind.

    If the game boots and works, turn the power off and add fuse F3 (lamp matrix) first. Power back on and see if the game's attract mode lamps are working. If successful, power off and add fuse F2 (solenoids). Power back on and hopefully no coils lock on. If any coil(s) do lock on, check the driver board for shorted solenoid driver transistors.



* Return to the Pin Fix-It Index
* Go to Part One System3-7 Repair Guide
* Go to Part Three System3-7 Repair Guide
* Return to Marvin's Marvelous Mechanical Museum